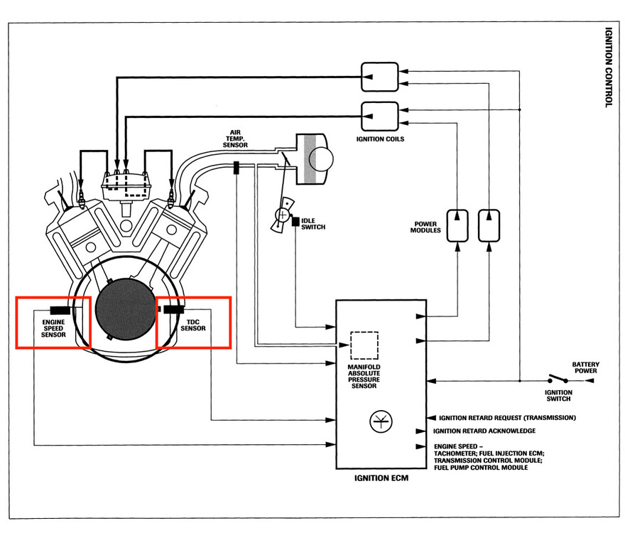
Crank Sensor Location 4.3 Vortec . Camshaft position sensor (cmp) (located at the front of the engine above the crankshaft pulley) oil pressure sensor (located at the top rear of the engine under ignition coil) knock sensor 1. The ckp sensor is located at the rear of the engine, near the transmission bell housing, close to the crankshaft. Chevrolet chevy silverado v6 4.3 liter crank sensor location p0016 Those red numbers show the locations of the matching numbered sensor in the list. There are red numbers on the engine images that match the list of sensors. 1995 4.3 vortec v6 chevy blazer crankshaft positioning sensor location and removal The camshaft position sensor in the older 4.3 vortec engines is located inside the distributor assembly, and you’ll need to remove the distributor cap and rotor to. This article will help you to troubleshoot and diagnose a bad crankshaft position sensor on your 4.3l, 5.0l and 5.7l.
from www.vwvortex.com
There are red numbers on the engine images that match the list of sensors. Chevrolet chevy silverado v6 4.3 liter crank sensor location p0016 This article will help you to troubleshoot and diagnose a bad crankshaft position sensor on your 4.3l, 5.0l and 5.7l. The camshaft position sensor in the older 4.3 vortec engines is located inside the distributor assembly, and you’ll need to remove the distributor cap and rotor to. Camshaft position sensor (cmp) (located at the front of the engine above the crankshaft pulley) oil pressure sensor (located at the top rear of the engine under ignition coil) knock sensor 1. The ckp sensor is located at the rear of the engine, near the transmission bell housing, close to the crankshaft. 1995 4.3 vortec v6 chevy blazer crankshaft positioning sensor location and removal Those red numbers show the locations of the matching numbered sensor in the list.
Crankshaft Position Sensor Location 2.0 TDI VW Vortex Volkswagen Forum
Crank Sensor Location 4.3 Vortec Camshaft position sensor (cmp) (located at the front of the engine above the crankshaft pulley) oil pressure sensor (located at the top rear of the engine under ignition coil) knock sensor 1. There are red numbers on the engine images that match the list of sensors. Chevrolet chevy silverado v6 4.3 liter crank sensor location p0016 The camshaft position sensor in the older 4.3 vortec engines is located inside the distributor assembly, and you’ll need to remove the distributor cap and rotor to. The ckp sensor is located at the rear of the engine, near the transmission bell housing, close to the crankshaft. Those red numbers show the locations of the matching numbered sensor in the list. 1995 4.3 vortec v6 chevy blazer crankshaft positioning sensor location and removal Camshaft position sensor (cmp) (located at the front of the engine above the crankshaft pulley) oil pressure sensor (located at the top rear of the engine under ignition coil) knock sensor 1. This article will help you to troubleshoot and diagnose a bad crankshaft position sensor on your 4.3l, 5.0l and 5.7l.
From www.cherokeeforum.com
Crank sensor location? Jeep Cherokee Forum Crank Sensor Location 4.3 Vortec The camshaft position sensor in the older 4.3 vortec engines is located inside the distributor assembly, and you’ll need to remove the distributor cap and rotor to. Those red numbers show the locations of the matching numbered sensor in the list. 1995 4.3 vortec v6 chevy blazer crankshaft positioning sensor location and removal Chevrolet chevy silverado v6 4.3 liter crank. Crank Sensor Location 4.3 Vortec.
From mavink.com
Toyota Crankshaft Position Sensor Location Crank Sensor Location 4.3 Vortec The camshaft position sensor in the older 4.3 vortec engines is located inside the distributor assembly, and you’ll need to remove the distributor cap and rotor to. Chevrolet chevy silverado v6 4.3 liter crank sensor location p0016 Camshaft position sensor (cmp) (located at the front of the engine above the crankshaft pulley) oil pressure sensor (located at the top rear. Crank Sensor Location 4.3 Vortec.
From www.got2bwireless.com
4.3 Vortec Crank Sensor Wiring Diagram Collection Crank Sensor Location 4.3 Vortec Those red numbers show the locations of the matching numbered sensor in the list. Camshaft position sensor (cmp) (located at the front of the engine above the crankshaft pulley) oil pressure sensor (located at the top rear of the engine under ignition coil) knock sensor 1. There are red numbers on the engine images that match the list of sensors.. Crank Sensor Location 4.3 Vortec.
From www.chevycobaltforum.com
camshaft,crankshaft sensor location Chevy Cobalt Forum Cobalt SS Crank Sensor Location 4.3 Vortec 1995 4.3 vortec v6 chevy blazer crankshaft positioning sensor location and removal This article will help you to troubleshoot and diagnose a bad crankshaft position sensor on your 4.3l, 5.0l and 5.7l. The ckp sensor is located at the rear of the engine, near the transmission bell housing, close to the crankshaft. Camshaft position sensor (cmp) (located at the front. Crank Sensor Location 4.3 Vortec.
From blog.naver.com
P0471 Exhaust Pressure Sensor Range/Performance 네이버 블로그 Crank Sensor Location 4.3 Vortec Chevrolet chevy silverado v6 4.3 liter crank sensor location p0016 The ckp sensor is located at the rear of the engine, near the transmission bell housing, close to the crankshaft. Camshaft position sensor (cmp) (located at the front of the engine above the crankshaft pulley) oil pressure sensor (located at the top rear of the engine under ignition coil) knock. Crank Sensor Location 4.3 Vortec.
From www.2carpros.com
Need Location of Crankshaft Position Sensor It Will Crank, but It... Crank Sensor Location 4.3 Vortec There are red numbers on the engine images that match the list of sensors. Chevrolet chevy silverado v6 4.3 liter crank sensor location p0016 1995 4.3 vortec v6 chevy blazer crankshaft positioning sensor location and removal The camshaft position sensor in the older 4.3 vortec engines is located inside the distributor assembly, and you’ll need to remove the distributor cap. Crank Sensor Location 4.3 Vortec.
From www.2carpros.com
Crankshaft Position Sensor Location? I Need to Know the Location Crank Sensor Location 4.3 Vortec Camshaft position sensor (cmp) (located at the front of the engine above the crankshaft pulley) oil pressure sensor (located at the top rear of the engine under ignition coil) knock sensor 1. The ckp sensor is located at the rear of the engine, near the transmission bell housing, close to the crankshaft. Chevrolet chevy silverado v6 4.3 liter crank sensor. Crank Sensor Location 4.3 Vortec.
From sensordiary.com
2001 Chevy Silverado 4.3 Knock Sensor Location; Must Read. Sensor Diary Crank Sensor Location 4.3 Vortec The ckp sensor is located at the rear of the engine, near the transmission bell housing, close to the crankshaft. Chevrolet chevy silverado v6 4.3 liter crank sensor location p0016 Those red numbers show the locations of the matching numbered sensor in the list. 1995 4.3 vortec v6 chevy blazer crankshaft positioning sensor location and removal Camshaft position sensor (cmp). Crank Sensor Location 4.3 Vortec.
From www.2carpros.com
Crankshaft Position Sensor Location Where Is the Crankshaft Crank Sensor Location 4.3 Vortec Chevrolet chevy silverado v6 4.3 liter crank sensor location p0016 There are red numbers on the engine images that match the list of sensors. Those red numbers show the locations of the matching numbered sensor in the list. 1995 4.3 vortec v6 chevy blazer crankshaft positioning sensor location and removal The ckp sensor is located at the rear of the. Crank Sensor Location 4.3 Vortec.
From www.silveradosierra.com
• Crank Shaft Sensor Location Vortec 5300 5.3L V8 Crank Sensor Location 4.3 Vortec Chevrolet chevy silverado v6 4.3 liter crank sensor location p0016 The camshaft position sensor in the older 4.3 vortec engines is located inside the distributor assembly, and you’ll need to remove the distributor cap and rotor to. There are red numbers on the engine images that match the list of sensors. Camshaft position sensor (cmp) (located at the front of. Crank Sensor Location 4.3 Vortec.
From www.2carpros.com
Where Is the Crankshaft Position Sensor Located? Crank Sensor Location 4.3 Vortec 1995 4.3 vortec v6 chevy blazer crankshaft positioning sensor location and removal This article will help you to troubleshoot and diagnose a bad crankshaft position sensor on your 4.3l, 5.0l and 5.7l. The camshaft position sensor in the older 4.3 vortec engines is located inside the distributor assembly, and you’ll need to remove the distributor cap and rotor to. Chevrolet. Crank Sensor Location 4.3 Vortec.
From www.clublexus.com
Crankshaft position sensor ClubLexus Lexus Forum Discussion Crank Sensor Location 4.3 Vortec This article will help you to troubleshoot and diagnose a bad crankshaft position sensor on your 4.3l, 5.0l and 5.7l. Those red numbers show the locations of the matching numbered sensor in the list. Camshaft position sensor (cmp) (located at the front of the engine above the crankshaft pulley) oil pressure sensor (located at the top rear of the engine. Crank Sensor Location 4.3 Vortec.
From www.cargurus.ca
ANSWERED WHERE IS THE CRANK SENSOR (Chevrolet C/K 2500) CarGurus.ca Crank Sensor Location 4.3 Vortec 1995 4.3 vortec v6 chevy blazer crankshaft positioning sensor location and removal The ckp sensor is located at the rear of the engine, near the transmission bell housing, close to the crankshaft. The camshaft position sensor in the older 4.3 vortec engines is located inside the distributor assembly, and you’ll need to remove the distributor cap and rotor to. Chevrolet. Crank Sensor Location 4.3 Vortec.
From dxoatfihw.blob.core.windows.net
How Do Crankshaft Position Sensors Work at Victoria Buchanan blog Crank Sensor Location 4.3 Vortec 1995 4.3 vortec v6 chevy blazer crankshaft positioning sensor location and removal There are red numbers on the engine images that match the list of sensors. Those red numbers show the locations of the matching numbered sensor in the list. The camshaft position sensor in the older 4.3 vortec engines is located inside the distributor assembly, and you’ll need to. Crank Sensor Location 4.3 Vortec.
From www.youtube.com
Toyota Error Code P0335 Crankshaft Position Sensor Location 4 Crank Sensor Location 4.3 Vortec Chevrolet chevy silverado v6 4.3 liter crank sensor location p0016 Those red numbers show the locations of the matching numbered sensor in the list. 1995 4.3 vortec v6 chevy blazer crankshaft positioning sensor location and removal The ckp sensor is located at the rear of the engine, near the transmission bell housing, close to the crankshaft. The camshaft position sensor. Crank Sensor Location 4.3 Vortec.
From www.2carpros.com
Crankshaft Position Sensor Location for Replacement Please? Crank Sensor Location 4.3 Vortec Camshaft position sensor (cmp) (located at the front of the engine above the crankshaft pulley) oil pressure sensor (located at the top rear of the engine under ignition coil) knock sensor 1. The ckp sensor is located at the rear of the engine, near the transmission bell housing, close to the crankshaft. This article will help you to troubleshoot and. Crank Sensor Location 4.3 Vortec.
From meistrouzsgaragerepair.z21.web.core.windows.net
P0335 Fault Code Crank Sensor Location 4.3 Vortec This article will help you to troubleshoot and diagnose a bad crankshaft position sensor on your 4.3l, 5.0l and 5.7l. Chevrolet chevy silverado v6 4.3 liter crank sensor location p0016 Camshaft position sensor (cmp) (located at the front of the engine above the crankshaft pulley) oil pressure sensor (located at the top rear of the engine under ignition coil) knock. Crank Sensor Location 4.3 Vortec.
From www.clublexus.com
Crankshaft position sensor location? ClubLexus Lexus Forum Discussion Crank Sensor Location 4.3 Vortec There are red numbers on the engine images that match the list of sensors. This article will help you to troubleshoot and diagnose a bad crankshaft position sensor on your 4.3l, 5.0l and 5.7l. Camshaft position sensor (cmp) (located at the front of the engine above the crankshaft pulley) oil pressure sensor (located at the top rear of the engine. Crank Sensor Location 4.3 Vortec.
From www.justanswer.com
Q&A GMC Envoy Crankshaft & Camshaft Position Sensor Locations Crank Sensor Location 4.3 Vortec Chevrolet chevy silverado v6 4.3 liter crank sensor location p0016 The ckp sensor is located at the rear of the engine, near the transmission bell housing, close to the crankshaft. This article will help you to troubleshoot and diagnose a bad crankshaft position sensor on your 4.3l, 5.0l and 5.7l. Those red numbers show the locations of the matching numbered. Crank Sensor Location 4.3 Vortec.
From forums.jag-lovers.com
Crank sensor locations on 95 XJS Conv XJS Jaglovers Forums Crank Sensor Location 4.3 Vortec Chevrolet chevy silverado v6 4.3 liter crank sensor location p0016 1995 4.3 vortec v6 chevy blazer crankshaft positioning sensor location and removal There are red numbers on the engine images that match the list of sensors. Those red numbers show the locations of the matching numbered sensor in the list. Camshaft position sensor (cmp) (located at the front of the. Crank Sensor Location 4.3 Vortec.
From www.got2bwireless.com
4.3 Vortec Crank Sensor Wiring Diagram Collection Crank Sensor Location 4.3 Vortec There are red numbers on the engine images that match the list of sensors. Chevrolet chevy silverado v6 4.3 liter crank sensor location p0016 1995 4.3 vortec v6 chevy blazer crankshaft positioning sensor location and removal The ckp sensor is located at the rear of the engine, near the transmission bell housing, close to the crankshaft. Those red numbers show. Crank Sensor Location 4.3 Vortec.
From truckcustomizers.com
Understanding Crank Sensor Locations A Comprehensive Guide Crank Sensor Location 4.3 Vortec This article will help you to troubleshoot and diagnose a bad crankshaft position sensor on your 4.3l, 5.0l and 5.7l. The camshaft position sensor in the older 4.3 vortec engines is located inside the distributor assembly, and you’ll need to remove the distributor cap and rotor to. There are red numbers on the engine images that match the list of. Crank Sensor Location 4.3 Vortec.
From enginelibmongolians.z21.web.core.windows.net
Crankshaft Position Sensor 6.0 Powerstroke Crank Sensor Location 4.3 Vortec There are red numbers on the engine images that match the list of sensors. Those red numbers show the locations of the matching numbered sensor in the list. This article will help you to troubleshoot and diagnose a bad crankshaft position sensor on your 4.3l, 5.0l and 5.7l. 1995 4.3 vortec v6 chevy blazer crankshaft positioning sensor location and removal. Crank Sensor Location 4.3 Vortec.
From www.justanswer.com
Where are the 2 camshaft position sensors locations on my 2010 ford Crank Sensor Location 4.3 Vortec The ckp sensor is located at the rear of the engine, near the transmission bell housing, close to the crankshaft. The camshaft position sensor in the older 4.3 vortec engines is located inside the distributor assembly, and you’ll need to remove the distributor cap and rotor to. This article will help you to troubleshoot and diagnose a bad crankshaft position. Crank Sensor Location 4.3 Vortec.
From engineprerseloiderocpu.z21.web.core.windows.net
Crankshaft Sensor What Does It Do Crank Sensor Location 4.3 Vortec Camshaft position sensor (cmp) (located at the front of the engine above the crankshaft pulley) oil pressure sensor (located at the top rear of the engine under ignition coil) knock sensor 1. 1995 4.3 vortec v6 chevy blazer crankshaft positioning sensor location and removal Those red numbers show the locations of the matching numbered sensor in the list. The ckp. Crank Sensor Location 4.3 Vortec.
From enginelibstaurolite.z21.web.core.windows.net
Chev Utility Crank Sensor Wiring Diagram Crank Sensor Location 4.3 Vortec 1995 4.3 vortec v6 chevy blazer crankshaft positioning sensor location and removal This article will help you to troubleshoot and diagnose a bad crankshaft position sensor on your 4.3l, 5.0l and 5.7l. Those red numbers show the locations of the matching numbered sensor in the list. The ckp sensor is located at the rear of the engine, near the transmission. Crank Sensor Location 4.3 Vortec.
From www.youtube.com
Chevy Equinox Crank Position Sensor location 2.4 engine p0017 YouTube Crank Sensor Location 4.3 Vortec There are red numbers on the engine images that match the list of sensors. Chevrolet chevy silverado v6 4.3 liter crank sensor location p0016 This article will help you to troubleshoot and diagnose a bad crankshaft position sensor on your 4.3l, 5.0l and 5.7l. Those red numbers show the locations of the matching numbered sensor in the list. 1995 4.3. Crank Sensor Location 4.3 Vortec.
From www.youcanic.com
Nissan Crankshaft Position Sensor YOUCANIC Crank Sensor Location 4.3 Vortec The camshaft position sensor in the older 4.3 vortec engines is located inside the distributor assembly, and you’ll need to remove the distributor cap and rotor to. 1995 4.3 vortec v6 chevy blazer crankshaft positioning sensor location and removal The ckp sensor is located at the rear of the engine, near the transmission bell housing, close to the crankshaft. This. Crank Sensor Location 4.3 Vortec.
From machinefisher55.z13.web.core.windows.net
Gmc Terrain Crankshaft Sensor Location Crank Sensor Location 4.3 Vortec The ckp sensor is located at the rear of the engine, near the transmission bell housing, close to the crankshaft. Those red numbers show the locations of the matching numbered sensor in the list. There are red numbers on the engine images that match the list of sensors. Chevrolet chevy silverado v6 4.3 liter crank sensor location p0016 The camshaft. Crank Sensor Location 4.3 Vortec.
From www.vwvortex.com
Crankshaft Position Sensor Location 2.0 TDI VW Vortex Volkswagen Forum Crank Sensor Location 4.3 Vortec 1995 4.3 vortec v6 chevy blazer crankshaft positioning sensor location and removal Those red numbers show the locations of the matching numbered sensor in the list. Chevrolet chevy silverado v6 4.3 liter crank sensor location p0016 The camshaft position sensor in the older 4.3 vortec engines is located inside the distributor assembly, and you’ll need to remove the distributor cap. Crank Sensor Location 4.3 Vortec.
From guideenginedreher.z19.web.core.windows.net
5.7 Vortec Crank Sensor Wiring Diagram Crank Sensor Location 4.3 Vortec The ckp sensor is located at the rear of the engine, near the transmission bell housing, close to the crankshaft. This article will help you to troubleshoot and diagnose a bad crankshaft position sensor on your 4.3l, 5.0l and 5.7l. There are red numbers on the engine images that match the list of sensors. 1995 4.3 vortec v6 chevy blazer. Crank Sensor Location 4.3 Vortec.
From www.2carpros.com
Crankshaft Sensor Location Please Need to Know Where to Find the Crank Sensor Location 4.3 Vortec Chevrolet chevy silverado v6 4.3 liter crank sensor location p0016 Those red numbers show the locations of the matching numbered sensor in the list. There are red numbers on the engine images that match the list of sensors. Camshaft position sensor (cmp) (located at the front of the engine above the crankshaft pulley) oil pressure sensor (located at the top. Crank Sensor Location 4.3 Vortec.
From zgamesdrerssup.blogspot.com
Where Is A Crank Sensor Located All About Electronic Sensor Crank Sensor Location 4.3 Vortec Those red numbers show the locations of the matching numbered sensor in the list. Camshaft position sensor (cmp) (located at the front of the engine above the crankshaft pulley) oil pressure sensor (located at the top rear of the engine under ignition coil) knock sensor 1. Chevrolet chevy silverado v6 4.3 liter crank sensor location p0016 1995 4.3 vortec v6. Crank Sensor Location 4.3 Vortec.
From www.youtube.com
1995 4.3 vortec v6 chevy blazer crankshaft positioning sensor location Crank Sensor Location 4.3 Vortec Camshaft position sensor (cmp) (located at the front of the engine above the crankshaft pulley) oil pressure sensor (located at the top rear of the engine under ignition coil) knock sensor 1. This article will help you to troubleshoot and diagnose a bad crankshaft position sensor on your 4.3l, 5.0l and 5.7l. There are red numbers on the engine images. Crank Sensor Location 4.3 Vortec.
From paxhiaxyzgaragerepair.z14.web.core.windows.net
Symptoms Of A Bad Crank Position Sensor Crank Sensor Location 4.3 Vortec There are red numbers on the engine images that match the list of sensors. The camshaft position sensor in the older 4.3 vortec engines is located inside the distributor assembly, and you’ll need to remove the distributor cap and rotor to. Chevrolet chevy silverado v6 4.3 liter crank sensor location p0016 Camshaft position sensor (cmp) (located at the front of. Crank Sensor Location 4.3 Vortec.