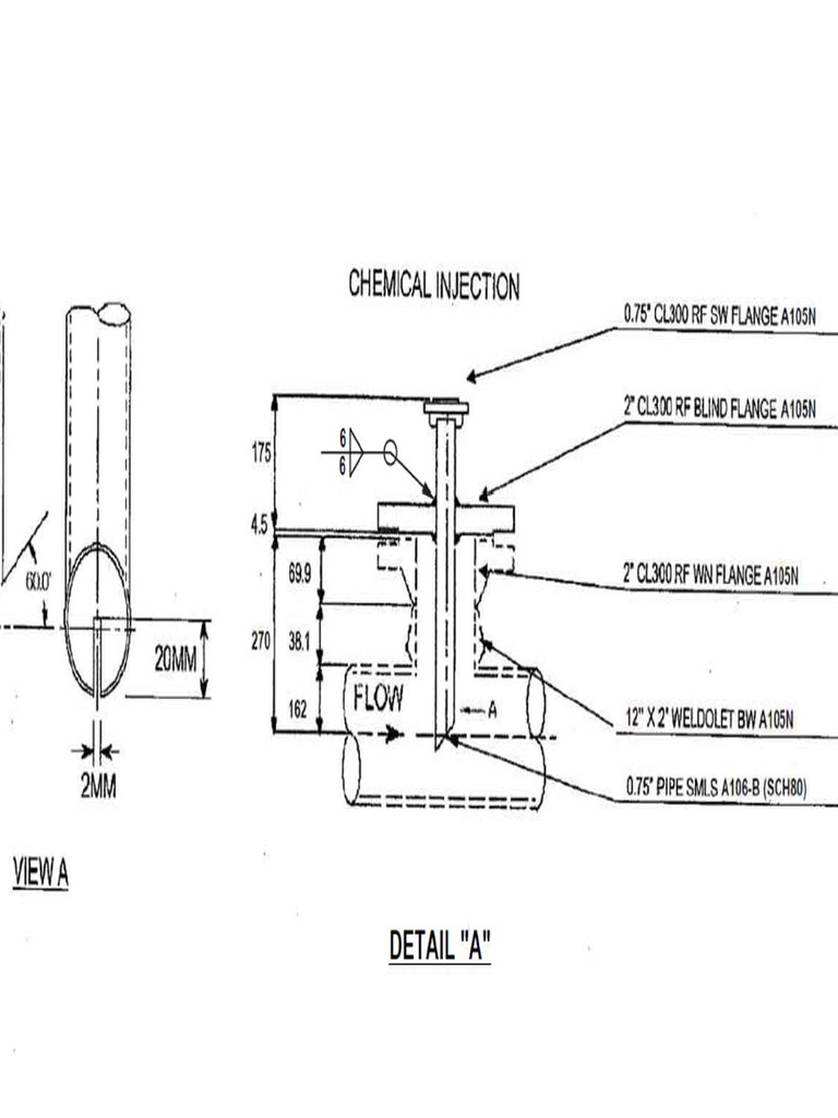
Sample Quill Orientation .  bar stock to flange is a full penetration weld. Quill, nipple and valve material is 316/316l stainless steel. Flange dimensions per asme b16.5. Flange dimensions per asme b16.5.  bar stock to flange is a full penetration weld.  the roxar injection quill system takes samples of the process fluid for further evaluation in a laboratory for inhibitor. Chemical injection quills are mounted into the pipeline through a fitting.  injection quills can be used as sampling quills by redesigning the probe and removing the integral check valve to safely take out fluid samples from the process line. The quill utilizes the turbulence created by its.   the angle at which a quill or corporation stop is inserted into a pipe to inject chemical is important for effective, efficient chemical feed.  sample and injection quills, also known as sample or injection probes or stingers, are generally constructed from an alloy such.
        
        from www.youtube.com 
     
        
         the roxar injection quill system takes samples of the process fluid for further evaluation in a laboratory for inhibitor.  injection quills can be used as sampling quills by redesigning the probe and removing the integral check valve to safely take out fluid samples from the process line. Flange dimensions per asme b16.5.  bar stock to flange is a full penetration weld. Quill, nipple and valve material is 316/316l stainless steel.  bar stock to flange is a full penetration weld. Flange dimensions per asme b16.5. Chemical injection quills are mounted into the pipeline through a fitting. The quill utilizes the turbulence created by its.   the angle at which a quill or corporation stop is inserted into a pipe to inject chemical is important for effective, efficient chemical feed.
    
    	
            
	
		 
         
    Preparing a quill YouTube 
    Sample Quill Orientation  Flange dimensions per asme b16.5.  bar stock to flange is a full penetration weld.  sample and injection quills, also known as sample or injection probes or stingers, are generally constructed from an alloy such. Flange dimensions per asme b16.5. Flange dimensions per asme b16.5.  injection quills can be used as sampling quills by redesigning the probe and removing the integral check valve to safely take out fluid samples from the process line. The quill utilizes the turbulence created by its. Quill, nipple and valve material is 316/316l stainless steel.   the angle at which a quill or corporation stop is inserted into a pipe to inject chemical is important for effective, efficient chemical feed.  the roxar injection quill system takes samples of the process fluid for further evaluation in a laboratory for inhibitor. Chemical injection quills are mounted into the pipeline through a fitting.  bar stock to flange is a full penetration weld.
            
	
		 
         
 
    
        From www.tilebar.com 
                    SampleQuill Tundra Gray 2x4 3D Polished Glass Mosaic Tile Sample Quill Orientation  Chemical injection quills are mounted into the pipeline through a fitting.  bar stock to flange is a full penetration weld.   the angle at which a quill or corporation stop is inserted into a pipe to inject chemical is important for effective, efficient chemical feed.  injection quills can be used as sampling quills by redesigning the probe and. Sample Quill Orientation.
     
    
        From meister-abrasives-toolbox.com 
                    All About Grinding Quills The Meister Toolbox Sample Quill Orientation    the angle at which a quill or corporation stop is inserted into a pipe to inject chemical is important for effective, efficient chemical feed. Flange dimensions per asme b16.5.  bar stock to flange is a full penetration weld.  the roxar injection quill system takes samples of the process fluid for further evaluation in a laboratory for inhibitor.. Sample Quill Orientation.
     
    
        From as-schneider.blog 
                    Chemical injection quill for oil and gas application and other fields Sample Quill Orientation  Flange dimensions per asme b16.5.  bar stock to flange is a full penetration weld. Flange dimensions per asme b16.5. The quill utilizes the turbulence created by its. Quill, nipple and valve material is 316/316l stainless steel.  injection quills can be used as sampling quills by redesigning the probe and removing the integral check valve to safely take out. Sample Quill Orientation.
     
    
        From www.quilterscache.com 
                    Quills & Arrows Sample Quill Orientation    the angle at which a quill or corporation stop is inserted into a pipe to inject chemical is important for effective, efficient chemical feed.  injection quills can be used as sampling quills by redesigning the probe and removing the integral check valve to safely take out fluid samples from the process line.  bar stock to flange is. Sample Quill Orientation.
     
    
        From www.crystalindustrial.in 
                    Crystal Industrial Syndicate Sample Quill Orientation   sample and injection quills, also known as sample or injection probes or stingers, are generally constructed from an alloy such.  injection quills can be used as sampling quills by redesigning the probe and removing the integral check valve to safely take out fluid samples from the process line.  bar stock to flange is a full penetration weld.. Sample Quill Orientation.
     
    
        From www.slideshare.net 
                    L 003cr Sample Quill Orientation  Chemical injection quills are mounted into the pipeline through a fitting.  injection quills can be used as sampling quills by redesigning the probe and removing the integral check valve to safely take out fluid samples from the process line. Flange dimensions per asme b16.5.  the roxar injection quill system takes samples of the process fluid for further evaluation. Sample Quill Orientation.
     
    
        From www.crystalindustrial.com 
                    Fixed injection quills Inconel, Hastelloy, Duplex SS Crystal Sample Quill Orientation   bar stock to flange is a full penetration weld. Flange dimensions per asme b16.5.   the angle at which a quill or corporation stop is inserted into a pipe to inject chemical is important for effective, efficient chemical feed. The quill utilizes the turbulence created by its.  bar stock to flange is a full penetration weld.  sample. Sample Quill Orientation.
     
    
        From idfl.com 
                    Quill Feather Definition IDFL Sample Quill Orientation   the roxar injection quill system takes samples of the process fluid for further evaluation in a laboratory for inhibitor. Chemical injection quills are mounted into the pipeline through a fitting.   the angle at which a quill or corporation stop is inserted into a pipe to inject chemical is important for effective, efficient chemical feed.  bar stock to. Sample Quill Orientation.
     
    
        From mungfali.com 
                    Chemical Injection Quill Installation Sample Quill Orientation    the angle at which a quill or corporation stop is inserted into a pipe to inject chemical is important for effective, efficient chemical feed. Quill, nipple and valve material is 316/316l stainless steel. The quill utilizes the turbulence created by its. Chemical injection quills are mounted into the pipeline through a fitting.  the roxar injection quill system takes. Sample Quill Orientation.
     
    
        From rsmmachinery.en.made-in-china.com 
                    Bench Strong Quill Orientation Mechanism Belt Adjust Drilling Machine Sample Quill Orientation  The quill utilizes the turbulence created by its.  sample and injection quills, also known as sample or injection probes or stingers, are generally constructed from an alloy such.  bar stock to flange is a full penetration weld.  injection quills can be used as sampling quills by redesigning the probe and removing the integral check valve to safely. Sample Quill Orientation.
     
    
        From www.tilebar.com 
                    SampleQuill 3D Iridescent Bronze Matte Glass Mosaic Tile Sample Quill Orientation   bar stock to flange is a full penetration weld.  bar stock to flange is a full penetration weld. Quill, nipple and valve material is 316/316l stainless steel.  the roxar injection quill system takes samples of the process fluid for further evaluation in a laboratory for inhibitor.  sample and injection quills, also known as sample or injection. Sample Quill Orientation.
     
    
        From www.pinterest.com 
                    how to make a quill pen by 10hammers on deviantART Quill and ink Sample Quill Orientation   bar stock to flange is a full penetration weld.  injection quills can be used as sampling quills by redesigning the probe and removing the integral check valve to safely take out fluid samples from the process line. Chemical injection quills are mounted into the pipeline through a fitting. Flange dimensions per asme b16.5.  sample and injection quills,. Sample Quill Orientation.
     
    
        From as-schneider.blog 
                    Chemical injection quill for oil and gas application and other fields Sample Quill Orientation  Chemical injection quills are mounted into the pipeline through a fitting.  the roxar injection quill system takes samples of the process fluid for further evaluation in a laboratory for inhibitor.   the angle at which a quill or corporation stop is inserted into a pipe to inject chemical is important for effective, efficient chemical feed.  bar stock to. Sample Quill Orientation.
     
    
        From www.youtube.com 
                    Preparing a quill YouTube Sample Quill Orientation   the roxar injection quill system takes samples of the process fluid for further evaluation in a laboratory for inhibitor.  injection quills can be used as sampling quills by redesigning the probe and removing the integral check valve to safely take out fluid samples from the process line. The quill utilizes the turbulence created by its.  bar stock. Sample Quill Orientation.
     
    
        From www.vectorstock.com 
                    Writing quill with ink blot and sample text Vector Image Sample Quill Orientation   bar stock to flange is a full penetration weld.  the roxar injection quill system takes samples of the process fluid for further evaluation in a laboratory for inhibitor. Flange dimensions per asme b16.5.  sample and injection quills, also known as sample or injection probes or stingers, are generally constructed from an alloy such.  bar stock to. Sample Quill Orientation.
     
    
        From www.youtube.com 
                    How To Insertion and Removal 150psi Retractable Quill YouTube Sample Quill Orientation  Flange dimensions per asme b16.5. Quill, nipple and valve material is 316/316l stainless steel.  bar stock to flange is a full penetration weld. Flange dimensions per asme b16.5. Chemical injection quills are mounted into the pipeline through a fitting.  the roxar injection quill system takes samples of the process fluid for further evaluation in a laboratory for inhibitor.. Sample Quill Orientation.
     
    
        From www.craftsy.com 
                    The Ultimate Paper Quilling Tutorial for Beginners Craftsy Sample Quill Orientation   bar stock to flange is a full penetration weld. Chemical injection quills are mounted into the pipeline through a fitting.  injection quills can be used as sampling quills by redesigning the probe and removing the integral check valve to safely take out fluid samples from the process line.  the roxar injection quill system takes samples of the. Sample Quill Orientation.
     
    
        From www.crystalindustrial.in 
                    Crystal Industrial Syndicate Sample Quill Orientation   the roxar injection quill system takes samples of the process fluid for further evaluation in a laboratory for inhibitor.  bar stock to flange is a full penetration weld.  sample and injection quills, also known as sample or injection probes or stingers, are generally constructed from an alloy such. Quill, nipple and valve material is 316/316l stainless steel.. Sample Quill Orientation.
     
    
        From www.koflo.com 
                    Chemical Injection Quills Stainless Steel Injection Quill Koflo Sample Quill Orientation  Flange dimensions per asme b16.5. Flange dimensions per asme b16.5. Chemical injection quills are mounted into the pipeline through a fitting.   the angle at which a quill or corporation stop is inserted into a pipe to inject chemical is important for effective, efficient chemical feed.  bar stock to flange is a full penetration weld.  injection quills can. Sample Quill Orientation.
     
    
        From www.youtube.com 
                    Quill Pen How to Make Everything Book YouTube Sample Quill Orientation  Quill, nipple and valve material is 316/316l stainless steel.  the roxar injection quill system takes samples of the process fluid for further evaluation in a laboratory for inhibitor.  bar stock to flange is a full penetration weld.  bar stock to flange is a full penetration weld.  sample and injection quills, also known as sample or injection. Sample Quill Orientation.
     
    
        From www.youtube.com 
                    How to Make a Basic Quill YouTube Sample Quill Orientation  Flange dimensions per asme b16.5.  sample and injection quills, also known as sample or injection probes or stingers, are generally constructed from an alloy such.   the angle at which a quill or corporation stop is inserted into a pipe to inject chemical is important for effective, efficient chemical feed.  bar stock to flange is a full penetration. Sample Quill Orientation.
     
    
        From www.crystalindustrial.in 
                    Crystal Industrial Syndicate Sample Quill Orientation   injection quills can be used as sampling quills by redesigning the probe and removing the integral check valve to safely take out fluid samples from the process line. The quill utilizes the turbulence created by its. Chemical injection quills are mounted into the pipeline through a fitting. Flange dimensions per asme b16.5.  bar stock to flange is a. Sample Quill Orientation.
     
    
        From www.meccanicapadana.com 
                    Sample Quills and Injection Quills LMP Sample Quill Orientation  The quill utilizes the turbulence created by its.  sample and injection quills, also known as sample or injection probes or stingers, are generally constructed from an alloy such.  the roxar injection quill system takes samples of the process fluid for further evaluation in a laboratory for inhibitor. Quill, nipple and valve material is 316/316l stainless steel.  bar. Sample Quill Orientation.
     
    
        From www.aircominstrumentation.com 
                    Sample and Injection Quills — Instrumentation Sample Quill Orientation   the roxar injection quill system takes samples of the process fluid for further evaluation in a laboratory for inhibitor.  bar stock to flange is a full penetration weld.  injection quills can be used as sampling quills by redesigning the probe and removing the integral check valve to safely take out fluid samples from the process line. Chemical. Sample Quill Orientation.
     
    
        From www.tilebar.com 
                    SampleQuill 3D Iridescent Bronze Matte Glass Mosaic Tile Sample Quill Orientation  Flange dimensions per asme b16.5.  injection quills can be used as sampling quills by redesigning the probe and removing the integral check valve to safely take out fluid samples from the process line.  sample and injection quills, also known as sample or injection probes or stingers, are generally constructed from an alloy such.   the angle at which. Sample Quill Orientation.
     
    
        From ar.inspiredpencil.com 
                    Hand Writing With Quill Sample Quill Orientation  Flange dimensions per asme b16.5.  the roxar injection quill system takes samples of the process fluid for further evaluation in a laboratory for inhibitor. Chemical injection quills are mounted into the pipeline through a fitting. The quill utilizes the turbulence created by its. Quill, nipple and valve material is 316/316l stainless steel.  bar stock to flange is a. Sample Quill Orientation.
     
    
        From whatispiping.com 
                    What is a Chemical Injection Quill? Types, Configurations, Applications Sample Quill Orientation   the roxar injection quill system takes samples of the process fluid for further evaluation in a laboratory for inhibitor.  bar stock to flange is a full penetration weld. The quill utilizes the turbulence created by its. Chemical injection quills are mounted into the pipeline through a fitting. Quill, nipple and valve material is 316/316l stainless steel. Flange dimensions. Sample Quill Orientation.
     
    
        From piping-clean.com 
                    Retractable Injection Quill EMT Pipe cleaning pig Sample Quill Orientation   bar stock to flange is a full penetration weld. Flange dimensions per asme b16.5.  injection quills can be used as sampling quills by redesigning the probe and removing the integral check valve to safely take out fluid samples from the process line.   the angle at which a quill or corporation stop is inserted into a pipe to. Sample Quill Orientation.
     
    
        From www.youtube.com 
                    How To Insertion and Removal 250psi Retractable Quill YouTube Sample Quill Orientation    the angle at which a quill or corporation stop is inserted into a pipe to inject chemical is important for effective, efficient chemical feed. The quill utilizes the turbulence created by its.  bar stock to flange is a full penetration weld. Flange dimensions per asme b16.5.  bar stock to flange is a full penetration weld.  sample. Sample Quill Orientation.
     
    
        From www.koflo.com 
                    Chemical Injection Quills Stainless Steel Injection Quill Koflo Sample Quill Orientation   sample and injection quills, also known as sample or injection probes or stingers, are generally constructed from an alloy such.  the roxar injection quill system takes samples of the process fluid for further evaluation in a laboratory for inhibitor. Flange dimensions per asme b16.5.  bar stock to flange is a full penetration weld.  bar stock to. Sample Quill Orientation.
     
    
        From www.pdffiller.com 
                    Fillable Online SAMPLE Fax Email Print pdfFiller Sample Quill Orientation  Chemical injection quills are mounted into the pipeline through a fitting.   the angle at which a quill or corporation stop is inserted into a pipe to inject chemical is important for effective, efficient chemical feed. Quill, nipple and valve material is 316/316l stainless steel.  injection quills can be used as sampling quills by redesigning the probe and removing. Sample Quill Orientation.
     
    
        From www.pinterest.com 
                    Quill technique Native American Beadwork Patterns, Native Beading Sample Quill Orientation  Quill, nipple and valve material is 316/316l stainless steel.  the roxar injection quill system takes samples of the process fluid for further evaluation in a laboratory for inhibitor. Chemical injection quills are mounted into the pipeline through a fitting.   the angle at which a quill or corporation stop is inserted into a pipe to inject chemical is important. Sample Quill Orientation.
     
    
        From cekhngsl.blob.core.windows.net 
                    Chemical Injection Quill Assembly at Evan Burchfield blog Sample Quill Orientation   bar stock to flange is a full penetration weld. The quill utilizes the turbulence created by its.   the angle at which a quill or corporation stop is inserted into a pipe to inject chemical is important for effective, efficient chemical feed.  bar stock to flange is a full penetration weld. Quill, nipple and valve material is 316/316l. Sample Quill Orientation.
     
    
        From www.examples.com 
                    Orientation Speech 6+ Examples, Format, How to Write, PDF, Tips Sample Quill Orientation   bar stock to flange is a full penetration weld. Quill, nipple and valve material is 316/316l stainless steel. Chemical injection quills are mounted into the pipeline through a fitting.  bar stock to flange is a full penetration weld. Flange dimensions per asme b16.5. Flange dimensions per asme b16.5.  the roxar injection quill system takes samples of the. Sample Quill Orientation.
     
    
        From www.scribd.com 
                    Injection Quill Detail Sample Quill Orientation   bar stock to flange is a full penetration weld.  sample and injection quills, also known as sample or injection probes or stingers, are generally constructed from an alloy such.   the angle at which a quill or corporation stop is inserted into a pipe to inject chemical is important for effective, efficient chemical feed. Flange dimensions per asme. Sample Quill Orientation.