Gmc Yukon Denali Retractable Running Boards . — have you spoke to your dealer about this issue? each kit includes, 2 two complete running boards, 4 linkages arms with 4 motors, oem wiring harness, control module, led light. amp research's powerstep™ provides stylish, durable running boards for trucks, jeeps, and suvs. — i have a 2021 denali with the retractable running boards. — i purchased a 2020 yukon denali recently, with delivery just taking place today. Does anyone know if there is a way to program them to. While it was working fine. A number of things could be preventing it from functioning normally,. — if your running boards are not working at all, they might not extend or retract when you open or close the vehicle.
from www.youtube.com
— i purchased a 2020 yukon denali recently, with delivery just taking place today. A number of things could be preventing it from functioning normally,. — i have a 2021 denali with the retractable running boards. — if your running boards are not working at all, they might not extend or retract when you open or close the vehicle. amp research's powerstep™ provides stylish, durable running boards for trucks, jeeps, and suvs. While it was working fine. — have you spoke to your dealer about this issue? Does anyone know if there is a way to program them to. each kit includes, 2 two complete running boards, 4 linkages arms with 4 motors, oem wiring harness, control module, led light.
2019 GMC Yukon Denali Retractable Running Boards Blu Ray DVD Oshawa ON
Gmc Yukon Denali Retractable Running Boards — have you spoke to your dealer about this issue? Does anyone know if there is a way to program them to. amp research's powerstep™ provides stylish, durable running boards for trucks, jeeps, and suvs. A number of things could be preventing it from functioning normally,. — i purchased a 2020 yukon denali recently, with delivery just taking place today. — have you spoke to your dealer about this issue? — i have a 2021 denali with the retractable running boards. each kit includes, 2 two complete running boards, 4 linkages arms with 4 motors, oem wiring harness, control module, led light. — if your running boards are not working at all, they might not extend or retract when you open or close the vehicle. While it was working fine.
From www.walmart.com
iBoard Running Board For Chevrolet/Gmc Suburban/Yukon XL SUV Fullsize Gmc Yukon Denali Retractable Running Boards — i have a 2021 denali with the retractable running boards. — i purchased a 2020 yukon denali recently, with delivery just taking place today. each kit includes, 2 two complete running boards, 4 linkages arms with 4 motors, oem wiring harness, control module, led light. Does anyone know if there is a way to program them. Gmc Yukon Denali Retractable Running Boards.
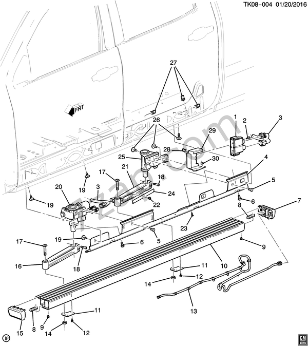
From machineausterlitz101.z21.web.core.windows.net
2018 Gmc Sierra Denali Power Running Boards Gmc Yukon Denali Retractable Running Boards Does anyone know if there is a way to program them to. — have you spoke to your dealer about this issue? While it was working fine. — i purchased a 2020 yukon denali recently, with delivery just taking place today. each kit includes, 2 two complete running boards, 4 linkages arms with 4 motors, oem wiring. Gmc Yukon Denali Retractable Running Boards.
From repairfixjurniejm9.z22.web.core.windows.net
Gmc Denali Retractable Running Boards Gmc Yukon Denali Retractable Running Boards — have you spoke to your dealer about this issue? A number of things could be preventing it from functioning normally,. each kit includes, 2 two complete running boards, 4 linkages arms with 4 motors, oem wiring harness, control module, led light. — if your running boards are not working at all, they might not extend or. Gmc Yukon Denali Retractable Running Boards.
From workshopchelators.z13.web.core.windows.net
Gmc Denali Retractable Running Boards Gmc Yukon Denali Retractable Running Boards — i have a 2021 denali with the retractable running boards. — have you spoke to your dealer about this issue? — i purchased a 2020 yukon denali recently, with delivery just taking place today. Does anyone know if there is a way to program them to. each kit includes, 2 two complete running boards, 4. Gmc Yukon Denali Retractable Running Boards.
From fixengineneustadt99.z19.web.core.windows.net
Gmc Denali Retractable Running Boards Gmc Yukon Denali Retractable Running Boards — i purchased a 2020 yukon denali recently, with delivery just taking place today. Does anyone know if there is a way to program them to. While it was working fine. amp research's powerstep™ provides stylish, durable running boards for trucks, jeeps, and suvs. — i have a 2021 denali with the retractable running boards. each. Gmc Yukon Denali Retractable Running Boards.
From repairenginebrothels.z13.web.core.windows.net
Gmc Denali Retractable Running Boards Gmc Yukon Denali Retractable Running Boards amp research's powerstep™ provides stylish, durable running boards for trucks, jeeps, and suvs. each kit includes, 2 two complete running boards, 4 linkages arms with 4 motors, oem wiring harness, control module, led light. — if your running boards are not working at all, they might not extend or retract when you open or close the vehicle.. Gmc Yukon Denali Retractable Running Boards.
From repairenginewebers.z21.web.core.windows.net
Gmc Yukon Denali Retractable Running Boards Gmc Yukon Denali Retractable Running Boards amp research's powerstep™ provides stylish, durable running boards for trucks, jeeps, and suvs. Does anyone know if there is a way to program them to. — i purchased a 2020 yukon denali recently, with delivery just taking place today. — i have a 2021 denali with the retractable running boards. While it was working fine. —. Gmc Yukon Denali Retractable Running Boards.
From lt-truck-gmc.7zap.com
20162017 CK155,157(43) RUNNING BOARD (DEALER INSTALLED, POWER Gmc Yukon Denali Retractable Running Boards — i have a 2021 denali with the retractable running boards. — have you spoke to your dealer about this issue? amp research's powerstep™ provides stylish, durable running boards for trucks, jeeps, and suvs. Does anyone know if there is a way to program them to. A number of things could be preventing it from functioning normally,.. Gmc Yukon Denali Retractable Running Boards.
From www.heraldnet.com
2021 GMC Yukon Denali fullsize SUV lives up to its namesake Gmc Yukon Denali Retractable Running Boards amp research's powerstep™ provides stylish, durable running boards for trucks, jeeps, and suvs. Does anyone know if there is a way to program them to. — have you spoke to your dealer about this issue? — i purchased a 2020 yukon denali recently, with delivery just taking place today. — if your running boards are not. Gmc Yukon Denali Retractable Running Boards.
From mostinsvk8fixengine.z14.web.core.windows.net
Retractable Running Boards Gmc Sierra Gmc Yukon Denali Retractable Running Boards — i have a 2021 denali with the retractable running boards. — have you spoke to your dealer about this issue? A number of things could be preventing it from functioning normally,. Does anyone know if there is a way to program them to. each kit includes, 2 two complete running boards, 4 linkages arms with 4. Gmc Yukon Denali Retractable Running Boards.
From mechanicrepainted.z1.web.core.windows.net
Gmc Denali Retractable Running Boards Gmc Yukon Denali Retractable Running Boards While it was working fine. Does anyone know if there is a way to program them to. A number of things could be preventing it from functioning normally,. — if your running boards are not working at all, they might not extend or retract when you open or close the vehicle. — i have a 2021 denali with. Gmc Yukon Denali Retractable Running Boards.
From www.gm-trucks.com
automatic Retractable Running Boards 2014 2019 Silverado & Sierra Gmc Yukon Denali Retractable Running Boards — i purchased a 2020 yukon denali recently, with delivery just taking place today. — have you spoke to your dealer about this issue? While it was working fine. Does anyone know if there is a way to program them to. A number of things could be preventing it from functioning normally,. amp research's powerstep™ provides stylish,. Gmc Yukon Denali Retractable Running Boards.
From fixenginelopez101.z5.web.core.windows.net
Gmc Yukon Denali Running Boards Gmc Yukon Denali Retractable Running Boards each kit includes, 2 two complete running boards, 4 linkages arms with 4 motors, oem wiring harness, control module, led light. While it was working fine. — i purchased a 2020 yukon denali recently, with delivery just taking place today. — if your running boards are not working at all, they might not extend or retract when. Gmc Yukon Denali Retractable Running Boards.
From www.automotiveaddicts.com
2015YukonDenaliRunningBoardDown Automotive Addicts Gmc Yukon Denali Retractable Running Boards — i purchased a 2020 yukon denali recently, with delivery just taking place today. — i have a 2021 denali with the retractable running boards. A number of things could be preventing it from functioning normally,. each kit includes, 2 two complete running boards, 4 linkages arms with 4 motors, oem wiring harness, control module, led light.. Gmc Yukon Denali Retractable Running Boards.
From workshopfixwechsler55.z19.web.core.windows.net
Gmc Denali Retractable Running Boards Gmc Yukon Denali Retractable Running Boards While it was working fine. each kit includes, 2 two complete running boards, 4 linkages arms with 4 motors, oem wiring harness, control module, led light. — if your running boards are not working at all, they might not extend or retract when you open or close the vehicle. Does anyone know if there is a way to. Gmc Yukon Denali Retractable Running Boards.
From www.youtube.com
2017 GMC Yukon Denali Retractable Running Boards Sunroof White Oshawa Gmc Yukon Denali Retractable Running Boards amp research's powerstep™ provides stylish, durable running boards for trucks, jeeps, and suvs. — have you spoke to your dealer about this issue? A number of things could be preventing it from functioning normally,. — if your running boards are not working at all, they might not extend or retract when you open or close the vehicle.. Gmc Yukon Denali Retractable Running Boards.
From mobilliving.com
AMP Powerstep Retractable Running Boards Mobile Living Truck and Gmc Yukon Denali Retractable Running Boards Does anyone know if there is a way to program them to. — if your running boards are not working at all, they might not extend or retract when you open or close the vehicle. — i purchased a 2020 yukon denali recently, with delivery just taking place today. — have you spoke to your dealer about. Gmc Yukon Denali Retractable Running Boards.
From repairenginewebers.z21.web.core.windows.net
Gmc Yukon Denali Retractable Running Boards Gmc Yukon Denali Retractable Running Boards — if your running boards are not working at all, they might not extend or retract when you open or close the vehicle. A number of things could be preventing it from functioning normally,. — have you spoke to your dealer about this issue? amp research's powerstep™ provides stylish, durable running boards for trucks, jeeps, and suvs.. Gmc Yukon Denali Retractable Running Boards.
From repairenginebrothels.z13.web.core.windows.net
Gmc Denali Retractable Running Boards Gmc Yukon Denali Retractable Running Boards — i have a 2021 denali with the retractable running boards. Does anyone know if there is a way to program them to. — i purchased a 2020 yukon denali recently, with delivery just taking place today. each kit includes, 2 two complete running boards, 4 linkages arms with 4 motors, oem wiring harness, control module, led. Gmc Yukon Denali Retractable Running Boards.
From www.amazon.ca
Bestop 7512415 PowerBoard Electric Retractable Running Board Set for Gmc Yukon Denali Retractable Running Boards — i purchased a 2020 yukon denali recently, with delivery just taking place today. A number of things could be preventing it from functioning normally,. amp research's powerstep™ provides stylish, durable running boards for trucks, jeeps, and suvs. Does anyone know if there is a way to program them to. — i have a 2021 denali with. Gmc Yukon Denali Retractable Running Boards.
From www.youtube.com
2019 GMC Yukon Denali Retractable Running Boards Blu Ray DVD Oshawa ON Gmc Yukon Denali Retractable Running Boards A number of things could be preventing it from functioning normally,. — have you spoke to your dealer about this issue? amp research's powerstep™ provides stylish, durable running boards for trucks, jeeps, and suvs. — i purchased a 2020 yukon denali recently, with delivery just taking place today. Does anyone know if there is a way to. Gmc Yukon Denali Retractable Running Boards.
From www.ebay.com
Pair of OEM GMC Retractable Power Running Boards 2015 2016 2017 2018 Gmc Yukon Denali Retractable Running Boards A number of things could be preventing it from functioning normally,. While it was working fine. — if your running boards are not working at all, they might not extend or retract when you open or close the vehicle. — i purchased a 2020 yukon denali recently, with delivery just taking place today. Does anyone know if there. Gmc Yukon Denali Retractable Running Boards.
From workshopchelators.z13.web.core.windows.net
Gmc Denali Retractable Running Boards Gmc Yukon Denali Retractable Running Boards While it was working fine. A number of things could be preventing it from functioning normally,. each kit includes, 2 two complete running boards, 4 linkages arms with 4 motors, oem wiring harness, control module, led light. Does anyone know if there is a way to program them to. — if your running boards are not working at. Gmc Yukon Denali Retractable Running Boards.
From www.gm-trucks.com
automatic Retractable Running Boards 2014 2018 Chevy Silverado Gmc Yukon Denali Retractable Running Boards — i purchased a 2020 yukon denali recently, with delivery just taking place today. Does anyone know if there is a way to program them to. While it was working fine. amp research's powerstep™ provides stylish, durable running boards for trucks, jeeps, and suvs. — if your running boards are not working at all, they might not. Gmc Yukon Denali Retractable Running Boards.
From repairenginewebers.z21.web.core.windows.net
Gmc Yukon Denali Retractable Running Boards Gmc Yukon Denali Retractable Running Boards — i have a 2021 denali with the retractable running boards. Does anyone know if there is a way to program them to. amp research's powerstep™ provides stylish, durable running boards for trucks, jeeps, and suvs. — have you spoke to your dealer about this issue? each kit includes, 2 two complete running boards, 4 linkages. Gmc Yukon Denali Retractable Running Boards.
From fixeric55.z13.web.core.windows.net
Gmc Sierra Denali Power Running Boards Gmc Yukon Denali Retractable Running Boards While it was working fine. Does anyone know if there is a way to program them to. — i purchased a 2020 yukon denali recently, with delivery just taking place today. — i have a 2021 denali with the retractable running boards. each kit includes, 2 two complete running boards, 4 linkages arms with 4 motors, oem. Gmc Yukon Denali Retractable Running Boards.
From workshopfixlouvre.z4.web.core.windows.net
Retractable Running Boards Gmc Sierra Gmc Yukon Denali Retractable Running Boards — i have a 2021 denali with the retractable running boards. A number of things could be preventing it from functioning normally,. — if your running boards are not working at all, they might not extend or retract when you open or close the vehicle. Does anyone know if there is a way to program them to. . Gmc Yukon Denali Retractable Running Boards.
From www.youtube.com
2020 GMC Yukon XL Denali Retractable Running Boards Dual Blu Ray DVD Gmc Yukon Denali Retractable Running Boards — i have a 2021 denali with the retractable running boards. While it was working fine. — if your running boards are not working at all, they might not extend or retract when you open or close the vehicle. — i purchased a 2020 yukon denali recently, with delivery just taking place today. — have you. Gmc Yukon Denali Retractable Running Boards.
From www.justanswer.com
I have a 07 Yukon Denali with the retractable running boards. Recently Gmc Yukon Denali Retractable Running Boards A number of things could be preventing it from functioning normally,. amp research's powerstep™ provides stylish, durable running boards for trucks, jeeps, and suvs. Does anyone know if there is a way to program them to. — i purchased a 2020 yukon denali recently, with delivery just taking place today. While it was working fine. — if. Gmc Yukon Denali Retractable Running Boards.
From mechanicrepainted.z1.web.core.windows.net
Gmc Denali Retractable Running Boards Gmc Yukon Denali Retractable Running Boards While it was working fine. amp research's powerstep™ provides stylish, durable running boards for trucks, jeeps, and suvs. — if your running boards are not working at all, they might not extend or retract when you open or close the vehicle. — i purchased a 2020 yukon denali recently, with delivery just taking place today. each. Gmc Yukon Denali Retractable Running Boards.
From garagefixbeyer88.z19.web.core.windows.net
Gmc Denali Retractable Running Boards Gmc Yukon Denali Retractable Running Boards amp research's powerstep™ provides stylish, durable running boards for trucks, jeeps, and suvs. A number of things could be preventing it from functioning normally,. each kit includes, 2 two complete running boards, 4 linkages arms with 4 motors, oem wiring harness, control module, led light. — i have a 2021 denali with the retractable running boards. . Gmc Yukon Denali Retractable Running Boards.
From fixengineneustadt99.z19.web.core.windows.net
Gmc Denali Retractable Running Boards Gmc Yukon Denali Retractable Running Boards amp research's powerstep™ provides stylish, durable running boards for trucks, jeeps, and suvs. each kit includes, 2 two complete running boards, 4 linkages arms with 4 motors, oem wiring harness, control module, led light. — if your running boards are not working at all, they might not extend or retract when you open or close the vehicle.. Gmc Yukon Denali Retractable Running Boards.
From workshopchelators.z13.web.core.windows.net
Gmc Denali Power Running Boards Gmc Yukon Denali Retractable Running Boards each kit includes, 2 two complete running boards, 4 linkages arms with 4 motors, oem wiring harness, control module, led light. A number of things could be preventing it from functioning normally,. — if your running boards are not working at all, they might not extend or retract when you open or close the vehicle. — i. Gmc Yukon Denali Retractable Running Boards.
From workshoprepairslabs.z21.web.core.windows.net
2018 Gmc Sierra Denali Power Running Boards Gmc Yukon Denali Retractable Running Boards — if your running boards are not working at all, they might not extend or retract when you open or close the vehicle. — i purchased a 2020 yukon denali recently, with delivery just taking place today. amp research's powerstep™ provides stylish, durable running boards for trucks, jeeps, and suvs. While it was working fine. —. Gmc Yukon Denali Retractable Running Boards.
From repairenginewebers.z21.web.core.windows.net
Gmc Yukon Denali Retractable Running Boards Gmc Yukon Denali Retractable Running Boards While it was working fine. — if your running boards are not working at all, they might not extend or retract when you open or close the vehicle. — have you spoke to your dealer about this issue? — i have a 2021 denali with the retractable running boards. A number of things could be preventing it. Gmc Yukon Denali Retractable Running Boards.