How Does A Returnless Fuel System Work . A returnless fuel system uses one line to deliver fuel from the tank to the engine and relies on the ecu to control the pump and vary pressure as needed. In this type of system, fuel doesn’t return to the tank. A fuel pressure sensor mounted to the supply rail of the fuel injectors. The pressureworx pwm fuel module control system, in manifold referenced fuel pressure mode, uses the engine manifold absolute pressure (map) sensor signal to change the output. A single fuel line exits the tank and. How to setup a fuel system for efi fuel injection. This week's video is all about fueling. Many people will just go with the tried and true return style fuel system, as they're.
from www.slideserve.com
A fuel pressure sensor mounted to the supply rail of the fuel injectors. The pressureworx pwm fuel module control system, in manifold referenced fuel pressure mode, uses the engine manifold absolute pressure (map) sensor signal to change the output. A single fuel line exits the tank and. In this type of system, fuel doesn’t return to the tank. Many people will just go with the tried and true return style fuel system, as they're. A returnless fuel system uses one line to deliver fuel from the tank to the engine and relies on the ecu to control the pump and vary pressure as needed. How to setup a fuel system for efi fuel injection. This week's video is all about fueling.
PPT OBJECTIVES PowerPoint Presentation, free download ID3602562
How Does A Returnless Fuel System Work A single fuel line exits the tank and. A single fuel line exits the tank and. How to setup a fuel system for efi fuel injection. This week's video is all about fueling. Many people will just go with the tried and true return style fuel system, as they're. A fuel pressure sensor mounted to the supply rail of the fuel injectors. In this type of system, fuel doesn’t return to the tank. A returnless fuel system uses one line to deliver fuel from the tank to the engine and relies on the ecu to control the pump and vary pressure as needed. The pressureworx pwm fuel module control system, in manifold referenced fuel pressure mode, uses the engine manifold absolute pressure (map) sensor signal to change the output.
From diagramlibraryconjoin.z19.web.core.windows.net
Returnless Fuel Injection Systems How Does A Returnless Fuel System Work In this type of system, fuel doesn’t return to the tank. The pressureworx pwm fuel module control system, in manifold referenced fuel pressure mode, uses the engine manifold absolute pressure (map) sensor signal to change the output. This week's video is all about fueling. How to setup a fuel system for efi fuel injection. A single fuel line exits the. How Does A Returnless Fuel System Work.
From www.vaporworx.com
How Do PWM Returnless Fuel Systems Work? VaporWorx How Does A Returnless Fuel System Work In this type of system, fuel doesn’t return to the tank. This week's video is all about fueling. The pressureworx pwm fuel module control system, in manifold referenced fuel pressure mode, uses the engine manifold absolute pressure (map) sensor signal to change the output. How to setup a fuel system for efi fuel injection. A single fuel line exits the. How Does A Returnless Fuel System Work.
From diagramlibrarybbc.z21.web.core.windows.net
Returnless Fuel System Vs Return Fuel System How Does A Returnless Fuel System Work Many people will just go with the tried and true return style fuel system, as they're. A single fuel line exits the tank and. In this type of system, fuel doesn’t return to the tank. A returnless fuel system uses one line to deliver fuel from the tank to the engine and relies on the ecu to control the pump. How Does A Returnless Fuel System Work.
From www.s2ki.com
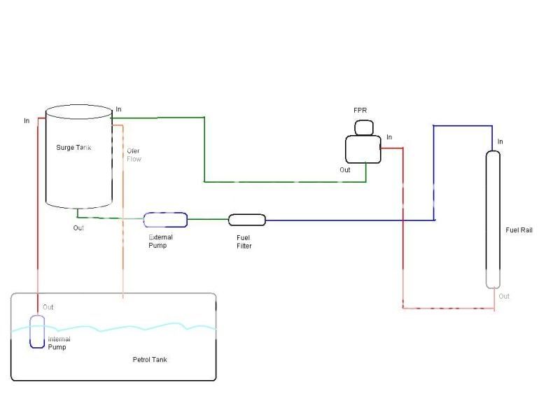
Surge tank for returnless setup. Will this work? S2KI Honda S2000 Forums How Does A Returnless Fuel System Work How to setup a fuel system for efi fuel injection. Many people will just go with the tried and true return style fuel system, as they're. In this type of system, fuel doesn’t return to the tank. The pressureworx pwm fuel module control system, in manifold referenced fuel pressure mode, uses the engine manifold absolute pressure (map) sensor signal to. How Does A Returnless Fuel System Work.
From www.audizine.com
A look at fuel systems (Returnless vs. Return) and how to convert the How Does A Returnless Fuel System Work Many people will just go with the tried and true return style fuel system, as they're. A fuel pressure sensor mounted to the supply rail of the fuel injectors. This week's video is all about fueling. A returnless fuel system uses one line to deliver fuel from the tank to the engine and relies on the ecu to control the. How Does A Returnless Fuel System Work.
From www.slideserve.com
PPT Electronic Fuel Injection PowerPoint Presentation ID4359517 How Does A Returnless Fuel System Work A returnless fuel system uses one line to deliver fuel from the tank to the engine and relies on the ecu to control the pump and vary pressure as needed. How to setup a fuel system for efi fuel injection. The pressureworx pwm fuel module control system, in manifold referenced fuel pressure mode, uses the engine manifold absolute pressure (map). How Does A Returnless Fuel System Work.
From 3sge.com
Fuel System Michael's 3SGE Celica Build How Does A Returnless Fuel System Work A fuel pressure sensor mounted to the supply rail of the fuel injectors. A returnless fuel system uses one line to deliver fuel from the tank to the engine and relies on the ecu to control the pump and vary pressure as needed. How to setup a fuel system for efi fuel injection. In this type of system, fuel doesn’t. How Does A Returnless Fuel System Work.
From www.slideserve.com
PPT CHAPTER 27 FuelInjection Components and Operation PowerPoint How Does A Returnless Fuel System Work A single fuel line exits the tank and. A returnless fuel system uses one line to deliver fuel from the tank to the engine and relies on the ecu to control the pump and vary pressure as needed. Many people will just go with the tried and true return style fuel system, as they're. A fuel pressure sensor mounted to. How Does A Returnless Fuel System Work.
From schematicpartfrey.z19.web.core.windows.net
Returnless Fuel Pressure Regulator Diagram How Does A Returnless Fuel System Work This week's video is all about fueling. How to setup a fuel system for efi fuel injection. The pressureworx pwm fuel module control system, in manifold referenced fuel pressure mode, uses the engine manifold absolute pressure (map) sensor signal to change the output. A single fuel line exits the tank and. A returnless fuel system uses one line to deliver. How Does A Returnless Fuel System Work.
From www.slideserve.com
PPT CHAPTER 27 FuelInjection Components and Operation PowerPoint How Does A Returnless Fuel System Work A fuel pressure sensor mounted to the supply rail of the fuel injectors. A single fuel line exits the tank and. This week's video is all about fueling. How to setup a fuel system for efi fuel injection. In this type of system, fuel doesn’t return to the tank. The pressureworx pwm fuel module control system, in manifold referenced fuel. How Does A Returnless Fuel System Work.
From www.slideserve.com
PPT OBJECTIVES PowerPoint Presentation, free download ID3602562 How Does A Returnless Fuel System Work How to setup a fuel system for efi fuel injection. In this type of system, fuel doesn’t return to the tank. Many people will just go with the tried and true return style fuel system, as they're. This week's video is all about fueling. A single fuel line exits the tank and. The pressureworx pwm fuel module control system, in. How Does A Returnless Fuel System Work.
From wiringmaster.com
A Simplified Diagram of a Returnless Fuel System How Does A Returnless Fuel System Work A returnless fuel system uses one line to deliver fuel from the tank to the engine and relies on the ecu to control the pump and vary pressure as needed. A single fuel line exits the tank and. This week's video is all about fueling. The pressureworx pwm fuel module control system, in manifold referenced fuel pressure mode, uses the. How Does A Returnless Fuel System Work.
From www.slideserve.com
PPT OBJECTIVES PowerPoint Presentation, free download ID5961461 How Does A Returnless Fuel System Work Many people will just go with the tried and true return style fuel system, as they're. A fuel pressure sensor mounted to the supply rail of the fuel injectors. How to setup a fuel system for efi fuel injection. This week's video is all about fueling. A returnless fuel system uses one line to deliver fuel from the tank to. How Does A Returnless Fuel System Work.
From www.d-series.org
Returnless Fuel System Conversion How Does A Returnless Fuel System Work A single fuel line exits the tank and. This week's video is all about fueling. A returnless fuel system uses one line to deliver fuel from the tank to the engine and relies on the ecu to control the pump and vary pressure as needed. How to setup a fuel system for efi fuel injection. The pressureworx pwm fuel module. How Does A Returnless Fuel System Work.
From www.youtube.com
How a returnless fuel system works Ignition and Beyond Episode 4 How Does A Returnless Fuel System Work How to setup a fuel system for efi fuel injection. A returnless fuel system uses one line to deliver fuel from the tank to the engine and relies on the ecu to control the pump and vary pressure as needed. Many people will just go with the tried and true return style fuel system, as they're. The pressureworx pwm fuel. How Does A Returnless Fuel System Work.
From schematicpartfrey.z19.web.core.windows.net
Returnless Fuel System Diagram How Does A Returnless Fuel System Work The pressureworx pwm fuel module control system, in manifold referenced fuel pressure mode, uses the engine manifold absolute pressure (map) sensor signal to change the output. This week's video is all about fueling. A returnless fuel system uses one line to deliver fuel from the tank to the engine and relies on the ecu to control the pump and vary. How Does A Returnless Fuel System Work.
From www.researchgate.net
Fuel delivery types a) with return and b) returnless. Download How Does A Returnless Fuel System Work A fuel pressure sensor mounted to the supply rail of the fuel injectors. How to setup a fuel system for efi fuel injection. A returnless fuel system uses one line to deliver fuel from the tank to the engine and relies on the ecu to control the pump and vary pressure as needed. Many people will just go with the. How Does A Returnless Fuel System Work.
From www.youtube.com
How A Returnless Fuel System Works on Ford Rangers (1998+) YouTube How Does A Returnless Fuel System Work A returnless fuel system uses one line to deliver fuel from the tank to the engine and relies on the ecu to control the pump and vary pressure as needed. How to setup a fuel system for efi fuel injection. In this type of system, fuel doesn’t return to the tank. A single fuel line exits the tank and. A. How Does A Returnless Fuel System Work.
From www.youtube.com
CarbonClean 1000 Performing a Fuel Service on a Returnless Fuel How Does A Returnless Fuel System Work A fuel pressure sensor mounted to the supply rail of the fuel injectors. This week's video is all about fueling. How to setup a fuel system for efi fuel injection. Many people will just go with the tried and true return style fuel system, as they're. The pressureworx pwm fuel module control system, in manifold referenced fuel pressure mode, uses. How Does A Returnless Fuel System Work.
From www.youtube.com
Fuel Systems Returnless vs Return & How They Work. YouTube How Does A Returnless Fuel System Work Many people will just go with the tried and true return style fuel system, as they're. How to setup a fuel system for efi fuel injection. A fuel pressure sensor mounted to the supply rail of the fuel injectors. A returnless fuel system uses one line to deliver fuel from the tank to the engine and relies on the ecu. How Does A Returnless Fuel System Work.
From www.vaporworx.com
How Do PWM Returnless Fuel Systems Work? VaporWorx How Does A Returnless Fuel System Work The pressureworx pwm fuel module control system, in manifold referenced fuel pressure mode, uses the engine manifold absolute pressure (map) sensor signal to change the output. In this type of system, fuel doesn’t return to the tank. This week's video is all about fueling. A single fuel line exits the tank and. Many people will just go with the tried. How Does A Returnless Fuel System Work.
From www.autorepairindy.com
Difference Between Return and Returnless Fuel Systems Northeast Auto How Does A Returnless Fuel System Work This week's video is all about fueling. Many people will just go with the tried and true return style fuel system, as they're. A fuel pressure sensor mounted to the supply rail of the fuel injectors. The pressureworx pwm fuel module control system, in manifold referenced fuel pressure mode, uses the engine manifold absolute pressure (map) sensor signal to change. How Does A Returnless Fuel System Work.
From www.slideserve.com
PPT CHAPTER 27 FuelInjection Components and Operation PowerPoint How Does A Returnless Fuel System Work How to setup a fuel system for efi fuel injection. The pressureworx pwm fuel module control system, in manifold referenced fuel pressure mode, uses the engine manifold absolute pressure (map) sensor signal to change the output. A fuel pressure sensor mounted to the supply rail of the fuel injectors. A returnless fuel system uses one line to deliver fuel from. How Does A Returnless Fuel System Work.
From diagramlibrarywany.z19.web.core.windows.net
Returnless Fuel Injection Systems How Does A Returnless Fuel System Work A single fuel line exits the tank and. A returnless fuel system uses one line to deliver fuel from the tank to the engine and relies on the ecu to control the pump and vary pressure as needed. Many people will just go with the tried and true return style fuel system, as they're. How to setup a fuel system. How Does A Returnless Fuel System Work.
From www.performancetrucks.net
How do I make my Returnless rails work on a Return fuel system truck How Does A Returnless Fuel System Work How to setup a fuel system for efi fuel injection. The pressureworx pwm fuel module control system, in manifold referenced fuel pressure mode, uses the engine manifold absolute pressure (map) sensor signal to change the output. This week's video is all about fueling. Many people will just go with the tried and true return style fuel system, as they're. A. How Does A Returnless Fuel System Work.
From diagramlibrarybbc.z21.web.core.windows.net
Mechanical Returnless Fuel System How Does A Returnless Fuel System Work The pressureworx pwm fuel module control system, in manifold referenced fuel pressure mode, uses the engine manifold absolute pressure (map) sensor signal to change the output. How to setup a fuel system for efi fuel injection. A single fuel line exits the tank and. A returnless fuel system uses one line to deliver fuel from the tank to the engine. How Does A Returnless Fuel System Work.
From www.slideserve.com
PPT OBJECTIVES PowerPoint Presentation, free download ID6898020 How Does A Returnless Fuel System Work This week's video is all about fueling. Many people will just go with the tried and true return style fuel system, as they're. A fuel pressure sensor mounted to the supply rail of the fuel injectors. A single fuel line exits the tank and. The pressureworx pwm fuel module control system, in manifold referenced fuel pressure mode, uses the engine. How Does A Returnless Fuel System Work.
From ls1tech.com
plumbing returnless fuel system? LS1TECH How Does A Returnless Fuel System Work How to setup a fuel system for efi fuel injection. A returnless fuel system uses one line to deliver fuel from the tank to the engine and relies on the ecu to control the pump and vary pressure as needed. The pressureworx pwm fuel module control system, in manifold referenced fuel pressure mode, uses the engine manifold absolute pressure (map). How Does A Returnless Fuel System Work.
From www.youtube.com
Returnless Fuel Systems YouTube How Does A Returnless Fuel System Work A fuel pressure sensor mounted to the supply rail of the fuel injectors. A single fuel line exits the tank and. Many people will just go with the tried and true return style fuel system, as they're. This week's video is all about fueling. A returnless fuel system uses one line to deliver fuel from the tank to the engine. How Does A Returnless Fuel System Work.
From www.onallcylinders.com
Return or Returnless Which Fuel System is Right for You? (Video How Does A Returnless Fuel System Work A returnless fuel system uses one line to deliver fuel from the tank to the engine and relies on the ecu to control the pump and vary pressure as needed. In this type of system, fuel doesn’t return to the tank. A fuel pressure sensor mounted to the supply rail of the fuel injectors. The pressureworx pwm fuel module control. How Does A Returnless Fuel System Work.
From www.underhoodservice.com
Returnless EFI Systems Electronic Fuel Injection, Repair How Does A Returnless Fuel System Work A single fuel line exits the tank and. How to setup a fuel system for efi fuel injection. The pressureworx pwm fuel module control system, in manifold referenced fuel pressure mode, uses the engine manifold absolute pressure (map) sensor signal to change the output. Many people will just go with the tried and true return style fuel system, as they're.. How Does A Returnless Fuel System Work.
From www.onallcylinders.com
Return or Returnless Which Fuel System is Right for You? (Video How Does A Returnless Fuel System Work How to setup a fuel system for efi fuel injection. In this type of system, fuel doesn’t return to the tank. A returnless fuel system uses one line to deliver fuel from the tank to the engine and relies on the ecu to control the pump and vary pressure as needed. A fuel pressure sensor mounted to the supply rail. How Does A Returnless Fuel System Work.
From www.diyautotune.com
The EFI Tuners Guide Chapter 5A The EFI Fuel System Overview How Does A Returnless Fuel System Work A single fuel line exits the tank and. A fuel pressure sensor mounted to the supply rail of the fuel injectors. A returnless fuel system uses one line to deliver fuel from the tank to the engine and relies on the ecu to control the pump and vary pressure as needed. This week's video is all about fueling. Many people. How Does A Returnless Fuel System Work.
From www.vaporworx.com
To Return Or Not To Return (Returnless), That Is The Question VaporWorx How Does A Returnless Fuel System Work A fuel pressure sensor mounted to the supply rail of the fuel injectors. A single fuel line exits the tank and. The pressureworx pwm fuel module control system, in manifold referenced fuel pressure mode, uses the engine manifold absolute pressure (map) sensor signal to change the output. Many people will just go with the tried and true return style fuel. How Does A Returnless Fuel System Work.
From www.slideserve.com
PPT CHAPTER 27 FuelInjection Components and Operation PowerPoint How Does A Returnless Fuel System Work Many people will just go with the tried and true return style fuel system, as they're. In this type of system, fuel doesn’t return to the tank. The pressureworx pwm fuel module control system, in manifold referenced fuel pressure mode, uses the engine manifold absolute pressure (map) sensor signal to change the output. A single fuel line exits the tank. How Does A Returnless Fuel System Work.