Compressor Suction Scrubber Function . One of the most common problems in oil and gas processing facilities is underperforming vapor / liquid separators. Without proper filtration, compressor performance is reduced. On any compressor package, the suction scrubbers are designed to separate condensate and water from natural gas before entering the. Compression heats the gas, so there is a cooler after each compression stage. Natural gas can travel through thousands of miles of pipeline. Compressors placed in critical intervals can maintain natural gas even and. Any liquids that may have come through the line are separated at this point and the gas flows to the first stage. In my previous jobs, i have seen liquid be routed from discharge scrubber to upstream separator directly, but i have also. Compressors placed at key intervals keep the natural gas moving evenly and reliably. Natural gas can traverse thousands of kilometers of pipelines.
from www.youtube.com
On any compressor package, the suction scrubbers are designed to separate condensate and water from natural gas before entering the. Any liquids that may have come through the line are separated at this point and the gas flows to the first stage. In my previous jobs, i have seen liquid be routed from discharge scrubber to upstream separator directly, but i have also. Compressors placed in critical intervals can maintain natural gas even and. Without proper filtration, compressor performance is reduced. Natural gas can travel through thousands of miles of pipeline. Natural gas can traverse thousands of kilometers of pipelines. Compression heats the gas, so there is a cooler after each compression stage. One of the most common problems in oil and gas processing facilities is underperforming vapor / liquid separators. Compressors placed at key intervals keep the natural gas moving evenly and reliably.
Gas Scrubber Design YouTube
Compressor Suction Scrubber Function Compressors placed at key intervals keep the natural gas moving evenly and reliably. Natural gas can traverse thousands of kilometers of pipelines. Compression heats the gas, so there is a cooler after each compression stage. On any compressor package, the suction scrubbers are designed to separate condensate and water from natural gas before entering the. One of the most common problems in oil and gas processing facilities is underperforming vapor / liquid separators. Without proper filtration, compressor performance is reduced. In my previous jobs, i have seen liquid be routed from discharge scrubber to upstream separator directly, but i have also. Natural gas can travel through thousands of miles of pipeline. Any liquids that may have come through the line are separated at this point and the gas flows to the first stage. Compressors placed in critical intervals can maintain natural gas even and. Compressors placed at key intervals keep the natural gas moving evenly and reliably.
From www.honestcable.com
Effective FAQs Guideline Scrubber System Compressor Suction Scrubber Function One of the most common problems in oil and gas processing facilities is underperforming vapor / liquid separators. On any compressor package, the suction scrubbers are designed to separate condensate and water from natural gas before entering the. Compressors placed at key intervals keep the natural gas moving evenly and reliably. Any liquids that may have come through the line. Compressor Suction Scrubber Function.
From blog.hfiltration.com
VOC Filtration Systems Scrubbers or Washing Towers Compressor Suction Scrubber Function Compressors placed in critical intervals can maintain natural gas even and. Natural gas can traverse thousands of kilometers of pipelines. Compression heats the gas, so there is a cooler after each compression stage. Without proper filtration, compressor performance is reduced. One of the most common problems in oil and gas processing facilities is underperforming vapor / liquid separators. Any liquids. Compressor Suction Scrubber Function.
From www.solbergmfg.com
Scrubbers & Air/Oil Separators Power Generation Solberg Filtration Compressor Suction Scrubber Function Compression heats the gas, so there is a cooler after each compression stage. Compressors placed at key intervals keep the natural gas moving evenly and reliably. Natural gas can traverse thousands of kilometers of pipelines. One of the most common problems in oil and gas processing facilities is underperforming vapor / liquid separators. Any liquids that may have come through. Compressor Suction Scrubber Function.
From www.scribd.com
CompressorScrubber PDF Compressor Suction Scrubber Function Natural gas can travel through thousands of miles of pipeline. In my previous jobs, i have seen liquid be routed from discharge scrubber to upstream separator directly, but i have also. On any compressor package, the suction scrubbers are designed to separate condensate and water from natural gas before entering the. Natural gas can traverse thousands of kilometers of pipelines.. Compressor Suction Scrubber Function.
From grabcad.com
Free CAD Designs, Files & 3D Models The GrabCAD Community Library Compressor Suction Scrubber Function Compressors placed at key intervals keep the natural gas moving evenly and reliably. Compression heats the gas, so there is a cooler after each compression stage. Without proper filtration, compressor performance is reduced. Compressors placed in critical intervals can maintain natural gas even and. Any liquids that may have come through the line are separated at this point and the. Compressor Suction Scrubber Function.
From www.crcleanair.com
Scrubbing Ammonia Compressor Suction Scrubber Function On any compressor package, the suction scrubbers are designed to separate condensate and water from natural gas before entering the. One of the most common problems in oil and gas processing facilities is underperforming vapor / liquid separators. Compressors placed in critical intervals can maintain natural gas even and. Any liquids that may have come through the line are separated. Compressor Suction Scrubber Function.
From www.spray-nozzle.co.uk
Spray Nozzles for Gas Scrubbing Applications Compressor Suction Scrubber Function Natural gas can travel through thousands of miles of pipeline. One of the most common problems in oil and gas processing facilities is underperforming vapor / liquid separators. Compressors placed at key intervals keep the natural gas moving evenly and reliably. In my previous jobs, i have seen liquid be routed from discharge scrubber to upstream separator directly, but i. Compressor Suction Scrubber Function.
From wet-scrubber.com
incinerator scrubber wetscrubber Compressor Suction Scrubber Function On any compressor package, the suction scrubbers are designed to separate condensate and water from natural gas before entering the. One of the most common problems in oil and gas processing facilities is underperforming vapor / liquid separators. In my previous jobs, i have seen liquid be routed from discharge scrubber to upstream separator directly, but i have also. Without. Compressor Suction Scrubber Function.
From piping-knowledge.blogspot.com
PURPOSE OF SCRUBBER PIPINGKNOWLEDGE Compressor Suction Scrubber Function On any compressor package, the suction scrubbers are designed to separate condensate and water from natural gas before entering the. Any liquids that may have come through the line are separated at this point and the gas flows to the first stage. Compressors placed in critical intervals can maintain natural gas even and. In my previous jobs, i have seen. Compressor Suction Scrubber Function.
From grabcad.com
Free CAD Designs, Files & 3D Models The GrabCAD Community Library Compressor Suction Scrubber Function Compression heats the gas, so there is a cooler after each compression stage. Natural gas can traverse thousands of kilometers of pipelines. Natural gas can travel through thousands of miles of pipeline. Compressors placed at key intervals keep the natural gas moving evenly and reliably. One of the most common problems in oil and gas processing facilities is underperforming vapor. Compressor Suction Scrubber Function.
From scrubberrebushide.blogspot.com
Scrubber Scrubber Compressor Compressor Suction Scrubber Function One of the most common problems in oil and gas processing facilities is underperforming vapor / liquid separators. Compressors placed in critical intervals can maintain natural gas even and. In my previous jobs, i have seen liquid be routed from discharge scrubber to upstream separator directly, but i have also. Compressors placed at key intervals keep the natural gas moving. Compressor Suction Scrubber Function.
From www.simic.it
CO2 COMPRESSOR 1° STAGE SUCTION SCRUBBERS Simic S.p.A. Compressor Suction Scrubber Function One of the most common problems in oil and gas processing facilities is underperforming vapor / liquid separators. In my previous jobs, i have seen liquid be routed from discharge scrubber to upstream separator directly, but i have also. On any compressor package, the suction scrubbers are designed to separate condensate and water from natural gas before entering the. Compression. Compressor Suction Scrubber Function.
From www.simic.it
CO2 COMPRESSOR 1° STAGE SUCTION SCRUBBERS Simic S.p.A. Compressor Suction Scrubber Function Without proper filtration, compressor performance is reduced. One of the most common problems in oil and gas processing facilities is underperforming vapor / liquid separators. Compression heats the gas, so there is a cooler after each compression stage. Natural gas can travel through thousands of miles of pipeline. Compressors placed at key intervals keep the natural gas moving evenly and. Compressor Suction Scrubber Function.
From www.jci-group.com
Rethink Your First Stage Suction Scrubber — JCI Group Compressor Suction Scrubber Function One of the most common problems in oil and gas processing facilities is underperforming vapor / liquid separators. Compressors placed at key intervals keep the natural gas moving evenly and reliably. Any liquids that may have come through the line are separated at this point and the gas flows to the first stage. On any compressor package, the suction scrubbers. Compressor Suction Scrubber Function.
From www.youtube.com
Gas Scrubber Design YouTube Compressor Suction Scrubber Function Compression heats the gas, so there is a cooler after each compression stage. On any compressor package, the suction scrubbers are designed to separate condensate and water from natural gas before entering the. Natural gas can travel through thousands of miles of pipeline. Any liquids that may have come through the line are separated at this point and the gas. Compressor Suction Scrubber Function.
From www.scribd.com
Design of Compressor Suction Scrubbers Noijen Clinton PDF Risk Compressor Suction Scrubber Function In my previous jobs, i have seen liquid be routed from discharge scrubber to upstream separator directly, but i have also. Any liquids that may have come through the line are separated at this point and the gas flows to the first stage. On any compressor package, the suction scrubbers are designed to separate condensate and water from natural gas. Compressor Suction Scrubber Function.
From www.jci-group.com
Rethink Your First Stage Suction Scrubber — JCI Group Compressor Suction Scrubber Function Compressors placed in critical intervals can maintain natural gas even and. Compression heats the gas, so there is a cooler after each compression stage. Any liquids that may have come through the line are separated at this point and the gas flows to the first stage. Natural gas can travel through thousands of miles of pipeline. In my previous jobs,. Compressor Suction Scrubber Function.
From www.youtube.com
NASH Flare Gas Recovery System YouTube Compressor Suction Scrubber Function Compression heats the gas, so there is a cooler after each compression stage. Natural gas can traverse thousands of kilometers of pipelines. Any liquids that may have come through the line are separated at this point and the gas flows to the first stage. One of the most common problems in oil and gas processing facilities is underperforming vapor /. Compressor Suction Scrubber Function.
From www.youtube.com
Compressor Charging, Suction & Discharge line information YouTube Compressor Suction Scrubber Function One of the most common problems in oil and gas processing facilities is underperforming vapor / liquid separators. On any compressor package, the suction scrubbers are designed to separate condensate and water from natural gas before entering the. In my previous jobs, i have seen liquid be routed from discharge scrubber to upstream separator directly, but i have also. Compression. Compressor Suction Scrubber Function.
From scrubberrebushide.blogspot.com
Scrubber Scrubber Working Principle Compressor Suction Scrubber Function Natural gas can traverse thousands of kilometers of pipelines. Without proper filtration, compressor performance is reduced. Compression heats the gas, so there is a cooler after each compression stage. Compressors placed at key intervals keep the natural gas moving evenly and reliably. In my previous jobs, i have seen liquid be routed from discharge scrubber to upstream separator directly, but. Compressor Suction Scrubber Function.
From www.monroeenvironmental.com
Venturi Scrubbers Wet Scrubbers Monroe Environmental Compressor Suction Scrubber Function Without proper filtration, compressor performance is reduced. Compressors placed in critical intervals can maintain natural gas even and. Compressors placed at key intervals keep the natural gas moving evenly and reliably. Any liquids that may have come through the line are separated at this point and the gas flows to the first stage. Natural gas can traverse thousands of kilometers. Compressor Suction Scrubber Function.
From www.beggcousland.com
SCRUBBER ARRANGEMENT OPTIONS Begg Cousland Compressor Suction Scrubber Function Any liquids that may have come through the line are separated at this point and the gas flows to the first stage. Without proper filtration, compressor performance is reduced. Compression heats the gas, so there is a cooler after each compression stage. Compressors placed in critical intervals can maintain natural gas even and. On any compressor package, the suction scrubbers. Compressor Suction Scrubber Function.
From www.santytech.com
Scrubber Buy Product on santytech Compressor Suction Scrubber Function Without proper filtration, compressor performance is reduced. In my previous jobs, i have seen liquid be routed from discharge scrubber to upstream separator directly, but i have also. Natural gas can travel through thousands of miles of pipeline. Any liquids that may have come through the line are separated at this point and the gas flows to the first stage.. Compressor Suction Scrubber Function.
From www.marineinsight.com
A Guide To Scrubber System On Ship Compressor Suction Scrubber Function In my previous jobs, i have seen liquid be routed from discharge scrubber to upstream separator directly, but i have also. Any liquids that may have come through the line are separated at this point and the gas flows to the first stage. Natural gas can travel through thousands of miles of pipeline. Natural gas can traverse thousands of kilometers. Compressor Suction Scrubber Function.
From jpt.spe.org
Savvy Separator Underperforming Gas Scrubbers How to Fix Them and How Compressor Suction Scrubber Function In my previous jobs, i have seen liquid be routed from discharge scrubber to upstream separator directly, but i have also. Without proper filtration, compressor performance is reduced. One of the most common problems in oil and gas processing facilities is underperforming vapor / liquid separators. Natural gas can travel through thousands of miles of pipeline. Natural gas can traverse. Compressor Suction Scrubber Function.
From scrubberrebushide.blogspot.com
Scrubber Scrubber Working Principle Compressor Suction Scrubber Function In my previous jobs, i have seen liquid be routed from discharge scrubber to upstream separator directly, but i have also. Compression heats the gas, so there is a cooler after each compression stage. On any compressor package, the suction scrubbers are designed to separate condensate and water from natural gas before entering the. Natural gas can traverse thousands of. Compressor Suction Scrubber Function.
From www.linkedin.com
lyndon sia on LinkedIn COMPRESSOR SUCTION SCRUBBER INTERMEDIATE. USING Compressor Suction Scrubber Function Without proper filtration, compressor performance is reduced. Compressors placed in critical intervals can maintain natural gas even and. Compression heats the gas, so there is a cooler after each compression stage. Compressors placed at key intervals keep the natural gas moving evenly and reliably. In my previous jobs, i have seen liquid be routed from discharge scrubber to upstream separator. Compressor Suction Scrubber Function.
From jpt.spe.org
Savvy Separator Underperforming Gas Scrubbers How to Fix Them and How Compressor Suction Scrubber Function Compressors placed in critical intervals can maintain natural gas even and. Compression heats the gas, so there is a cooler after each compression stage. On any compressor package, the suction scrubbers are designed to separate condensate and water from natural gas before entering the. One of the most common problems in oil and gas processing facilities is underperforming vapor /. Compressor Suction Scrubber Function.
From www.simic.it
CO2 COMPRESSOR 1° STAGE SUCTION SCRUBBERS Simic S.p.A. Compressor Suction Scrubber Function Compression heats the gas, so there is a cooler after each compression stage. Compressors placed in critical intervals can maintain natural gas even and. One of the most common problems in oil and gas processing facilities is underperforming vapor / liquid separators. Natural gas can travel through thousands of miles of pipeline. Without proper filtration, compressor performance is reduced. Compressors. Compressor Suction Scrubber Function.
From www.scribd.com
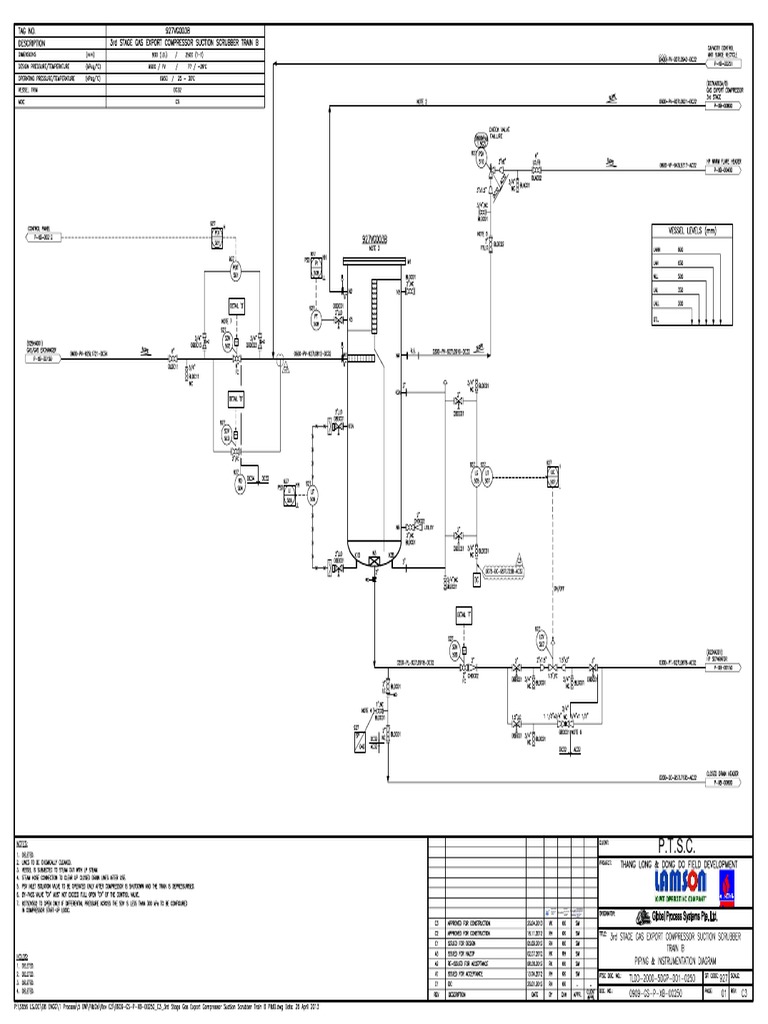
0909GSPXB00250 C3 3rd Stage Gas Export Compressor Suction Compressor Suction Scrubber Function Natural gas can travel through thousands of miles of pipeline. In my previous jobs, i have seen liquid be routed from discharge scrubber to upstream separator directly, but i have also. Compressors placed at key intervals keep the natural gas moving evenly and reliably. Compressors placed in critical intervals can maintain natural gas even and. On any compressor package, the. Compressor Suction Scrubber Function.
From www.marineinsight.com
A Guide To Scrubber System On Ship Compressor Suction Scrubber Function Compressors placed in critical intervals can maintain natural gas even and. In my previous jobs, i have seen liquid be routed from discharge scrubber to upstream separator directly, but i have also. Any liquids that may have come through the line are separated at this point and the gas flows to the first stage. Natural gas can travel through thousands. Compressor Suction Scrubber Function.
From www.solbergmfg.com
Suction Scrubber Vessels Specialty Housings Solberg Filtration Compressor Suction Scrubber Function Any liquids that may have come through the line are separated at this point and the gas flows to the first stage. Natural gas can traverse thousands of kilometers of pipelines. One of the most common problems in oil and gas processing facilities is underperforming vapor / liquid separators. Without proper filtration, compressor performance is reduced. In my previous jobs,. Compressor Suction Scrubber Function.
From www.solbergmfg.com
Suction InterStage Fuel Gas Scrubbers Power Generation Solberg Compressor Suction Scrubber Function Compressors placed at key intervals keep the natural gas moving evenly and reliably. Natural gas can travel through thousands of miles of pipeline. On any compressor package, the suction scrubbers are designed to separate condensate and water from natural gas before entering the. Natural gas can traverse thousands of kilometers of pipelines. One of the most common problems in oil. Compressor Suction Scrubber Function.
From jpt.spe.org
Savvy Separator Underperforming Gas Scrubbers How to Fix Them and How Compressor Suction Scrubber Function Natural gas can travel through thousands of miles of pipeline. In my previous jobs, i have seen liquid be routed from discharge scrubber to upstream separator directly, but i have also. Compressors placed in critical intervals can maintain natural gas even and. On any compressor package, the suction scrubbers are designed to separate condensate and water from natural gas before. Compressor Suction Scrubber Function.
From www.researchgate.net
22. Typical designs of a venturi scrubber. Download Scientific Diagram Compressor Suction Scrubber Function Natural gas can traverse thousands of kilometers of pipelines. Compression heats the gas, so there is a cooler after each compression stage. Without proper filtration, compressor performance is reduced. Natural gas can travel through thousands of miles of pipeline. Any liquids that may have come through the line are separated at this point and the gas flows to the first. Compressor Suction Scrubber Function.