Ls2 Sensor Locations . the cam sensor is on the front of the engine, on the left side of the harmonic balancer. sensor location on gen iii vortec truck engines. when making the swap to an ls engine, you'll need to update the sensors. the ls2 (vin code u) replaced the ls1 in the corvette in 2005. the camshaft sensor is a 1x pulse sensor which is synchronized to the #1 firing of the engine (whether or not it is on its firing or exhaust stroke). Ls car have similar locations. It used the new gen. 4 block and the cathedral port heads from. the original gen iii ls engines placed the cam sensor at the rear of the engine, while 2005 ls2 and later gen iv. If you must change it, you are in.
from manualfixageundeployed.z13.web.core.windows.net
If you must change it, you are in. 4 block and the cathedral port heads from. the camshaft sensor is a 1x pulse sensor which is synchronized to the #1 firing of the engine (whether or not it is on its firing or exhaust stroke). the original gen iii ls engines placed the cam sensor at the rear of the engine, while 2005 ls2 and later gen iv. the ls2 (vin code u) replaced the ls1 in the corvette in 2005. when making the swap to an ls engine, you'll need to update the sensors. the cam sensor is on the front of the engine, on the left side of the harmonic balancer. sensor location on gen iii vortec truck engines. It used the new gen. Ls car have similar locations.
Ls Cam Sensor Wiring
Ls2 Sensor Locations the camshaft sensor is a 1x pulse sensor which is synchronized to the #1 firing of the engine (whether or not it is on its firing or exhaust stroke). 4 block and the cathedral port heads from. Ls car have similar locations. the cam sensor is on the front of the engine, on the left side of the harmonic balancer. the camshaft sensor is a 1x pulse sensor which is synchronized to the #1 firing of the engine (whether or not it is on its firing or exhaust stroke). when making the swap to an ls engine, you'll need to update the sensors. the ls2 (vin code u) replaced the ls1 in the corvette in 2005. If you must change it, you are in. sensor location on gen iii vortec truck engines. the original gen iii ls engines placed the cam sensor at the rear of the engine, while 2005 ls2 and later gen iv. It used the new gen.
From warrperformance.com
Side Mount Knock Sensor Adapter Harness LS1 / Gen III to LS2 / Gen IV Ls2 Sensor Locations If you must change it, you are in. It used the new gen. the ls2 (vin code u) replaced the ls1 in the corvette in 2005. the original gen iii ls engines placed the cam sensor at the rear of the engine, while 2005 ls2 and later gen iv. the cam sensor is on the front of. Ls2 Sensor Locations.
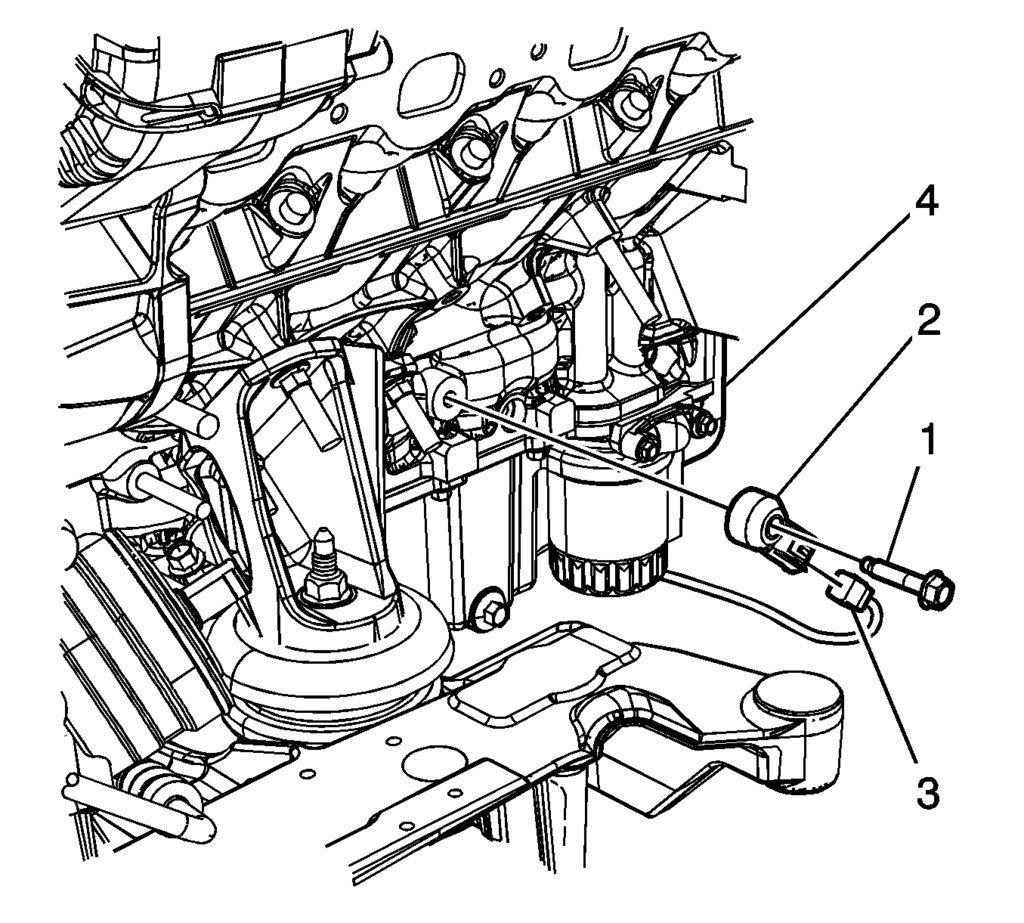
From www.hotrod.com
Early LS Engines to a FrontMount LS2 Cam Sensor Hot Rod Network Ls2 Sensor Locations when making the swap to an ls engine, you'll need to update the sensors. the original gen iii ls engines placed the cam sensor at the rear of the engine, while 2005 ls2 and later gen iv. 4 block and the cathedral port heads from. Ls car have similar locations. If you must change it, you are in.. Ls2 Sensor Locations.
From wiringguidecrumbs.z5.web.core.windows.net
Ls Cam Sensor Differences Ls2 Sensor Locations the original gen iii ls engines placed the cam sensor at the rear of the engine, while 2005 ls2 and later gen iv. sensor location on gen iii vortec truck engines. when making the swap to an ls engine, you'll need to update the sensors. the ls2 (vin code u) replaced the ls1 in the corvette. Ls2 Sensor Locations.
From ubicaciondepersonas.cdmx.gob.mx
Ls2 Oil Pressure Sensor Location ubicaciondepersonas.cdmx.gob.mx Ls2 Sensor Locations It used the new gen. the camshaft sensor is a 1x pulse sensor which is synchronized to the #1 firing of the engine (whether or not it is on its firing or exhaust stroke). the cam sensor is on the front of the engine, on the left side of the harmonic balancer. sensor location on gen iii. Ls2 Sensor Locations.
From schematicdiagram67.blogspot.com
Ls2 Cam Sensor Wiring Diagram E38 Ecm Connector Pinouts / 2l chrysler Ls2 Sensor Locations when making the swap to an ls engine, you'll need to update the sensors. It used the new gen. 4 block and the cathedral port heads from. sensor location on gen iii vortec truck engines. Ls car have similar locations. the original gen iii ls engines placed the cam sensor at the rear of the engine, while. Ls2 Sensor Locations.
From garagefixedel07306v.z13.web.core.windows.net
Ls Engine Sensor Locations Ls2 Sensor Locations If you must change it, you are in. the original gen iii ls engines placed the cam sensor at the rear of the engine, while 2005 ls2 and later gen iv. the camshaft sensor is a 1x pulse sensor which is synchronized to the #1 firing of the engine (whether or not it is on its firing or. Ls2 Sensor Locations.
From userdiagrambolter.z1.web.core.windows.net
Cam Position Sensor Wiring Diagrams Ls2 Sensor Locations sensor location on gen iii vortec truck engines. If you must change it, you are in. the original gen iii ls engines placed the cam sensor at the rear of the engine, while 2005 ls2 and later gen iv. the ls2 (vin code u) replaced the ls1 in the corvette in 2005. It used the new gen.. Ls2 Sensor Locations.
From ls1tech.com
FS 2.5 BAR hybrid map sensor for LS2/3/7 with LS1 style plug LS1TECH Ls2 Sensor Locations the ls2 (vin code u) replaced the ls1 in the corvette in 2005. If you must change it, you are in. the cam sensor is on the front of the engine, on the left side of the harmonic balancer. the camshaft sensor is a 1x pulse sensor which is synchronized to the #1 firing of the engine. Ls2 Sensor Locations.
From www.ls2.com
LS2 Crank Sensor wiring Ls2 Sensor Locations 4 block and the cathedral port heads from. when making the swap to an ls engine, you'll need to update the sensors. Ls car have similar locations. sensor location on gen iii vortec truck engines. It used the new gen. If you must change it, you are in. the ls2 (vin code u) replaced the ls1 in. Ls2 Sensor Locations.
From wiring10.blogspot.com
Ls2 Cam Sensor Wiring Diagram DTC P0107 How To Test your LS1 MAP Ls2 Sensor Locations Ls car have similar locations. sensor location on gen iii vortec truck engines. the cam sensor is on the front of the engine, on the left side of the harmonic balancer. the ls2 (vin code u) replaced the ls1 in the corvette in 2005. It used the new gen. 4 block and the cathedral port heads from.. Ls2 Sensor Locations.
From www.youtube.com
Ls2 cam sensor reluctor YouTube Ls2 Sensor Locations If you must change it, you are in. the original gen iii ls engines placed the cam sensor at the rear of the engine, while 2005 ls2 and later gen iv. the ls2 (vin code u) replaced the ls1 in the corvette in 2005. 4 block and the cathedral port heads from. sensor location on gen iii. Ls2 Sensor Locations.
From www.psiconversion.com
LSX Component ID Guide Ls2 Sensor Locations the cam sensor is on the front of the engine, on the left side of the harmonic balancer. the camshaft sensor is a 1x pulse sensor which is synchronized to the #1 firing of the engine (whether or not it is on its firing or exhaust stroke). Ls car have similar locations. the original gen iii ls. Ls2 Sensor Locations.
From guidepartinsulas.z21.web.core.windows.net
Ls1 Engine Sensor Diagram Ls2 Sensor Locations the ls2 (vin code u) replaced the ls1 in the corvette in 2005. the cam sensor is on the front of the engine, on the left side of the harmonic balancer. the camshaft sensor is a 1x pulse sensor which is synchronized to the #1 firing of the engine (whether or not it is on its firing. Ls2 Sensor Locations.
From wiring10.blogspot.com
Ls2 Cam Sensor Wiring Diagram DTC P0107 How To Test your LS1 MAP Ls2 Sensor Locations If you must change it, you are in. when making the swap to an ls engine, you'll need to update the sensors. the camshaft sensor is a 1x pulse sensor which is synchronized to the #1 firing of the engine (whether or not it is on its firing or exhaust stroke). sensor location on gen iii vortec. Ls2 Sensor Locations.
From ubicaciondepersonas.cdmx.gob.mx
Ls2 Oil Pressure Sensor Location ubicaciondepersonas.cdmx.gob.mx Ls2 Sensor Locations the original gen iii ls engines placed the cam sensor at the rear of the engine, while 2005 ls2 and later gen iv. It used the new gen. Ls car have similar locations. the cam sensor is on the front of the engine, on the left side of the harmonic balancer. 4 block and the cathedral port heads. Ls2 Sensor Locations.
From ls1tech.com
FS 2.5 BAR hybrid map sensor for LS2/3/7 with LS1 style plug LS1TECH Ls2 Sensor Locations sensor location on gen iii vortec truck engines. the camshaft sensor is a 1x pulse sensor which is synchronized to the #1 firing of the engine (whether or not it is on its firing or exhaust stroke). when making the swap to an ls engine, you'll need to update the sensors. 4 block and the cathedral port. Ls2 Sensor Locations.
From ls1tech.com
Ls1 to ls2 tb harness & ls3 map sensor LS1TECH Ls2 Sensor Locations the ls2 (vin code u) replaced the ls1 in the corvette in 2005. when making the swap to an ls engine, you'll need to update the sensors. the camshaft sensor is a 1x pulse sensor which is synchronized to the #1 firing of the engine (whether or not it is on its firing or exhaust stroke). 4. Ls2 Sensor Locations.
From ls1tech.com
LS2 Knock sensor Thread/Pitch Size LS1TECH Camaro and Firebird Ls2 Sensor Locations If you must change it, you are in. Ls car have similar locations. 4 block and the cathedral port heads from. the ls2 (vin code u) replaced the ls1 in the corvette in 2005. It used the new gen. the camshaft sensor is a 1x pulse sensor which is synchronized to the #1 firing of the engine (whether. Ls2 Sensor Locations.
From www.ls2.com
LS2 sensor list needed ASAP! Ls2 Sensor Locations It used the new gen. the cam sensor is on the front of the engine, on the left side of the harmonic balancer. If you must change it, you are in. the ls2 (vin code u) replaced the ls1 in the corvette in 2005. 4 block and the cathedral port heads from. Ls car have similar locations. . Ls2 Sensor Locations.
From grassrootsmotorsports.com
LS oil pressure sensor tech question... Grassroots Motorsports forum Ls2 Sensor Locations the original gen iii ls engines placed the cam sensor at the rear of the engine, while 2005 ls2 and later gen iv. If you must change it, you are in. the ls2 (vin code u) replaced the ls1 in the corvette in 2005. 4 block and the cathedral port heads from. the camshaft sensor is a. Ls2 Sensor Locations.
From ls1tech.com
oil pressure sensor location blocked LS1TECH Camaro and Firebird Ls2 Sensor Locations 4 block and the cathedral port heads from. the ls2 (vin code u) replaced the ls1 in the corvette in 2005. If you must change it, you are in. sensor location on gen iii vortec truck engines. when making the swap to an ls engine, you'll need to update the sensors. the cam sensor is on. Ls2 Sensor Locations.
From wiring10.blogspot.com
Ls2 Cam Sensor Wiring Diagram DTC P0107 How To Test your LS1 MAP Ls2 Sensor Locations It used the new gen. the ls2 (vin code u) replaced the ls1 in the corvette in 2005. Ls car have similar locations. the cam sensor is on the front of the engine, on the left side of the harmonic balancer. sensor location on gen iii vortec truck engines. 4 block and the cathedral port heads from.. Ls2 Sensor Locations.
From www.ls2.com
Help indentify LS2 connectors, please Ls2 Sensor Locations 4 block and the cathedral port heads from. sensor location on gen iii vortec truck engines. the ls2 (vin code u) replaced the ls1 in the corvette in 2005. the original gen iii ls engines placed the cam sensor at the rear of the engine, while 2005 ls2 and later gen iv. the cam sensor is. Ls2 Sensor Locations.
From www.tiperformance.com.au
GM LS1 LS2 2Bar MAP Sensor T.I. Performance Ls2 Sensor Locations It used the new gen. If you must change it, you are in. 4 block and the cathedral port heads from. the original gen iii ls engines placed the cam sensor at the rear of the engine, while 2005 ls2 and later gen iv. the cam sensor is on the front of the engine, on the left side. Ls2 Sensor Locations.
From wiring10.blogspot.com
Ls2 Cam Sensor Wiring Diagram DTC P0107 How To Test your LS1 MAP Ls2 Sensor Locations the cam sensor is on the front of the engine, on the left side of the harmonic balancer. the original gen iii ls engines placed the cam sensor at the rear of the engine, while 2005 ls2 and later gen iv. the camshaft sensor is a 1x pulse sensor which is synchronized to the #1 firing of. Ls2 Sensor Locations.
From www.bimmerforums.com
LS2 6.0L V8, perfect for a E36 swap. Ls2 Sensor Locations the cam sensor is on the front of the engine, on the left side of the harmonic balancer. the camshaft sensor is a 1x pulse sensor which is synchronized to the #1 firing of the engine (whether or not it is on its firing or exhaust stroke). It used the new gen. 4 block and the cathedral port. Ls2 Sensor Locations.
From schematictriopangeai1.z22.web.core.windows.net
Ls Engine Wiring Diagram Ls2 Sensor Locations sensor location on gen iii vortec truck engines. If you must change it, you are in. the ls2 (vin code u) replaced the ls1 in the corvette in 2005. It used the new gen. 4 block and the cathedral port heads from. when making the swap to an ls engine, you'll need to update the sensors. . Ls2 Sensor Locations.
From wiringguidecrumbs.z5.web.core.windows.net
Ls2 Cam Sensor Pinout Ls2 Sensor Locations 4 block and the cathedral port heads from. Ls car have similar locations. If you must change it, you are in. the ls2 (vin code u) replaced the ls1 in the corvette in 2005. the original gen iii ls engines placed the cam sensor at the rear of the engine, while 2005 ls2 and later gen iv. It. Ls2 Sensor Locations.
From workshop-manuals.com
Saturn Service and Repair Manuals > LS2 V63.0L VIN R (2000 Ls2 Sensor Locations 4 block and the cathedral port heads from. the cam sensor is on the front of the engine, on the left side of the harmonic balancer. the original gen iii ls engines placed the cam sensor at the rear of the engine, while 2005 ls2 and later gen iv. the camshaft sensor is a 1x pulse sensor. Ls2 Sensor Locations.
From ls1tech.com
Ls2 and ls3 map and cam sensor plug help LS1TECH Camaro and Ls2 Sensor Locations when making the swap to an ls engine, you'll need to update the sensors. 4 block and the cathedral port heads from. It used the new gen. the camshaft sensor is a 1x pulse sensor which is synchronized to the #1 firing of the engine (whether or not it is on its firing or exhaust stroke). the. Ls2 Sensor Locations.
From www.ls2.com
Engine Controls Components and locations Ls2 Sensor Locations the cam sensor is on the front of the engine, on the left side of the harmonic balancer. 4 block and the cathedral port heads from. If you must change it, you are in. when making the swap to an ls engine, you'll need to update the sensors. the ls2 (vin code u) replaced the ls1 in. Ls2 Sensor Locations.
From manualdbcuddling.z5.web.core.windows.net
2004 Lincoln Ls Engine Diagram Ls2 Sensor Locations It used the new gen. the camshaft sensor is a 1x pulse sensor which is synchronized to the #1 firing of the engine (whether or not it is on its firing or exhaust stroke). the cam sensor is on the front of the engine, on the left side of the harmonic balancer. when making the swap to. Ls2 Sensor Locations.
From ls1tech.com
LS2 with LS1 harness and knock sensors..correct locaiton? LS1TECH Ls2 Sensor Locations 4 block and the cathedral port heads from. Ls car have similar locations. If you must change it, you are in. sensor location on gen iii vortec truck engines. the camshaft sensor is a 1x pulse sensor which is synchronized to the #1 firing of the engine (whether or not it is on its firing or exhaust stroke).. Ls2 Sensor Locations.
From manualfixageundeployed.z13.web.core.windows.net
Ls Cam Sensor Wiring Ls2 Sensor Locations the original gen iii ls engines placed the cam sensor at the rear of the engine, while 2005 ls2 and later gen iv. the cam sensor is on the front of the engine, on the left side of the harmonic balancer. If you must change it, you are in. 4 block and the cathedral port heads from. . Ls2 Sensor Locations.
From ls1tech.com
LS2 to LQ9 swap LS1TECH Camaro and Firebird Forum Discussion Ls2 Sensor Locations the camshaft sensor is a 1x pulse sensor which is synchronized to the #1 firing of the engine (whether or not it is on its firing or exhaust stroke). the ls2 (vin code u) replaced the ls1 in the corvette in 2005. the original gen iii ls engines placed the cam sensor at the rear of the. Ls2 Sensor Locations.