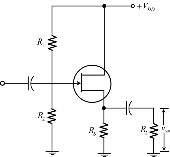
Jfet Source Follower Design . The source follower is used in the. Unlike an opamp buffer, they always have a measurable voltage loss , so gain is. Instead of grounding the gate as is done in the current source,. The fet source follower (1) has a very large input impedance, (2) is very simple to bias, and (3) has 1 g v 3. The source follower is typically. The dc supply voltage, the load. Source followers (aka buffers) are intended to adapt high impedance sources to lower impedance loads. One approach to turn this lower jfet into an active current source was shown in fig.
from www.theengineeringknowledge.com
Source followers (aka buffers) are intended to adapt high impedance sources to lower impedance loads. The source follower is typically. Instead of grounding the gate as is done in the current source,. One approach to turn this lower jfet into an active current source was shown in fig. The source follower is used in the. The fet source follower (1) has a very large input impedance, (2) is very simple to bias, and (3) has 1 g v 3. The dc supply voltage, the load. Unlike an opamp buffer, they always have a measurable voltage loss , so gain is.
Common Source JFET Amplifier The Engineering Knowledge
Jfet Source Follower Design Source followers (aka buffers) are intended to adapt high impedance sources to lower impedance loads. The source follower is used in the. The fet source follower (1) has a very large input impedance, (2) is very simple to bias, and (3) has 1 g v 3. One approach to turn this lower jfet into an active current source was shown in fig. The source follower is typically. Unlike an opamp buffer, they always have a measurable voltage loss , so gain is. The dc supply voltage, the load. Instead of grounding the gate as is done in the current source,. Source followers (aka buffers) are intended to adapt high impedance sources to lower impedance loads.
From guidewiringguy.z21.web.core.windows.net
Source Follower Circuit Diagram Jfet Source Follower Design Source followers (aka buffers) are intended to adapt high impedance sources to lower impedance loads. The source follower is used in the. The dc supply voltage, the load. The fet source follower (1) has a very large input impedance, (2) is very simple to bias, and (3) has 1 g v 3. Unlike an opamp buffer, they always have a. Jfet Source Follower Design.
From www.nutsvolts.com
FET Principles And Circuits — Part 2 Nuts & Volts Magazine Jfet Source Follower Design One approach to turn this lower jfet into an active current source was shown in fig. The source follower is used in the. Source followers (aka buffers) are intended to adapt high impedance sources to lower impedance loads. The fet source follower (1) has a very large input impedance, (2) is very simple to bias, and (3) has 1 g. Jfet Source Follower Design.
From justaaa.com
Design the circuit of a source follower JFET amplifier biasing circuit Jfet Source Follower Design The source follower is typically. Unlike an opamp buffer, they always have a measurable voltage loss , so gain is. Source followers (aka buffers) are intended to adapt high impedance sources to lower impedance loads. The fet source follower (1) has a very large input impedance, (2) is very simple to bias, and (3) has 1 g v 3. The. Jfet Source Follower Design.
From www.ee-diary.com
How to design JFET source follower? eediary Jfet Source Follower Design The source follower is typically. Unlike an opamp buffer, they always have a measurable voltage loss , so gain is. One approach to turn this lower jfet into an active current source was shown in fig. Source followers (aka buffers) are intended to adapt high impedance sources to lower impedance loads. Instead of grounding the gate as is done in. Jfet Source Follower Design.
From instrumentationlab.berkeley.edu
Lab 4 JFET Circuits I Instrumentation LAB Jfet Source Follower Design The source follower is used in the. The fet source follower (1) has a very large input impedance, (2) is very simple to bias, and (3) has 1 g v 3. One approach to turn this lower jfet into an active current source was shown in fig. Instead of grounding the gate as is done in the current source,. The. Jfet Source Follower Design.
From www.electroniclinic.com
JFET, Junction Field Effect Transistor, JFET Construction, JFET Operation Jfet Source Follower Design The source follower is typically. The dc supply voltage, the load. Instead of grounding the gate as is done in the current source,. The source follower is used in the. Unlike an opamp buffer, they always have a measurable voltage loss , so gain is. The fet source follower (1) has a very large input impedance, (2) is very simple. Jfet Source Follower Design.
From www.solutionspile.com
[Solved] Figure 4 shows a JFET in the sourcefollower con Jfet Source Follower Design The source follower is typically. One approach to turn this lower jfet into an active current source was shown in fig. The source follower is used in the. Unlike an opamp buffer, they always have a measurable voltage loss , so gain is. The dc supply voltage, the load. Instead of grounding the gate as is done in the current. Jfet Source Follower Design.
From www.chegg.com
Solved 5. Consider the nchannel JFET source follower. Jfet Source Follower Design Instead of grounding the gate as is done in the current source,. Source followers (aka buffers) are intended to adapt high impedance sources to lower impedance loads. The source follower is typically. Unlike an opamp buffer, they always have a measurable voltage loss , so gain is. The dc supply voltage, the load. The fet source follower (1) has a. Jfet Source Follower Design.
From itecnotes.com
Electronic How to determine drain and source resistor values for Jfet Source Follower Design Unlike an opamp buffer, they always have a measurable voltage loss , so gain is. The source follower is typically. The source follower is used in the. Source followers (aka buffers) are intended to adapt high impedance sources to lower impedance loads. Instead of grounding the gate as is done in the current source,. The fet source follower (1) has. Jfet Source Follower Design.
From www.chegg.com
3. For the pchannel JFET sourcefollower circuit in Jfet Source Follower Design Unlike an opamp buffer, they always have a measurable voltage loss , so gain is. The dc supply voltage, the load. The source follower is typically. The fet source follower (1) has a very large input impedance, (2) is very simple to bias, and (3) has 1 g v 3. One approach to turn this lower jfet into an active. Jfet Source Follower Design.
From instrumentationlab.berkeley.edu
Lab 4 JFET Circuits I Instrumentation LAB Jfet Source Follower Design Instead of grounding the gate as is done in the current source,. One approach to turn this lower jfet into an active current source was shown in fig. The source follower is typically. The dc supply voltage, the load. Unlike an opamp buffer, they always have a measurable voltage loss , so gain is. Source followers (aka buffers) are intended. Jfet Source Follower Design.
From electronics.stackexchange.com
circuit analysis Output impedance of JFET source follower with Jfet Source Follower Design Source followers (aka buffers) are intended to adapt high impedance sources to lower impedance loads. The fet source follower (1) has a very large input impedance, (2) is very simple to bias, and (3) has 1 g v 3. One approach to turn this lower jfet into an active current source was shown in fig. The source follower is typically.. Jfet Source Follower Design.
From audioxpress.com
An AllJFET Amplifier Exploring Modern JFETs Circuits audioXpress Jfet Source Follower Design The source follower is typically. Unlike an opamp buffer, they always have a measurable voltage loss , so gain is. One approach to turn this lower jfet into an active current source was shown in fig. The source follower is used in the. Instead of grounding the gate as is done in the current source,. The dc supply voltage, the. Jfet Source Follower Design.
From www.radiolocman.com
JFET Follower Amplifier Cancels Distortion Jfet Source Follower Design One approach to turn this lower jfet into an active current source was shown in fig. Source followers (aka buffers) are intended to adapt high impedance sources to lower impedance loads. Unlike an opamp buffer, they always have a measurable voltage loss , so gain is. The dc supply voltage, the load. Instead of grounding the gate as is done. Jfet Source Follower Design.
From www.chegg.com
Solved For the pchannel JFET sourcefollower circuit in Figur Jfet Source Follower Design Unlike an opamp buffer, they always have a measurable voltage loss , so gain is. The source follower is typically. The fet source follower (1) has a very large input impedance, (2) is very simple to bias, and (3) has 1 g v 3. One approach to turn this lower jfet into an active current source was shown in fig.. Jfet Source Follower Design.
From slidetodoc.com
JFET Junction Field Effect Transistor Introduction FET o Jfet Source Follower Design The dc supply voltage, the load. The fet source follower (1) has a very large input impedance, (2) is very simple to bias, and (3) has 1 g v 3. Instead of grounding the gate as is done in the current source,. The source follower is used in the. One approach to turn this lower jfet into an active current. Jfet Source Follower Design.
From instrumentationlab.berkeley.edu
Lab 4 JFET Circuits I Instrumentation LAB Jfet Source Follower Design The source follower is typically. The fet source follower (1) has a very large input impedance, (2) is very simple to bias, and (3) has 1 g v 3. One approach to turn this lower jfet into an active current source was shown in fig. Source followers (aka buffers) are intended to adapt high impedance sources to lower impedance loads.. Jfet Source Follower Design.
From electronics.stackexchange.com
JFET Source follower input impedance Electrical Engineering Stack Jfet Source Follower Design The fet source follower (1) has a very large input impedance, (2) is very simple to bias, and (3) has 1 g v 3. The dc supply voltage, the load. The source follower is used in the. Source followers (aka buffers) are intended to adapt high impedance sources to lower impedance loads. Instead of grounding the gate as is done. Jfet Source Follower Design.
From www.chegg.com
Solved Figure 3 shows a JFET in the sourcefollower Jfet Source Follower Design Unlike an opamp buffer, they always have a measurable voltage loss , so gain is. The source follower is typically. Source followers (aka buffers) are intended to adapt high impedance sources to lower impedance loads. The fet source follower (1) has a very large input impedance, (2) is very simple to bias, and (3) has 1 g v 3. The. Jfet Source Follower Design.
From www.researchgate.net
Schematic of a jot device with a JFET SF and punchthrough reset Jfet Source Follower Design Unlike an opamp buffer, they always have a measurable voltage loss , so gain is. The source follower is typically. The dc supply voltage, the load. One approach to turn this lower jfet into an active current source was shown in fig. Source followers (aka buffers) are intended to adapt high impedance sources to lower impedance loads. The fet source. Jfet Source Follower Design.
From www.theengineeringknowledge.com
Common Source JFET Amplifier The Engineering Knowledge Jfet Source Follower Design Unlike an opamp buffer, they always have a measurable voltage loss , so gain is. The source follower is typically. Source followers (aka buffers) are intended to adapt high impedance sources to lower impedance loads. Instead of grounding the gate as is done in the current source,. The fet source follower (1) has a very large input impedance, (2) is. Jfet Source Follower Design.
From www.chegg.com
Solved JFET SourceFollower Configuration Determine Zi, Z, Jfet Source Follower Design Unlike an opamp buffer, they always have a measurable voltage loss , so gain is. The source follower is typically. Instead of grounding the gate as is done in the current source,. The fet source follower (1) has a very large input impedance, (2) is very simple to bias, and (3) has 1 g v 3. The source follower is. Jfet Source Follower Design.
From www.chegg.com
Solved 1 JFET SourceFollower Configuration 32. Determine Jfet Source Follower Design Instead of grounding the gate as is done in the current source,. One approach to turn this lower jfet into an active current source was shown in fig. Unlike an opamp buffer, they always have a measurable voltage loss , so gain is. The dc supply voltage, the load. Source followers (aka buffers) are intended to adapt high impedance sources. Jfet Source Follower Design.
From www.chegg.com
Solved Question 8 (About JFET SourceFollower Amplifier Jfet Source Follower Design The source follower is used in the. Unlike an opamp buffer, they always have a measurable voltage loss , so gain is. Source followers (aka buffers) are intended to adapt high impedance sources to lower impedance loads. The dc supply voltage, the load. Instead of grounding the gate as is done in the current source,. One approach to turn this. Jfet Source Follower Design.
From instrumentationlab.berkeley.edu
Lab 4 JFET Circuits I Instrumentation LAB Jfet Source Follower Design The dc supply voltage, the load. Instead of grounding the gate as is done in the current source,. The source follower is used in the. The source follower is typically. The fet source follower (1) has a very large input impedance, (2) is very simple to bias, and (3) has 1 g v 3. Source followers (aka buffers) are intended. Jfet Source Follower Design.
From effectpedalkits.com
Electronics Tutorials the JFET (I) Basic concepts Effect Pedal Kits Jfet Source Follower Design The source follower is typically. The source follower is used in the. One approach to turn this lower jfet into an active current source was shown in fig. The fet source follower (1) has a very large input impedance, (2) is very simple to bias, and (3) has 1 g v 3. Source followers (aka buffers) are intended to adapt. Jfet Source Follower Design.
From instrumentationlab.berkeley.edu
Lab 4 JFET Circuits I Instrumentation LAB Jfet Source Follower Design Source followers (aka buffers) are intended to adapt high impedance sources to lower impedance loads. The dc supply voltage, the load. Unlike an opamp buffer, they always have a measurable voltage loss , so gain is. Instead of grounding the gate as is done in the current source,. One approach to turn this lower jfet into an active current source. Jfet Source Follower Design.
From diagramdatasoftball.z14.web.core.windows.net
Source Follower Circuit Diagram Jfet Source Follower Design The dc supply voltage, the load. The source follower is used in the. The fet source follower (1) has a very large input impedance, (2) is very simple to bias, and (3) has 1 g v 3. Unlike an opamp buffer, they always have a measurable voltage loss , so gain is. The source follower is typically. Source followers (aka. Jfet Source Follower Design.
From grindskills.com
JFET source follower input impedance without gate resistor GrindSkills Jfet Source Follower Design The source follower is typically. The source follower is used in the. The fet source follower (1) has a very large input impedance, (2) is very simple to bias, and (3) has 1 g v 3. The dc supply voltage, the load. Instead of grounding the gate as is done in the current source,. One approach to turn this lower. Jfet Source Follower Design.
From www.chegg.com
Solved Figure 4 shows a JFET in the sourcefollower Jfet Source Follower Design Unlike an opamp buffer, they always have a measurable voltage loss , so gain is. The source follower is typically. Source followers (aka buffers) are intended to adapt high impedance sources to lower impedance loads. The source follower is used in the. One approach to turn this lower jfet into an active current source was shown in fig. The fet. Jfet Source Follower Design.
From www.nutsvolts.com
FET Principles And Circuits — Part 2 Nuts & Volts Magazine Jfet Source Follower Design The source follower is used in the. The dc supply voltage, the load. Unlike an opamp buffer, they always have a measurable voltage loss , so gain is. Source followers (aka buffers) are intended to adapt high impedance sources to lower impedance loads. One approach to turn this lower jfet into an active current source was shown in fig. Instead. Jfet Source Follower Design.
From www.seekic.com
30_MΩ_JFET_SOURCE_FOLLOWER Amplifier_Circuit Circuit Diagram Jfet Source Follower Design One approach to turn this lower jfet into an active current source was shown in fig. The fet source follower (1) has a very large input impedance, (2) is very simple to bias, and (3) has 1 g v 3. The dc supply voltage, the load. Unlike an opamp buffer, they always have a measurable voltage loss , so gain. Jfet Source Follower Design.
From www.diyaudio.com
JFET source follower drive strength diyAudio Jfet Source Follower Design Unlike an opamp buffer, they always have a measurable voltage loss , so gain is. The dc supply voltage, the load. The fet source follower (1) has a very large input impedance, (2) is very simple to bias, and (3) has 1 g v 3. The source follower is typically. The source follower is used in the. Instead of grounding. Jfet Source Follower Design.
From www.electroniclinic.com
JFET, Junction Field Effect Transistor, JFET Construction, JFET Operation Jfet Source Follower Design The fet source follower (1) has a very large input impedance, (2) is very simple to bias, and (3) has 1 g v 3. The source follower is typically. Source followers (aka buffers) are intended to adapt high impedance sources to lower impedance loads. Instead of grounding the gate as is done in the current source,. The dc supply voltage,. Jfet Source Follower Design.
From www.chegg.com
Solved Draw a JFET source follower and explain how it works. Jfet Source Follower Design The fet source follower (1) has a very large input impedance, (2) is very simple to bias, and (3) has 1 g v 3. The source follower is used in the. The source follower is typically. One approach to turn this lower jfet into an active current source was shown in fig. The dc supply voltage, the load. Source followers. Jfet Source Follower Design.