Johnson Outboard Gear Oil Type . Recommended for use in honda, mercury, suzuki, yamaha, and evinrude/johnson. Learn what gear oil to use for your outboard lower unit from various contributors on a boat forum. This is a oem part, not aftermarket. Find out what tools and oil you need, how to. This is how to change the lower unit gear oil in an evinrude or johnson outboard. This is a brand new 32oz. We haven't checked or changed the lower unit gear. Johnson/evinrude xps gear lube is an exceptional heavy duty gearcase oil. You put it in the bottom plug till it comes out the top. Sae 80w90, 85w115, gl5 rated.
from www.walmart.com
Find out what tools and oil you need, how to. This is a brand new 32oz. You put it in the bottom plug till it comes out the top. This is how to change the lower unit gear oil in an evinrude or johnson outboard. Sae 80w90, 85w115, gl5 rated. Recommended for use in honda, mercury, suzuki, yamaha, and evinrude/johnson. Learn what gear oil to use for your outboard lower unit from various contributors on a boat forum. This is a oem part, not aftermarket. We haven't checked or changed the lower unit gear. Johnson/evinrude xps gear lube is an exceptional heavy duty gearcase oil.
Johnson/Evinrude/OMC New OEM GEAR LUBE, PREMIUM BLEND 32OZ OIL 0775609
Johnson Outboard Gear Oil Type We haven't checked or changed the lower unit gear. Recommended for use in honda, mercury, suzuki, yamaha, and evinrude/johnson. This is a brand new 32oz. This is how to change the lower unit gear oil in an evinrude or johnson outboard. This is a oem part, not aftermarket. We haven't checked or changed the lower unit gear. Johnson/evinrude xps gear lube is an exceptional heavy duty gearcase oil. Find out what tools and oil you need, how to. Sae 80w90, 85w115, gl5 rated. Learn what gear oil to use for your outboard lower unit from various contributors on a boat forum. You put it in the bottom plug till it comes out the top.
From klaxcqppx.blob.core.windows.net
Gear Lube Engine Oil at Evelyn Johnson blog Johnson Outboard Gear Oil Type Recommended for use in honda, mercury, suzuki, yamaha, and evinrude/johnson. This is a brand new 32oz. This is a oem part, not aftermarket. We haven't checked or changed the lower unit gear. Sae 80w90, 85w115, gl5 rated. Learn what gear oil to use for your outboard lower unit from various contributors on a boat forum. You put it in the. Johnson Outboard Gear Oil Type.
From www.reddit.com
AMSoil marine 2stroke injector oil and gear lube for 1985 Johnson 30hp Johnson Outboard Gear Oil Type This is a oem part, not aftermarket. We haven't checked or changed the lower unit gear. This is a brand new 32oz. Find out what tools and oil you need, how to. Learn what gear oil to use for your outboard lower unit from various contributors on a boat forum. Recommended for use in honda, mercury, suzuki, yamaha, and evinrude/johnson.. Johnson Outboard Gear Oil Type.
From klatqozdp.blob.core.windows.net
Changing Gearbox Oil Yamaha Outboard at Timothy Tharpe blog Johnson Outboard Gear Oil Type Learn what gear oil to use for your outboard lower unit from various contributors on a boat forum. Recommended for use in honda, mercury, suzuki, yamaha, and evinrude/johnson. Johnson/evinrude xps gear lube is an exceptional heavy duty gearcase oil. This is how to change the lower unit gear oil in an evinrude or johnson outboard. You put it in the. Johnson Outboard Gear Oil Type.
From www.walmart.com
Johnson/Evinrude/OMC Cobra OE HIVIS GEAR LUBE GEARCASE OIL 32OZ Johnson Outboard Gear Oil Type This is a brand new 32oz. Johnson/evinrude xps gear lube is an exceptional heavy duty gearcase oil. Recommended for use in honda, mercury, suzuki, yamaha, and evinrude/johnson. Learn what gear oil to use for your outboard lower unit from various contributors on a boat forum. Sae 80w90, 85w115, gl5 rated. This is a oem part, not aftermarket. Find out what. Johnson Outboard Gear Oil Type.
From boatingwise.com
Yamaha Outboard Oil Capacity Chart (Engine + Lower Unit) BoatingWise Johnson Outboard Gear Oil Type This is a oem part, not aftermarket. This is how to change the lower unit gear oil in an evinrude or johnson outboard. This is a brand new 32oz. Johnson/evinrude xps gear lube is an exceptional heavy duty gearcase oil. We haven't checked or changed the lower unit gear. Recommended for use in honda, mercury, suzuki, yamaha, and evinrude/johnson. Find. Johnson Outboard Gear Oil Type.
From www.youtube.com
How to add or refill your Trim and tilt fluid on an outboard. YouTube Johnson Outboard Gear Oil Type Johnson/evinrude xps gear lube is an exceptional heavy duty gearcase oil. Sae 80w90, 85w115, gl5 rated. This is a oem part, not aftermarket. We haven't checked or changed the lower unit gear. Recommended for use in honda, mercury, suzuki, yamaha, and evinrude/johnson. This is a brand new 32oz. This is how to change the lower unit gear oil in an. Johnson Outboard Gear Oil Type.
From exyenrtll.blob.core.windows.net
What Gear Oil For Outboard at Keith Phillips blog Johnson Outboard Gear Oil Type Recommended for use in honda, mercury, suzuki, yamaha, and evinrude/johnson. We haven't checked or changed the lower unit gear. Learn what gear oil to use for your outboard lower unit from various contributors on a boat forum. Find out what tools and oil you need, how to. You put it in the bottom plug till it comes out the top.. Johnson Outboard Gear Oil Type.
From www.bobistheoilguy.com
Outboard Lower Unit gear oil 80w90 Bob Is The Oil Guy Johnson Outboard Gear Oil Type Recommended for use in honda, mercury, suzuki, yamaha, and evinrude/johnson. Johnson/evinrude xps gear lube is an exceptional heavy duty gearcase oil. This is a brand new 32oz. Sae 80w90, 85w115, gl5 rated. You put it in the bottom plug till it comes out the top. Learn what gear oil to use for your outboard lower unit from various contributors on. Johnson Outboard Gear Oil Type.
From www.youtube.com
How to change lower unit gear oil for outboard (step by step, tips and Johnson Outboard Gear Oil Type Johnson/evinrude xps gear lube is an exceptional heavy duty gearcase oil. Recommended for use in honda, mercury, suzuki, yamaha, and evinrude/johnson. Sae 80w90, 85w115, gl5 rated. This is a oem part, not aftermarket. Find out what tools and oil you need, how to. You put it in the bottom plug till it comes out the top. This is how to. Johnson Outboard Gear Oil Type.
From www.aomci.org
Topic Johnson 5.5 leaking gear oil Antique Outboard Motor Club,Inc Johnson Outboard Gear Oil Type Find out what tools and oil you need, how to. Sae 80w90, 85w115, gl5 rated. This is how to change the lower unit gear oil in an evinrude or johnson outboard. This is a oem part, not aftermarket. Learn what gear oil to use for your outboard lower unit from various contributors on a boat forum. We haven't checked or. Johnson Outboard Gear Oil Type.
From fyooyfpte.blob.core.windows.net
How To Change Gear Oil In Outboard Motor at Joseph Obrien blog Johnson Outboard Gear Oil Type Johnson/evinrude xps gear lube is an exceptional heavy duty gearcase oil. This is how to change the lower unit gear oil in an evinrude or johnson outboard. This is a oem part, not aftermarket. We haven't checked or changed the lower unit gear. Sae 80w90, 85w115, gl5 rated. Recommended for use in honda, mercury, suzuki, yamaha, and evinrude/johnson. You put. Johnson Outboard Gear Oil Type.
From fueloildzukerage.blogspot.com
Fuel Oil Johnson Outboard Fuel Oil Mix Ratio Johnson Outboard Gear Oil Type Recommended for use in honda, mercury, suzuki, yamaha, and evinrude/johnson. Find out what tools and oil you need, how to. Johnson/evinrude xps gear lube is an exceptional heavy duty gearcase oil. You put it in the bottom plug till it comes out the top. Learn what gear oil to use for your outboard lower unit from various contributors on a. Johnson Outboard Gear Oil Type.
From www.youtube.com
How to Change Gear Lube on an Inboard/Outboard Motor YouTube Johnson Outboard Gear Oil Type This is a brand new 32oz. Sae 80w90, 85w115, gl5 rated. We haven't checked or changed the lower unit gear. This is a oem part, not aftermarket. Johnson/evinrude xps gear lube is an exceptional heavy duty gearcase oil. You put it in the bottom plug till it comes out the top. Learn what gear oil to use for your outboard. Johnson Outboard Gear Oil Type.
From klagibbuw.blob.core.windows.net
How Much Gear Oil In Outboard at Elizabeth Hamblin blog Johnson Outboard Gear Oil Type Recommended for use in honda, mercury, suzuki, yamaha, and evinrude/johnson. Find out what tools and oil you need, how to. This is how to change the lower unit gear oil in an evinrude or johnson outboard. You put it in the bottom plug till it comes out the top. We haven't checked or changed the lower unit gear. Johnson/evinrude xps. Johnson Outboard Gear Oil Type.
From marineengineering.netlify.app
Yamaha outboard gear oil type Johnson Outboard Gear Oil Type This is how to change the lower unit gear oil in an evinrude or johnson outboard. You put it in the bottom plug till it comes out the top. Recommended for use in honda, mercury, suzuki, yamaha, and evinrude/johnson. This is a oem part, not aftermarket. We haven't checked or changed the lower unit gear. Learn what gear oil to. Johnson Outboard Gear Oil Type.
From klaxcqppx.blob.core.windows.net
Gear Lube Engine Oil at Evelyn Johnson blog Johnson Outboard Gear Oil Type This is a oem part, not aftermarket. Find out what tools and oil you need, how to. You put it in the bottom plug till it comes out the top. We haven't checked or changed the lower unit gear. Learn what gear oil to use for your outboard lower unit from various contributors on a boat forum. Sae 80w90, 85w115,. Johnson Outboard Gear Oil Type.
From www.boats.com
The Outboard Expert Outboard Oil Facts and Myths Johnson Outboard Gear Oil Type Sae 80w90, 85w115, gl5 rated. Find out what tools and oil you need, how to. Learn what gear oil to use for your outboard lower unit from various contributors on a boat forum. We haven't checked or changed the lower unit gear. This is a oem part, not aftermarket. Recommended for use in honda, mercury, suzuki, yamaha, and evinrude/johnson. This. Johnson Outboard Gear Oil Type.
From www.reddit.com
AMSoil marine 2stroke injector oil and gear lube for 1985 Johnson 30hp Johnson Outboard Gear Oil Type Find out what tools and oil you need, how to. Johnson/evinrude xps gear lube is an exceptional heavy duty gearcase oil. Recommended for use in honda, mercury, suzuki, yamaha, and evinrude/johnson. This is how to change the lower unit gear oil in an evinrude or johnson outboard. You put it in the bottom plug till it comes out the top.. Johnson Outboard Gear Oil Type.
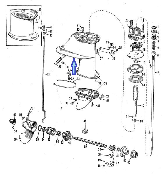
From www.sterndrive.info
V4V6 Johnson outboard lower unit parts drawing Johnson Outboard Gear Oil Type Find out what tools and oil you need, how to. Learn what gear oil to use for your outboard lower unit from various contributors on a boat forum. This is how to change the lower unit gear oil in an evinrude or johnson outboard. This is a oem part, not aftermarket. Johnson/evinrude xps gear lube is an exceptional heavy duty. Johnson Outboard Gear Oil Type.
From userlistoffensives.z14.web.core.windows.net
Evinrude Outboard Lower Unit Oil Johnson Outboard Gear Oil Type Recommended for use in honda, mercury, suzuki, yamaha, and evinrude/johnson. Find out what tools and oil you need, how to. We haven't checked or changed the lower unit gear. Johnson/evinrude xps gear lube is an exceptional heavy duty gearcase oil. This is a oem part, not aftermarket. Learn what gear oil to use for your outboard lower unit from various. Johnson Outboard Gear Oil Type.
From business.walmart.com
STAR BRITE PRO Star Premium Type C Lower Unit Gear Lube High Johnson Outboard Gear Oil Type Johnson/evinrude xps gear lube is an exceptional heavy duty gearcase oil. Find out what tools and oil you need, how to. We haven't checked or changed the lower unit gear. You put it in the bottom plug till it comes out the top. Recommended for use in honda, mercury, suzuki, yamaha, and evinrude/johnson. Learn what gear oil to use for. Johnson Outboard Gear Oil Type.
From circuitdiagrampoas.z5.web.core.windows.net
Johnson 25 Hp Outboard Parts Diagram Johnson Outboard Gear Oil Type This is a brand new 32oz. Recommended for use in honda, mercury, suzuki, yamaha, and evinrude/johnson. You put it in the bottom plug till it comes out the top. We haven't checked or changed the lower unit gear. Find out what tools and oil you need, how to. Sae 80w90, 85w115, gl5 rated. Johnson/evinrude xps gear lube is an exceptional. Johnson Outboard Gear Oil Type.
From www.youtube.com
JOHNSON 15hp HOW TO Change the LOWER UNIT OIL in your outboard engine Johnson Outboard Gear Oil Type Find out what tools and oil you need, how to. We haven't checked or changed the lower unit gear. Learn what gear oil to use for your outboard lower unit from various contributors on a boat forum. Recommended for use in honda, mercury, suzuki, yamaha, and evinrude/johnson. This is a oem part, not aftermarket. This is a brand new 32oz.. Johnson Outboard Gear Oil Type.
From www.youtube.com
Johnson Seahorse 4hp Twin Cylinder Outboard YouTube Johnson Outboard Gear Oil Type Learn what gear oil to use for your outboard lower unit from various contributors on a boat forum. This is a oem part, not aftermarket. Recommended for use in honda, mercury, suzuki, yamaha, and evinrude/johnson. We haven't checked or changed the lower unit gear. Sae 80w90, 85w115, gl5 rated. Johnson/evinrude xps gear lube is an exceptional heavy duty gearcase oil.. Johnson Outboard Gear Oil Type.
From www.walmart.com
Johnson/Evinrude/OMC HPF PRO Gearcase Gear Oil Lube Qt Kit & Pump Johnson Outboard Gear Oil Type You put it in the bottom plug till it comes out the top. Sae 80w90, 85w115, gl5 rated. This is a brand new 32oz. This is a oem part, not aftermarket. This is how to change the lower unit gear oil in an evinrude or johnson outboard. Recommended for use in honda, mercury, suzuki, yamaha, and evinrude/johnson. We haven't checked. Johnson Outboard Gear Oil Type.
From www.ebay.com
5006558 Evinrude Johnson ETec Outboard 40 50 60 HP 20" Lower Unit Gear Johnson Outboard Gear Oil Type You put it in the bottom plug till it comes out the top. We haven't checked or changed the lower unit gear. Find out what tools and oil you need, how to. Learn what gear oil to use for your outboard lower unit from various contributors on a boat forum. This is a brand new 32oz. This is how to. Johnson Outboard Gear Oil Type.
From marineengineering.netlify.app
Yamaha outboard gear oil type Johnson Outboard Gear Oil Type Johnson/evinrude xps gear lube is an exceptional heavy duty gearcase oil. Find out what tools and oil you need, how to. This is how to change the lower unit gear oil in an evinrude or johnson outboard. Recommended for use in honda, mercury, suzuki, yamaha, and evinrude/johnson. You put it in the bottom plug till it comes out the top.. Johnson Outboard Gear Oil Type.
From manualappraisers.z14.web.core.windows.net
Evinrude Gear Oil Change Johnson Outboard Gear Oil Type Sae 80w90, 85w115, gl5 rated. Find out what tools and oil you need, how to. We haven't checked or changed the lower unit gear. You put it in the bottom plug till it comes out the top. This is a oem part, not aftermarket. This is a brand new 32oz. Learn what gear oil to use for your outboard lower. Johnson Outboard Gear Oil Type.
From www.reddit.com
Hydrofoil worth installing? '78 15HP Johnson r/Outboards Johnson Outboard Gear Oil Type You put it in the bottom plug till it comes out the top. Sae 80w90, 85w115, gl5 rated. Johnson/evinrude xps gear lube is an exceptional heavy duty gearcase oil. Learn what gear oil to use for your outboard lower unit from various contributors on a boat forum. This is a brand new 32oz. This is a oem part, not aftermarket.. Johnson Outboard Gear Oil Type.
From www.youtube.com
Lower Unit Gear Oil Change 1982 Johnson Outboard YouTube Johnson Outboard Gear Oil Type You put it in the bottom plug till it comes out the top. This is how to change the lower unit gear oil in an evinrude or johnson outboard. This is a brand new 32oz. Find out what tools and oil you need, how to. Johnson/evinrude xps gear lube is an exceptional heavy duty gearcase oil. Learn what gear oil. Johnson Outboard Gear Oil Type.
From www.walmart.com
STAR BRITE PRO Star Premium Type C Lower Unit Gear Lube High Johnson Outboard Gear Oil Type Johnson/evinrude xps gear lube is an exceptional heavy duty gearcase oil. Sae 80w90, 85w115, gl5 rated. Recommended for use in honda, mercury, suzuki, yamaha, and evinrude/johnson. You put it in the bottom plug till it comes out the top. We haven't checked or changed the lower unit gear. This is how to change the lower unit gear oil in an. Johnson Outboard Gear Oil Type.
From www.walmart.com
Johnson/Evinrude/OMC New OEM GEAR LUBE, PREMIUM BLEND 32OZ OIL 0775609 Johnson Outboard Gear Oil Type You put it in the bottom plug till it comes out the top. Sae 80w90, 85w115, gl5 rated. Learn what gear oil to use for your outboard lower unit from various contributors on a boat forum. Johnson/evinrude xps gear lube is an exceptional heavy duty gearcase oil. This is a brand new 32oz. This is how to change the lower. Johnson Outboard Gear Oil Type.
From www.boats.net
How to Rebuild Johnson 6HP Outboard Water Pump Johnson Outboard Gear Oil Type Johnson/evinrude xps gear lube is an exceptional heavy duty gearcase oil. This is how to change the lower unit gear oil in an evinrude or johnson outboard. This is a brand new 32oz. Recommended for use in honda, mercury, suzuki, yamaha, and evinrude/johnson. You put it in the bottom plug till it comes out the top. Sae 80w90, 85w115, gl5. Johnson Outboard Gear Oil Type.
From marine-products.com
Evinrude Johnson HPF PRO Gearcase Lubricant 32oz 0778755 — Marine Products Johnson Outboard Gear Oil Type Sae 80w90, 85w115, gl5 rated. Find out what tools and oil you need, how to. Johnson/evinrude xps gear lube is an exceptional heavy duty gearcase oil. This is how to change the lower unit gear oil in an evinrude or johnson outboard. This is a brand new 32oz. Recommended for use in honda, mercury, suzuki, yamaha, and evinrude/johnson. This is. Johnson Outboard Gear Oil Type.
From greenbayprop.com
775609 Evinrude Johnson Outboard Premium Blend Gearcase Gear Lube Oil Johnson Outboard Gear Oil Type Johnson/evinrude xps gear lube is an exceptional heavy duty gearcase oil. This is a oem part, not aftermarket. Learn what gear oil to use for your outboard lower unit from various contributors on a boat forum. You put it in the bottom plug till it comes out the top. This is how to change the lower unit gear oil in. Johnson Outboard Gear Oil Type.