Standard Header Pin Dimensions . we also define headers by the spacing (pitch) between connections, with 2.54mm (.1in) being typical. a through hole header has five main dimensions. uncover the pivotal role of pin headers in electronic devices, from their fundamental functionality to their impact on signal transmission. For.025 square posts, i usually specified.040 finished hole size (size after plating). measuring pin headers involves determining key physical dimensions such as pin pitch, pin length, and overall dimensions. common pitch measurements are 2.54mm (0.1 inch), 2.0mm (0.079 inch), and 1.27mm (0.05 inch), but there are many other options available. the pins in the common 0.1 post headers are.025 square. Pitch between pins, size of the pin, length of the bottom side, length of the post,. this guide will provide a comprehensive look at what header pins are, connecting pins, header pin dimensions and pin header sizes, male to female headers, what is a.
from www.futurlec.com
a through hole header has five main dimensions. we also define headers by the spacing (pitch) between connections, with 2.54mm (.1in) being typical. Pitch between pins, size of the pin, length of the bottom side, length of the post,. common pitch measurements are 2.54mm (0.1 inch), 2.0mm (0.079 inch), and 1.27mm (0.05 inch), but there are many other options available. measuring pin headers involves determining key physical dimensions such as pin pitch, pin length, and overall dimensions. the pins in the common 0.1 post headers are.025 square. this guide will provide a comprehensive look at what header pins are, connecting pins, header pin dimensions and pin header sizes, male to female headers, what is a. For.025 square posts, i usually specified.040 finished hole size (size after plating). uncover the pivotal role of pin headers in electronic devices, from their fundamental functionality to their impact on signal transmission.
14 Pin Shrouded Right Angle Male IDC Header Technical Data
Standard Header Pin Dimensions For.025 square posts, i usually specified.040 finished hole size (size after plating). the pins in the common 0.1 post headers are.025 square. Pitch between pins, size of the pin, length of the bottom side, length of the post,. uncover the pivotal role of pin headers in electronic devices, from their fundamental functionality to their impact on signal transmission. measuring pin headers involves determining key physical dimensions such as pin pitch, pin length, and overall dimensions. common pitch measurements are 2.54mm (0.1 inch), 2.0mm (0.079 inch), and 1.27mm (0.05 inch), but there are many other options available. we also define headers by the spacing (pitch) between connections, with 2.54mm (.1in) being typical. For.025 square posts, i usually specified.040 finished hole size (size after plating). a through hole header has five main dimensions. this guide will provide a comprehensive look at what header pins are, connecting pins, header pin dimensions and pin header sizes, male to female headers, what is a.
From www.futurlec.com
40 Pin .100" Straight Female Headers Technical Data Standard Header Pin Dimensions measuring pin headers involves determining key physical dimensions such as pin pitch, pin length, and overall dimensions. uncover the pivotal role of pin headers in electronic devices, from their fundamental functionality to their impact on signal transmission. common pitch measurements are 2.54mm (0.1 inch), 2.0mm (0.079 inch), and 1.27mm (0.05 inch), but there are many other options. Standard Header Pin Dimensions.
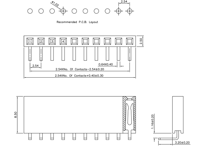
From protectron.in
2.54mm Pitch Pin Header Surface Mount Double Row P9105 Protectron Standard Header Pin Dimensions a through hole header has five main dimensions. measuring pin headers involves determining key physical dimensions such as pin pitch, pin length, and overall dimensions. common pitch measurements are 2.54mm (0.1 inch), 2.0mm (0.079 inch), and 1.27mm (0.05 inch), but there are many other options available. uncover the pivotal role of pin headers in electronic devices,. Standard Header Pin Dimensions.
From core-electronics.com.au
0.100" (2.54 mm) Female Header 2x16Pin, Straight POLOLU1032 Core Standard Header Pin Dimensions we also define headers by the spacing (pitch) between connections, with 2.54mm (.1in) being typical. Pitch between pins, size of the pin, length of the bottom side, length of the post,. the pins in the common 0.1 post headers are.025 square. uncover the pivotal role of pin headers in electronic devices, from their fundamental functionality to their. Standard Header Pin Dimensions.
From www.futurlec.com
50 Pin Shrouded Male IDC Headers with Latch Technical Data Standard Header Pin Dimensions uncover the pivotal role of pin headers in electronic devices, from their fundamental functionality to their impact on signal transmission. Pitch between pins, size of the pin, length of the bottom side, length of the post,. measuring pin headers involves determining key physical dimensions such as pin pitch, pin length, and overall dimensions. the pins in the. Standard Header Pin Dimensions.
From www.youtube.com
34강_Pin Header Dual Row 2x16, 2.54mm pitch Footprint를 생성하기 위한 Standard Header Pin Dimensions Pitch between pins, size of the pin, length of the bottom side, length of the post,. For.025 square posts, i usually specified.040 finished hole size (size after plating). uncover the pivotal role of pin headers in electronic devices, from their fundamental functionality to their impact on signal transmission. we also define headers by the spacing (pitch) between connections,. Standard Header Pin Dimensions.
From www.robotgear.com.au
0.100" (2.54 mm) Female Header 1x9Pin, RightAngle Standard Header Pin Dimensions we also define headers by the spacing (pitch) between connections, with 2.54mm (.1in) being typical. measuring pin headers involves determining key physical dimensions such as pin pitch, pin length, and overall dimensions. For.025 square posts, i usually specified.040 finished hole size (size after plating). Pitch between pins, size of the pin, length of the bottom side, length of. Standard Header Pin Dimensions.
From www.ismolex.com
2.54mm Rightangle Pin Header connectors Smolex Standard Header Pin Dimensions a through hole header has five main dimensions. Pitch between pins, size of the pin, length of the bottom side, length of the post,. this guide will provide a comprehensive look at what header pins are, connecting pins, header pin dimensions and pin header sizes, male to female headers, what is a. For.025 square posts, i usually specified.040. Standard Header Pin Dimensions.
From www.sunrom.com
16 pin Box Header, Straight [6114] Sunrom Electronics Standard Header Pin Dimensions we also define headers by the spacing (pitch) between connections, with 2.54mm (.1in) being typical. For.025 square posts, i usually specified.040 finished hole size (size after plating). measuring pin headers involves determining key physical dimensions such as pin pitch, pin length, and overall dimensions. a through hole header has five main dimensions. common pitch measurements are. Standard Header Pin Dimensions.
From naylampmechatronics.com
Header hembra 40 pin Standard Header Pin Dimensions uncover the pivotal role of pin headers in electronic devices, from their fundamental functionality to their impact on signal transmission. common pitch measurements are 2.54mm (0.1 inch), 2.0mm (0.079 inch), and 1.27mm (0.05 inch), but there are many other options available. we also define headers by the spacing (pitch) between connections, with 2.54mm (.1in) being typical. . Standard Header Pin Dimensions.
From www.ismolex.com
2.0mm Straight Pin Header Connectors Smolex Standard Header Pin Dimensions uncover the pivotal role of pin headers in electronic devices, from their fundamental functionality to their impact on signal transmission. the pins in the common 0.1 post headers are.025 square. For.025 square posts, i usually specified.040 finished hole size (size after plating). Pitch between pins, size of the pin, length of the bottom side, length of the post,.. Standard Header Pin Dimensions.
From www.ismolex.com
2.54mm Rightangle Pin Header connectors Smolex Standard Header Pin Dimensions the pins in the common 0.1 post headers are.025 square. a through hole header has five main dimensions. uncover the pivotal role of pin headers in electronic devices, from their fundamental functionality to their impact on signal transmission. For.025 square posts, i usually specified.040 finished hole size (size after plating). common pitch measurements are 2.54mm (0.1. Standard Header Pin Dimensions.
From protectron.in
2.54mm Pitch Pin Header Double Row (Straight) P9103 Protectron Standard Header Pin Dimensions For.025 square posts, i usually specified.040 finished hole size (size after plating). we also define headers by the spacing (pitch) between connections, with 2.54mm (.1in) being typical. uncover the pivotal role of pin headers in electronic devices, from their fundamental functionality to their impact on signal transmission. this guide will provide a comprehensive look at what header. Standard Header Pin Dimensions.
From www.ismolex.com
2.54mm Rightangle Female Header Connectors Smolex Standard Header Pin Dimensions a through hole header has five main dimensions. For.025 square posts, i usually specified.040 finished hole size (size after plating). common pitch measurements are 2.54mm (0.1 inch), 2.0mm (0.079 inch), and 1.27mm (0.05 inch), but there are many other options available. this guide will provide a comprehensive look at what header pins are, connecting pins, header pin. Standard Header Pin Dimensions.
From ozzmaker.com
10 Pack of 40 Pin Male Headers 2.54 Pitch Breakable Standard Header Pin Dimensions measuring pin headers involves determining key physical dimensions such as pin pitch, pin length, and overall dimensions. the pins in the common 0.1 post headers are.025 square. Pitch between pins, size of the pin, length of the bottom side, length of the post,. a through hole header has five main dimensions. we also define headers by. Standard Header Pin Dimensions.
From www.futurlec.com
8 Pin .100" Right Angle Double Row Female Header Data Standard Header Pin Dimensions uncover the pivotal role of pin headers in electronic devices, from their fundamental functionality to their impact on signal transmission. we also define headers by the spacing (pitch) between connections, with 2.54mm (.1in) being typical. For.025 square posts, i usually specified.040 finished hole size (size after plating). this guide will provide a comprehensive look at what header. Standard Header Pin Dimensions.
From www.sunrom.com
14 pin Box Header, Right Angle [7110] Sunrom Electronics Standard Header Pin Dimensions we also define headers by the spacing (pitch) between connections, with 2.54mm (.1in) being typical. measuring pin headers involves determining key physical dimensions such as pin pitch, pin length, and overall dimensions. common pitch measurements are 2.54mm (0.1 inch), 2.0mm (0.079 inch), and 1.27mm (0.05 inch), but there are many other options available. Pitch between pins, size. Standard Header Pin Dimensions.
From www.shenzhen2u.com
Break Away Headers Machine Pin(Swiss Round Pin) Standard Header Pin Dimensions measuring pin headers involves determining key physical dimensions such as pin pitch, pin length, and overall dimensions. uncover the pivotal role of pin headers in electronic devices, from their fundamental functionality to their impact on signal transmission. we also define headers by the spacing (pitch) between connections, with 2.54mm (.1in) being typical. a through hole header. Standard Header Pin Dimensions.
From www.ismolex.com
1.27mm Rightangle Female Header Connectors Smolex Standard Header Pin Dimensions this guide will provide a comprehensive look at what header pins are, connecting pins, header pin dimensions and pin header sizes, male to female headers, what is a. the pins in the common 0.1 post headers are.025 square. uncover the pivotal role of pin headers in electronic devices, from their fundamental functionality to their impact on signal. Standard Header Pin Dimensions.
From www.robot-domestici.it
Stackable 0.100 (inches) Female Header Set for Arduino Shields Standard Header Pin Dimensions measuring pin headers involves determining key physical dimensions such as pin pitch, pin length, and overall dimensions. uncover the pivotal role of pin headers in electronic devices, from their fundamental functionality to their impact on signal transmission. this guide will provide a comprehensive look at what header pins are, connecting pins, header pin dimensions and pin header. Standard Header Pin Dimensions.
From www.audiophonics.fr
2.54mm Male Pin Header 2x10 Pins 5.5mm Rounded (Unit) Audiophonics Standard Header Pin Dimensions measuring pin headers involves determining key physical dimensions such as pin pitch, pin length, and overall dimensions. we also define headers by the spacing (pitch) between connections, with 2.54mm (.1in) being typical. Pitch between pins, size of the pin, length of the bottom side, length of the post,. a through hole header has five main dimensions. For.025. Standard Header Pin Dimensions.
From www.futurlec.com
8 Pin .100" Right Angle Male Headers Technical Data Standard Header Pin Dimensions Pitch between pins, size of the pin, length of the bottom side, length of the post,. we also define headers by the spacing (pitch) between connections, with 2.54mm (.1in) being typical. For.025 square posts, i usually specified.040 finished hole size (size after plating). measuring pin headers involves determining key physical dimensions such as pin pitch, pin length, and. Standard Header Pin Dimensions.
From core-electronics.com.au
Male Pin Header 2.54mm (1x40) Core Electronics Australia Standard Header Pin Dimensions uncover the pivotal role of pin headers in electronic devices, from their fundamental functionality to their impact on signal transmission. For.025 square posts, i usually specified.040 finished hole size (size after plating). we also define headers by the spacing (pitch) between connections, with 2.54mm (.1in) being typical. the pins in the common 0.1 post headers are.025 square.. Standard Header Pin Dimensions.
From www.futurlec.com
4 Pin .100" Straight Male Headers Technical Data Standard Header Pin Dimensions a through hole header has five main dimensions. measuring pin headers involves determining key physical dimensions such as pin pitch, pin length, and overall dimensions. For.025 square posts, i usually specified.040 finished hole size (size after plating). common pitch measurements are 2.54mm (0.1 inch), 2.0mm (0.079 inch), and 1.27mm (0.05 inch), but there are many other options. Standard Header Pin Dimensions.
From riverdi.com
Header Pins in Electronics Comprehensive FAQ for Home Appliances and Standard Header Pin Dimensions For.025 square posts, i usually specified.040 finished hole size (size after plating). uncover the pivotal role of pin headers in electronic devices, from their fundamental functionality to their impact on signal transmission. common pitch measurements are 2.54mm (0.1 inch), 2.0mm (0.079 inch), and 1.27mm (0.05 inch), but there are many other options available. this guide will provide. Standard Header Pin Dimensions.
From www.ismolex.com
2.0mm Rightangle Pin Header Connectors Smolex Standard Header Pin Dimensions measuring pin headers involves determining key physical dimensions such as pin pitch, pin length, and overall dimensions. common pitch measurements are 2.54mm (0.1 inch), 2.0mm (0.079 inch), and 1.27mm (0.05 inch), but there are many other options available. we also define headers by the spacing (pitch) between connections, with 2.54mm (.1in) being typical. Pitch between pins, size. Standard Header Pin Dimensions.
From www.futurlec.com
34 Pin .100" Straight Male Double Row Headers Technical Data Standard Header Pin Dimensions For.025 square posts, i usually specified.040 finished hole size (size after plating). the pins in the common 0.1 post headers are.025 square. uncover the pivotal role of pin headers in electronic devices, from their fundamental functionality to their impact on signal transmission. measuring pin headers involves determining key physical dimensions such as pin pitch, pin length, and. Standard Header Pin Dimensions.
From ceeguhbp.blob.core.windows.net
Pin Header Size at Sidney Willis blog Standard Header Pin Dimensions the pins in the common 0.1 post headers are.025 square. uncover the pivotal role of pin headers in electronic devices, from their fundamental functionality to their impact on signal transmission. Pitch between pins, size of the pin, length of the bottom side, length of the post,. common pitch measurements are 2.54mm (0.1 inch), 2.0mm (0.079 inch), and. Standard Header Pin Dimensions.
From www.futurlec.com
20 Pin .100" Right Angle Male Double Row Header Data Standard Header Pin Dimensions measuring pin headers involves determining key physical dimensions such as pin pitch, pin length, and overall dimensions. uncover the pivotal role of pin headers in electronic devices, from their fundamental functionality to their impact on signal transmission. the pins in the common 0.1 post headers are.025 square. we also define headers by the spacing (pitch) between. Standard Header Pin Dimensions.
From protosupplies.com
Header Machined Round Pin Male 1x40 Breakaway Gold ProtoSupplies Standard Header Pin Dimensions measuring pin headers involves determining key physical dimensions such as pin pitch, pin length, and overall dimensions. Pitch between pins, size of the pin, length of the bottom side, length of the post,. we also define headers by the spacing (pitch) between connections, with 2.54mm (.1in) being typical. this guide will provide a comprehensive look at what. Standard Header Pin Dimensions.
From www.jbl-ec.com
Custom 2 Row Pin Header 1.0mm Pitch DIP Through Hole Right Angle Standard Header Pin Dimensions Pitch between pins, size of the pin, length of the bottom side, length of the post,. For.025 square posts, i usually specified.040 finished hole size (size after plating). common pitch measurements are 2.54mm (0.1 inch), 2.0mm (0.079 inch), and 1.27mm (0.05 inch), but there are many other options available. a through hole header has five main dimensions. . Standard Header Pin Dimensions.
From www.futurlec.com
14 Pin Shrouded Right Angle Male IDC Header Technical Data Standard Header Pin Dimensions this guide will provide a comprehensive look at what header pins are, connecting pins, header pin dimensions and pin header sizes, male to female headers, what is a. common pitch measurements are 2.54mm (0.1 inch), 2.0mm (0.079 inch), and 1.27mm (0.05 inch), but there are many other options available. the pins in the common 0.1 post headers. Standard Header Pin Dimensions.
From core-electronics.com.au
Stackable Header Pins 2.54mm (1x20) Core Electronics Australia Standard Header Pin Dimensions a through hole header has five main dimensions. measuring pin headers involves determining key physical dimensions such as pin pitch, pin length, and overall dimensions. this guide will provide a comprehensive look at what header pins are, connecting pins, header pin dimensions and pin header sizes, male to female headers, what is a. Pitch between pins, size. Standard Header Pin Dimensions.
From www.robotgear.com.au
0.100" (2.54 mm) LowProfile Male Header 2×7Pin, 8.75 mm Standard Header Pin Dimensions common pitch measurements are 2.54mm (0.1 inch), 2.0mm (0.079 inch), and 1.27mm (0.05 inch), but there are many other options available. For.025 square posts, i usually specified.040 finished hole size (size after plating). we also define headers by the spacing (pitch) between connections, with 2.54mm (.1in) being typical. measuring pin headers involves determining key physical dimensions such. Standard Header Pin Dimensions.
From www.crystalfontz.com
36Pin 0.1" Header Pins from Crystalfontz Standard Header Pin Dimensions For.025 square posts, i usually specified.040 finished hole size (size after plating). Pitch between pins, size of the pin, length of the bottom side, length of the post,. a through hole header has five main dimensions. uncover the pivotal role of pin headers in electronic devices, from their fundamental functionality to their impact on signal transmission. common. Standard Header Pin Dimensions.
From www.ismolex.com
1.27mm Straight Pin Header Connectors Through hole Smolex Standard Header Pin Dimensions this guide will provide a comprehensive look at what header pins are, connecting pins, header pin dimensions and pin header sizes, male to female headers, what is a. Pitch between pins, size of the pin, length of the bottom side, length of the post,. uncover the pivotal role of pin headers in electronic devices, from their fundamental functionality. Standard Header Pin Dimensions.