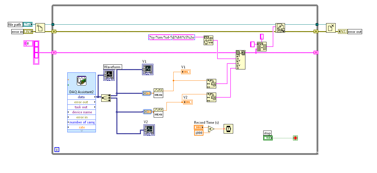
Labview Excel Get Data Example . This vi reads a large data set after you specify a cell. To create a report, follow the basic structure of opening a worksheet in excel, adding and manipulating data, and creating graphs and formatting the final results. It passes the file to new. This simple program is a demonstration of how to use the labview report generation toolkit to read data from excel. The first function, file dialog, lets you select a file of the type.xls or.xlsx. There are two ways to import excel data using labview whether you own report generation toolkit or not. Use the excel get data vi to retrieve the data from the worksheet to labview. Depending on your excel file, the logically simplest method to do a read/modify/write is to do a new report, read in all the data with excel get data, modify the. A straightforward way to get numeric data from microsoft excel is to use the vis that come with the labview report generation toolkit, which is included with labview.
from www.youtube.com
The first function, file dialog, lets you select a file of the type.xls or.xlsx. Depending on your excel file, the logically simplest method to do a read/modify/write is to do a new report, read in all the data with excel get data, modify the. This simple program is a demonstration of how to use the labview report generation toolkit to read data from excel. This vi reads a large data set after you specify a cell. There are two ways to import excel data using labview whether you own report generation toolkit or not. It passes the file to new. To create a report, follow the basic structure of opening a worksheet in excel, adding and manipulating data, and creating graphs and formatting the final results. A straightforward way to get numeric data from microsoft excel is to use the vis that come with the labview report generation toolkit, which is included with labview. Use the excel get data vi to retrieve the data from the worksheet to labview.
Data logging into Excel using LabVIEW YouTube
Labview Excel Get Data Example There are two ways to import excel data using labview whether you own report generation toolkit or not. Depending on your excel file, the logically simplest method to do a read/modify/write is to do a new report, read in all the data with excel get data, modify the. A straightforward way to get numeric data from microsoft excel is to use the vis that come with the labview report generation toolkit, which is included with labview. To create a report, follow the basic structure of opening a worksheet in excel, adding and manipulating data, and creating graphs and formatting the final results. The first function, file dialog, lets you select a file of the type.xls or.xlsx. It passes the file to new. There are two ways to import excel data using labview whether you own report generation toolkit or not. This vi reads a large data set after you specify a cell. This simple program is a demonstration of how to use the labview report generation toolkit to read data from excel. Use the excel get data vi to retrieve the data from the worksheet to labview.
From www.youtube.com
LabVIEW Plot Data on Charts and Graphs in Different Ways YouTube Labview Excel Get Data Example To create a report, follow the basic structure of opening a worksheet in excel, adding and manipulating data, and creating graphs and formatting the final results. This simple program is a demonstration of how to use the labview report generation toolkit to read data from excel. Depending on your excel file, the logically simplest method to do a read/modify/write is. Labview Excel Get Data Example.
From www.youtube.com
NI LabVIEW FFT subVI to compute magnitude spectrum YouTube Labview Excel Get Data Example It passes the file to new. This simple program is a demonstration of how to use the labview report generation toolkit to read data from excel. There are two ways to import excel data using labview whether you own report generation toolkit or not. This vi reads a large data set after you specify a cell. The first function, file. Labview Excel Get Data Example.
From zhuanlan.zhihu.com
Labview打开Excel文件读取数据 知乎 Labview Excel Get Data Example This vi reads a large data set after you specify a cell. There are two ways to import excel data using labview whether you own report generation toolkit or not. It passes the file to new. To create a report, follow the basic structure of opening a worksheet in excel, adding and manipulating data, and creating graphs and formatting the. Labview Excel Get Data Example.
From www.youtube.com
LabVIEW + Excel Sheet Read YouTube Labview Excel Get Data Example The first function, file dialog, lets you select a file of the type.xls or.xlsx. It passes the file to new. This vi reads a large data set after you specify a cell. A straightforward way to get numeric data from microsoft excel is to use the vis that come with the labview report generation toolkit, which is included with labview.. Labview Excel Get Data Example.
From www.youtube.com
Saving Acquired Data in LabVIEW YouTube Labview Excel Get Data Example It passes the file to new. This vi reads a large data set after you specify a cell. The first function, file dialog, lets you select a file of the type.xls or.xlsx. This simple program is a demonstration of how to use the labview report generation toolkit to read data from excel. Depending on your excel file, the logically simplest. Labview Excel Get Data Example.
From www.youtube.com
Excel to LabVIEW YouTube Labview Excel Get Data Example The first function, file dialog, lets you select a file of the type.xls or.xlsx. To create a report, follow the basic structure of opening a worksheet in excel, adding and manipulating data, and creating graphs and formatting the final results. Depending on your excel file, the logically simplest method to do a read/modify/write is to do a new report, read. Labview Excel Get Data Example.
From knowledge.ni.com
Cannot Save Excel Report in NILabVIEW 2022 by Using Report Generation Labview Excel Get Data Example It passes the file to new. The first function, file dialog, lets you select a file of the type.xls or.xlsx. To create a report, follow the basic structure of opening a worksheet in excel, adding and manipulating data, and creating graphs and formatting the final results. This vi reads a large data set after you specify a cell. A straightforward. Labview Excel Get Data Example.
From stdb.org
Excel Get Worksheet Error LabVIEW 進階討論 Science and Technology DataBase Labview Excel Get Data Example The first function, file dialog, lets you select a file of the type.xls or.xlsx. Use the excel get data vi to retrieve the data from the worksheet to labview. This simple program is a demonstration of how to use the labview report generation toolkit to read data from excel. It passes the file to new. A straightforward way to get. Labview Excel Get Data Example.
From www.synovus.ca
Can there be "too much" data from your LabVIEW application? Labview Excel Get Data Example This simple program is a demonstration of how to use the labview report generation toolkit to read data from excel. Use the excel get data vi to retrieve the data from the worksheet to labview. The first function, file dialog, lets you select a file of the type.xls or.xlsx. Depending on your excel file, the logically simplest method to do. Labview Excel Get Data Example.
From tutorial-32.blogspot.com
TUTORIAL LABVIEW EXCEL Tutorial Labview Excel Get Data Example Depending on your excel file, the logically simplest method to do a read/modify/write is to do a new report, read in all the data with excel get data, modify the. There are two ways to import excel data using labview whether you own report generation toolkit or not. Use the excel get data vi to retrieve the data from the. Labview Excel Get Data Example.
From forums.ni.com
Solved labview excel with activex NI Community Labview Excel Get Data Example It passes the file to new. The first function, file dialog, lets you select a file of the type.xls or.xlsx. Use the excel get data vi to retrieve the data from the worksheet to labview. A straightforward way to get numeric data from microsoft excel is to use the vis that come with the labview report generation toolkit, which is. Labview Excel Get Data Example.
From www.halvorsen.blog
Datalogging in LabVIEW Labview Excel Get Data Example The first function, file dialog, lets you select a file of the type.xls or.xlsx. A straightforward way to get numeric data from microsoft excel is to use the vis that come with the labview report generation toolkit, which is included with labview. Use the excel get data vi to retrieve the data from the worksheet to labview. Depending on your. Labview Excel Get Data Example.
From www.youtube.com
LabVIEW Tutorial 18 Read data from Excel Sheet LabVIEW Labview Excel Get Data Example Use the excel get data vi to retrieve the data from the worksheet to labview. To create a report, follow the basic structure of opening a worksheet in excel, adding and manipulating data, and creating graphs and formatting the final results. The first function, file dialog, lets you select a file of the type.xls or.xlsx. This vi reads a large. Labview Excel Get Data Example.
From www.youtube.com
LabVIEW code Call a service (walkthrough) YouTube Labview Excel Get Data Example There are two ways to import excel data using labview whether you own report generation toolkit or not. To create a report, follow the basic structure of opening a worksheet in excel, adding and manipulating data, and creating graphs and formatting the final results. It passes the file to new. Depending on your excel file, the logically simplest method to. Labview Excel Get Data Example.
From www.youtube.com
LabVIEW how to save data by using write to measurement file YouTube Labview Excel Get Data Example It passes the file to new. A straightforward way to get numeric data from microsoft excel is to use the vis that come with the labview report generation toolkit, which is included with labview. There are two ways to import excel data using labview whether you own report generation toolkit or not. Use the excel get data vi to retrieve. Labview Excel Get Data Example.
From forums.ni.com
labview 2023q1can't write data to excel NI Community Labview Excel Get Data Example It passes the file to new. The first function, file dialog, lets you select a file of the type.xls or.xlsx. A straightforward way to get numeric data from microsoft excel is to use the vis that come with the labview report generation toolkit, which is included with labview. This vi reads a large data set after you specify a cell.. Labview Excel Get Data Example.
From www.eehelp.com
Excel data in Labview counters Labview Excel Get Data Example It passes the file to new. To create a report, follow the basic structure of opening a worksheet in excel, adding and manipulating data, and creating graphs and formatting the final results. This simple program is a demonstration of how to use the labview report generation toolkit to read data from excel. Use the excel get data vi to retrieve. Labview Excel Get Data Example.
From www.youtube.com
save data in Excel file using Labview YouTube Labview Excel Get Data Example To create a report, follow the basic structure of opening a worksheet in excel, adding and manipulating data, and creating graphs and formatting the final results. There are two ways to import excel data using labview whether you own report generation toolkit or not. This vi reads a large data set after you specify a cell. Use the excel get. Labview Excel Get Data Example.
From www.youtube.com
Labview read data from excel and calculate YouTube Labview Excel Get Data Example It passes the file to new. The first function, file dialog, lets you select a file of the type.xls or.xlsx. To create a report, follow the basic structure of opening a worksheet in excel, adding and manipulating data, and creating graphs and formatting the final results. Depending on your excel file, the logically simplest method to do a read/modify/write is. Labview Excel Get Data Example.
From www.youtube.com
LabVIEW Save data to Excel Auto Generate Excel Sheet User Login Labview Excel Get Data Example To create a report, follow the basic structure of opening a worksheet in excel, adding and manipulating data, and creating graphs and formatting the final results. The first function, file dialog, lets you select a file of the type.xls or.xlsx. There are two ways to import excel data using labview whether you own report generation toolkit or not. A straightforward. Labview Excel Get Data Example.
From forums.ni.com
Solved Adding a picture to excel file using ActiveX NI Community Labview Excel Get Data Example There are two ways to import excel data using labview whether you own report generation toolkit or not. Depending on your excel file, the logically simplest method to do a read/modify/write is to do a new report, read in all the data with excel get data, modify the. To create a report, follow the basic structure of opening a worksheet. Labview Excel Get Data Example.
From worksheetscoachone.blogspot.com
Post Labview Excel Select Worksheet Worksheets Private Labview Excel Get Data Example To create a report, follow the basic structure of opening a worksheet in excel, adding and manipulating data, and creating graphs and formatting the final results. The first function, file dialog, lets you select a file of the type.xls or.xlsx. This vi reads a large data set after you specify a cell. It passes the file to new. Use the. Labview Excel Get Data Example.
From www.youtube.com
Excel to LabVIEW Plot values from excel in labview YouTube Labview Excel Get Data Example To create a report, follow the basic structure of opening a worksheet in excel, adding and manipulating data, and creating graphs and formatting the final results. This simple program is a demonstration of how to use the labview report generation toolkit to read data from excel. The first function, file dialog, lets you select a file of the type.xls or.xlsx.. Labview Excel Get Data Example.
From www.youtube.com
Labview voltage measurement YouTube Labview Excel Get Data Example It passes the file to new. The first function, file dialog, lets you select a file of the type.xls or.xlsx. This simple program is a demonstration of how to use the labview report generation toolkit to read data from excel. This vi reads a large data set after you specify a cell. Depending on your excel file, the logically simplest. Labview Excel Get Data Example.
From forums.ni.com
Solved How to use write to spreadsheet VI to export data to excel Labview Excel Get Data Example There are two ways to import excel data using labview whether you own report generation toolkit or not. The first function, file dialog, lets you select a file of the type.xls or.xlsx. This simple program is a demonstration of how to use the labview report generation toolkit to read data from excel. A straightforward way to get numeric data from. Labview Excel Get Data Example.
From www.youtube.com
Data logging into Excel using LabVIEW YouTube Labview Excel Get Data Example A straightforward way to get numeric data from microsoft excel is to use the vis that come with the labview report generation toolkit, which is included with labview. This simple program is a demonstration of how to use the labview report generation toolkit to read data from excel. This vi reads a large data set after you specify a cell.. Labview Excel Get Data Example.
From www.youtube.com
Write Measurement File Labview example YouTube Labview Excel Get Data Example The first function, file dialog, lets you select a file of the type.xls or.xlsx. To create a report, follow the basic structure of opening a worksheet in excel, adding and manipulating data, and creating graphs and formatting the final results. Use the excel get data vi to retrieve the data from the worksheet to labview. This simple program is a. Labview Excel Get Data Example.
From clickup.com
How to Create a Database in Excel (With Templates and Examples) ClickUp Labview Excel Get Data Example A straightforward way to get numeric data from microsoft excel is to use the vis that come with the labview report generation toolkit, which is included with labview. There are two ways to import excel data using labview whether you own report generation toolkit or not. This simple program is a demonstration of how to use the labview report generation. Labview Excel Get Data Example.
From www.youtube.com
LabVIEW (Data files) EP1 Write data from LabVIEW to excel file using Labview Excel Get Data Example Depending on your excel file, the logically simplest method to do a read/modify/write is to do a new report, read in all the data with excel get data, modify the. This simple program is a demonstration of how to use the labview report generation toolkit to read data from excel. To create a report, follow the basic structure of opening. Labview Excel Get Data Example.
From blog.csdn.net
LabVIEW无需API导入Excel数据_labview怎么导入excel的数据CSDN博客 Labview Excel Get Data Example The first function, file dialog, lets you select a file of the type.xls or.xlsx. It passes the file to new. This simple program is a demonstration of how to use the labview report generation toolkit to read data from excel. Use the excel get data vi to retrieve the data from the worksheet to labview. To create a report, follow. Labview Excel Get Data Example.
From www.dmcinfo.com
Programmatic Saves of LabVIEW Plots and Charts DMC, Inc. Labview Excel Get Data Example A straightforward way to get numeric data from microsoft excel is to use the vis that come with the labview report generation toolkit, which is included with labview. Depending on your excel file, the logically simplest method to do a read/modify/write is to do a new report, read in all the data with excel get data, modify the. It passes. Labview Excel Get Data Example.
From microcontrollerslab.com
Using charts and graphs in labview with example tutorial 6 Labview Excel Get Data Example The first function, file dialog, lets you select a file of the type.xls or.xlsx. This simple program is a demonstration of how to use the labview report generation toolkit to read data from excel. This vi reads a large data set after you specify a cell. Use the excel get data vi to retrieve the data from the worksheet to. Labview Excel Get Data Example.
From stackoverflow.com
LabVIEW corrupt the .xlsx file when crash Stack Overflow Labview Excel Get Data Example There are two ways to import excel data using labview whether you own report generation toolkit or not. This simple program is a demonstration of how to use the labview report generation toolkit to read data from excel. A straightforward way to get numeric data from microsoft excel is to use the vis that come with the labview report generation. Labview Excel Get Data Example.
From chlistdragon.weebly.com
What is labview chlistdragon Labview Excel Get Data Example There are two ways to import excel data using labview whether you own report generation toolkit or not. This vi reads a large data set after you specify a cell. The first function, file dialog, lets you select a file of the type.xls or.xlsx. A straightforward way to get numeric data from microsoft excel is to use the vis that. Labview Excel Get Data Example.
From www.intechopen.com
Analyzing and Presenting Data with LabVIEW IntechOpen Labview Excel Get Data Example The first function, file dialog, lets you select a file of the type.xls or.xlsx. Use the excel get data vi to retrieve the data from the worksheet to labview. This simple program is a demonstration of how to use the labview report generation toolkit to read data from excel. Depending on your excel file, the logically simplest method to do. Labview Excel Get Data Example.