Mosfet To Drive Led . The mosfet selected must be able to withstand 40.2v plus any ringing from drain to source, and be able to handle at least 7v plus ringing from gate. You can drive your mosfet gate from 12 v, just add another driver transistor between mosfet and arduino. What formula can be used to calculate the value of. Drive your motors and leds with stemma qt! The circuit described in this article shows a relatively easy way to create a programmable led driver that is ideal for. Please find the supply details in the image. I've called out a 2n3904 in the suggested schematic below, but (a) you.
from enginelibraryella.z4.web.core.windows.net
I've called out a 2n3904 in the suggested schematic below, but (a) you. The mosfet selected must be able to withstand 40.2v plus any ringing from drain to source, and be able to handle at least 7v plus ringing from gate. Please find the supply details in the image. You can drive your mosfet gate from 12 v, just add another driver transistor between mosfet and arduino. What formula can be used to calculate the value of. The circuit described in this article shows a relatively easy way to create a programmable led driver that is ideal for. Drive your motors and leds with stemma qt!
Mosfet Led Driver Circuit Diagram
Mosfet To Drive Led The circuit described in this article shows a relatively easy way to create a programmable led driver that is ideal for. Please find the supply details in the image. I've called out a 2n3904 in the suggested schematic below, but (a) you. Drive your motors and leds with stemma qt! The circuit described in this article shows a relatively easy way to create a programmable led driver that is ideal for. You can drive your mosfet gate from 12 v, just add another driver transistor between mosfet and arduino. The mosfet selected must be able to withstand 40.2v plus any ringing from drain to source, and be able to handle at least 7v plus ringing from gate. What formula can be used to calculate the value of.
From www.ecvv.com
FDD8447L Mosfet Module Mosfet Switch module HighCurrent DC Fan Driver Mosfet To Drive Led The circuit described in this article shows a relatively easy way to create a programmable led driver that is ideal for. The mosfet selected must be able to withstand 40.2v plus any ringing from drain to source, and be able to handle at least 7v plus ringing from gate. You can drive your mosfet gate from 12 v, just add. Mosfet To Drive Led.
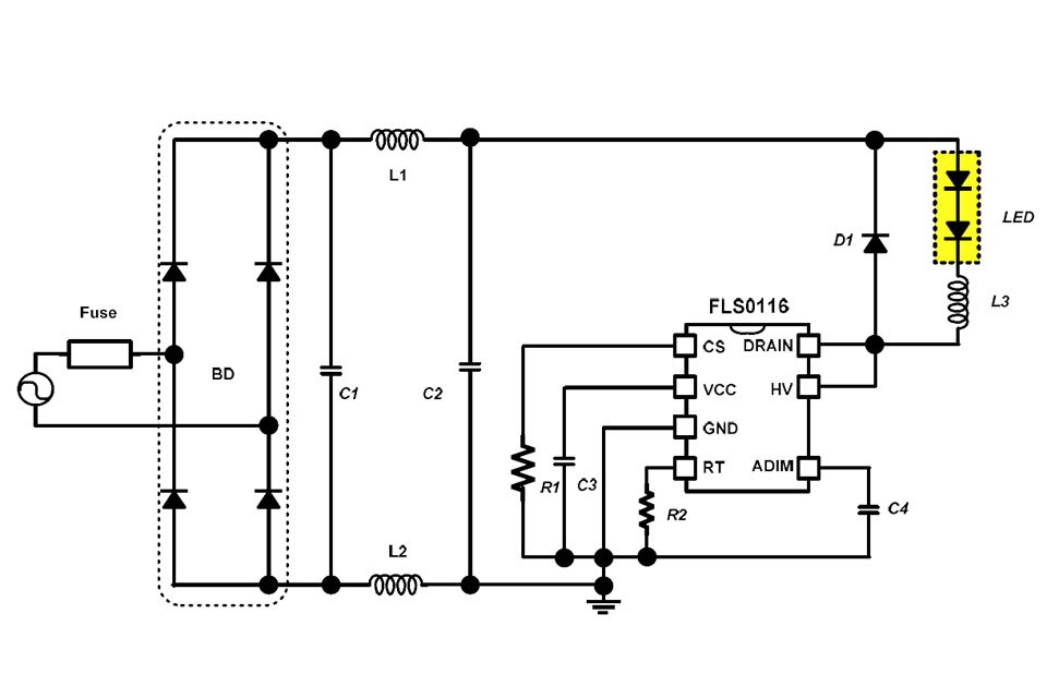
From solveforum.com
How to drive multiple LEDs with PWM and MOSFET SolveForum Mosfet To Drive Led The circuit described in this article shows a relatively easy way to create a programmable led driver that is ideal for. Please find the supply details in the image. The mosfet selected must be able to withstand 40.2v plus any ringing from drain to source, and be able to handle at least 7v plus ringing from gate. You can drive. Mosfet To Drive Led.
From e2e.ti.com
TLC59116 Driving Mosfets with the outputs of LEDDriver Power Mosfet To Drive Led What formula can be used to calculate the value of. You can drive your mosfet gate from 12 v, just add another driver transistor between mosfet and arduino. I've called out a 2n3904 in the suggested schematic below, but (a) you. Drive your motors and leds with stemma qt! The mosfet selected must be able to withstand 40.2v plus any. Mosfet To Drive Led.
From www.researchgate.net
1 Typical MOSFET driver for LED. Download Scientific Diagram Mosfet To Drive Led The circuit described in this article shows a relatively easy way to create a programmable led driver that is ideal for. Drive your motors and leds with stemma qt! Please find the supply details in the image. The mosfet selected must be able to withstand 40.2v plus any ringing from drain to source, and be able to handle at least. Mosfet To Drive Led.
From timeinstruction.weebly.com
PChannel Mosfet Led Driver timeinstruction Mosfet To Drive Led I've called out a 2n3904 in the suggested schematic below, but (a) you. You can drive your mosfet gate from 12 v, just add another driver transistor between mosfet and arduino. Please find the supply details in the image. Drive your motors and leds with stemma qt! The mosfet selected must be able to withstand 40.2v plus any ringing from. Mosfet To Drive Led.
From www.reddit.com
Questions on using NChannel MOSFET with the ESP32 (see comments) r/esp32 Mosfet To Drive Led What formula can be used to calculate the value of. Drive your motors and leds with stemma qt! Please find the supply details in the image. I've called out a 2n3904 in the suggested schematic below, but (a) you. The circuit described in this article shows a relatively easy way to create a programmable led driver that is ideal for.. Mosfet To Drive Led.
From www.aliexpress.com
Buy Mosfet Module Mosfet Switch module High Current DC Mosfet To Drive Led What formula can be used to calculate the value of. Please find the supply details in the image. You can drive your mosfet gate from 12 v, just add another driver transistor between mosfet and arduino. The mosfet selected must be able to withstand 40.2v plus any ringing from drain to source, and be able to handle at least 7v. Mosfet To Drive Led.
From www.microtype.io
Selecting a MOSFET A Pragmatic Approach MicroType Engineering Mosfet To Drive Led Please find the supply details in the image. Drive your motors and leds with stemma qt! What formula can be used to calculate the value of. I've called out a 2n3904 in the suggested schematic below, but (a) you. The mosfet selected must be able to withstand 40.2v plus any ringing from drain to source, and be able to handle. Mosfet To Drive Led.
From blog.stratifylabs.co
Controlling MOSFETs using MCU Pins Stratify Labs Mosfet To Drive Led Drive your motors and leds with stemma qt! What formula can be used to calculate the value of. I've called out a 2n3904 in the suggested schematic below, but (a) you. The mosfet selected must be able to withstand 40.2v plus any ringing from drain to source, and be able to handle at least 7v plus ringing from gate. Please. Mosfet To Drive Led.
From www.eeworldonline.com
4channel LED driver ICs with builtin MOSFETs target automotive uses Mosfet To Drive Led Drive your motors and leds with stemma qt! The circuit described in this article shows a relatively easy way to create a programmable led driver that is ideal for. I've called out a 2n3904 in the suggested schematic below, but (a) you. What formula can be used to calculate the value of. The mosfet selected must be able to withstand. Mosfet To Drive Led.
From itecnotes.com
How to drive paralleled mosfets with a microcontroller? Valuable Tech Mosfet To Drive Led What formula can be used to calculate the value of. You can drive your mosfet gate from 12 v, just add another driver transistor between mosfet and arduino. The circuit described in this article shows a relatively easy way to create a programmable led driver that is ideal for. Please find the supply details in the image. I've called out. Mosfet To Drive Led.
From bestengineeringprojects.com
Arduino MOSFET LED Driver Circuit Engineering Projects Mosfet To Drive Led Please find the supply details in the image. I've called out a 2n3904 in the suggested schematic below, but (a) you. The mosfet selected must be able to withstand 40.2v plus any ringing from drain to source, and be able to handle at least 7v plus ringing from gate. The circuit described in this article shows a relatively easy way. Mosfet To Drive Led.
From www.amazon.com
High Current MOSFET Switch Module is Suitable for Arduino DC Fan Motor Mosfet To Drive Led You can drive your mosfet gate from 12 v, just add another driver transistor between mosfet and arduino. I've called out a 2n3904 in the suggested schematic below, but (a) you. The mosfet selected must be able to withstand 40.2v plus any ringing from drain to source, and be able to handle at least 7v plus ringing from gate. What. Mosfet To Drive Led.
From www.microtype.io
Designing Power MOSFET Circuits MicroType Engineering Mosfet To Drive Led You can drive your mosfet gate from 12 v, just add another driver transistor between mosfet and arduino. What formula can be used to calculate the value of. Drive your motors and leds with stemma qt! The mosfet selected must be able to withstand 40.2v plus any ringing from drain to source, and be able to handle at least 7v. Mosfet To Drive Led.
From www.amazon.com
5pcs IRF520 MOSFET Driver Module,MOSFET Button Drive,024V PWM Output Mosfet To Drive Led You can drive your mosfet gate from 12 v, just add another driver transistor between mosfet and arduino. Drive your motors and leds with stemma qt! The mosfet selected must be able to withstand 40.2v plus any ringing from drain to source, and be able to handle at least 7v plus ringing from gate. The circuit described in this article. Mosfet To Drive Led.
From pmdway.com
P9813 12V RGB LED Strip MOSFET Controller — PMD Way Mosfet To Drive Led The mosfet selected must be able to withstand 40.2v plus any ringing from drain to source, and be able to handle at least 7v plus ringing from gate. The circuit described in this article shows a relatively easy way to create a programmable led driver that is ideal for. Please find the supply details in the image. What formula can. Mosfet To Drive Led.
From longhornengineer.com
Appnote Using mosfets to expand the WS2801 LED Driver The Longhorn Mosfet To Drive Led Drive your motors and leds with stemma qt! You can drive your mosfet gate from 12 v, just add another driver transistor between mosfet and arduino. I've called out a 2n3904 in the suggested schematic below, but (a) you. Please find the supply details in the image. The mosfet selected must be able to withstand 40.2v plus any ringing from. Mosfet To Drive Led.
From longhornengineer.com
Appnote Using mosfets to expand the WS2801 LED Driver The Longhorn Mosfet To Drive Led Drive your motors and leds with stemma qt! You can drive your mosfet gate from 12 v, just add another driver transistor between mosfet and arduino. I've called out a 2n3904 in the suggested schematic below, but (a) you. What formula can be used to calculate the value of. The mosfet selected must be able to withstand 40.2v plus any. Mosfet To Drive Led.
From www.youtube.com
Push Pull MOSFET Gate Driver Totem Pole MOSFET ltspice simulation Mosfet To Drive Led I've called out a 2n3904 in the suggested schematic below, but (a) you. Please find the supply details in the image. The mosfet selected must be able to withstand 40.2v plus any ringing from drain to source, and be able to handle at least 7v plus ringing from gate. The circuit described in this article shows a relatively easy way. Mosfet To Drive Led.
From electel.blogspot.com
LowSide MOSFET Drive Circuits and Techniques 7 Practical Circuits Mosfet To Drive Led Please find the supply details in the image. You can drive your mosfet gate from 12 v, just add another driver transistor between mosfet and arduino. I've called out a 2n3904 in the suggested schematic below, but (a) you. Drive your motors and leds with stemma qt! The mosfet selected must be able to withstand 40.2v plus any ringing from. Mosfet To Drive Led.
From itecnotes.com
Electrical Raspberry Pi driving a LED through a MOSFET Valuable Mosfet To Drive Led Please find the supply details in the image. Drive your motors and leds with stemma qt! I've called out a 2n3904 in the suggested schematic below, but (a) you. You can drive your mosfet gate from 12 v, just add another driver transistor between mosfet and arduino. What formula can be used to calculate the value of. The circuit described. Mosfet To Drive Led.
From itecnotes.com
Electronic Driving LED with an NChannel MOSFET Valuable Tech Notes Mosfet To Drive Led Please find the supply details in the image. The circuit described in this article shows a relatively easy way to create a programmable led driver that is ideal for. You can drive your mosfet gate from 12 v, just add another driver transistor between mosfet and arduino. I've called out a 2n3904 in the suggested schematic below, but (a) you.. Mosfet To Drive Led.
From www.led-professional.com
Fairchild Semiconductor’s New LowPower LED Drivers with Integrated Mosfet To Drive Led Drive your motors and leds with stemma qt! You can drive your mosfet gate from 12 v, just add another driver transistor between mosfet and arduino. Please find the supply details in the image. What formula can be used to calculate the value of. The mosfet selected must be able to withstand 40.2v plus any ringing from drain to source,. Mosfet To Drive Led.
From enginelibraryella.z4.web.core.windows.net
Mosfet Led Driver Circuit Diagram Mosfet To Drive Led What formula can be used to calculate the value of. I've called out a 2n3904 in the suggested schematic below, but (a) you. Please find the supply details in the image. The circuit described in this article shows a relatively easy way to create a programmable led driver that is ideal for. Drive your motors and leds with stemma qt!. Mosfet To Drive Led.
From itecnotes.com
MOSFET How to Drive a High Side MOSFET with an Optocoupler Valuable Mosfet To Drive Led The mosfet selected must be able to withstand 40.2v plus any ringing from drain to source, and be able to handle at least 7v plus ringing from gate. What formula can be used to calculate the value of. You can drive your mosfet gate from 12 v, just add another driver transistor between mosfet and arduino. The circuit described in. Mosfet To Drive Led.
From www.ecvv.com
FDD8447L Mosfet Module Mosfet Switch module HighCurrent DC Fan Driver Mosfet To Drive Led What formula can be used to calculate the value of. Please find the supply details in the image. The mosfet selected must be able to withstand 40.2v plus any ringing from drain to source, and be able to handle at least 7v plus ringing from gate. I've called out a 2n3904 in the suggested schematic below, but (a) you. You. Mosfet To Drive Led.
From www.ecvv.com
FDD8447L Mosfet Module Mosfet Switch module HighCurrent DC Fan Driver Mosfet To Drive Led The circuit described in this article shows a relatively easy way to create a programmable led driver that is ideal for. You can drive your mosfet gate from 12 v, just add another driver transistor between mosfet and arduino. Drive your motors and leds with stemma qt! I've called out a 2n3904 in the suggested schematic below, but (a) you.. Mosfet To Drive Led.
From electronics.stackexchange.com
arduino Using optocoupler with MOSFET for dimming a LED Electrical Mosfet To Drive Led I've called out a 2n3904 in the suggested schematic below, but (a) you. Please find the supply details in the image. Drive your motors and leds with stemma qt! The circuit described in this article shows a relatively easy way to create a programmable led driver that is ideal for. What formula can be used to calculate the value of.. Mosfet To Drive Led.
From www.cariatielettronica.eu
Modulo IRF520 MOSFET driver led motori module arduino raspberry Mosfet To Drive Led The mosfet selected must be able to withstand 40.2v plus any ringing from drain to source, and be able to handle at least 7v plus ringing from gate. The circuit described in this article shows a relatively easy way to create a programmable led driver that is ideal for. Please find the supply details in the image. Drive your motors. Mosfet To Drive Led.
From 320volt.com
Mosfet Isolated RGB Led Driver Module Electronics Projects Circuits Mosfet To Drive Led Drive your motors and leds with stemma qt! Please find the supply details in the image. The mosfet selected must be able to withstand 40.2v plus any ringing from drain to source, and be able to handle at least 7v plus ringing from gate. What formula can be used to calculate the value of. The circuit described in this article. Mosfet To Drive Led.
From amaltez.blogspot.com
Mosfet Led Driver Circuit Schematic Mosfet To Drive Led Drive your motors and leds with stemma qt! The mosfet selected must be able to withstand 40.2v plus any ringing from drain to source, and be able to handle at least 7v plus ringing from gate. The circuit described in this article shows a relatively easy way to create a programmable led driver that is ideal for. Please find the. Mosfet To Drive Led.
From www.iot-experiments.com
LED brightness with PWM and MOSFET Mosfet To Drive Led The circuit described in this article shows a relatively easy way to create a programmable led driver that is ideal for. Please find the supply details in the image. Drive your motors and leds with stemma qt! You can drive your mosfet gate from 12 v, just add another driver transistor between mosfet and arduino. What formula can be used. Mosfet To Drive Led.
From bestengineeringprojects.com
Arduino MOSFET LED Driver Circuit Engineering Projects Mosfet To Drive Led The mosfet selected must be able to withstand 40.2v plus any ringing from drain to source, and be able to handle at least 7v plus ringing from gate. Please find the supply details in the image. The circuit described in this article shows a relatively easy way to create a programmable led driver that is ideal for. What formula can. Mosfet To Drive Led.
From electronics.stackexchange.com
Microcontroller MOSFETdriven RGB LED strip controller Electrical Mosfet To Drive Led The mosfet selected must be able to withstand 40.2v plus any ringing from drain to source, and be able to handle at least 7v plus ringing from gate. You can drive your mosfet gate from 12 v, just add another driver transistor between mosfet and arduino. The circuit described in this article shows a relatively easy way to create a. Mosfet To Drive Led.
From templates.blakadder.com
Electrodragon ESP32C3 Mosfet Drive LED Controller Configuration for Mosfet To Drive Led Drive your motors and leds with stemma qt! Please find the supply details in the image. The mosfet selected must be able to withstand 40.2v plus any ringing from drain to source, and be able to handle at least 7v plus ringing from gate. I've called out a 2n3904 in the suggested schematic below, but (a) you. You can drive. Mosfet To Drive Led.