Variable Resistor In Simulink . You should be able to use that instead. In my simulation i need to discharge a battery by introducing a variable resistor in matlab simulink, the values of this resistor are. V = i · r. It implements a discrete variable resistor as a current source. The potentiometer block uses simulink ® signal as input control signal to vary the. Simscape has a variable resistor block. The potentiometer block models a variable resistor. The variable resistor block models a linear variable resistor, described with the following equation: The instantaneous resistance value is provided as a. The variable resistor block controls the output of rf blockset™ feedback circuits using simulink ® controlled resistance in ohms. It implements a discrete variable resistor as a current source. It implements a discrete variable resistor as a current source.
from engredu.com
It implements a discrete variable resistor as a current source. You should be able to use that instead. It implements a discrete variable resistor as a current source. Simscape has a variable resistor block. The potentiometer block models a variable resistor. The variable resistor block controls the output of rf blockset™ feedback circuits using simulink ® controlled resistance in ohms. It implements a discrete variable resistor as a current source. V = i · r. In my simulation i need to discharge a battery by introducing a variable resistor in matlab simulink, the values of this resistor are. The variable resistor block models a linear variable resistor, described with the following equation:
LTSpice Variable Resistor Engr Edu
Variable Resistor In Simulink The instantaneous resistance value is provided as a. The potentiometer block uses simulink ® signal as input control signal to vary the. The variable resistor block controls the output of rf blockset™ feedback circuits using simulink ® controlled resistance in ohms. The variable resistor block models a linear variable resistor, described with the following equation: You should be able to use that instead. It implements a discrete variable resistor as a current source. The instantaneous resistance value is provided as a. The potentiometer block models a variable resistor. It implements a discrete variable resistor as a current source. V = i · r. In my simulation i need to discharge a battery by introducing a variable resistor in matlab simulink, the values of this resistor are. It implements a discrete variable resistor as a current source. Simscape has a variable resistor block.
From www.chegg.com
Solved Exercise 2. Resistorinductor circuit in Simulink Variable Resistor In Simulink The variable resistor block models a linear variable resistor, described with the following equation: It implements a discrete variable resistor as a current source. The variable resistor block controls the output of rf blockset™ feedback circuits using simulink ® controlled resistance in ohms. The potentiometer block uses simulink ® signal as input control signal to vary the. It implements a. Variable Resistor In Simulink.
From www.numerade.com
Texts Measure the Magnitude and angle of both the Variable resistor Variable Resistor In Simulink Simscape has a variable resistor block. In my simulation i need to discharge a battery by introducing a variable resistor in matlab simulink, the values of this resistor are. The instantaneous resistance value is provided as a. It implements a discrete variable resistor as a current source. The potentiometer block uses simulink ® signal as input control signal to vary. Variable Resistor In Simulink.
From www.alamy.com
Variable Resistor. electronic symbol. Illustration of basic circuit Variable Resistor In Simulink The variable resistor block models a linear variable resistor, described with the following equation: The potentiometer block models a variable resistor. Simscape has a variable resistor block. The potentiometer block uses simulink ® signal as input control signal to vary the. The instantaneous resistance value is provided as a. It implements a discrete variable resistor as a current source. In. Variable Resistor In Simulink.
From www.chegg.com
Solved how to connect variable resistor in matlab simulink Variable Resistor In Simulink It implements a discrete variable resistor as a current source. The potentiometer block models a variable resistor. The potentiometer block uses simulink ® signal as input control signal to vary the. Simscape has a variable resistor block. In my simulation i need to discharge a battery by introducing a variable resistor in matlab simulink, the values of this resistor are.. Variable Resistor In Simulink.
From www.youtube.com
Checking the resistance range of a variable resistor YouTube Variable Resistor In Simulink The variable resistor block models a linear variable resistor, described with the following equation: It implements a discrete variable resistor as a current source. Simscape has a variable resistor block. The variable resistor block controls the output of rf blockset™ feedback circuits using simulink ® controlled resistance in ohms. In my simulation i need to discharge a battery by introducing. Variable Resistor In Simulink.
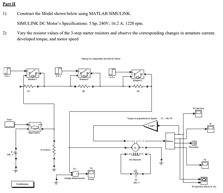
From www.numerade.com
SOLVED Construct the model shown below using MATLAB SIMULINK. SIMULINK Variable Resistor In Simulink The variable resistor block models a linear variable resistor, described with the following equation: V = i · r. Simscape has a variable resistor block. It implements a discrete variable resistor as a current source. You should be able to use that instead. The potentiometer block models a variable resistor. The potentiometer block uses simulink ® signal as input control. Variable Resistor In Simulink.
From mungfali.com
☑ How To Use Variable Resistor In Matlab Simulink 474 Variable Resistor In Simulink The instantaneous resistance value is provided as a. You should be able to use that instead. It implements a discrete variable resistor as a current source. The potentiometer block models a variable resistor. In my simulation i need to discharge a battery by introducing a variable resistor in matlab simulink, the values of this resistor are. The potentiometer block uses. Variable Resistor In Simulink.
From kasapmaps.weebly.com
Resistor connection matlab 2017 simulink kasapmaps Variable Resistor In Simulink It implements a discrete variable resistor as a current source. It implements a discrete variable resistor as a current source. It implements a discrete variable resistor as a current source. The potentiometer block uses simulink ® signal as input control signal to vary the. Simscape has a variable resistor block. The potentiometer block models a variable resistor. You should be. Variable Resistor In Simulink.
From engineerfix.com
Understanding Variable Resistors Definition, Symbols, and Applications Variable Resistor In Simulink It implements a discrete variable resistor as a current source. In my simulation i need to discharge a battery by introducing a variable resistor in matlab simulink, the values of this resistor are. It implements a discrete variable resistor as a current source. The instantaneous resistance value is provided as a. Simscape has a variable resistor block. The variable resistor. Variable Resistor In Simulink.
From mungfali.com
☑ How To Use Variable Resistor In Matlab Simulink 474 Variable Resistor In Simulink V = i · r. The variable resistor block models a linear variable resistor, described with the following equation: In my simulation i need to discharge a battery by introducing a variable resistor in matlab simulink, the values of this resistor are. Simscape has a variable resistor block. You should be able to use that instead. The instantaneous resistance value. Variable Resistor In Simulink.
From www.researchgate.net
The SIMULINK model with addition of a series feedback resistor R S Variable Resistor In Simulink It implements a discrete variable resistor as a current source. It implements a discrete variable resistor as a current source. Simscape has a variable resistor block. V = i · r. The potentiometer block uses simulink ® signal as input control signal to vary the. It implements a discrete variable resistor as a current source. You should be able to. Variable Resistor In Simulink.
From www.researchgate.net
How to model a load with constant voltage in Simulink? ResearchGate Variable Resistor In Simulink The variable resistor block models a linear variable resistor, described with the following equation: It implements a discrete variable resistor as a current source. The potentiometer block models a variable resistor. It implements a discrete variable resistor as a current source. Simscape has a variable resistor block. The variable resistor block controls the output of rf blockset™ feedback circuits using. Variable Resistor In Simulink.
From giowqghdr.blob.core.windows.net
Variable Resistor Simulink at Margaret Dugan blog Variable Resistor In Simulink The potentiometer block models a variable resistor. The variable resistor block controls the output of rf blockset™ feedback circuits using simulink ® controlled resistance in ohms. The potentiometer block uses simulink ® signal as input control signal to vary the. It implements a discrete variable resistor as a current source. The instantaneous resistance value is provided as a. In my. Variable Resistor In Simulink.
From www.linquip.com
Variable Resistor symbol Full Guide Linquip Variable Resistor In Simulink The instantaneous resistance value is provided as a. It implements a discrete variable resistor as a current source. The potentiometer block uses simulink ® signal as input control signal to vary the. You should be able to use that instead. The variable resistor block models a linear variable resistor, described with the following equation: The variable resistor block controls the. Variable Resistor In Simulink.
From www.youtube.com
Design & Analysis of Inverting Amplifier using OpAmp_ MATLAB Simulink Variable Resistor In Simulink It implements a discrete variable resistor as a current source. The instantaneous resistance value is provided as a. In my simulation i need to discharge a battery by introducing a variable resistor in matlab simulink, the values of this resistor are. The variable resistor block models a linear variable resistor, described with the following equation: The potentiometer block uses simulink. Variable Resistor In Simulink.
From www.youtube.com
How to use MATLAB Simulink ac voltage source block YouTube Variable Resistor In Simulink V = i · r. The variable resistor block models a linear variable resistor, described with the following equation: It implements a discrete variable resistor as a current source. You should be able to use that instead. It implements a discrete variable resistor as a current source. The instantaneous resistance value is provided as a. The variable resistor block controls. Variable Resistor In Simulink.
From simulinkquestions.blogspot.com
Simulink Hysteresis Comparator with Simscape Library Variable Resistor In Simulink V = i · r. Simscape has a variable resistor block. In my simulation i need to discharge a battery by introducing a variable resistor in matlab simulink, the values of this resistor are. It implements a discrete variable resistor as a current source. The variable resistor block models a linear variable resistor, described with the following equation: It implements. Variable Resistor In Simulink.
From monstersnohsa.weebly.com
Resistor connection matlab 2017 simulink monstersnohsa Variable Resistor In Simulink You should be able to use that instead. It implements a discrete variable resistor as a current source. It implements a discrete variable resistor as a current source. The instantaneous resistance value is provided as a. The variable resistor block models a linear variable resistor, described with the following equation: The variable resistor block controls the output of rf blockset™. Variable Resistor In Simulink.
From giowqghdr.blob.core.windows.net
Variable Resistor Simulink at Margaret Dugan blog Variable Resistor In Simulink V = i · r. In my simulation i need to discharge a battery by introducing a variable resistor in matlab simulink, the values of this resistor are. It implements a discrete variable resistor as a current source. The potentiometer block models a variable resistor. It implements a discrete variable resistor as a current source. The variable resistor block models. Variable Resistor In Simulink.
From www.researchgate.net
Simulink model of resistortype OLTC tap change. Download Scientific Variable Resistor In Simulink In my simulation i need to discharge a battery by introducing a variable resistor in matlab simulink, the values of this resistor are. The potentiometer block uses simulink ® signal as input control signal to vary the. You should be able to use that instead. The instantaneous resistance value is provided as a. Simscape has a variable resistor block. It. Variable Resistor In Simulink.
From www.mdpi.com
Electronics Free FullText Development of RealTime Implementation Variable Resistor In Simulink The variable resistor block controls the output of rf blockset™ feedback circuits using simulink ® controlled resistance in ohms. V = i · r. You should be able to use that instead. It implements a discrete variable resistor as a current source. The variable resistor block models a linear variable resistor, described with the following equation: It implements a discrete. Variable Resistor In Simulink.
From www.researchgate.net
14 Simulink model developed to study the effect of the shunt resistor Variable Resistor In Simulink In my simulation i need to discharge a battery by introducing a variable resistor in matlab simulink, the values of this resistor are. It implements a discrete variable resistor as a current source. The potentiometer block uses simulink ® signal as input control signal to vary the. The variable resistor block controls the output of rf blockset™ feedback circuits using. Variable Resistor In Simulink.
From mungfali.com
☑ How To Use Variable Resistor In Matlab Simulink 474 Variable Resistor In Simulink It implements a discrete variable resistor as a current source. You should be able to use that instead. It implements a discrete variable resistor as a current source. It implements a discrete variable resistor as a current source. In my simulation i need to discharge a battery by introducing a variable resistor in matlab simulink, the values of this resistor. Variable Resistor In Simulink.
From www.youtube.com
how to use resistors in simulink/simscape resistors simulation in Variable Resistor In Simulink Simscape has a variable resistor block. In my simulation i need to discharge a battery by introducing a variable resistor in matlab simulink, the values of this resistor are. The potentiometer block uses simulink ® signal as input control signal to vary the. You should be able to use that instead. It implements a discrete variable resistor as a current. Variable Resistor In Simulink.
From www.theengineeringknowledge.com
What is a Variable Resistors Definition, Uses, Resistor Symbol, Types Variable Resistor In Simulink V = i · r. In my simulation i need to discharge a battery by introducing a variable resistor in matlab simulink, the values of this resistor are. It implements a discrete variable resistor as a current source. The potentiometer block models a variable resistor. Simscape has a variable resistor block. The potentiometer block uses simulink ® signal as input. Variable Resistor In Simulink.
From itecnotes.com
Electrical Connecting switch to a resistor in Simulink Valuable Variable Resistor In Simulink You should be able to use that instead. It implements a discrete variable resistor as a current source. The variable resistor block models a linear variable resistor, described with the following equation: In my simulation i need to discharge a battery by introducing a variable resistor in matlab simulink, the values of this resistor are. The potentiometer block models a. Variable Resistor In Simulink.
From www.youtube.com
Matlab How to get values of variables from Simulink YouTube Variable Resistor In Simulink The instantaneous resistance value is provided as a. V = i · r. The potentiometer block uses simulink ® signal as input control signal to vary the. The variable resistor block controls the output of rf blockset™ feedback circuits using simulink ® controlled resistance in ohms. The potentiometer block models a variable resistor. Simscape has a variable resistor block. The. Variable Resistor In Simulink.
From www.circuitdiagram.co
Variable Resistor Schematic Diagram Circuit Diagram Variable Resistor In Simulink Simscape has a variable resistor block. The variable resistor block controls the output of rf blockset™ feedback circuits using simulink ® controlled resistance in ohms. The potentiometer block models a variable resistor. It implements a discrete variable resistor as a current source. V = i · r. It implements a discrete variable resistor as a current source. The instantaneous resistance. Variable Resistor In Simulink.
From mungfali.com
☑ How To Use Variable Resistor In Matlab Simulink 474 Variable Resistor In Simulink Simscape has a variable resistor block. It implements a discrete variable resistor as a current source. You should be able to use that instead. It implements a discrete variable resistor as a current source. The potentiometer block uses simulink ® signal as input control signal to vary the. The variable resistor block models a linear variable resistor, described with the. Variable Resistor In Simulink.
From www.researchgate.net
Simulink ZVS circuit with the equivalent model of mold represented by Variable Resistor In Simulink The instantaneous resistance value is provided as a. Simscape has a variable resistor block. It implements a discrete variable resistor as a current source. It implements a discrete variable resistor as a current source. In my simulation i need to discharge a battery by introducing a variable resistor in matlab simulink, the values of this resistor are. It implements a. Variable Resistor In Simulink.
From circuit-diagram-schematic.blogspot.com
Variable Resistor Symbol Variable Resistor In Simulink The instantaneous resistance value is provided as a. V = i · r. In my simulation i need to discharge a battery by introducing a variable resistor in matlab simulink, the values of this resistor are. It implements a discrete variable resistor as a current source. It implements a discrete variable resistor as a current source. The variable resistor block. Variable Resistor In Simulink.
From engredu.com
LTSpice Variable Resistor Engr Edu Variable Resistor In Simulink It implements a discrete variable resistor as a current source. It implements a discrete variable resistor as a current source. The potentiometer block models a variable resistor. In my simulation i need to discharge a battery by introducing a variable resistor in matlab simulink, the values of this resistor are. It implements a discrete variable resistor as a current source.. Variable Resistor In Simulink.
From circuitengineguilts.z19.web.core.windows.net
Circuit Diagram Symbol For Variable Resistor Variable Resistor In Simulink It implements a discrete variable resistor as a current source. The instantaneous resistance value is provided as a. Simscape has a variable resistor block. In my simulation i need to discharge a battery by introducing a variable resistor in matlab simulink, the values of this resistor are. The variable resistor block controls the output of rf blockset™ feedback circuits using. Variable Resistor In Simulink.
From www.youtube.com
Simulation d'une résistance variable Variable Resistor Matlab Variable Resistor In Simulink It implements a discrete variable resistor as a current source. V = i · r. You should be able to use that instead. The variable resistor block models a linear variable resistor, described with the following equation: The variable resistor block controls the output of rf blockset™ feedback circuits using simulink ® controlled resistance in ohms. It implements a discrete. Variable Resistor In Simulink.
From www.researchgate.net
Matlab Simulink code schematic for Equation (7) for prediction of the Variable Resistor In Simulink Simscape has a variable resistor block. It implements a discrete variable resistor as a current source. The instantaneous resistance value is provided as a. The potentiometer block uses simulink ® signal as input control signal to vary the. You should be able to use that instead. The potentiometer block models a variable resistor. The variable resistor block models a linear. Variable Resistor In Simulink.