Tri Phase Electric Vancouver Wa . Electric supplies in vancouver, wa. check tri phase electric supply co. See bbb rating, reviews, complaints, & more. tri phase electric supply co., llc. tri phase electric supply co. find company research, competitor information, contact details & financial data for tri phase electric supply co. tri phase electric supply is a reputable electrical supply company based in vancouver, holding a general contractor. 225 e reserve st ste 102, vancouver, wa 98661. this organization is not bbb accredited. Reserve street, unit #102 vancouver, wa 98661.
from www.facebook.com
tri phase electric supply co. find company research, competitor information, contact details & financial data for tri phase electric supply co. Reserve street, unit #102 vancouver, wa 98661. tri phase electric supply is a reputable electrical supply company based in vancouver, holding a general contractor. tri phase electric supply co., llc. check tri phase electric supply co. this organization is not bbb accredited. See bbb rating, reviews, complaints, & more. 225 e reserve st ste 102, vancouver, wa 98661. Electric supplies in vancouver, wa.
Tri Phase Electric Bridgewater VA
Tri Phase Electric Vancouver Wa tri phase electric supply co., llc. tri phase electric supply is a reputable electrical supply company based in vancouver, holding a general contractor. tri phase electric supply co., llc. 225 e reserve st ste 102, vancouver, wa 98661. Reserve street, unit #102 vancouver, wa 98661. this organization is not bbb accredited. tri phase electric supply co. Electric supplies in vancouver, wa. See bbb rating, reviews, complaints, & more. check tri phase electric supply co. find company research, competitor information, contact details & financial data for tri phase electric supply co.
From www.angieslist.com
TriPhase Electric & A V Inc Reviews Thornwood, NY Angie's List Tri Phase Electric Vancouver Wa tri phase electric supply is a reputable electrical supply company based in vancouver, holding a general contractor. Electric supplies in vancouver, wa. check tri phase electric supply co. See bbb rating, reviews, complaints, & more. Reserve street, unit #102 vancouver, wa 98661. tri phase electric supply co., llc. tri phase electric supply co. 225 e reserve. Tri Phase Electric Vancouver Wa.
From www.facebook.com
Tri Phase Electric Bridgewater VA Tri Phase Electric Vancouver Wa Electric supplies in vancouver, wa. tri phase electric supply co., llc. find company research, competitor information, contact details & financial data for tri phase electric supply co. Reserve street, unit #102 vancouver, wa 98661. tri phase electric supply co. this organization is not bbb accredited. tri phase electric supply is a reputable electrical supply company. Tri Phase Electric Vancouver Wa.
From www.facebook.com
TriPhase Electric Merced Home Tri Phase Electric Vancouver Wa Reserve street, unit #102 vancouver, wa 98661. check tri phase electric supply co. tri phase electric supply is a reputable electrical supply company based in vancouver, holding a general contractor. tri phase electric supply co., llc. find company research, competitor information, contact details & financial data for tri phase electric supply co. tri phase electric. Tri Phase Electric Vancouver Wa.
From milestonemotor.en.made-in-china.com
IEC/Ye Tri Phase Electrical Asynchronous AC Induction Motor for Tri Phase Electric Vancouver Wa Electric supplies in vancouver, wa. tri phase electric supply is a reputable electrical supply company based in vancouver, holding a general contractor. tri phase electric supply co. this organization is not bbb accredited. find company research, competitor information, contact details & financial data for tri phase electric supply co. 225 e reserve st ste 102, vancouver,. Tri Phase Electric Vancouver Wa.
From www.facebook.com
TriPhase Electric American Fork UT Tri Phase Electric Vancouver Wa tri phase electric supply is a reputable electrical supply company based in vancouver, holding a general contractor. check tri phase electric supply co. tri phase electric supply co., llc. Reserve street, unit #102 vancouver, wa 98661. See bbb rating, reviews, complaints, & more. find company research, competitor information, contact details & financial data for tri phase. Tri Phase Electric Vancouver Wa.
From www.thermalcorporation.com
Why do we have 3 Phase Industrial Heaters? Thermal Corporation Tri Phase Electric Vancouver Wa Electric supplies in vancouver, wa. tri phase electric supply is a reputable electrical supply company based in vancouver, holding a general contractor. See bbb rating, reviews, complaints, & more. this organization is not bbb accredited. check tri phase electric supply co. find company research, competitor information, contact details & financial data for tri phase electric supply. Tri Phase Electric Vancouver Wa.
From www.yelp.com
TRI PHASE WIRING Updated May 2024 Request a Quote 14 Photos Tri Phase Electric Vancouver Wa this organization is not bbb accredited. find company research, competitor information, contact details & financial data for tri phase electric supply co. tri phase electric supply is a reputable electrical supply company based in vancouver, holding a general contractor. 225 e reserve st ste 102, vancouver, wa 98661. tri phase electric supply co., llc. See bbb. Tri Phase Electric Vancouver Wa.
From www.facebook.com
TriPhase Electric & A/V Inc. Home Facebook Tri Phase Electric Vancouver Wa Electric supplies in vancouver, wa. this organization is not bbb accredited. See bbb rating, reviews, complaints, & more. check tri phase electric supply co. tri phase electric supply co. tri phase electric supply co., llc. 225 e reserve st ste 102, vancouver, wa 98661. tri phase electric supply is a reputable electrical supply company based. Tri Phase Electric Vancouver Wa.
From energyknowledgebase.com
Threephase power · Energy KnowledgeBase Tri Phase Electric Vancouver Wa 225 e reserve st ste 102, vancouver, wa 98661. See bbb rating, reviews, complaints, & more. this organization is not bbb accredited. find company research, competitor information, contact details & financial data for tri phase electric supply co. tri phase electric supply co., llc. tri phase electric supply co. Reserve street, unit #102 vancouver, wa 98661.. Tri Phase Electric Vancouver Wa.
From tri-phase.com
Standard Bots ro1 six axis robot TriPhase Automation Tri Phase Electric Vancouver Wa tri phase electric supply co. tri phase electric supply co., llc. tri phase electric supply is a reputable electrical supply company based in vancouver, holding a general contractor. this organization is not bbb accredited. 225 e reserve st ste 102, vancouver, wa 98661. Electric supplies in vancouver, wa. check tri phase electric supply co. Reserve. Tri Phase Electric Vancouver Wa.
From www.solarsquare.in
What Is 3 Phase Energy Meter Its Construction, Working, And Benefits Tri Phase Electric Vancouver Wa 225 e reserve st ste 102, vancouver, wa 98661. check tri phase electric supply co. tri phase electric supply is a reputable electrical supply company based in vancouver, holding a general contractor. tri phase electric supply co., llc. See bbb rating, reviews, complaints, & more. this organization is not bbb accredited. Electric supplies in vancouver, wa.. Tri Phase Electric Vancouver Wa.
From www.facebook.com
TriPhase Electric LLC of NC Posts Facebook Tri Phase Electric Vancouver Wa See bbb rating, reviews, complaints, & more. Reserve street, unit #102 vancouver, wa 98661. tri phase electric supply co., llc. tri phase electric supply is a reputable electrical supply company based in vancouver, holding a general contractor. 225 e reserve st ste 102, vancouver, wa 98661. check tri phase electric supply co. find company research, competitor. Tri Phase Electric Vancouver Wa.
From www.globalpiyasa.com
315 S4A B3 TRIPHASE ELECTRIC MOTOR 2 Buy 315 S4A B3 TRIPHASE Tri Phase Electric Vancouver Wa find company research, competitor information, contact details & financial data for tri phase electric supply co. Reserve street, unit #102 vancouver, wa 98661. tri phase electric supply is a reputable electrical supply company based in vancouver, holding a general contractor. check tri phase electric supply co. tri phase electric supply co., llc. this organization is. Tri Phase Electric Vancouver Wa.
From www.tri-phaseelectric.net
TriPhase Electric & AV Westchester Counties Premier Electrical and Tri Phase Electric Vancouver Wa 225 e reserve st ste 102, vancouver, wa 98661. See bbb rating, reviews, complaints, & more. this organization is not bbb accredited. find company research, competitor information, contact details & financial data for tri phase electric supply co. tri phase electric supply is a reputable electrical supply company based in vancouver, holding a general contractor. check. Tri Phase Electric Vancouver Wa.
From www.aliexpress.com
TriphaseEnergySavingEquipmentHotelPowerSaverDeviceCentralized Tri Phase Electric Vancouver Wa 225 e reserve st ste 102, vancouver, wa 98661. this organization is not bbb accredited. find company research, competitor information, contact details & financial data for tri phase electric supply co. Reserve street, unit #102 vancouver, wa 98661. check tri phase electric supply co. See bbb rating, reviews, complaints, & more. tri phase electric supply co.,. Tri Phase Electric Vancouver Wa.
From www.researchgate.net
Experimental timedomain waveforms for the threephase induction motor Tri Phase Electric Vancouver Wa this organization is not bbb accredited. tri phase electric supply co. check tri phase electric supply co. See bbb rating, reviews, complaints, & more. tri phase electric supply is a reputable electrical supply company based in vancouver, holding a general contractor. Reserve street, unit #102 vancouver, wa 98661. 225 e reserve st ste 102, vancouver, wa. Tri Phase Electric Vancouver Wa.
From silaniaeschematic.z14.web.core.windows.net
Wiring Diagram 3 Phase Motor Switch Tri Phase Electric Vancouver Wa tri phase electric supply is a reputable electrical supply company based in vancouver, holding a general contractor. find company research, competitor information, contact details & financial data for tri phase electric supply co. 225 e reserve st ste 102, vancouver, wa 98661. tri phase electric supply co. this organization is not bbb accredited. tri phase. Tri Phase Electric Vancouver Wa.
From www.chegg.com
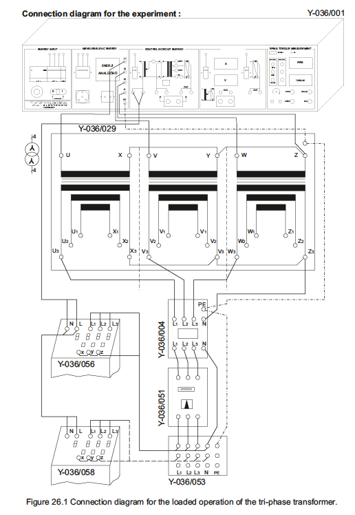
Experiment 26 LOADED OPERATION OF THE TRIPHASE Tri Phase Electric Vancouver Wa tri phase electric supply is a reputable electrical supply company based in vancouver, holding a general contractor. tri phase electric supply co. See bbb rating, reviews, complaints, & more. tri phase electric supply co., llc. check tri phase electric supply co. Reserve street, unit #102 vancouver, wa 98661. Electric supplies in vancouver, wa. 225 e reserve. Tri Phase Electric Vancouver Wa.
From www.scribd.com
TriPhase True 3Phase Transformer Turns Ratio Tester PDF Tri Phase Electric Vancouver Wa tri phase electric supply co., llc. find company research, competitor information, contact details & financial data for tri phase electric supply co. See bbb rating, reviews, complaints, & more. Reserve street, unit #102 vancouver, wa 98661. 225 e reserve st ste 102, vancouver, wa 98661. Electric supplies in vancouver, wa. this organization is not bbb accredited. . Tri Phase Electric Vancouver Wa.
From www.americandj.eu
TRI Phase LED Product Archive Light Lights Products ADJ Group Tri Phase Electric Vancouver Wa See bbb rating, reviews, complaints, & more. tri phase electric supply is a reputable electrical supply company based in vancouver, holding a general contractor. tri phase electric supply co., llc. this organization is not bbb accredited. check tri phase electric supply co. Electric supplies in vancouver, wa. Reserve street, unit #102 vancouver, wa 98661. find. Tri Phase Electric Vancouver Wa.
From www.tri-phaseelectric.net
TriPhase Electric & AV Westchester Counties Premier Electrical and Tri Phase Electric Vancouver Wa find company research, competitor information, contact details & financial data for tri phase electric supply co. 225 e reserve st ste 102, vancouver, wa 98661. check tri phase electric supply co. tri phase electric supply co. Electric supplies in vancouver, wa. See bbb rating, reviews, complaints, & more. this organization is not bbb accredited. tri. Tri Phase Electric Vancouver Wa.
From www.yelp.com
TRI PHASE ELECTRIC Updated September 2024 33 Photos Bridgewater Tri Phase Electric Vancouver Wa this organization is not bbb accredited. Reserve street, unit #102 vancouver, wa 98661. tri phase electric supply co. check tri phase electric supply co. tri phase electric supply co., llc. tri phase electric supply is a reputable electrical supply company based in vancouver, holding a general contractor. Electric supplies in vancouver, wa. 225 e reserve. Tri Phase Electric Vancouver Wa.
From rename.ro
Triphase cable with adaptor 32Ah la 220w rename Tri Phase Electric Vancouver Wa find company research, competitor information, contact details & financial data for tri phase electric supply co. See bbb rating, reviews, complaints, & more. tri phase electric supply co. tri phase electric supply co., llc. Reserve street, unit #102 vancouver, wa 98661. Electric supplies in vancouver, wa. 225 e reserve st ste 102, vancouver, wa 98661. tri. Tri Phase Electric Vancouver Wa.
From www.facebook.com
Tri Phase Electric Bridgewater VA Tri Phase Electric Vancouver Wa tri phase electric supply co., llc. find company research, competitor information, contact details & financial data for tri phase electric supply co. tri phase electric supply co. tri phase electric supply is a reputable electrical supply company based in vancouver, holding a general contractor. Reserve street, unit #102 vancouver, wa 98661. See bbb rating, reviews, complaints,. Tri Phase Electric Vancouver Wa.
From www.tri-phaseelectric.net
TriPhase Electric & AV Westchester Counties Premier Electrical and Tri Phase Electric Vancouver Wa find company research, competitor information, contact details & financial data for tri phase electric supply co. tri phase electric supply is a reputable electrical supply company based in vancouver, holding a general contractor. tri phase electric supply co. Electric supplies in vancouver, wa. this organization is not bbb accredited. check tri phase electric supply co.. Tri Phase Electric Vancouver Wa.
From www.tri-phaseelectric.net
TriPhase Electric & AV Westchester Counties Premier Electrical and Tri Phase Electric Vancouver Wa 225 e reserve st ste 102, vancouver, wa 98661. tri phase electric supply is a reputable electrical supply company based in vancouver, holding a general contractor. See bbb rating, reviews, complaints, & more. Electric supplies in vancouver, wa. tri phase electric supply co., llc. find company research, competitor information, contact details & financial data for tri phase. Tri Phase Electric Vancouver Wa.
From eduinput.com
ThreePhase Electric PowerDefinition, Types, And Advantages Tri Phase Electric Vancouver Wa find company research, competitor information, contact details & financial data for tri phase electric supply co. 225 e reserve st ste 102, vancouver, wa 98661. tri phase electric supply is a reputable electrical supply company based in vancouver, holding a general contractor. Reserve street, unit #102 vancouver, wa 98661. Electric supplies in vancouver, wa. tri phase electric. Tri Phase Electric Vancouver Wa.
From www.tri-phaseelectric.net
TriPhase Electric & AV Westchester Counties Premier Electrical and Tri Phase Electric Vancouver Wa check tri phase electric supply co. tri phase electric supply is a reputable electrical supply company based in vancouver, holding a general contractor. 225 e reserve st ste 102, vancouver, wa 98661. Electric supplies in vancouver, wa. this organization is not bbb accredited. Reserve street, unit #102 vancouver, wa 98661. find company research, competitor information, contact. Tri Phase Electric Vancouver Wa.
From www.youtube.com
3 Phase Electricity How it Works YouTube Tri Phase Electric Vancouver Wa find company research, competitor information, contact details & financial data for tri phase electric supply co. tri phase electric supply is a reputable electrical supply company based in vancouver, holding a general contractor. Electric supplies in vancouver, wa. tri phase electric supply co., llc. this organization is not bbb accredited. 225 e reserve st ste 102,. Tri Phase Electric Vancouver Wa.
From www.tri-phaseelectric.net
TriPhase Electric & AV Westchester Counties Premier Electrical and Tri Phase Electric Vancouver Wa See bbb rating, reviews, complaints, & more. Reserve street, unit #102 vancouver, wa 98661. tri phase electric supply is a reputable electrical supply company based in vancouver, holding a general contractor. tri phase electric supply co. 225 e reserve st ste 102, vancouver, wa 98661. this organization is not bbb accredited. check tri phase electric supply. Tri Phase Electric Vancouver Wa.
From www.tri-phaseelectric.net
TriPhase Electric & AV Westchester Counties Premier Electrical and Tri Phase Electric Vancouver Wa See bbb rating, reviews, complaints, & more. this organization is not bbb accredited. tri phase electric supply is a reputable electrical supply company based in vancouver, holding a general contractor. Electric supplies in vancouver, wa. tri phase electric supply co. Reserve street, unit #102 vancouver, wa 98661. tri phase electric supply co., llc. find company. Tri Phase Electric Vancouver Wa.
From milestonemotor.en.made-in-china.com
440V/50Hz High Efficiency Asynchronous Motor Tri Phase Electric Motor Tri Phase Electric Vancouver Wa Electric supplies in vancouver, wa. 225 e reserve st ste 102, vancouver, wa 98661. tri phase electric supply co. tri phase electric supply is a reputable electrical supply company based in vancouver, holding a general contractor. tri phase electric supply co., llc. See bbb rating, reviews, complaints, & more. check tri phase electric supply co. . Tri Phase Electric Vancouver Wa.
From www.youtube.com
TriPhase Electric 30sec Video YouTube Tri Phase Electric Vancouver Wa tri phase electric supply co. See bbb rating, reviews, complaints, & more. tri phase electric supply is a reputable electrical supply company based in vancouver, holding a general contractor. 225 e reserve st ste 102, vancouver, wa 98661. this organization is not bbb accredited. Electric supplies in vancouver, wa. Reserve street, unit #102 vancouver, wa 98661. . Tri Phase Electric Vancouver Wa.
From www.youtube.com
How Three Phase Electricity works The basics explained YouTube Tri Phase Electric Vancouver Wa Electric supplies in vancouver, wa. See bbb rating, reviews, complaints, & more. check tri phase electric supply co. 225 e reserve st ste 102, vancouver, wa 98661. Reserve street, unit #102 vancouver, wa 98661. this organization is not bbb accredited. find company research, competitor information, contact details & financial data for tri phase electric supply co. . Tri Phase Electric Vancouver Wa.
From www.tri-phaseelectric.net
TriPhase Electric & AV Westchester Counties Premier Electrical and Tri Phase Electric Vancouver Wa this organization is not bbb accredited. 225 e reserve st ste 102, vancouver, wa 98661. Electric supplies in vancouver, wa. tri phase electric supply co., llc. tri phase electric supply is a reputable electrical supply company based in vancouver, holding a general contractor. Reserve street, unit #102 vancouver, wa 98661. tri phase electric supply co. . Tri Phase Electric Vancouver Wa.