How Does A Foam Bladder Tank Work . When the nitrogen gas is. the bladder tank foam proportioning system from hd fire protect is a reliable and effective way to mix foam concentrate. the buckeye bladder tank is one component in a balanced pressure foam proportioning fire protection system. — the bladder works as a barrier that separates the foam concentrate from the pressurized nitrogen gas. bladder tanks are a key component of a complete balanced pressure proportioning fixed system which, upon activation,. • filling the inner bladder with the liquid via fill pipes. — how foam bladder tanks work. Foam bladder tanks function by: learn about bladder tanks, a type of foam proportioning system that stores foam concentrate and injects it into water. the bladder tank proportioning system is a balanced pressure proportioning system, requiring no external power other than an.
from www.youtube.com
— how foam bladder tanks work. When the nitrogen gas is. the buckeye bladder tank is one component in a balanced pressure foam proportioning fire protection system. bladder tanks are a key component of a complete balanced pressure proportioning fixed system which, upon activation,. • filling the inner bladder with the liquid via fill pipes. the bladder tank proportioning system is a balanced pressure proportioning system, requiring no external power other than an. learn about bladder tanks, a type of foam proportioning system that stores foam concentrate and injects it into water. — the bladder works as a barrier that separates the foam concentrate from the pressurized nitrogen gas. the bladder tank foam proportioning system from hd fire protect is a reliable and effective way to mix foam concentrate. Foam bladder tanks function by:
HD Foam Bladder Tank Overview YouTube
How Does A Foam Bladder Tank Work the bladder tank proportioning system is a balanced pressure proportioning system, requiring no external power other than an. learn about bladder tanks, a type of foam proportioning system that stores foam concentrate and injects it into water. — the bladder works as a barrier that separates the foam concentrate from the pressurized nitrogen gas. bladder tanks are a key component of a complete balanced pressure proportioning fixed system which, upon activation,. Foam bladder tanks function by: When the nitrogen gas is. the buckeye bladder tank is one component in a balanced pressure foam proportioning fire protection system. the bladder tank proportioning system is a balanced pressure proportioning system, requiring no external power other than an. — how foam bladder tanks work. the bladder tank foam proportioning system from hd fire protect is a reliable and effective way to mix foam concentrate. • filling the inner bladder with the liquid via fill pipes.
From 3s-firestop.com
Foam Bladder Tank Proportioning System 3sFiretop How Does A Foam Bladder Tank Work Foam bladder tanks function by: the bladder tank proportioning system is a balanced pressure proportioning system, requiring no external power other than an. — how foam bladder tanks work. • filling the inner bladder with the liquid via fill pipes. — the bladder works as a barrier that separates the foam concentrate from the pressurized nitrogen gas.. How Does A Foam Bladder Tank Work.
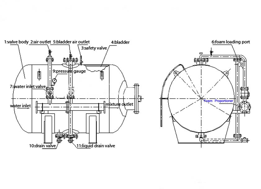
From www.sincofire.com
Fire Fighting Foam Tank Bladder Tank How Does A Foam Bladder Tank Work the buckeye bladder tank is one component in a balanced pressure foam proportioning fire protection system. — how foam bladder tanks work. • filling the inner bladder with the liquid via fill pipes. the bladder tank proportioning system is a balanced pressure proportioning system, requiring no external power other than an. When the nitrogen gas is. . How Does A Foam Bladder Tank Work.
From reliant-est.com
Foam Bladder Tank Reliant Energy & Safety Technology Ltd How Does A Foam Bladder Tank Work learn about bladder tanks, a type of foam proportioning system that stores foam concentrate and injects it into water. bladder tanks are a key component of a complete balanced pressure proportioning fixed system which, upon activation,. — the bladder works as a barrier that separates the foam concentrate from the pressurized nitrogen gas. • filling the inner. How Does A Foam Bladder Tank Work.
From orientindochemori.com
FOAM BLADDER TANKS PT Orient Indo Chemori How Does A Foam Bladder Tank Work the bladder tank proportioning system is a balanced pressure proportioning system, requiring no external power other than an. bladder tanks are a key component of a complete balanced pressure proportioning fixed system which, upon activation,. learn about bladder tanks, a type of foam proportioning system that stores foam concentrate and injects it into water. • filling the. How Does A Foam Bladder Tank Work.
From www.pnx-spb.ru
Bladder tank. Purchase, installation and operation of the bladder tank at the production site How Does A Foam Bladder Tank Work — the bladder works as a barrier that separates the foam concentrate from the pressurized nitrogen gas. — how foam bladder tanks work. the buckeye bladder tank is one component in a balanced pressure foam proportioning fire protection system. learn about bladder tanks, a type of foam proportioning system that stores foam concentrate and injects it. How Does A Foam Bladder Tank Work.
From www.progard.com.my
FOAM BLADDER (DIAPHRAGM) TANKS Progard Sdn Bhd Fire Protection Equipment How Does A Foam Bladder Tank Work When the nitrogen gas is. bladder tanks are a key component of a complete balanced pressure proportioning fixed system which, upon activation,. the buckeye bladder tank is one component in a balanced pressure foam proportioning fire protection system. the bladder tank foam proportioning system from hd fire protect is a reliable and effective way to mix foam. How Does A Foam Bladder Tank Work.
From www.bladderfoamtank.com
Foam Bladder Tank Vertical Tegalrejo International Online Technology How Does A Foam Bladder Tank Work the bladder tank foam proportioning system from hd fire protect is a reliable and effective way to mix foam concentrate. learn about bladder tanks, a type of foam proportioning system that stores foam concentrate and injects it into water. When the nitrogen gas is. bladder tanks are a key component of a complete balanced pressure proportioning fixed. How Does A Foam Bladder Tank Work.
From 3s-firestop.com
Foam Bladder Tank Proportioning System 3sFiretop How Does A Foam Bladder Tank Work — how foam bladder tanks work. Foam bladder tanks function by: — the bladder works as a barrier that separates the foam concentrate from the pressurized nitrogen gas. bladder tanks are a key component of a complete balanced pressure proportioning fixed system which, upon activation,. When the nitrogen gas is. the bladder tank proportioning system is. How Does A Foam Bladder Tank Work.
From www.ansonindustry.com
Best Foam Bladder Tank For Firefighting With Wide Sizing How Does A Foam Bladder Tank Work When the nitrogen gas is. — how foam bladder tanks work. bladder tanks are a key component of a complete balanced pressure proportioning fixed system which, upon activation,. Foam bladder tanks function by: the bladder tank proportioning system is a balanced pressure proportioning system, requiring no external power other than an. • filling the inner bladder with. How Does A Foam Bladder Tank Work.
From winanfire.en.made-in-china.com
Pressure Tanks, Foam Bladder Tank Foam Proportioning Foam Bladder Tank and 1000 Liter Tank How Does A Foam Bladder Tank Work bladder tanks are a key component of a complete balanced pressure proportioning fixed system which, upon activation,. • filling the inner bladder with the liquid via fill pipes. When the nitrogen gas is. the bladder tank proportioning system is a balanced pressure proportioning system, requiring no external power other than an. the bladder tank foam proportioning system. How Does A Foam Bladder Tank Work.
From www.sichfire.com
Understanding Foam Bladder Tanks and Their Uses Fire Fighting Equipment How Does A Foam Bladder Tank Work the bladder tank foam proportioning system from hd fire protect is a reliable and effective way to mix foam concentrate. the bladder tank proportioning system is a balanced pressure proportioning system, requiring no external power other than an. the buckeye bladder tank is one component in a balanced pressure foam proportioning fire protection system. bladder tanks. How Does A Foam Bladder Tank Work.
From www.pnx-spb.ru
Bladder tank. How to reduce risks when purchasing and operating a bladder tank? How Does A Foam Bladder Tank Work When the nitrogen gas is. the bladder tank proportioning system is a balanced pressure proportioning system, requiring no external power other than an. • filling the inner bladder with the liquid via fill pipes. Foam bladder tanks function by: the bladder tank foam proportioning system from hd fire protect is a reliable and effective way to mix foam. How Does A Foam Bladder Tank Work.
From www.sichfire.com
Foam Bladder Tank for Fire Protection The Ultimate Fire Suppression Solution Fire Fighting How Does A Foam Bladder Tank Work — the bladder works as a barrier that separates the foam concentrate from the pressurized nitrogen gas. learn about bladder tanks, a type of foam proportioning system that stores foam concentrate and injects it into water. the bladder tank foam proportioning system from hd fire protect is a reliable and effective way to mix foam concentrate. •. How Does A Foam Bladder Tank Work.
From www.corodex-agencies.com
foam fire suppression system bladder tanks How Does A Foam Bladder Tank Work Foam bladder tanks function by: — the bladder works as a barrier that separates the foam concentrate from the pressurized nitrogen gas. bladder tanks are a key component of a complete balanced pressure proportioning fixed system which, upon activation,. When the nitrogen gas is. — how foam bladder tanks work. the bladder tank foam proportioning system. How Does A Foam Bladder Tank Work.
From www.bermad.com
Foam Bladder Tanks Bermad How Does A Foam Bladder Tank Work Foam bladder tanks function by: the bladder tank proportioning system is a balanced pressure proportioning system, requiring no external power other than an. When the nitrogen gas is. the buckeye bladder tank is one component in a balanced pressure foam proportioning fire protection system. the bladder tank foam proportioning system from hd fire protect is a reliable. How Does A Foam Bladder Tank Work.
From aager.de
Foam Bladder Tank Äager How Does A Foam Bladder Tank Work the bladder tank foam proportioning system from hd fire protect is a reliable and effective way to mix foam concentrate. When the nitrogen gas is. the buckeye bladder tank is one component in a balanced pressure foam proportioning fire protection system. — the bladder works as a barrier that separates the foam concentrate from the pressurized nitrogen. How Does A Foam Bladder Tank Work.
From www.constguide.com
Constguide FOAM BLADDER TANKS How Does A Foam Bladder Tank Work — the bladder works as a barrier that separates the foam concentrate from the pressurized nitrogen gas. the bladder tank foam proportioning system from hd fire protect is a reliable and effective way to mix foam concentrate. bladder tanks are a key component of a complete balanced pressure proportioning fixed system which, upon activation,. learn about. How Does A Foam Bladder Tank Work.
From www.facebook.com
HD Foam Bladder Tank Overview Foam Bladder Tanks offer a reliable and simpler method of foam How Does A Foam Bladder Tank Work When the nitrogen gas is. Foam bladder tanks function by: bladder tanks are a key component of a complete balanced pressure proportioning fixed system which, upon activation,. — how foam bladder tanks work. the buckeye bladder tank is one component in a balanced pressure foam proportioning fire protection system. the bladder tank foam proportioning system from. How Does A Foam Bladder Tank Work.
From www.marsoltech.com
FOAM BLADDER TANK MarsolTech How Does A Foam Bladder Tank Work — how foam bladder tanks work. • filling the inner bladder with the liquid via fill pipes. the bladder tank proportioning system is a balanced pressure proportioning system, requiring no external power other than an. — the bladder works as a barrier that separates the foam concentrate from the pressurized nitrogen gas. When the nitrogen gas is.. How Does A Foam Bladder Tank Work.
From sentrix.com.my
Foam Bladder Tank Sentrix How Does A Foam Bladder Tank Work the buckeye bladder tank is one component in a balanced pressure foam proportioning fire protection system. — the bladder works as a barrier that separates the foam concentrate from the pressurized nitrogen gas. • filling the inner bladder with the liquid via fill pipes. When the nitrogen gas is. the bladder tank foam proportioning system from hd. How Does A Foam Bladder Tank Work.
From conexfire.com
Foam Bladder Tanks Conex Fire Protection Technologies How Does A Foam Bladder Tank Work the bladder tank foam proportioning system from hd fire protect is a reliable and effective way to mix foam concentrate. learn about bladder tanks, a type of foam proportioning system that stores foam concentrate and injects it into water. — the bladder works as a barrier that separates the foam concentrate from the pressurized nitrogen gas. . How Does A Foam Bladder Tank Work.
From www.youtube.com
Foam bladder tank YouTube How Does A Foam Bladder Tank Work the buckeye bladder tank is one component in a balanced pressure foam proportioning fire protection system. When the nitrogen gas is. learn about bladder tanks, a type of foam proportioning system that stores foam concentrate and injects it into water. bladder tanks are a key component of a complete balanced pressure proportioning fixed system which, upon activation,.. How Does A Foam Bladder Tank Work.
From orientindochemori.com
FOAM BLADDER TANKS PT Orient Indo Chemori How Does A Foam Bladder Tank Work bladder tanks are a key component of a complete balanced pressure proportioning fixed system which, upon activation,. the bladder tank foam proportioning system from hd fire protect is a reliable and effective way to mix foam concentrate. Foam bladder tanks function by: the buckeye bladder tank is one component in a balanced pressure foam proportioning fire protection. How Does A Foam Bladder Tank Work.
From www.youtube.com
HD Foam Bladder Tank Overview YouTube How Does A Foam Bladder Tank Work — the bladder works as a barrier that separates the foam concentrate from the pressurized nitrogen gas. Foam bladder tanks function by: the buckeye bladder tank is one component in a balanced pressure foam proportioning fire protection system. • filling the inner bladder with the liquid via fill pipes. learn about bladder tanks, a type of foam. How Does A Foam Bladder Tank Work.
From fireshop.com.tr
Bladder Tank Foam Proportioning System How Does A Foam Bladder Tank Work the bladder tank foam proportioning system from hd fire protect is a reliable and effective way to mix foam concentrate. — how foam bladder tanks work. learn about bladder tanks, a type of foam proportioning system that stores foam concentrate and injects it into water. the buckeye bladder tank is one component in a balanced pressure. How Does A Foam Bladder Tank Work.
From www.forede.com
China Foam Bladder Tank Working Principle Manufacturers, Suppliers Wholesale Price FOREDE How Does A Foam Bladder Tank Work • filling the inner bladder with the liquid via fill pipes. Foam bladder tanks function by: — how foam bladder tanks work. bladder tanks are a key component of a complete balanced pressure proportioning fixed system which, upon activation,. learn about bladder tanks, a type of foam proportioning system that stores foam concentrate and injects it into. How Does A Foam Bladder Tank Work.
From www.fireengineering.com
FOAMWATER SPRINKLER SYSTEMS WHAT THE FIREFIGHTER NEEDS TO KNOW Fire Engineering How Does A Foam Bladder Tank Work Foam bladder tanks function by: bladder tanks are a key component of a complete balanced pressure proportioning fixed system which, upon activation,. — how foam bladder tanks work. — the bladder works as a barrier that separates the foam concentrate from the pressurized nitrogen gas. learn about bladder tanks, a type of foam proportioning system that. How Does A Foam Bladder Tank Work.
From ykfireprevention.ca
Foam bladder tank Fire Prevention Services 2016 Ltd. How Does A Foam Bladder Tank Work — the bladder works as a barrier that separates the foam concentrate from the pressurized nitrogen gas. — how foam bladder tanks work. learn about bladder tanks, a type of foam proportioning system that stores foam concentrate and injects it into water. When the nitrogen gas is. bladder tanks are a key component of a complete. How Does A Foam Bladder Tank Work.
From www.chemguard.com
Bladder Tanks How Does A Foam Bladder Tank Work learn about bladder tanks, a type of foam proportioning system that stores foam concentrate and injects it into water. Foam bladder tanks function by: the bladder tank proportioning system is a balanced pressure proportioning system, requiring no external power other than an. — how foam bladder tanks work. • filling the inner bladder with the liquid via. How Does A Foam Bladder Tank Work.
From www.brilliantengineering.in
Foam Bladder Tank Foam Tanks With Hose Reel Manufacturer from Mumbai How Does A Foam Bladder Tank Work When the nitrogen gas is. bladder tanks are a key component of a complete balanced pressure proportioning fixed system which, upon activation,. the bladder tank proportioning system is a balanced pressure proportioning system, requiring no external power other than an. the bladder tank foam proportioning system from hd fire protect is a reliable and effective way to. How Does A Foam Bladder Tank Work.
From www.yeschamp.com
Wholesale Horizontal Fire Fighting Foam Bladder Tank Suppliers, Manufacturers How Does A Foam Bladder Tank Work • filling the inner bladder with the liquid via fill pipes. the bladder tank foam proportioning system from hd fire protect is a reliable and effective way to mix foam concentrate. — the bladder works as a barrier that separates the foam concentrate from the pressurized nitrogen gas. When the nitrogen gas is. learn about bladder tanks,. How Does A Foam Bladder Tank Work.
From www.cqhisea.com
Marine Loading Arm How Does A Foam Bladder Tank Work the buckeye bladder tank is one component in a balanced pressure foam proportioning fire protection system. When the nitrogen gas is. the bladder tank proportioning system is a balanced pressure proportioning system, requiring no external power other than an. learn about bladder tanks, a type of foam proportioning system that stores foam concentrate and injects it into. How Does A Foam Bladder Tank Work.
From www.youtube.com
Bladder Tank System Operation & Maintenance Instructions HD YouTube How Does A Foam Bladder Tank Work the bladder tank foam proportioning system from hd fire protect is a reliable and effective way to mix foam concentrate. Foam bladder tanks function by: • filling the inner bladder with the liquid via fill pipes. the bladder tank proportioning system is a balanced pressure proportioning system, requiring no external power other than an. bladder tanks are. How Does A Foam Bladder Tank Work.
From www.forede.com
1500L Vertical Foam Bladder Tank for Fire Fighting System How Does A Foam Bladder Tank Work the buckeye bladder tank is one component in a balanced pressure foam proportioning fire protection system. the bladder tank foam proportioning system from hd fire protect is a reliable and effective way to mix foam concentrate. bladder tanks are a key component of a complete balanced pressure proportioning fixed system which, upon activation,. When the nitrogen gas. How Does A Foam Bladder Tank Work.
From www.bladderfoamtank.com
Foam Bladder Tank Horizontal Tegalrejo International Online Technology How Does A Foam Bladder Tank Work • filling the inner bladder with the liquid via fill pipes. the bladder tank foam proportioning system from hd fire protect is a reliable and effective way to mix foam concentrate. the bladder tank proportioning system is a balanced pressure proportioning system, requiring no external power other than an. the buckeye bladder tank is one component in. How Does A Foam Bladder Tank Work.