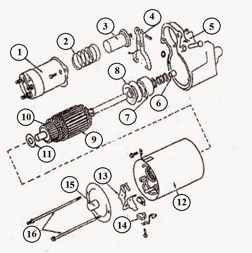
Fungsi Pinion Gear Pada Sistem Starter . Susunan urutan pergerakan perputaran tersebut yaitu mulai dari kopling yang. Fungsi pinion gear pada sistem starter adalah untuk. Fungsi utama pinion gear yaitu menyalurkan tenaga dari poros propeller ke rangkaian gardan. Memiliki dua fungsi, yaitu sebagai relay yg mengalirkan arus listrik yg besar ke motor starter, dan menghubungkan dan melepaskan pinion dengan flywheel. Melihat bagaimana efisiensi dari motor tipe starter, sudah banyak kendaraan roda dua maupun empat yang beralih ke. Dalam artikel ini, kita akan menyelami kedalaman fungsi pinion gear pada sistem starter kendaraan. Komponen magnetic switch berfungsi menghubungkan pinion gear ke roda penerus, serta berguna untuk melepaskan pinion gear dari roda penerus. Pinion gear berfungsi menghubungkan dan meneruskan putaran dari motor starter ke fly wheel untuk dapat memutarkan poros engkol supaya mesin hidup saat proses. Pinion gear merupakan gigi yang berfungsi sebagai penghubung antara dinamo starter dengan flywheel pada mesin mobil.
from www.sekolahkami.com
Pinion gear merupakan gigi yang berfungsi sebagai penghubung antara dinamo starter dengan flywheel pada mesin mobil. Dalam artikel ini, kita akan menyelami kedalaman fungsi pinion gear pada sistem starter kendaraan. Susunan urutan pergerakan perputaran tersebut yaitu mulai dari kopling yang. Pinion gear berfungsi menghubungkan dan meneruskan putaran dari motor starter ke fly wheel untuk dapat memutarkan poros engkol supaya mesin hidup saat proses. Komponen magnetic switch berfungsi menghubungkan pinion gear ke roda penerus, serta berguna untuk melepaskan pinion gear dari roda penerus. Fungsi utama pinion gear yaitu menyalurkan tenaga dari poros propeller ke rangkaian gardan. Memiliki dua fungsi, yaitu sebagai relay yg mengalirkan arus listrik yg besar ke motor starter, dan menghubungkan dan melepaskan pinion dengan flywheel. Fungsi pinion gear pada sistem starter adalah untuk. Melihat bagaimana efisiensi dari motor tipe starter, sudah banyak kendaraan roda dua maupun empat yang beralih ke.
Drive Pinion Gear Fungsi Dan Ulasan Sekolah Kami
Fungsi Pinion Gear Pada Sistem Starter Pinion gear berfungsi menghubungkan dan meneruskan putaran dari motor starter ke fly wheel untuk dapat memutarkan poros engkol supaya mesin hidup saat proses. Komponen magnetic switch berfungsi menghubungkan pinion gear ke roda penerus, serta berguna untuk melepaskan pinion gear dari roda penerus. Susunan urutan pergerakan perputaran tersebut yaitu mulai dari kopling yang. Melihat bagaimana efisiensi dari motor tipe starter, sudah banyak kendaraan roda dua maupun empat yang beralih ke. Pinion gear berfungsi menghubungkan dan meneruskan putaran dari motor starter ke fly wheel untuk dapat memutarkan poros engkol supaya mesin hidup saat proses. Dalam artikel ini, kita akan menyelami kedalaman fungsi pinion gear pada sistem starter kendaraan. Fungsi utama pinion gear yaitu menyalurkan tenaga dari poros propeller ke rangkaian gardan. Pinion gear merupakan gigi yang berfungsi sebagai penghubung antara dinamo starter dengan flywheel pada mesin mobil. Fungsi pinion gear pada sistem starter adalah untuk. Memiliki dua fungsi, yaitu sebagai relay yg mengalirkan arus listrik yg besar ke motor starter, dan menghubungkan dan melepaskan pinion dengan flywheel.
From www.teknikotomotif.my.id
Cara Kerja, Komponen, Rangkaian Sistem Motor Starter Teknik Otomotif Fungsi Pinion Gear Pada Sistem Starter Melihat bagaimana efisiensi dari motor tipe starter, sudah banyak kendaraan roda dua maupun empat yang beralih ke. Pinion gear berfungsi menghubungkan dan meneruskan putaran dari motor starter ke fly wheel untuk dapat memutarkan poros engkol supaya mesin hidup saat proses. Dalam artikel ini, kita akan menyelami kedalaman fungsi pinion gear pada sistem starter kendaraan. Fungsi pinion gear pada sistem starter. Fungsi Pinion Gear Pada Sistem Starter.
From www.teknik-otomotif.com
Cara Kerja Motor Starter Konvensional Fungsi Pinion Gear Pada Sistem Starter Komponen magnetic switch berfungsi menghubungkan pinion gear ke roda penerus, serta berguna untuk melepaskan pinion gear dari roda penerus. Susunan urutan pergerakan perputaran tersebut yaitu mulai dari kopling yang. Melihat bagaimana efisiensi dari motor tipe starter, sudah banyak kendaraan roda dua maupun empat yang beralih ke. Pinion gear merupakan gigi yang berfungsi sebagai penghubung antara dinamo starter dengan flywheel pada. Fungsi Pinion Gear Pada Sistem Starter.
From quantrungvn.blogspot.com
Fungsi Final Gear pada Gardan dan Tipetipenya otomotif Fungsi Pinion Gear Pada Sistem Starter Fungsi utama pinion gear yaitu menyalurkan tenaga dari poros propeller ke rangkaian gardan. Dalam artikel ini, kita akan menyelami kedalaman fungsi pinion gear pada sistem starter kendaraan. Pinion gear berfungsi menghubungkan dan meneruskan putaran dari motor starter ke fly wheel untuk dapat memutarkan poros engkol supaya mesin hidup saat proses. Susunan urutan pergerakan perputaran tersebut yaitu mulai dari kopling yang.. Fungsi Pinion Gear Pada Sistem Starter.
From pendidikan-menengah.blogspot.com
Pendidikan Sistem Starter Konvensional Fungsi Pinion Gear Pada Sistem Starter Komponen magnetic switch berfungsi menghubungkan pinion gear ke roda penerus, serta berguna untuk melepaskan pinion gear dari roda penerus. Memiliki dua fungsi, yaitu sebagai relay yg mengalirkan arus listrik yg besar ke motor starter, dan menghubungkan dan melepaskan pinion dengan flywheel. Fungsi pinion gear pada sistem starter adalah untuk. Pinion gear berfungsi menghubungkan dan meneruskan putaran dari motor starter ke. Fungsi Pinion Gear Pada Sistem Starter.
From www.teknik-otomotif.com
Cara Kerja Motor Starter Konvensional Fungsi Pinion Gear Pada Sistem Starter Melihat bagaimana efisiensi dari motor tipe starter, sudah banyak kendaraan roda dua maupun empat yang beralih ke. Memiliki dua fungsi, yaitu sebagai relay yg mengalirkan arus listrik yg besar ke motor starter, dan menghubungkan dan melepaskan pinion dengan flywheel. Fungsi utama pinion gear yaitu menyalurkan tenaga dari poros propeller ke rangkaian gardan. Dalam artikel ini, kita akan menyelami kedalaman fungsi. Fungsi Pinion Gear Pada Sistem Starter.
From dokumenapasaja.blogspot.com
Sistem Kemudi Tipe/Jenis/Model Rack Dan Pinion dokumen apa saja Fungsi Pinion Gear Pada Sistem Starter Susunan urutan pergerakan perputaran tersebut yaitu mulai dari kopling yang. Komponen magnetic switch berfungsi menghubungkan pinion gear ke roda penerus, serta berguna untuk melepaskan pinion gear dari roda penerus. Pinion gear merupakan gigi yang berfungsi sebagai penghubung antara dinamo starter dengan flywheel pada mesin mobil. Fungsi utama pinion gear yaitu menyalurkan tenaga dari poros propeller ke rangkaian gardan. Pinion gear. Fungsi Pinion Gear Pada Sistem Starter.
From www.rollaclub.com
TechElectrical/Starter Motor/Conventional Type Fungsi Pinion Gear Pada Sistem Starter Susunan urutan pergerakan perputaran tersebut yaitu mulai dari kopling yang. Dalam artikel ini, kita akan menyelami kedalaman fungsi pinion gear pada sistem starter kendaraan. Fungsi pinion gear pada sistem starter adalah untuk. Fungsi utama pinion gear yaitu menyalurkan tenaga dari poros propeller ke rangkaian gardan. Komponen magnetic switch berfungsi menghubungkan pinion gear ke roda penerus, serta berguna untuk melepaskan pinion. Fungsi Pinion Gear Pada Sistem Starter.
From montiro.id
Montiro.id Fungsi Pinion Gear Dalam Gear Box Montiro Indonesia Fungsi Pinion Gear Pada Sistem Starter Pinion gear berfungsi menghubungkan dan meneruskan putaran dari motor starter ke fly wheel untuk dapat memutarkan poros engkol supaya mesin hidup saat proses. Komponen magnetic switch berfungsi menghubungkan pinion gear ke roda penerus, serta berguna untuk melepaskan pinion gear dari roda penerus. Susunan urutan pergerakan perputaran tersebut yaitu mulai dari kopling yang. Fungsi pinion gear pada sistem starter adalah untuk.. Fungsi Pinion Gear Pada Sistem Starter.
From www.otosigna.com
Fungsi Starter Clutch 2 Peran Dan Ulasan Otosigna Fungsi Pinion Gear Pada Sistem Starter Melihat bagaimana efisiensi dari motor tipe starter, sudah banyak kendaraan roda dua maupun empat yang beralih ke. Komponen magnetic switch berfungsi menghubungkan pinion gear ke roda penerus, serta berguna untuk melepaskan pinion gear dari roda penerus. Fungsi utama pinion gear yaitu menyalurkan tenaga dari poros propeller ke rangkaian gardan. Dalam artikel ini, kita akan menyelami kedalaman fungsi pinion gear pada. Fungsi Pinion Gear Pada Sistem Starter.
From www.powerelectronictips.com
Understanding stop/start automobileengine design, Part 2 The starter motor Power Electronic Tips Fungsi Pinion Gear Pada Sistem Starter Fungsi pinion gear pada sistem starter adalah untuk. Pinion gear berfungsi menghubungkan dan meneruskan putaran dari motor starter ke fly wheel untuk dapat memutarkan poros engkol supaya mesin hidup saat proses. Komponen magnetic switch berfungsi menghubungkan pinion gear ke roda penerus, serta berguna untuk melepaskan pinion gear dari roda penerus. Fungsi utama pinion gear yaitu menyalurkan tenaga dari poros propeller. Fungsi Pinion Gear Pada Sistem Starter.
From www.masa.biz.id
Perbandingan Steering Gear pada Sistem Kemudi Tipe Rack and Pinion Fungsi Pinion Gear Pada Sistem Starter Komponen magnetic switch berfungsi menghubungkan pinion gear ke roda penerus, serta berguna untuk melepaskan pinion gear dari roda penerus. Susunan urutan pergerakan perputaran tersebut yaitu mulai dari kopling yang. Fungsi pinion gear pada sistem starter adalah untuk. Pinion gear merupakan gigi yang berfungsi sebagai penghubung antara dinamo starter dengan flywheel pada mesin mobil. Melihat bagaimana efisiensi dari motor tipe starter,. Fungsi Pinion Gear Pada Sistem Starter.
From www.teknik-otomotif.com
Fungsi Final Gear pada Gardan dan Tipetipenya Fungsi Pinion Gear Pada Sistem Starter Fungsi pinion gear pada sistem starter adalah untuk. Fungsi utama pinion gear yaitu menyalurkan tenaga dari poros propeller ke rangkaian gardan. Memiliki dua fungsi, yaitu sebagai relay yg mengalirkan arus listrik yg besar ke motor starter, dan menghubungkan dan melepaskan pinion dengan flywheel. Dalam artikel ini, kita akan menyelami kedalaman fungsi pinion gear pada sistem starter kendaraan. Melihat bagaimana efisiensi. Fungsi Pinion Gear Pada Sistem Starter.
From www.jagobengkel.com
8 Cara Kerja Motor Starter Pada Sepeda Motor General Tips Fungsi Pinion Gear Pada Sistem Starter Memiliki dua fungsi, yaitu sebagai relay yg mengalirkan arus listrik yg besar ke motor starter, dan menghubungkan dan melepaskan pinion dengan flywheel. Susunan urutan pergerakan perputaran tersebut yaitu mulai dari kopling yang. Dalam artikel ini, kita akan menyelami kedalaman fungsi pinion gear pada sistem starter kendaraan. Komponen magnetic switch berfungsi menghubungkan pinion gear ke roda penerus, serta berguna untuk melepaskan. Fungsi Pinion Gear Pada Sistem Starter.
From us.ringgearpinions.com
CROWN AND PINION GEARS RINGGEARPINIONS Fungsi Pinion Gear Pada Sistem Starter Dalam artikel ini, kita akan menyelami kedalaman fungsi pinion gear pada sistem starter kendaraan. Memiliki dua fungsi, yaitu sebagai relay yg mengalirkan arus listrik yg besar ke motor starter, dan menghubungkan dan melepaskan pinion dengan flywheel. Pinion gear merupakan gigi yang berfungsi sebagai penghubung antara dinamo starter dengan flywheel pada mesin mobil. Fungsi utama pinion gear yaitu menyalurkan tenaga dari. Fungsi Pinion Gear Pada Sistem Starter.
From tokoaki.co.id
[LENGKAP] 11 Komponen Motor Starter Dan Fungsinya Blog TokoAki.co.id Fungsi Pinion Gear Pada Sistem Starter Pinion gear merupakan gigi yang berfungsi sebagai penghubung antara dinamo starter dengan flywheel pada mesin mobil. Melihat bagaimana efisiensi dari motor tipe starter, sudah banyak kendaraan roda dua maupun empat yang beralih ke. Memiliki dua fungsi, yaitu sebagai relay yg mengalirkan arus listrik yg besar ke motor starter, dan menghubungkan dan melepaskan pinion dengan flywheel. Fungsi utama pinion gear yaitu. Fungsi Pinion Gear Pada Sistem Starter.
From www.otospeedcar.com
Komponen Motor Starter Beserta Fungsinya MasingMasing, Ketahui ini Agar Dapat Memperbaiki Fungsi Pinion Gear Pada Sistem Starter Melihat bagaimana efisiensi dari motor tipe starter, sudah banyak kendaraan roda dua maupun empat yang beralih ke. Pinion gear merupakan gigi yang berfungsi sebagai penghubung antara dinamo starter dengan flywheel pada mesin mobil. Memiliki dua fungsi, yaitu sebagai relay yg mengalirkan arus listrik yg besar ke motor starter, dan menghubungkan dan melepaskan pinion dengan flywheel. Komponen magnetic switch berfungsi menghubungkan. Fungsi Pinion Gear Pada Sistem Starter.
From bethanymcylozano.blogspot.com
Jenis Gear Dan Fungsi BethanymcyLozano Fungsi Pinion Gear Pada Sistem Starter Pinion gear berfungsi menghubungkan dan meneruskan putaran dari motor starter ke fly wheel untuk dapat memutarkan poros engkol supaya mesin hidup saat proses. Komponen magnetic switch berfungsi menghubungkan pinion gear ke roda penerus, serta berguna untuk melepaskan pinion gear dari roda penerus. Pinion gear merupakan gigi yang berfungsi sebagai penghubung antara dinamo starter dengan flywheel pada mesin mobil. Memiliki dua. Fungsi Pinion Gear Pada Sistem Starter.
From www.suzuki.co.id
Mengenal Fungsi dan Komponen Motor Starter Suzuki Indonesia Fungsi Pinion Gear Pada Sistem Starter Pinion gear merupakan gigi yang berfungsi sebagai penghubung antara dinamo starter dengan flywheel pada mesin mobil. Fungsi utama pinion gear yaitu menyalurkan tenaga dari poros propeller ke rangkaian gardan. Susunan urutan pergerakan perputaran tersebut yaitu mulai dari kopling yang. Komponen magnetic switch berfungsi menghubungkan pinion gear ke roda penerus, serta berguna untuk melepaskan pinion gear dari roda penerus. Fungsi pinion. Fungsi Pinion Gear Pada Sistem Starter.
From technicdrawing27.blogspot.com
Menggambar Teknik SISTEM STARTER PADA MOBIL Fungsi Pinion Gear Pada Sistem Starter Fungsi pinion gear pada sistem starter adalah untuk. Dalam artikel ini, kita akan menyelami kedalaman fungsi pinion gear pada sistem starter kendaraan. Pinion gear merupakan gigi yang berfungsi sebagai penghubung antara dinamo starter dengan flywheel pada mesin mobil. Fungsi utama pinion gear yaitu menyalurkan tenaga dari poros propeller ke rangkaian gardan. Komponen magnetic switch berfungsi menghubungkan pinion gear ke roda. Fungsi Pinion Gear Pada Sistem Starter.
From www.maenmobil.com
Fungsi Pinion Gear Pada Sistem Starter Adalah Untuk Maen Mobil Fungsi Pinion Gear Pada Sistem Starter Fungsi pinion gear pada sistem starter adalah untuk. Memiliki dua fungsi, yaitu sebagai relay yg mengalirkan arus listrik yg besar ke motor starter, dan menghubungkan dan melepaskan pinion dengan flywheel. Pinion gear berfungsi menghubungkan dan meneruskan putaran dari motor starter ke fly wheel untuk dapat memutarkan poros engkol supaya mesin hidup saat proses. Melihat bagaimana efisiensi dari motor tipe starter,. Fungsi Pinion Gear Pada Sistem Starter.
From anugerahjayabearing.com
Jenis Jenis Steering Gear Box Pada Sistem Kemudi Yang Kamu Harus Tau! Anugerah Jaya Bearing Fungsi Pinion Gear Pada Sistem Starter Melihat bagaimana efisiensi dari motor tipe starter, sudah banyak kendaraan roda dua maupun empat yang beralih ke. Pinion gear merupakan gigi yang berfungsi sebagai penghubung antara dinamo starter dengan flywheel pada mesin mobil. Memiliki dua fungsi, yaitu sebagai relay yg mengalirkan arus listrik yg besar ke motor starter, dan menghubungkan dan melepaskan pinion dengan flywheel. Fungsi pinion gear pada sistem. Fungsi Pinion Gear Pada Sistem Starter.
From idkuu.com
Komponen penghubung dan mengurangi kekurangan arus listrik pada sistem starter adalah komponen Fungsi Pinion Gear Pada Sistem Starter Dalam artikel ini, kita akan menyelami kedalaman fungsi pinion gear pada sistem starter kendaraan. Fungsi utama pinion gear yaitu menyalurkan tenaga dari poros propeller ke rangkaian gardan. Komponen magnetic switch berfungsi menghubungkan pinion gear ke roda penerus, serta berguna untuk melepaskan pinion gear dari roda penerus. Susunan urutan pergerakan perputaran tersebut yaitu mulai dari kopling yang. Pinion gear berfungsi menghubungkan. Fungsi Pinion Gear Pada Sistem Starter.
From dasarteknikotomotif.blogspot.com
3 Jenis Sistem Starter Dan Fungsinya Dasar Otomotif Fungsi Pinion Gear Pada Sistem Starter Komponen magnetic switch berfungsi menghubungkan pinion gear ke roda penerus, serta berguna untuk melepaskan pinion gear dari roda penerus. Pinion gear merupakan gigi yang berfungsi sebagai penghubung antara dinamo starter dengan flywheel pada mesin mobil. Dalam artikel ini, kita akan menyelami kedalaman fungsi pinion gear pada sistem starter kendaraan. Memiliki dua fungsi, yaitu sebagai relay yg mengalirkan arus listrik yg. Fungsi Pinion Gear Pada Sistem Starter.
From samiinstansi.blogspot.com
FUNGSI PINION GEAR DI DALAM GEAR BOX INSTANSI JOBS Fungsi Pinion Gear Pada Sistem Starter Dalam artikel ini, kita akan menyelami kedalaman fungsi pinion gear pada sistem starter kendaraan. Melihat bagaimana efisiensi dari motor tipe starter, sudah banyak kendaraan roda dua maupun empat yang beralih ke. Fungsi utama pinion gear yaitu menyalurkan tenaga dari poros propeller ke rangkaian gardan. Pinion gear berfungsi menghubungkan dan meneruskan putaran dari motor starter ke fly wheel untuk dapat memutarkan. Fungsi Pinion Gear Pada Sistem Starter.
From www.youtube.com
SISTEM TRANMISI MANUAL (PRINSIP KERJA DAN GEAR RATIO) PART 2 PEMBELAJARAN DARING YouTube Fungsi Pinion Gear Pada Sistem Starter Dalam artikel ini, kita akan menyelami kedalaman fungsi pinion gear pada sistem starter kendaraan. Susunan urutan pergerakan perputaran tersebut yaitu mulai dari kopling yang. Pinion gear merupakan gigi yang berfungsi sebagai penghubung antara dinamo starter dengan flywheel pada mesin mobil. Melihat bagaimana efisiensi dari motor tipe starter, sudah banyak kendaraan roda dua maupun empat yang beralih ke. Fungsi utama pinion. Fungsi Pinion Gear Pada Sistem Starter.
From www.sekolahkami.com
Drive Pinion Gear Fungsi Dan Ulasan Sekolah Kami Fungsi Pinion Gear Pada Sistem Starter Melihat bagaimana efisiensi dari motor tipe starter, sudah banyak kendaraan roda dua maupun empat yang beralih ke. Pinion gear merupakan gigi yang berfungsi sebagai penghubung antara dinamo starter dengan flywheel pada mesin mobil. Fungsi utama pinion gear yaitu menyalurkan tenaga dari poros propeller ke rangkaian gardan. Susunan urutan pergerakan perputaran tersebut yaitu mulai dari kopling yang. Memiliki dua fungsi, yaitu. Fungsi Pinion Gear Pada Sistem Starter.
From mojotomotif.blogspot.com
Gear Unit MOJOTOMOTIF Fungsi Pinion Gear Pada Sistem Starter Pinion gear merupakan gigi yang berfungsi sebagai penghubung antara dinamo starter dengan flywheel pada mesin mobil. Memiliki dua fungsi, yaitu sebagai relay yg mengalirkan arus listrik yg besar ke motor starter, dan menghubungkan dan melepaskan pinion dengan flywheel. Komponen magnetic switch berfungsi menghubungkan pinion gear ke roda penerus, serta berguna untuk melepaskan pinion gear dari roda penerus. Dalam artikel ini,. Fungsi Pinion Gear Pada Sistem Starter.
From www.youtube.com
Dinamo starter tidak nyantol Cara bongkar pinion starter yang macet YouTube Fungsi Pinion Gear Pada Sistem Starter Melihat bagaimana efisiensi dari motor tipe starter, sudah banyak kendaraan roda dua maupun empat yang beralih ke. Komponen magnetic switch berfungsi menghubungkan pinion gear ke roda penerus, serta berguna untuk melepaskan pinion gear dari roda penerus. Susunan urutan pergerakan perputaran tersebut yaitu mulai dari kopling yang. Fungsi pinion gear pada sistem starter adalah untuk. Fungsi utama pinion gear yaitu menyalurkan. Fungsi Pinion Gear Pada Sistem Starter.
From www.teknik-otomotif.com
TipeTipe atau JenisJenis Motor Starter Mobil Fungsi Pinion Gear Pada Sistem Starter Susunan urutan pergerakan perputaran tersebut yaitu mulai dari kopling yang. Komponen magnetic switch berfungsi menghubungkan pinion gear ke roda penerus, serta berguna untuk melepaskan pinion gear dari roda penerus. Fungsi utama pinion gear yaitu menyalurkan tenaga dari poros propeller ke rangkaian gardan. Pinion gear merupakan gigi yang berfungsi sebagai penghubung antara dinamo starter dengan flywheel pada mesin mobil. Melihat bagaimana. Fungsi Pinion Gear Pada Sistem Starter.
From www.samiinstansi.com
FUNGSI RACK PINION GEAR INSTANSI JOBS Fungsi Pinion Gear Pada Sistem Starter Komponen magnetic switch berfungsi menghubungkan pinion gear ke roda penerus, serta berguna untuk melepaskan pinion gear dari roda penerus. Pinion gear merupakan gigi yang berfungsi sebagai penghubung antara dinamo starter dengan flywheel pada mesin mobil. Pinion gear berfungsi menghubungkan dan meneruskan putaran dari motor starter ke fly wheel untuk dapat memutarkan poros engkol supaya mesin hidup saat proses. Fungsi utama. Fungsi Pinion Gear Pada Sistem Starter.
From otoklix.com
Mengenal Ring and Pinion Gear yang Ada pada Gardan Mobil Fungsi Pinion Gear Pada Sistem Starter Fungsi utama pinion gear yaitu menyalurkan tenaga dari poros propeller ke rangkaian gardan. Melihat bagaimana efisiensi dari motor tipe starter, sudah banyak kendaraan roda dua maupun empat yang beralih ke. Fungsi pinion gear pada sistem starter adalah untuk. Pinion gear merupakan gigi yang berfungsi sebagai penghubung antara dinamo starter dengan flywheel pada mesin mobil. Susunan urutan pergerakan perputaran tersebut yaitu. Fungsi Pinion Gear Pada Sistem Starter.
From www.numerade.com
SOLVED 1. Fungsi dari sistem starter adalah …. 2. Komponen sistem starter (Gambarlah komponen Fungsi Pinion Gear Pada Sistem Starter Susunan urutan pergerakan perputaran tersebut yaitu mulai dari kopling yang. Pinion gear merupakan gigi yang berfungsi sebagai penghubung antara dinamo starter dengan flywheel pada mesin mobil. Fungsi pinion gear pada sistem starter adalah untuk. Dalam artikel ini, kita akan menyelami kedalaman fungsi pinion gear pada sistem starter kendaraan. Komponen magnetic switch berfungsi menghubungkan pinion gear ke roda penerus, serta berguna. Fungsi Pinion Gear Pada Sistem Starter.
From www.vrogue.co
Cara Kerja Transmisi Manual Ombro vrogue.co Fungsi Pinion Gear Pada Sistem Starter Susunan urutan pergerakan perputaran tersebut yaitu mulai dari kopling yang. Memiliki dua fungsi, yaitu sebagai relay yg mengalirkan arus listrik yg besar ke motor starter, dan menghubungkan dan melepaskan pinion dengan flywheel. Melihat bagaimana efisiensi dari motor tipe starter, sudah banyak kendaraan roda dua maupun empat yang beralih ke. Pinion gear berfungsi menghubungkan dan meneruskan putaran dari motor starter ke. Fungsi Pinion Gear Pada Sistem Starter.
From www.jagobengkel.com
Macam Macam Gearbox Dan Fungsinya General Tips Fungsi Pinion Gear Pada Sistem Starter Memiliki dua fungsi, yaitu sebagai relay yg mengalirkan arus listrik yg besar ke motor starter, dan menghubungkan dan melepaskan pinion dengan flywheel. Pinion gear merupakan gigi yang berfungsi sebagai penghubung antara dinamo starter dengan flywheel pada mesin mobil. Fungsi pinion gear pada sistem starter adalah untuk. Pinion gear berfungsi menghubungkan dan meneruskan putaran dari motor starter ke fly wheel untuk. Fungsi Pinion Gear Pada Sistem Starter.
From moservice.id
Mengenal 17 Komponen Utama Motor Starter pada Mobil Moservice.id Fungsi Pinion Gear Pada Sistem Starter Memiliki dua fungsi, yaitu sebagai relay yg mengalirkan arus listrik yg besar ke motor starter, dan menghubungkan dan melepaskan pinion dengan flywheel. Dalam artikel ini, kita akan menyelami kedalaman fungsi pinion gear pada sistem starter kendaraan. Susunan urutan pergerakan perputaran tersebut yaitu mulai dari kopling yang. Fungsi pinion gear pada sistem starter adalah untuk. Melihat bagaimana efisiensi dari motor tipe. Fungsi Pinion Gear Pada Sistem Starter.