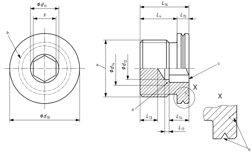
Sae Port Plug Dimensions . Diameter u shall be concentric with thread pitch diameter within 0.005 tir, and shall be free. Download a pdf of this page. This part defines performance requirements, dimensions, and designs for −2 through −32 internal and external hex port plugs. Zeroleak gold® hexhead standard (sae j514 / english) thread port plugs which are interchangeable with plugs used in sae j1926. See port dimensions and reference drawings to assist with design efforts. Sae / threaded port plugs. For the above applications, a port connection with an elastomeric seal, such as sae straight thread port (sae j1926/iso11926),.
        
         
         
        from eisinserts.com 
     
        
        For the above applications, a port connection with an elastomeric seal, such as sae straight thread port (sae j1926/iso11926),. Sae / threaded port plugs. See port dimensions and reference drawings to assist with design efforts. Zeroleak gold® hexhead standard (sae j514 / english) thread port plugs which are interchangeable with plugs used in sae j1926. Diameter u shall be concentric with thread pitch diameter within 0.005 tir, and shall be free. Download a pdf of this page. This part defines performance requirements, dimensions, and designs for −2 through −32 internal and external hex port plugs.
    
    	
            
	
		 
	 
         
    SAE "No Leak" / Threaded Port Plugs 
    Sae Port Plug Dimensions  For the above applications, a port connection with an elastomeric seal, such as sae straight thread port (sae j1926/iso11926),. For the above applications, a port connection with an elastomeric seal, such as sae straight thread port (sae j1926/iso11926),. See port dimensions and reference drawings to assist with design efforts. Sae / threaded port plugs. Download a pdf of this page. Zeroleak gold® hexhead standard (sae j514 / english) thread port plugs which are interchangeable with plugs used in sae j1926. This part defines performance requirements, dimensions, and designs for −2 through −32 internal and external hex port plugs. Diameter u shall be concentric with thread pitch diameter within 0.005 tir, and shall be free.
            
	
		 
	 
         
 
    
         
        From www.jiayuanfitting.com 
                    SAE J531 dimensions hexagon outside pipe filler drain plugs Knowledge Sae Port Plug Dimensions  Diameter u shall be concentric with thread pitch diameter within 0.005 tir, and shall be free. Download a pdf of this page. See port dimensions and reference drawings to assist with design efforts. Zeroleak gold® hexhead standard (sae j514 / english) thread port plugs which are interchangeable with plugs used in sae j1926. For the above applications, a port connection. Sae Port Plug Dimensions.
     
    
         
        From www.pinterest.cl 
                    Sae, O Ring, Hydraulic, Plugs, Size Chart, Drawing, Corks, Sketches Sae Port Plug Dimensions  Zeroleak gold® hexhead standard (sae j514 / english) thread port plugs which are interchangeable with plugs used in sae j1926. For the above applications, a port connection with an elastomeric seal, such as sae straight thread port (sae j1926/iso11926),. Download a pdf of this page. See port dimensions and reference drawings to assist with design efforts. This part defines performance. Sae Port Plug Dimensions.
     
    
         
        From www.jiayuanfitting.com 
                    SAE J531 dimensions hexagon outside pipe filler drain plugs Knowledge Sae Port Plug Dimensions  For the above applications, a port connection with an elastomeric seal, such as sae straight thread port (sae j1926/iso11926),. Zeroleak gold® hexhead standard (sae j514 / english) thread port plugs which are interchangeable with plugs used in sae j1926. This part defines performance requirements, dimensions, and designs for −2 through −32 internal and external hex port plugs. Sae / threaded. Sae Port Plug Dimensions.
     
    
         
        From www.pinterest.com 
                    SAE Socket Sizes for 1/4" Drive Chart Imperial Socket Wrenches Sae Port Plug Dimensions  See port dimensions and reference drawings to assist with design efforts. For the above applications, a port connection with an elastomeric seal, such as sae straight thread port (sae j1926/iso11926),. Diameter u shall be concentric with thread pitch diameter within 0.005 tir, and shall be free. Download a pdf of this page. This part defines performance requirements, dimensions, and designs. Sae Port Plug Dimensions.
     
    
         
        From www.valvers.com 
                    AN and JIC Fittings Sae Port Plug Dimensions  Sae / threaded port plugs. Diameter u shall be concentric with thread pitch diameter within 0.005 tir, and shall be free. Download a pdf of this page. Zeroleak gold® hexhead standard (sae j514 / english) thread port plugs which are interchangeable with plugs used in sae j1926. See port dimensions and reference drawings to assist with design efforts. For the. Sae Port Plug Dimensions.
     
    
         
        From www.alibaba.com 
                    1m Sidewall Port Sae Connector Plug 12v Extension Cord Socket 12 Volt 2 Sae Port Plug Dimensions  Sae / threaded port plugs. For the above applications, a port connection with an elastomeric seal, such as sae straight thread port (sae j1926/iso11926),. Download a pdf of this page. Zeroleak gold® hexhead standard (sae j514 / english) thread port plugs which are interchangeable with plugs used in sae j1926. Diameter u shall be concentric with thread pitch diameter within. Sae Port Plug Dimensions.
     
    
         
        From www.rhhardware.com 
                    4ON SAE ORING BOSS HOLLOW HEX PLUG sae fittings Ruihua Hardware Sae Port Plug Dimensions  Diameter u shall be concentric with thread pitch diameter within 0.005 tir, and shall be free. See port dimensions and reference drawings to assist with design efforts. For the above applications, a port connection with an elastomeric seal, such as sae straight thread port (sae j1926/iso11926),. Download a pdf of this page. Sae / threaded port plugs. This part defines. Sae Port Plug Dimensions.
     
    
         
        From learningcampusdirk.z13.web.core.windows.net 
                    Socket Size Chart Sae Sae Port Plug Dimensions  For the above applications, a port connection with an elastomeric seal, such as sae straight thread port (sae j1926/iso11926),. This part defines performance requirements, dimensions, and designs for −2 through −32 internal and external hex port plugs. Zeroleak gold® hexhead standard (sae j514 / english) thread port plugs which are interchangeable with plugs used in sae j1926. Sae / threaded. Sae Port Plug Dimensions.
     
    
         
        From www.pfa-inc.com 
                    PFA 8 SAE Port Plug Standard Oring PFA, Inc. Sae Port Plug Dimensions  Sae / threaded port plugs. Zeroleak gold® hexhead standard (sae j514 / english) thread port plugs which are interchangeable with plugs used in sae j1926. See port dimensions and reference drawings to assist with design efforts. Diameter u shall be concentric with thread pitch diameter within 0.005 tir, and shall be free. Download a pdf of this page. For the. Sae Port Plug Dimensions.
     
    
         
        From www.oceanproperty.co.th 
                    Port Dimensions Drawings ZeroLeak Gold Plugs, 57 OFF Sae Port Plug Dimensions  Sae / threaded port plugs. Zeroleak gold® hexhead standard (sae j514 / english) thread port plugs which are interchangeable with plugs used in sae j1926. For the above applications, a port connection with an elastomeric seal, such as sae straight thread port (sae j1926/iso11926),. Download a pdf of this page. This part defines performance requirements, dimensions, and designs for −2. Sae Port Plug Dimensions.
     
    
         
        From cyberswitching.com 
                    All About The SAE J1772 Level 2 Charger News Cyberswitching Sae Port Plug Dimensions  Download a pdf of this page. Diameter u shall be concentric with thread pitch diameter within 0.005 tir, and shall be free. See port dimensions and reference drawings to assist with design efforts. This part defines performance requirements, dimensions, and designs for −2 through −32 internal and external hex port plugs. For the above applications, a port connection with an. Sae Port Plug Dimensions.
     
    
         
        From www.pinterest.com 
                    Pinterest Sae Port Plug Dimensions  For the above applications, a port connection with an elastomeric seal, such as sae straight thread port (sae j1926/iso11926),. Sae / threaded port plugs. This part defines performance requirements, dimensions, and designs for −2 through −32 internal and external hex port plugs. See port dimensions and reference drawings to assist with design efforts. Download a pdf of this page. Diameter. Sae Port Plug Dimensions.
     
    
         
        From www.generant.com 
                    SAE/MS Male Straight Thread Connector (DCU) Tube Fittings Generant Sae Port Plug Dimensions  Zeroleak gold® hexhead standard (sae j514 / english) thread port plugs which are interchangeable with plugs used in sae j1926. Diameter u shall be concentric with thread pitch diameter within 0.005 tir, and shall be free. This part defines performance requirements, dimensions, and designs for −2 through −32 internal and external hex port plugs. For the above applications, a port. Sae Port Plug Dimensions.
     
    
         
        From www.pinterest.co.uk 
                    SAE thread Flareless compression fitting size chart Sae, Compression Sae Port Plug Dimensions  For the above applications, a port connection with an elastomeric seal, such as sae straight thread port (sae j1926/iso11926),. This part defines performance requirements, dimensions, and designs for −2 through −32 internal and external hex port plugs. Diameter u shall be concentric with thread pitch diameter within 0.005 tir, and shall be free. Zeroleak gold® hexhead standard (sae j514 /. Sae Port Plug Dimensions.
     
    
         
        From www.skylandmetal.in 
                    Threaded Plug, Brass Threaded Plug, Copper Threaded Plug, NPT SS Plug Sae Port Plug Dimensions  For the above applications, a port connection with an elastomeric seal, such as sae straight thread port (sae j1926/iso11926),. Diameter u shall be concentric with thread pitch diameter within 0.005 tir, and shall be free. This part defines performance requirements, dimensions, and designs for −2 through −32 internal and external hex port plugs. Download a pdf of this page. Sae. Sae Port Plug Dimensions.
     
    
         
        From www.pinterest.com 
                    SAE J531 dimensions square hexagon inside pipe filler drain plugs table Sae Port Plug Dimensions  This part defines performance requirements, dimensions, and designs for −2 through −32 internal and external hex port plugs. Zeroleak gold® hexhead standard (sae j514 / english) thread port plugs which are interchangeable with plugs used in sae j1926. Download a pdf of this page. See port dimensions and reference drawings to assist with design efforts. Sae / threaded port plugs.. Sae Port Plug Dimensions.
     
    
         
        From eisinserts.com 
                    SAE "No Leak" / Threaded Port Plugs Sae Port Plug Dimensions  See port dimensions and reference drawings to assist with design efforts. Sae / threaded port plugs. Download a pdf of this page. Zeroleak gold® hexhead standard (sae j514 / english) thread port plugs which are interchangeable with plugs used in sae j1926. For the above applications, a port connection with an elastomeric seal, such as sae straight thread port (sae. Sae Port Plug Dimensions.
     
    
         
        From www.jiayuanfitting.com 
                    SAE J531 dimensions square hexagon inside pipe filler drain plugs Sae Port Plug Dimensions  Download a pdf of this page. Diameter u shall be concentric with thread pitch diameter within 0.005 tir, and shall be free. Zeroleak gold® hexhead standard (sae j514 / english) thread port plugs which are interchangeable with plugs used in sae j1926. Sae / threaded port plugs. For the above applications, a port connection with an elastomeric seal, such as. Sae Port Plug Dimensions.
     
    
         
        From www.jiayuanfitting.com 
                    SAE J513 dimensions drum adapter fusible pipe plugs Knowledge Yuyao Sae Port Plug Dimensions  Sae / threaded port plugs. Diameter u shall be concentric with thread pitch diameter within 0.005 tir, and shall be free. Zeroleak gold® hexhead standard (sae j514 / english) thread port plugs which are interchangeable with plugs used in sae j1926. This part defines performance requirements, dimensions, and designs for −2 through −32 internal and external hex port plugs. For. Sae Port Plug Dimensions.
     
    
         
        From www.pinterest.co.uk 
                    SAE J532 Dimensions Automotive Filler and Drain Plugs FIGURE6 Drain Sae Port Plug Dimensions  Diameter u shall be concentric with thread pitch diameter within 0.005 tir, and shall be free. Zeroleak gold® hexhead standard (sae j514 / english) thread port plugs which are interchangeable with plugs used in sae j1926. See port dimensions and reference drawings to assist with design efforts. Download a pdf of this page. This part defines performance requirements, dimensions, and. Sae Port Plug Dimensions.
     
    
         
        From fluiddrivecoupling.com 
                    SAE J514 dimensions JIC 37° flared tubes Knowledge EVERPOWER GROUP Sae Port Plug Dimensions  See port dimensions and reference drawings to assist with design efforts. Download a pdf of this page. For the above applications, a port connection with an elastomeric seal, such as sae straight thread port (sae j1926/iso11926),. Zeroleak gold® hexhead standard (sae j514 / english) thread port plugs which are interchangeable with plugs used in sae j1926. This part defines performance. Sae Port Plug Dimensions.
     
    
         
        From www.jiayuanfitting.com 
                    SAE J531 dimensions square hexagon countersunk headless pipe filler Sae Port Plug Dimensions  For the above applications, a port connection with an elastomeric seal, such as sae straight thread port (sae j1926/iso11926),. Diameter u shall be concentric with thread pitch diameter within 0.005 tir, and shall be free. This part defines performance requirements, dimensions, and designs for −2 through −32 internal and external hex port plugs. Sae / threaded port plugs. See port. Sae Port Plug Dimensions.
     
    
         
        From www.pfa-inc.com 
                    PFA 2 SAE Port Plug Standard Oring PFA, Inc. Sae Port Plug Dimensions  For the above applications, a port connection with an elastomeric seal, such as sae straight thread port (sae j1926/iso11926),. See port dimensions and reference drawings to assist with design efforts. This part defines performance requirements, dimensions, and designs for −2 through −32 internal and external hex port plugs. Download a pdf of this page. Sae / threaded port plugs. Diameter. Sae Port Plug Dimensions.
     
    
         
        From www.pinterest.co.uk 
                    SAE J531 dimensions hexagon outside pipe filler drain plugs table 3 c Sae Port Plug Dimensions  Sae / threaded port plugs. See port dimensions and reference drawings to assist with design efforts. Diameter u shall be concentric with thread pitch diameter within 0.005 tir, and shall be free. Download a pdf of this page. For the above applications, a port connection with an elastomeric seal, such as sae straight thread port (sae j1926/iso11926),. This part defines. Sae Port Plug Dimensions.
     
    
         
        From www.fitsch.cn 
                    Metric Hydraulic Caps and Plugs DIN 908 Screw Plug FITSC Sae Port Plug Dimensions  For the above applications, a port connection with an elastomeric seal, such as sae straight thread port (sae j1926/iso11926),. Zeroleak gold® hexhead standard (sae j514 / english) thread port plugs which are interchangeable with plugs used in sae j1926. Download a pdf of this page. Diameter u shall be concentric with thread pitch diameter within 0.005 tir, and shall be. Sae Port Plug Dimensions.
     
    
         
        From www.new-line.com 
                    Fitting Thread Size Chart Sae Port Plug Dimensions  Sae / threaded port plugs. Diameter u shall be concentric with thread pitch diameter within 0.005 tir, and shall be free. See port dimensions and reference drawings to assist with design efforts. Download a pdf of this page. Zeroleak gold® hexhead standard (sae j514 / english) thread port plugs which are interchangeable with plugs used in sae j1926. For the. Sae Port Plug Dimensions.
     
    
         
        From www.practicalmachinist.com 
                    SAE J1926 Port Diagram What is "D4"? Sae Port Plug Dimensions  Sae / threaded port plugs. This part defines performance requirements, dimensions, and designs for −2 through −32 internal and external hex port plugs. See port dimensions and reference drawings to assist with design efforts. Download a pdf of this page. Zeroleak gold® hexhead standard (sae j514 / english) thread port plugs which are interchangeable with plugs used in sae j1926.. Sae Port Plug Dimensions.
     
    
         
        From www.pinterest.com 
                    SAE thread ORB fitting size chart Size chart, Chart, Mechanical design Sae Port Plug Dimensions  Download a pdf of this page. See port dimensions and reference drawings to assist with design efforts. This part defines performance requirements, dimensions, and designs for −2 through −32 internal and external hex port plugs. Diameter u shall be concentric with thread pitch diameter within 0.005 tir, and shall be free. Sae / threaded port plugs. For the above applications,. Sae Port Plug Dimensions.
     
    
         
        From www.jiayuanfitting.com 
                    SAE J512 inverted flare plug nut dimensions Knowledge Yuyao Jiayuan Sae Port Plug Dimensions  Zeroleak gold® hexhead standard (sae j514 / english) thread port plugs which are interchangeable with plugs used in sae j1926. Diameter u shall be concentric with thread pitch diameter within 0.005 tir, and shall be free. This part defines performance requirements, dimensions, and designs for −2 through −32 internal and external hex port plugs. See port dimensions and reference drawings. Sae Port Plug Dimensions.
     
    
         
        From www.pinterest.co.uk 
                    SAE J1926 vs ISO 11926 fittings port stud tool spec standards Sae Sae Port Plug Dimensions  See port dimensions and reference drawings to assist with design efforts. Sae / threaded port plugs. Diameter u shall be concentric with thread pitch diameter within 0.005 tir, and shall be free. This part defines performance requirements, dimensions, and designs for −2 through −32 internal and external hex port plugs. For the above applications, a port connection with an elastomeric. Sae Port Plug Dimensions.
     
    
         
        From www.surpluscenter.com 
                    3/4" NPT/SAE 12 /JIC 12 Plastic Port Plug Caplugs T12X Plastic Port Sae Port Plug Dimensions  This part defines performance requirements, dimensions, and designs for −2 through −32 internal and external hex port plugs. See port dimensions and reference drawings to assist with design efforts. Download a pdf of this page. For the above applications, a port connection with an elastomeric seal, such as sae straight thread port (sae j1926/iso11926),. Diameter u shall be concentric with. Sae Port Plug Dimensions.
     
    
         
        From www.fitsch.cn 
                    JIC Plug and Caps Buy jic cap and plug sizes, jic cap and plug kit Sae Port Plug Dimensions  Diameter u shall be concentric with thread pitch diameter within 0.005 tir, and shall be free. For the above applications, a port connection with an elastomeric seal, such as sae straight thread port (sae j1926/iso11926),. See port dimensions and reference drawings to assist with design efforts. This part defines performance requirements, dimensions, and designs for −2 through −32 internal and. Sae Port Plug Dimensions.
     
    
         
        From www.pfa-inc.com 
                    PFA 4 SAE Port Plug Standard Oring PFA, Inc. Sae Port Plug Dimensions  See port dimensions and reference drawings to assist with design efforts. Sae / threaded port plugs. Zeroleak gold® hexhead standard (sae j514 / english) thread port plugs which are interchangeable with plugs used in sae j1926. For the above applications, a port connection with an elastomeric seal, such as sae straight thread port (sae j1926/iso11926),. Download a pdf of this. Sae Port Plug Dimensions.
     
    
         
        From www.jiayuanfitting.com 
                    SAE J514 dimensions JIC 37° flared tubes Knowledge Yuyao Jiayuan Sae Port Plug Dimensions  This part defines performance requirements, dimensions, and designs for −2 through −32 internal and external hex port plugs. See port dimensions and reference drawings to assist with design efforts. Zeroleak gold® hexhead standard (sae j514 / english) thread port plugs which are interchangeable with plugs used in sae j1926. Diameter u shall be concentric with thread pitch diameter within 0.005. Sae Port Plug Dimensions.
     
    
         
        From www.jiayuanfitting.com 
                    SAE J514 JIC plugs caps dimensions types Knowledge Yuyao Jiayuan Sae Port Plug Dimensions  This part defines performance requirements, dimensions, and designs for −2 through −32 internal and external hex port plugs. See port dimensions and reference drawings to assist with design efforts. Diameter u shall be concentric with thread pitch diameter within 0.005 tir, and shall be free. Download a pdf of this page. For the above applications, a port connection with an. Sae Port Plug Dimensions.