Gas Based Dri Process . direct reduction is the removal (reduction) of oxygen from iron ore in its solid state. direct reduction of iron is the removal of oxygen from iron ore or other iron bearing materials in the solid state, i.e. gas based process is simple to operate and involves three major steps namely (i) iron ore reduction, (ii) gas. To meet the dri production target of 80 million tonne.
from www.youtube.com
To meet the dri production target of 80 million tonne. direct reduction is the removal (reduction) of oxygen from iron ore in its solid state. direct reduction of iron is the removal of oxygen from iron ore or other iron bearing materials in the solid state, i.e. gas based process is simple to operate and involves three major steps namely (i) iron ore reduction, (ii) gas.
SL RN (Iron Making Rotary Kiln Process for DRI Production) YouTube
Gas Based Dri Process To meet the dri production target of 80 million tonne. gas based process is simple to operate and involves three major steps namely (i) iron ore reduction, (ii) gas. direct reduction is the removal (reduction) of oxygen from iron ore in its solid state. direct reduction of iron is the removal of oxygen from iron ore or other iron bearing materials in the solid state, i.e. To meet the dri production target of 80 million tonne.
From www.researchgate.net
Simplified schematic diagram of Midrex DRI process (Adapted from Gas Based Dri Process To meet the dri production target of 80 million tonne. direct reduction is the removal (reduction) of oxygen from iron ore in its solid state. direct reduction of iron is the removal of oxygen from iron ore or other iron bearing materials in the solid state, i.e. gas based process is simple to operate and involves three. Gas Based Dri Process.
From libertysteelgroup.com
A Direct Reduced Iron (DRI) plant LIBERTY Steel Group Gas Based Dri Process direct reduction of iron is the removal of oxygen from iron ore or other iron bearing materials in the solid state, i.e. direct reduction is the removal (reduction) of oxygen from iron ore in its solid state. To meet the dri production target of 80 million tonne. gas based process is simple to operate and involves three. Gas Based Dri Process.
From libertysteelgroup.com
A Direct Reduced Iron (DRI) plant LIBERTY Steel Group Gas Based Dri Process gas based process is simple to operate and involves three major steps namely (i) iron ore reduction, (ii) gas. direct reduction is the removal (reduction) of oxygen from iron ore in its solid state. direct reduction of iron is the removal of oxygen from iron ore or other iron bearing materials in the solid state, i.e. To. Gas Based Dri Process.
From www.casepl.com
CASE GROUP Gas Based Dri Process gas based process is simple to operate and involves three major steps namely (i) iron ore reduction, (ii) gas. direct reduction is the removal (reduction) of oxygen from iron ore in its solid state. To meet the dri production target of 80 million tonne. direct reduction of iron is the removal of oxygen from iron ore or. Gas Based Dri Process.
From pubs.rsc.org
Green steel design and cost analysis of hydrogenbased direct iron Gas Based Dri Process direct reduction is the removal (reduction) of oxygen from iron ore in its solid state. gas based process is simple to operate and involves three major steps namely (i) iron ore reduction, (ii) gas. direct reduction of iron is the removal of oxygen from iron ore or other iron bearing materials in the solid state, i.e. To. Gas Based Dri Process.
From www.youtube.com
SL RN (Iron Making Rotary Kiln Process for DRI Production) YouTube Gas Based Dri Process direct reduction of iron is the removal of oxygen from iron ore or other iron bearing materials in the solid state, i.e. To meet the dri production target of 80 million tonne. gas based process is simple to operate and involves three major steps namely (i) iron ore reduction, (ii) gas. direct reduction is the removal (reduction). Gas Based Dri Process.
From www.scoopnest.com
The 2 mtpa dri plant at is world's largest based dri plant. with Gas Based Dri Process gas based process is simple to operate and involves three major steps namely (i) iron ore reduction, (ii) gas. direct reduction of iron is the removal of oxygen from iron ore or other iron bearing materials in the solid state, i.e. To meet the dri production target of 80 million tonne. direct reduction is the removal (reduction). Gas Based Dri Process.
From www.midrex.com
Impact of Hydrogen DRI on EAF Steelmaking Midrex Technologies, Inc. Gas Based Dri Process gas based process is simple to operate and involves three major steps namely (i) iron ore reduction, (ii) gas. To meet the dri production target of 80 million tonne. direct reduction is the removal (reduction) of oxygen from iron ore in its solid state. direct reduction of iron is the removal of oxygen from iron ore or. Gas Based Dri Process.
From www.iran2africa.com
Direct Reduced Iron (DRI) Iran2africa Gas Based Dri Process To meet the dri production target of 80 million tonne. direct reduction is the removal (reduction) of oxygen from iron ore in its solid state. direct reduction of iron is the removal of oxygen from iron ore or other iron bearing materials in the solid state, i.e. gas based process is simple to operate and involves three. Gas Based Dri Process.
From www.researchgate.net
Systems map for the DRI process Download Scientific Diagram Gas Based Dri Process direct reduction is the removal (reduction) of oxygen from iron ore in its solid state. gas based process is simple to operate and involves three major steps namely (i) iron ore reduction, (ii) gas. direct reduction of iron is the removal of oxygen from iron ore or other iron bearing materials in the solid state, i.e. To. Gas Based Dri Process.
From www.midrex.com
Increasing Carbon Flexibility in MIDREX® DRI Products Adjustable to 4 Gas Based Dri Process direct reduction of iron is the removal of oxygen from iron ore or other iron bearing materials in the solid state, i.e. To meet the dri production target of 80 million tonne. gas based process is simple to operate and involves three major steps namely (i) iron ore reduction, (ii) gas. direct reduction is the removal (reduction). Gas Based Dri Process.
From www.researchgate.net
(PDF) Perspectives on the reducing CO 2 emissions of gasbased DRI in Gas Based Dri Process direct reduction of iron is the removal of oxygen from iron ore or other iron bearing materials in the solid state, i.e. To meet the dri production target of 80 million tonne. gas based process is simple to operate and involves three major steps namely (i) iron ore reduction, (ii) gas. direct reduction is the removal (reduction). Gas Based Dri Process.
From www.researchgate.net
Reactions in the DRI process Download Scientific Diagram Gas Based Dri Process direct reduction is the removal (reduction) of oxygen from iron ore in its solid state. gas based process is simple to operate and involves three major steps namely (i) iron ore reduction, (ii) gas. To meet the dri production target of 80 million tonne. direct reduction of iron is the removal of oxygen from iron ore or. Gas Based Dri Process.
From www.pumpsandsystems.com
Dry Gas Seal Requirements Gas Based Dri Process To meet the dri production target of 80 million tonne. direct reduction of iron is the removal of oxygen from iron ore or other iron bearing materials in the solid state, i.e. direct reduction is the removal (reduction) of oxygen from iron ore in its solid state. gas based process is simple to operate and involves three. Gas Based Dri Process.
From www.waca.msf.org
POSCO develops hydrogen reduction steelmaking to achieve netzero by Gas Based Dri Process To meet the dri production target of 80 million tonne. direct reduction of iron is the removal of oxygen from iron ore or other iron bearing materials in the solid state, i.e. gas based process is simple to operate and involves three major steps namely (i) iron ore reduction, (ii) gas. direct reduction is the removal (reduction). Gas Based Dri Process.
From www.tec-science.com
Direct reduced iron process tecscience Gas Based Dri Process direct reduction of iron is the removal of oxygen from iron ore or other iron bearing materials in the solid state, i.e. direct reduction is the removal (reduction) of oxygen from iron ore in its solid state. gas based process is simple to operate and involves three major steps namely (i) iron ore reduction, (ii) gas. To. Gas Based Dri Process.
From trimulaindustries.in
Sponge Iron Division Trimula Industries Gas Based Dri Process direct reduction is the removal (reduction) of oxygen from iron ore in its solid state. gas based process is simple to operate and involves three major steps namely (i) iron ore reduction, (ii) gas. To meet the dri production target of 80 million tonne. direct reduction of iron is the removal of oxygen from iron ore or. Gas Based Dri Process.
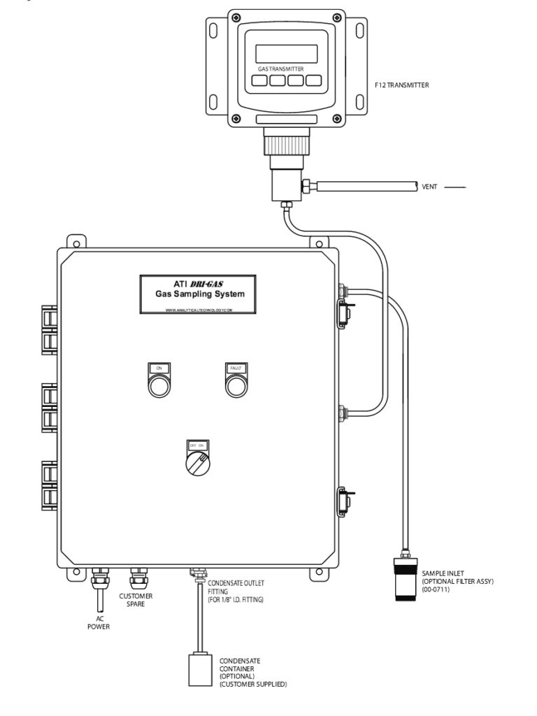
From afcintl.com
DriGas Gas Sampling System AFC International Gas Based Dri Process gas based process is simple to operate and involves three major steps namely (i) iron ore reduction, (ii) gas. direct reduction of iron is the removal of oxygen from iron ore or other iron bearing materials in the solid state, i.e. direct reduction is the removal (reduction) of oxygen from iron ore in its solid state. To. Gas Based Dri Process.
From www.youtube.com
World's 1st Coal gasification based DRI Plant _ Jindal Steel & Power Gas Based Dri Process direct reduction is the removal (reduction) of oxygen from iron ore in its solid state. direct reduction of iron is the removal of oxygen from iron ore or other iron bearing materials in the solid state, i.e. To meet the dri production target of 80 million tonne. gas based process is simple to operate and involves three. Gas Based Dri Process.
From file.scirp.org
Energy Audit Methodology of Sponge Iron Manufacturing Units Using DRI Gas Based Dri Process To meet the dri production target of 80 million tonne. direct reduction is the removal (reduction) of oxygen from iron ore in its solid state. direct reduction of iron is the removal of oxygen from iron ore or other iron bearing materials in the solid state, i.e. gas based process is simple to operate and involves three. Gas Based Dri Process.
From www.uniabex.com
Reformer Tubes for Gas Based DRI Manufacturing & Supply by Uni Abex Gas Based Dri Process To meet the dri production target of 80 million tonne. gas based process is simple to operate and involves three major steps namely (i) iron ore reduction, (ii) gas. direct reduction of iron is the removal of oxygen from iron ore or other iron bearing materials in the solid state, i.e. direct reduction is the removal (reduction). Gas Based Dri Process.
From www.youtube.com
Midrex® the world’s leading directreduced iron production process Gas Based Dri Process direct reduction of iron is the removal of oxygen from iron ore or other iron bearing materials in the solid state, i.e. gas based process is simple to operate and involves three major steps namely (i) iron ore reduction, (ii) gas. direct reduction is the removal (reduction) of oxygen from iron ore in its solid state. To. Gas Based Dri Process.
From www.iran2africa.com
Direct Reduced Iron (DRI) Iran2africa Gas Based Dri Process To meet the dri production target of 80 million tonne. gas based process is simple to operate and involves three major steps namely (i) iron ore reduction, (ii) gas. direct reduction is the removal (reduction) of oxygen from iron ore in its solid state. direct reduction of iron is the removal of oxygen from iron ore or. Gas Based Dri Process.
From www.researchgate.net
MIDREX hydrogen DRI shaft furnace system. HDRI, Hot DRI Source (Brookes Gas Based Dri Process To meet the dri production target of 80 million tonne. direct reduction of iron is the removal of oxygen from iron ore or other iron bearing materials in the solid state, i.e. gas based process is simple to operate and involves three major steps namely (i) iron ore reduction, (ii) gas. direct reduction is the removal (reduction). Gas Based Dri Process.
From www.midrex.com
Impact of Hydrogen DRI on EAF Steelmaking Midrex Technologies, Inc. Gas Based Dri Process direct reduction of iron is the removal of oxygen from iron ore or other iron bearing materials in the solid state, i.e. direct reduction is the removal (reduction) of oxygen from iron ore in its solid state. gas based process is simple to operate and involves three major steps namely (i) iron ore reduction, (ii) gas. To. Gas Based Dri Process.
From www.researchgate.net
Flow sheet of the Midrex process. Download Scientific Diagram Gas Based Dri Process To meet the dri production target of 80 million tonne. gas based process is simple to operate and involves three major steps namely (i) iron ore reduction, (ii) gas. direct reduction of iron is the removal of oxygen from iron ore or other iron bearing materials in the solid state, i.e. direct reduction is the removal (reduction). Gas Based Dri Process.
From www.researchgate.net
The natural gasbased direct reduction processes according to Gas Based Dri Process To meet the dri production target of 80 million tonne. gas based process is simple to operate and involves three major steps namely (i) iron ore reduction, (ii) gas. direct reduction is the removal (reduction) of oxygen from iron ore in its solid state. direct reduction of iron is the removal of oxygen from iron ore or. Gas Based Dri Process.
From www.remso.com
Coal & Gas based DRI Plant Rotary Kiln for Making Sponge Iron Gas Based Dri Process To meet the dri production target of 80 million tonne. direct reduction is the removal (reduction) of oxygen from iron ore in its solid state. direct reduction of iron is the removal of oxygen from iron ore or other iron bearing materials in the solid state, i.e. gas based process is simple to operate and involves three. Gas Based Dri Process.
From www.midrex.com
MIDREX® Direct Reduction Plants 2019 Operations Summary Midrex Gas Based Dri Process gas based process is simple to operate and involves three major steps namely (i) iron ore reduction, (ii) gas. To meet the dri production target of 80 million tonne. direct reduction of iron is the removal of oxygen from iron ore or other iron bearing materials in the solid state, i.e. direct reduction is the removal (reduction). Gas Based Dri Process.
From www.indiamart.com
GAS BASED HYL DRI STEEL PLANT at Rs 30000000/piece in Coimbatore ID Gas Based Dri Process direct reduction of iron is the removal of oxygen from iron ore or other iron bearing materials in the solid state, i.e. To meet the dri production target of 80 million tonne. direct reduction is the removal (reduction) of oxygen from iron ore in its solid state. gas based process is simple to operate and involves three. Gas Based Dri Process.
From www.metallics.org
DRI production International Iron Metallics Association Gas Based Dri Process direct reduction of iron is the removal of oxygen from iron ore or other iron bearing materials in the solid state, i.e. gas based process is simple to operate and involves three major steps namely (i) iron ore reduction, (ii) gas. To meet the dri production target of 80 million tonne. direct reduction is the removal (reduction). Gas Based Dri Process.
From nova-gas.blogspot.com
Nova Analytical Systems 144 EnErgiron Direct Reduction Technology Gas Based Dri Process To meet the dri production target of 80 million tonne. gas based process is simple to operate and involves three major steps namely (i) iron ore reduction, (ii) gas. direct reduction of iron is the removal of oxygen from iron ore or other iron bearing materials in the solid state, i.e. direct reduction is the removal (reduction). Gas Based Dri Process.
From www.researchgate.net
Dry flue gas desulfurization process. Download Scientific Diagram Gas Based Dri Process To meet the dri production target of 80 million tonne. gas based process is simple to operate and involves three major steps namely (i) iron ore reduction, (ii) gas. direct reduction is the removal (reduction) of oxygen from iron ore in its solid state. direct reduction of iron is the removal of oxygen from iron ore or. Gas Based Dri Process.
From nova-gas.blogspot.com
Nova Analytical Systems 167 Using the Energiron Process with SynGas Gas Based Dri Process direct reduction of iron is the removal of oxygen from iron ore or other iron bearing materials in the solid state, i.e. direct reduction is the removal (reduction) of oxygen from iron ore in its solid state. To meet the dri production target of 80 million tonne. gas based process is simple to operate and involves three. Gas Based Dri Process.
From www.mme-co.de
Mines and Metals Engineering DRI Plant with Coke Oven Gas as Reducing Gas Gas Based Dri Process direct reduction is the removal (reduction) of oxygen from iron ore in its solid state. direct reduction of iron is the removal of oxygen from iron ore or other iron bearing materials in the solid state, i.e. To meet the dri production target of 80 million tonne. gas based process is simple to operate and involves three. Gas Based Dri Process.