Mp1626Xhd Parts Diagram . Chevy reman rebuilt magna 1626xhd transfer case transmission parts. Below you will find a detailed parts list for the mp1626 transfer case that includes rebuilt $100. (1) bearing, gasket and seal rebuild kit. Transfer case assemblies, chevrolet transfer cases, gmc transfer cases. Mp1625hd mp1626xhd transfer case parts & rebuild kits gm '07+ nqf code, electronic shift transfer case with dial control Mp1625 mp1625hd mp1626 mp1626xhd transfer case rebuild kit fits '11+ chevy. Repair your chevy gmc 2500 3500 duramax diesel models 2011 and. Shop for mp1625 mp1626 transfer case parts.
from www.transmissionpartsdistributors.com
(1) bearing, gasket and seal rebuild kit. Shop for mp1625 mp1626 transfer case parts. Transfer case assemblies, chevrolet transfer cases, gmc transfer cases. Mp1625 mp1625hd mp1626 mp1626xhd transfer case rebuild kit fits '11+ chevy. Repair your chevy gmc 2500 3500 duramax diesel models 2011 and. Chevy reman rebuilt magna 1626xhd transfer case transmission parts. Below you will find a detailed parts list for the mp1626 transfer case that includes rebuilt $100. Mp1625hd mp1626xhd transfer case parts & rebuild kits gm '07+ nqf code, electronic shift transfer case with dial control
MP1625HD MP1626XHD TRANSFER CASE REBUILD KIT FITS '07+ CHEVY & GMC WITH
Mp1626Xhd Parts Diagram Mp1625 mp1625hd mp1626 mp1626xhd transfer case rebuild kit fits '11+ chevy. Mp1625 mp1625hd mp1626 mp1626xhd transfer case rebuild kit fits '11+ chevy. Mp1625hd mp1626xhd transfer case parts & rebuild kits gm '07+ nqf code, electronic shift transfer case with dial control (1) bearing, gasket and seal rebuild kit. Chevy reman rebuilt magna 1626xhd transfer case transmission parts. Shop for mp1625 mp1626 transfer case parts. Transfer case assemblies, chevrolet transfer cases, gmc transfer cases. Below you will find a detailed parts list for the mp1626 transfer case that includes rebuilt $100. Repair your chevy gmc 2500 3500 duramax diesel models 2011 and.
From partsdiagram.netlify.app
Coleman powermate 5000 parts diagram Mp1626Xhd Parts Diagram Repair your chevy gmc 2500 3500 duramax diesel models 2011 and. Chevy reman rebuilt magna 1626xhd transfer case transmission parts. Mp1625hd mp1626xhd transfer case parts & rebuild kits gm '07+ nqf code, electronic shift transfer case with dial control Shop for mp1625 mp1626 transfer case parts. (1) bearing, gasket and seal rebuild kit. Below you will find a detailed parts. Mp1626Xhd Parts Diagram.
From www.2carpros.com
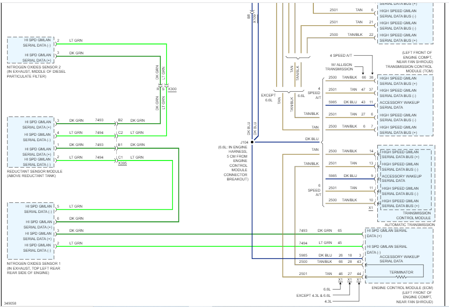
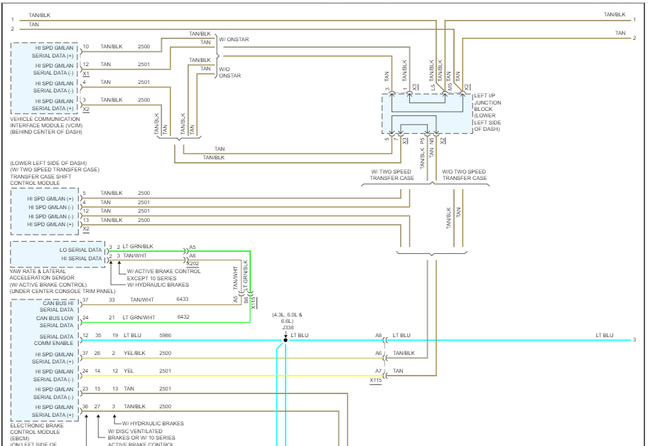
TCCM Diagram MP1626XHD NQF Is There Anyone Who Can Provide a Mp1626Xhd Parts Diagram Below you will find a detailed parts list for the mp1626 transfer case that includes rebuilt $100. Mp1625 mp1625hd mp1626 mp1626xhd transfer case rebuild kit fits '11+ chevy. Repair your chevy gmc 2500 3500 duramax diesel models 2011 and. Transfer case assemblies, chevrolet transfer cases, gmc transfer cases. Shop for mp1625 mp1626 transfer case parts. Chevy reman rebuilt magna 1626xhd. Mp1626Xhd Parts Diagram.
From www.transmissionpartsdistributors.com
MP1222LD MP1225HD MP1226XHD MP1625HD MP1626XHD MP3023LD MP3024HD Mp1626Xhd Parts Diagram (1) bearing, gasket and seal rebuild kit. Below you will find a detailed parts list for the mp1626 transfer case that includes rebuilt $100. Shop for mp1625 mp1626 transfer case parts. Mp1625 mp1625hd mp1626 mp1626xhd transfer case rebuild kit fits '11+ chevy. Transfer case assemblies, chevrolet transfer cases, gmc transfer cases. Chevy reman rebuilt magna 1626xhd transfer case transmission parts.. Mp1626Xhd Parts Diagram.
From www.transmissionpartsdistributors.com
MP1625HD MP1626XHD TRANSFER CASE REBUILD KIT FITS '07+ CHEVY & GMC WITH Mp1626Xhd Parts Diagram Chevy reman rebuilt magna 1626xhd transfer case transmission parts. (1) bearing, gasket and seal rebuild kit. Transfer case assemblies, chevrolet transfer cases, gmc transfer cases. Repair your chevy gmc 2500 3500 duramax diesel models 2011 and. Below you will find a detailed parts list for the mp1626 transfer case that includes rebuilt $100. Shop for mp1625 mp1626 transfer case parts.. Mp1626Xhd Parts Diagram.
From ophetammay.blogspot.com
transfer case diagram OpheTammay Mp1626Xhd Parts Diagram Repair your chevy gmc 2500 3500 duramax diesel models 2011 and. (1) bearing, gasket and seal rebuild kit. Mp1625 mp1625hd mp1626 mp1626xhd transfer case rebuild kit fits '11+ chevy. Below you will find a detailed parts list for the mp1626 transfer case that includes rebuilt $100. Transfer case assemblies, chevrolet transfer cases, gmc transfer cases. Shop for mp1625 mp1626 transfer. Mp1626Xhd Parts Diagram.
From www.2carpros.com
TCCM Diagram MP1626XHD NQF Is There Anyone Who Can Provide a Mp1626Xhd Parts Diagram (1) bearing, gasket and seal rebuild kit. Repair your chevy gmc 2500 3500 duramax diesel models 2011 and. Shop for mp1625 mp1626 transfer case parts. Transfer case assemblies, chevrolet transfer cases, gmc transfer cases. Below you will find a detailed parts list for the mp1626 transfer case that includes rebuilt $100. Mp1625 mp1625hd mp1626 mp1626xhd transfer case rebuild kit fits. Mp1626Xhd Parts Diagram.
From www.transmissionpartsdistributors.com
MP1625 MP1625HD MP1626 MP1626XHD TRANSFER CASE OVERHAUL KIT FITS '11 Mp1626Xhd Parts Diagram Shop for mp1625 mp1626 transfer case parts. Repair your chevy gmc 2500 3500 duramax diesel models 2011 and. Mp1625 mp1625hd mp1626 mp1626xhd transfer case rebuild kit fits '11+ chevy. Transfer case assemblies, chevrolet transfer cases, gmc transfer cases. Chevy reman rebuilt magna 1626xhd transfer case transmission parts. Mp1625hd mp1626xhd transfer case parts & rebuild kits gm '07+ nqf code, electronic. Mp1626Xhd Parts Diagram.
From www.rcscrapyard.net
Kyosho Giga Crusher SF 31141 / 31144 • Exploded View • RCScrapyard Mp1626Xhd Parts Diagram Chevy reman rebuilt magna 1626xhd transfer case transmission parts. Repair your chevy gmc 2500 3500 duramax diesel models 2011 and. Transfer case assemblies, chevrolet transfer cases, gmc transfer cases. Below you will find a detailed parts list for the mp1626 transfer case that includes rebuilt $100. Mp1625hd mp1626xhd transfer case parts & rebuild kits gm '07+ nqf code, electronic shift. Mp1626Xhd Parts Diagram.
From www.transmissionpartsdistributors.com
MP1625HD MP1626XHD TRANSFER CASE OVERHAUL KIT GASKET, SEALS, ORINGS Mp1626Xhd Parts Diagram Repair your chevy gmc 2500 3500 duramax diesel models 2011 and. Below you will find a detailed parts list for the mp1626 transfer case that includes rebuilt $100. Mp1625 mp1625hd mp1626 mp1626xhd transfer case rebuild kit fits '11+ chevy. (1) bearing, gasket and seal rebuild kit. Mp1625hd mp1626xhd transfer case parts & rebuild kits gm '07+ nqf code, electronic shift. Mp1626Xhd Parts Diagram.
From www.2carpros.com
TCCM Diagram MP1626XHD NQF Is There Anyone Who Can Provide a Mp1626Xhd Parts Diagram Shop for mp1625 mp1626 transfer case parts. Below you will find a detailed parts list for the mp1626 transfer case that includes rebuilt $100. (1) bearing, gasket and seal rebuild kit. Repair your chevy gmc 2500 3500 duramax diesel models 2011 and. Chevy reman rebuilt magna 1626xhd transfer case transmission parts. Mp1625hd mp1626xhd transfer case parts & rebuild kits gm. Mp1626Xhd Parts Diagram.
From limitorque-wiring-diagram7.blogspot.com
Wiring Diagram Vacuum Cleaner / Vacuum Parts Oreck Xl Vacuum Parts Mp1626Xhd Parts Diagram Repair your chevy gmc 2500 3500 duramax diesel models 2011 and. Chevy reman rebuilt magna 1626xhd transfer case transmission parts. (1) bearing, gasket and seal rebuild kit. Mp1625hd mp1626xhd transfer case parts & rebuild kits gm '07+ nqf code, electronic shift transfer case with dial control Shop for mp1625 mp1626 transfer case parts. Mp1625 mp1625hd mp1626 mp1626xhd transfer case rebuild. Mp1626Xhd Parts Diagram.
From www.2carpros.com
TCCM Diagram MP1626XHD NQF Is There Anyone Who Can Provide a Mp1626Xhd Parts Diagram Mp1625hd mp1626xhd transfer case parts & rebuild kits gm '07+ nqf code, electronic shift transfer case with dial control Below you will find a detailed parts list for the mp1626 transfer case that includes rebuilt $100. Shop for mp1625 mp1626 transfer case parts. Mp1625 mp1625hd mp1626 mp1626xhd transfer case rebuild kit fits '11+ chevy. (1) bearing, gasket and seal rebuild. Mp1626Xhd Parts Diagram.
From galvinconanstuart.blogspot.com
Onan Generator Parts Diagram General Wiring Diagram Mp1626Xhd Parts Diagram Below you will find a detailed parts list for the mp1626 transfer case that includes rebuilt $100. Mp1625hd mp1626xhd transfer case parts & rebuild kits gm '07+ nqf code, electronic shift transfer case with dial control Chevy reman rebuilt magna 1626xhd transfer case transmission parts. (1) bearing, gasket and seal rebuild kit. Transfer case assemblies, chevrolet transfer cases, gmc transfer. Mp1626Xhd Parts Diagram.
From powerhousetoolparts.com
Ordering Instructions Mp1626Xhd Parts Diagram Chevy reman rebuilt magna 1626xhd transfer case transmission parts. Repair your chevy gmc 2500 3500 duramax diesel models 2011 and. Shop for mp1625 mp1626 transfer case parts. Below you will find a detailed parts list for the mp1626 transfer case that includes rebuilt $100. Transfer case assemblies, chevrolet transfer cases, gmc transfer cases. (1) bearing, gasket and seal rebuild kit.. Mp1626Xhd Parts Diagram.
From www.2carpros.com
TCCM Diagram MP1626XHD NQF Is There Anyone Who Can Provide a Mp1626Xhd Parts Diagram (1) bearing, gasket and seal rebuild kit. Shop for mp1625 mp1626 transfer case parts. Transfer case assemblies, chevrolet transfer cases, gmc transfer cases. Mp1625hd mp1626xhd transfer case parts & rebuild kits gm '07+ nqf code, electronic shift transfer case with dial control Below you will find a detailed parts list for the mp1626 transfer case that includes rebuilt $100. Mp1625. Mp1626Xhd Parts Diagram.
From www.pinnaxis.com
NP205 New Process Transfer Case Diagram, 58 OFF Mp1626Xhd Parts Diagram Transfer case assemblies, chevrolet transfer cases, gmc transfer cases. Chevy reman rebuilt magna 1626xhd transfer case transmission parts. Below you will find a detailed parts list for the mp1626 transfer case that includes rebuilt $100. (1) bearing, gasket and seal rebuild kit. Mp1625 mp1625hd mp1626 mp1626xhd transfer case rebuild kit fits '11+ chevy. Shop for mp1625 mp1626 transfer case parts.. Mp1626Xhd Parts Diagram.
From enginedbharper77.z19.web.core.windows.net
Fimco Sprayer Pump Parts Diagram Mp1626Xhd Parts Diagram Mp1625 mp1625hd mp1626 mp1626xhd transfer case rebuild kit fits '11+ chevy. (1) bearing, gasket and seal rebuild kit. Repair your chevy gmc 2500 3500 duramax diesel models 2011 and. Shop for mp1625 mp1626 transfer case parts. Transfer case assemblies, chevrolet transfer cases, gmc transfer cases. Below you will find a detailed parts list for the mp1626 transfer case that includes. Mp1626Xhd Parts Diagram.
From www.transmissionpartsdistributors.com
NP261XHD NP263XHD MP1226XHD MP1625HD MP1626XHD MP3024HD NV140 NV146 Mp1626Xhd Parts Diagram Shop for mp1625 mp1626 transfer case parts. (1) bearing, gasket and seal rebuild kit. Mp1625hd mp1626xhd transfer case parts & rebuild kits gm '07+ nqf code, electronic shift transfer case with dial control Repair your chevy gmc 2500 3500 duramax diesel models 2011 and. Below you will find a detailed parts list for the mp1626 transfer case that includes rebuilt. Mp1626Xhd Parts Diagram.
From highgeartransmission.com
Memphis Transfer Case High Gear Transmission Mp1626Xhd Parts Diagram Chevy reman rebuilt magna 1626xhd transfer case transmission parts. Shop for mp1625 mp1626 transfer case parts. Below you will find a detailed parts list for the mp1626 transfer case that includes rebuilt $100. Repair your chevy gmc 2500 3500 duramax diesel models 2011 and. Mp1625 mp1625hd mp1626 mp1626xhd transfer case rebuild kit fits '11+ chevy. Mp1625hd mp1626xhd transfer case parts. Mp1626Xhd Parts Diagram.
From fixdiagramwannemaker.z13.web.core.windows.net
Scotts Spreader Parts Chart Mp1626Xhd Parts Diagram (1) bearing, gasket and seal rebuild kit. Below you will find a detailed parts list for the mp1626 transfer case that includes rebuilt $100. Mp1625hd mp1626xhd transfer case parts & rebuild kits gm '07+ nqf code, electronic shift transfer case with dial control Transfer case assemblies, chevrolet transfer cases, gmc transfer cases. Mp1625 mp1625hd mp1626 mp1626xhd transfer case rebuild kit. Mp1626Xhd Parts Diagram.
From www.2carpros.com
TCCM Diagram MP1626XHD NQF Is There Anyone Who Can Provide a Mp1626Xhd Parts Diagram Below you will find a detailed parts list for the mp1626 transfer case that includes rebuilt $100. Repair your chevy gmc 2500 3500 duramax diesel models 2011 and. (1) bearing, gasket and seal rebuild kit. Transfer case assemblies, chevrolet transfer cases, gmc transfer cases. Mp1625 mp1625hd mp1626 mp1626xhd transfer case rebuild kit fits '11+ chevy. Shop for mp1625 mp1626 transfer. Mp1626Xhd Parts Diagram.
From www.2carpros.com
TCCM Diagram MP1626XHD NQF Is There Anyone Who Can Provide a Mp1626Xhd Parts Diagram (1) bearing, gasket and seal rebuild kit. Transfer case assemblies, chevrolet transfer cases, gmc transfer cases. Below you will find a detailed parts list for the mp1626 transfer case that includes rebuilt $100. Chevy reman rebuilt magna 1626xhd transfer case transmission parts. Repair your chevy gmc 2500 3500 duramax diesel models 2011 and. Shop for mp1625 mp1626 transfer case parts.. Mp1626Xhd Parts Diagram.
From www.transmissionpartsdistributors.com
BW4484 BW4485 MP1226XHD MP1625HD MP1626XHD MP3024HD TRANSFER CASE CHAIN Mp1626Xhd Parts Diagram (1) bearing, gasket and seal rebuild kit. Mp1625hd mp1626xhd transfer case parts & rebuild kits gm '07+ nqf code, electronic shift transfer case with dial control Repair your chevy gmc 2500 3500 duramax diesel models 2011 and. Chevy reman rebuilt magna 1626xhd transfer case transmission parts. Mp1625 mp1625hd mp1626 mp1626xhd transfer case rebuild kit fits '11+ chevy. Below you will. Mp1626Xhd Parts Diagram.
From www.transmissionpartsdistributors.com
MP1222LD MP1225HD MP1226XHD MP1625HD MP1626XHD MP3023LD MP3024 TRANSFER Mp1626Xhd Parts Diagram Below you will find a detailed parts list for the mp1626 transfer case that includes rebuilt $100. Transfer case assemblies, chevrolet transfer cases, gmc transfer cases. Mp1625hd mp1626xhd transfer case parts & rebuild kits gm '07+ nqf code, electronic shift transfer case with dial control Repair your chevy gmc 2500 3500 duramax diesel models 2011 and. Chevy reman rebuilt magna. Mp1626Xhd Parts Diagram.
From www.2carpros.com
TCCM Diagram MP1626XHD NQF Is There Anyone Who Can Provide a Mp1626Xhd Parts Diagram Below you will find a detailed parts list for the mp1626 transfer case that includes rebuilt $100. Shop for mp1625 mp1626 transfer case parts. Chevy reman rebuilt magna 1626xhd transfer case transmission parts. Transfer case assemblies, chevrolet transfer cases, gmc transfer cases. Mp1625 mp1625hd mp1626 mp1626xhd transfer case rebuild kit fits '11+ chevy. Mp1625hd mp1626xhd transfer case parts & rebuild. Mp1626Xhd Parts Diagram.
From www.transmissionpartsdistributors.com
MP1225HD MP1226XHD MP1625HD MP1626XHD MP3024HD TRANSFER CASE INPUT GEAR Mp1626Xhd Parts Diagram Mp1625 mp1625hd mp1626 mp1626xhd transfer case rebuild kit fits '11+ chevy. Below you will find a detailed parts list for the mp1626 transfer case that includes rebuilt $100. (1) bearing, gasket and seal rebuild kit. Mp1625hd mp1626xhd transfer case parts & rebuild kits gm '07+ nqf code, electronic shift transfer case with dial control Transfer case assemblies, chevrolet transfer cases,. Mp1626Xhd Parts Diagram.
From www.2carpros.com
TCCM Diagram MP1626XHD NQF Is There Anyone Who Can Provide a Mp1626Xhd Parts Diagram Below you will find a detailed parts list for the mp1626 transfer case that includes rebuilt $100. Transfer case assemblies, chevrolet transfer cases, gmc transfer cases. Repair your chevy gmc 2500 3500 duramax diesel models 2011 and. Mp1625 mp1625hd mp1626 mp1626xhd transfer case rebuild kit fits '11+ chevy. Shop for mp1625 mp1626 transfer case parts. Chevy reman rebuilt magna 1626xhd. Mp1626Xhd Parts Diagram.
From reviewmotors.co
Parts Diagram For Craftsman Air Compressor Reviewmotors.co Mp1626Xhd Parts Diagram (1) bearing, gasket and seal rebuild kit. Shop for mp1625 mp1626 transfer case parts. Repair your chevy gmc 2500 3500 duramax diesel models 2011 and. Transfer case assemblies, chevrolet transfer cases, gmc transfer cases. Mp1625 mp1625hd mp1626 mp1626xhd transfer case rebuild kit fits '11+ chevy. Chevy reman rebuilt magna 1626xhd transfer case transmission parts. Below you will find a detailed. Mp1626Xhd Parts Diagram.
From www.uspowertrain.com
Remanufactured Transfer Case Assembly MP1626XHD GM US Powertrain Mp1626Xhd Parts Diagram Transfer case assemblies, chevrolet transfer cases, gmc transfer cases. Shop for mp1625 mp1626 transfer case parts. Chevy reman rebuilt magna 1626xhd transfer case transmission parts. Mp1625 mp1625hd mp1626 mp1626xhd transfer case rebuild kit fits '11+ chevy. Mp1625hd mp1626xhd transfer case parts & rebuild kits gm '07+ nqf code, electronic shift transfer case with dial control Below you will find a. Mp1626Xhd Parts Diagram.
From mungfali.com
Craftsman Air Compressor Parts Diagram Mp1626Xhd Parts Diagram Chevy reman rebuilt magna 1626xhd transfer case transmission parts. Transfer case assemblies, chevrolet transfer cases, gmc transfer cases. Repair your chevy gmc 2500 3500 duramax diesel models 2011 and. Mp1625hd mp1626xhd transfer case parts & rebuild kits gm '07+ nqf code, electronic shift transfer case with dial control Below you will find a detailed parts list for the mp1626 transfer. Mp1626Xhd Parts Diagram.
From www.uspowertrain.com
Remanufactured GM 2500HD/3500HD Transfer Case Assembly MP1626XHD US Mp1626Xhd Parts Diagram Mp1625 mp1625hd mp1626 mp1626xhd transfer case rebuild kit fits '11+ chevy. Shop for mp1625 mp1626 transfer case parts. (1) bearing, gasket and seal rebuild kit. Chevy reman rebuilt magna 1626xhd transfer case transmission parts. Below you will find a detailed parts list for the mp1626 transfer case that includes rebuilt $100. Repair your chevy gmc 2500 3500 duramax diesel models. Mp1626Xhd Parts Diagram.
From www.ereplacementparts.com
Campbell Hausfeld HL4000 OilLubricated Pump OEM Replacement Parts From Mp1626Xhd Parts Diagram Repair your chevy gmc 2500 3500 duramax diesel models 2011 and. Mp1625hd mp1626xhd transfer case parts & rebuild kits gm '07+ nqf code, electronic shift transfer case with dial control Chevy reman rebuilt magna 1626xhd transfer case transmission parts. Shop for mp1625 mp1626 transfer case parts. (1) bearing, gasket and seal rebuild kit. Below you will find a detailed parts. Mp1626Xhd Parts Diagram.
From reviewmotors.co
Mountfield Hp470 Spare Parts Pdf Reviewmotors.co Mp1626Xhd Parts Diagram Mp1625 mp1625hd mp1626 mp1626xhd transfer case rebuild kit fits '11+ chevy. Chevy reman rebuilt magna 1626xhd transfer case transmission parts. Shop for mp1625 mp1626 transfer case parts. (1) bearing, gasket and seal rebuild kit. Repair your chevy gmc 2500 3500 duramax diesel models 2011 and. Transfer case assemblies, chevrolet transfer cases, gmc transfer cases. Below you will find a detailed. Mp1626Xhd Parts Diagram.
From mavink.com
Craftsman Lt2000 Parts Diagram Mp1626Xhd Parts Diagram Transfer case assemblies, chevrolet transfer cases, gmc transfer cases. Chevy reman rebuilt magna 1626xhd transfer case transmission parts. (1) bearing, gasket and seal rebuild kit. Shop for mp1625 mp1626 transfer case parts. Below you will find a detailed parts list for the mp1626 transfer case that includes rebuilt $100. Mp1625 mp1625hd mp1626 mp1626xhd transfer case rebuild kit fits '11+ chevy.. Mp1626Xhd Parts Diagram.
From www.appliancetimers.com
Frigidaire FWT445GES1 Washer Timer Stove Clocks and Appliance Timers Mp1626Xhd Parts Diagram Transfer case assemblies, chevrolet transfer cases, gmc transfer cases. Chevy reman rebuilt magna 1626xhd transfer case transmission parts. Repair your chevy gmc 2500 3500 duramax diesel models 2011 and. Shop for mp1625 mp1626 transfer case parts. Mp1625 mp1625hd mp1626 mp1626xhd transfer case rebuild kit fits '11+ chevy. (1) bearing, gasket and seal rebuild kit. Below you will find a detailed. Mp1626Xhd Parts Diagram.