Fuel Feed Pump Diagram . Fuel feed pump diesel engine is a mechanical device which works for supply the fuel. #engineeringhub #fuelfeedpumpfuel feed pump delivers the fuel. It describes gravity, air pressurized, vacuum, pump, and fuel injection systems. Mechanical fuel feed pump a diaphragm type feed pump can be installed under the fuel injection pump, this forces fuel into the injection pump. The document discusses various fuel feed systems for petrol engines. Fuel will flow either because of gravity or fuel feed pump, which is provided to supply fuel through the filter to the injection pump. The fuel feed pump diesel engine is brings fuel from fuel tank and sends to the filters,.
from brosense-mamank.blogspot.com
Fuel will flow either because of gravity or fuel feed pump, which is provided to supply fuel through the filter to the injection pump. It describes gravity, air pressurized, vacuum, pump, and fuel injection systems. Mechanical fuel feed pump a diaphragm type feed pump can be installed under the fuel injection pump, this forces fuel into the injection pump. Fuel feed pump diesel engine is a mechanical device which works for supply the fuel. #engineeringhub #fuelfeedpumpfuel feed pump delivers the fuel. The fuel feed pump diesel engine is brings fuel from fuel tank and sends to the filters,. The document discusses various fuel feed systems for petrol engines.
Fungsi Dan Cara Kerja Feed Pump Pada Pompa Injeksi Diesel Tipe InLine
Fuel Feed Pump Diagram The fuel feed pump diesel engine is brings fuel from fuel tank and sends to the filters,. Fuel will flow either because of gravity or fuel feed pump, which is provided to supply fuel through the filter to the injection pump. It describes gravity, air pressurized, vacuum, pump, and fuel injection systems. The document discusses various fuel feed systems for petrol engines. Fuel feed pump diesel engine is a mechanical device which works for supply the fuel. The fuel feed pump diesel engine is brings fuel from fuel tank and sends to the filters,. #engineeringhub #fuelfeedpumpfuel feed pump delivers the fuel. Mechanical fuel feed pump a diaphragm type feed pump can be installed under the fuel injection pump, this forces fuel into the injection pump.
From www.ystinjectors.com
Diesel fuel supply systemIn line fuel pump Fuel Feed Pump Diagram Fuel will flow either because of gravity or fuel feed pump, which is provided to supply fuel through the filter to the injection pump. Fuel feed pump diesel engine is a mechanical device which works for supply the fuel. The document discusses various fuel feed systems for petrol engines. It describes gravity, air pressurized, vacuum, pump, and fuel injection systems.. Fuel Feed Pump Diagram.
From howcarpartswork.blogspot.com
How Car Parts Work Inline Fuel Injection Pump (Diesel) Fuel Feed Pump Diagram It describes gravity, air pressurized, vacuum, pump, and fuel injection systems. #engineeringhub #fuelfeedpumpfuel feed pump delivers the fuel. Fuel feed pump diesel engine is a mechanical device which works for supply the fuel. The document discusses various fuel feed systems for petrol engines. Fuel will flow either because of gravity or fuel feed pump, which is provided to supply fuel. Fuel Feed Pump Diagram.
From injectionpumps.co.uk
Exploded diagrams Diesel Injection Pumps Fuel Feed Pump Diagram Fuel will flow either because of gravity or fuel feed pump, which is provided to supply fuel through the filter to the injection pump. Mechanical fuel feed pump a diaphragm type feed pump can be installed under the fuel injection pump, this forces fuel into the injection pump. It describes gravity, air pressurized, vacuum, pump, and fuel injection systems. #engineeringhub. Fuel Feed Pump Diagram.
From www.boats.net
Nissan Outboard 2014 OEM Parts Diagram for FUEL FEED PUMP Fuel Feed Pump Diagram Fuel feed pump diesel engine is a mechanical device which works for supply the fuel. Mechanical fuel feed pump a diaphragm type feed pump can be installed under the fuel injection pump, this forces fuel into the injection pump. The fuel feed pump diesel engine is brings fuel from fuel tank and sends to the filters,. #engineeringhub #fuelfeedpumpfuel feed pump. Fuel Feed Pump Diagram.
From manuallisthighjacks.z21.web.core.windows.net
Fuel Feed Pump Diagram Fuel Feed Pump Diagram Fuel feed pump diesel engine is a mechanical device which works for supply the fuel. The fuel feed pump diesel engine is brings fuel from fuel tank and sends to the filters,. Mechanical fuel feed pump a diaphragm type feed pump can be installed under the fuel injection pump, this forces fuel into the injection pump. Fuel will flow either. Fuel Feed Pump Diagram.
From www.automobilehut.in
What is A Fuel Feed Pump for Diesel Engine? automobilehut.in Fuel Feed Pump Diagram The document discusses various fuel feed systems for petrol engines. It describes gravity, air pressurized, vacuum, pump, and fuel injection systems. Fuel will flow either because of gravity or fuel feed pump, which is provided to supply fuel through the filter to the injection pump. #engineeringhub #fuelfeedpumpfuel feed pump delivers the fuel. The fuel feed pump diesel engine is brings. Fuel Feed Pump Diagram.
From www.researchgate.net
Schematic diagram of a typical automotive fuel system Download Fuel Feed Pump Diagram #engineeringhub #fuelfeedpumpfuel feed pump delivers the fuel. It describes gravity, air pressurized, vacuum, pump, and fuel injection systems. Fuel will flow either because of gravity or fuel feed pump, which is provided to supply fuel through the filter to the injection pump. The fuel feed pump diesel engine is brings fuel from fuel tank and sends to the filters,. Mechanical. Fuel Feed Pump Diagram.
From www.youtube.com
Fuel Feed Pump for Diesel Engine Explained in Detail YouTube Fuel Feed Pump Diagram Mechanical fuel feed pump a diaphragm type feed pump can be installed under the fuel injection pump, this forces fuel into the injection pump. Fuel will flow either because of gravity or fuel feed pump, which is provided to supply fuel through the filter to the injection pump. It describes gravity, air pressurized, vacuum, pump, and fuel injection systems. The. Fuel Feed Pump Diagram.
From www.boats.net
Nissan Outboard 2012 OEM Parts Diagram for FUEL FEED PUMP Fuel Feed Pump Diagram It describes gravity, air pressurized, vacuum, pump, and fuel injection systems. Fuel will flow either because of gravity or fuel feed pump, which is provided to supply fuel through the filter to the injection pump. Fuel feed pump diesel engine is a mechanical device which works for supply the fuel. The document discusses various fuel feed systems for petrol engines.. Fuel Feed Pump Diagram.
From www.newkidscar.com
FUEL SYSTEM Car Anatomy Fuel Feed Pump Diagram Fuel feed pump diesel engine is a mechanical device which works for supply the fuel. The fuel feed pump diesel engine is brings fuel from fuel tank and sends to the filters,. It describes gravity, air pressurized, vacuum, pump, and fuel injection systems. Fuel will flow either because of gravity or fuel feed pump, which is provided to supply fuel. Fuel Feed Pump Diagram.
From www.perfprotech.com
PUMP ASSEMBLY FUEL FEED Fuel Feed Pump Diagram The document discusses various fuel feed systems for petrol engines. #engineeringhub #fuelfeedpumpfuel feed pump delivers the fuel. The fuel feed pump diesel engine is brings fuel from fuel tank and sends to the filters,. Fuel will flow either because of gravity or fuel feed pump, which is provided to supply fuel through the filter to the injection pump. It describes. Fuel Feed Pump Diagram.
From guidelibmisjoinder.z22.web.core.windows.net
Diagram Of Mechanical Fuel Pump Fuel Feed Pump Diagram Fuel will flow either because of gravity or fuel feed pump, which is provided to supply fuel through the filter to the injection pump. The document discusses various fuel feed systems for petrol engines. Mechanical fuel feed pump a diaphragm type feed pump can be installed under the fuel injection pump, this forces fuel into the injection pump. Fuel feed. Fuel Feed Pump Diagram.
From 4mechtech.blogspot.com
Mechanical Technology Electric Fuel Pump Fuel Feed Pump Diagram #engineeringhub #fuelfeedpumpfuel feed pump delivers the fuel. Fuel will flow either because of gravity or fuel feed pump, which is provided to supply fuel through the filter to the injection pump. Fuel feed pump diesel engine is a mechanical device which works for supply the fuel. The document discusses various fuel feed systems for petrol engines. It describes gravity, air. Fuel Feed Pump Diagram.
From manualfixbrandt.z19.web.core.windows.net
Lb7 Duramax Fuel System Schematic Fuel Feed Pump Diagram Fuel feed pump diesel engine is a mechanical device which works for supply the fuel. The document discusses various fuel feed systems for petrol engines. Fuel will flow either because of gravity or fuel feed pump, which is provided to supply fuel through the filter to the injection pump. It describes gravity, air pressurized, vacuum, pump, and fuel injection systems.. Fuel Feed Pump Diagram.
From www.holley.com
How To Prepare Your Project For Conversion To Electronic Fuel Injection Fuel Feed Pump Diagram The document discusses various fuel feed systems for petrol engines. #engineeringhub #fuelfeedpumpfuel feed pump delivers the fuel. The fuel feed pump diesel engine is brings fuel from fuel tank and sends to the filters,. Fuel will flow either because of gravity or fuel feed pump, which is provided to supply fuel through the filter to the injection pump. Mechanical fuel. Fuel Feed Pump Diagram.
From www.tb-training.co.uk
FIE system; diesel fuel system; boat fuel system Fuel Feed Pump Diagram The document discusses various fuel feed systems for petrol engines. The fuel feed pump diesel engine is brings fuel from fuel tank and sends to the filters,. Mechanical fuel feed pump a diaphragm type feed pump can be installed under the fuel injection pump, this forces fuel into the injection pump. Fuel will flow either because of gravity or fuel. Fuel Feed Pump Diagram.
From shivyprakash.blogspot.com
shivy Fuel system Fuel Feed Pump Diagram Fuel feed pump diesel engine is a mechanical device which works for supply the fuel. #engineeringhub #fuelfeedpumpfuel feed pump delivers the fuel. Fuel will flow either because of gravity or fuel feed pump, which is provided to supply fuel through the filter to the injection pump. The fuel feed pump diesel engine is brings fuel from fuel tank and sends. Fuel Feed Pump Diagram.
From 12v.org
Forums G6 Fuel Pump Info Fuel Feed Pump Diagram The fuel feed pump diesel engine is brings fuel from fuel tank and sends to the filters,. Mechanical fuel feed pump a diaphragm type feed pump can be installed under the fuel injection pump, this forces fuel into the injection pump. Fuel feed pump diesel engine is a mechanical device which works for supply the fuel. #engineeringhub #fuelfeedpumpfuel feed pump. Fuel Feed Pump Diagram.
From www.aircraftsystemstech.com
Fixed Wing and Rotary Wing Aircraft Fuel Systems Fuel Feed Pump Diagram Fuel feed pump diesel engine is a mechanical device which works for supply the fuel. Mechanical fuel feed pump a diaphragm type feed pump can be installed under the fuel injection pump, this forces fuel into the injection pump. The fuel feed pump diesel engine is brings fuel from fuel tank and sends to the filters,. #engineeringhub #fuelfeedpumpfuel feed pump. Fuel Feed Pump Diagram.
From injectionpumps.co.uk
Exploded diagrams Diesel Injection Pumps Fuel Feed Pump Diagram Fuel will flow either because of gravity or fuel feed pump, which is provided to supply fuel through the filter to the injection pump. It describes gravity, air pressurized, vacuum, pump, and fuel injection systems. The fuel feed pump diesel engine is brings fuel from fuel tank and sends to the filters,. Mechanical fuel feed pump a diaphragm type feed. Fuel Feed Pump Diagram.
From www.researchgate.net
The schematic diagram of the unit pump fuel system. Download Fuel Feed Pump Diagram #engineeringhub #fuelfeedpumpfuel feed pump delivers the fuel. Fuel will flow either because of gravity or fuel feed pump, which is provided to supply fuel through the filter to the injection pump. It describes gravity, air pressurized, vacuum, pump, and fuel injection systems. Fuel feed pump diesel engine is a mechanical device which works for supply the fuel. Mechanical fuel feed. Fuel Feed Pump Diagram.
From www.autozone.com
Repair Guides Gasoline Fuel Injection Systems Electric Fuel Pump Fuel Feed Pump Diagram #engineeringhub #fuelfeedpumpfuel feed pump delivers the fuel. Fuel will flow either because of gravity or fuel feed pump, which is provided to supply fuel through the filter to the injection pump. Fuel feed pump diesel engine is a mechanical device which works for supply the fuel. It describes gravity, air pressurized, vacuum, pump, and fuel injection systems. The fuel feed. Fuel Feed Pump Diagram.
From www.ingenieriaymecanicaautomotriz.com
FUEL SYSTEM COMPONENTS, WORKING PRINCIPLES, SYMPTOMS AND EMISSION Fuel Feed Pump Diagram Fuel feed pump diesel engine is a mechanical device which works for supply the fuel. The fuel feed pump diesel engine is brings fuel from fuel tank and sends to the filters,. Fuel will flow either because of gravity or fuel feed pump, which is provided to supply fuel through the filter to the injection pump. #engineeringhub #fuelfeedpumpfuel feed pump. Fuel Feed Pump Diagram.
From www.reedandreedsales.com
NTE1110000A3 Fuel Feed Pump for Branson Tractors Reed and Reed Sales Fuel Feed Pump Diagram Mechanical fuel feed pump a diaphragm type feed pump can be installed under the fuel injection pump, this forces fuel into the injection pump. The document discusses various fuel feed systems for petrol engines. Fuel will flow either because of gravity or fuel feed pump, which is provided to supply fuel through the filter to the injection pump. Fuel feed. Fuel Feed Pump Diagram.
From www.carparts.com
Where is the Fuel Pump Located? In The Garage with Fuel Feed Pump Diagram The document discusses various fuel feed systems for petrol engines. Fuel feed pump diesel engine is a mechanical device which works for supply the fuel. Fuel will flow either because of gravity or fuel feed pump, which is provided to supply fuel through the filter to the injection pump. It describes gravity, air pressurized, vacuum, pump, and fuel injection systems.. Fuel Feed Pump Diagram.
From www.youtube.com
How to repair Diesel Fuel Feed Pump Fuel Feed Pump Fuel Feed Pump Fuel Feed Pump Diagram Mechanical fuel feed pump a diaphragm type feed pump can be installed under the fuel injection pump, this forces fuel into the injection pump. #engineeringhub #fuelfeedpumpfuel feed pump delivers the fuel. The fuel feed pump diesel engine is brings fuel from fuel tank and sends to the filters,. The document discusses various fuel feed systems for petrol engines. Fuel will. Fuel Feed Pump Diagram.
From aerotoolbox.com
A Technical Introduction to Aircraft Fuel Systems AeroToolbox Fuel Feed Pump Diagram It describes gravity, air pressurized, vacuum, pump, and fuel injection systems. Fuel feed pump diesel engine is a mechanical device which works for supply the fuel. The fuel feed pump diesel engine is brings fuel from fuel tank and sends to the filters,. #engineeringhub #fuelfeedpumpfuel feed pump delivers the fuel. Mechanical fuel feed pump a diaphragm type feed pump can. Fuel Feed Pump Diagram.
From brickpo.web.fc2.com
Electric Fuel Pump Installation Diagram Fuel Feed Pump Diagram Fuel feed pump diesel engine is a mechanical device which works for supply the fuel. Mechanical fuel feed pump a diaphragm type feed pump can be installed under the fuel injection pump, this forces fuel into the injection pump. The fuel feed pump diesel engine is brings fuel from fuel tank and sends to the filters,. The document discusses various. Fuel Feed Pump Diagram.
From dieseldatabase.com
Bosch P7100 Fuel Pump Diagrams Fuel Feed Pump Diagram It describes gravity, air pressurized, vacuum, pump, and fuel injection systems. Mechanical fuel feed pump a diaphragm type feed pump can be installed under the fuel injection pump, this forces fuel into the injection pump. Fuel will flow either because of gravity or fuel feed pump, which is provided to supply fuel through the filter to the injection pump. #engineeringhub. Fuel Feed Pump Diagram.
From www.youtube.com
FUEL FEED PUMP DIESEL FUEL FEED PUMP FUEL FEED PUMP WORKING AUTO Fuel Feed Pump Diagram Fuel will flow either because of gravity or fuel feed pump, which is provided to supply fuel through the filter to the injection pump. It describes gravity, air pressurized, vacuum, pump, and fuel injection systems. #engineeringhub #fuelfeedpumpfuel feed pump delivers the fuel. Mechanical fuel feed pump a diaphragm type feed pump can be installed under the fuel injection pump, this. Fuel Feed Pump Diagram.
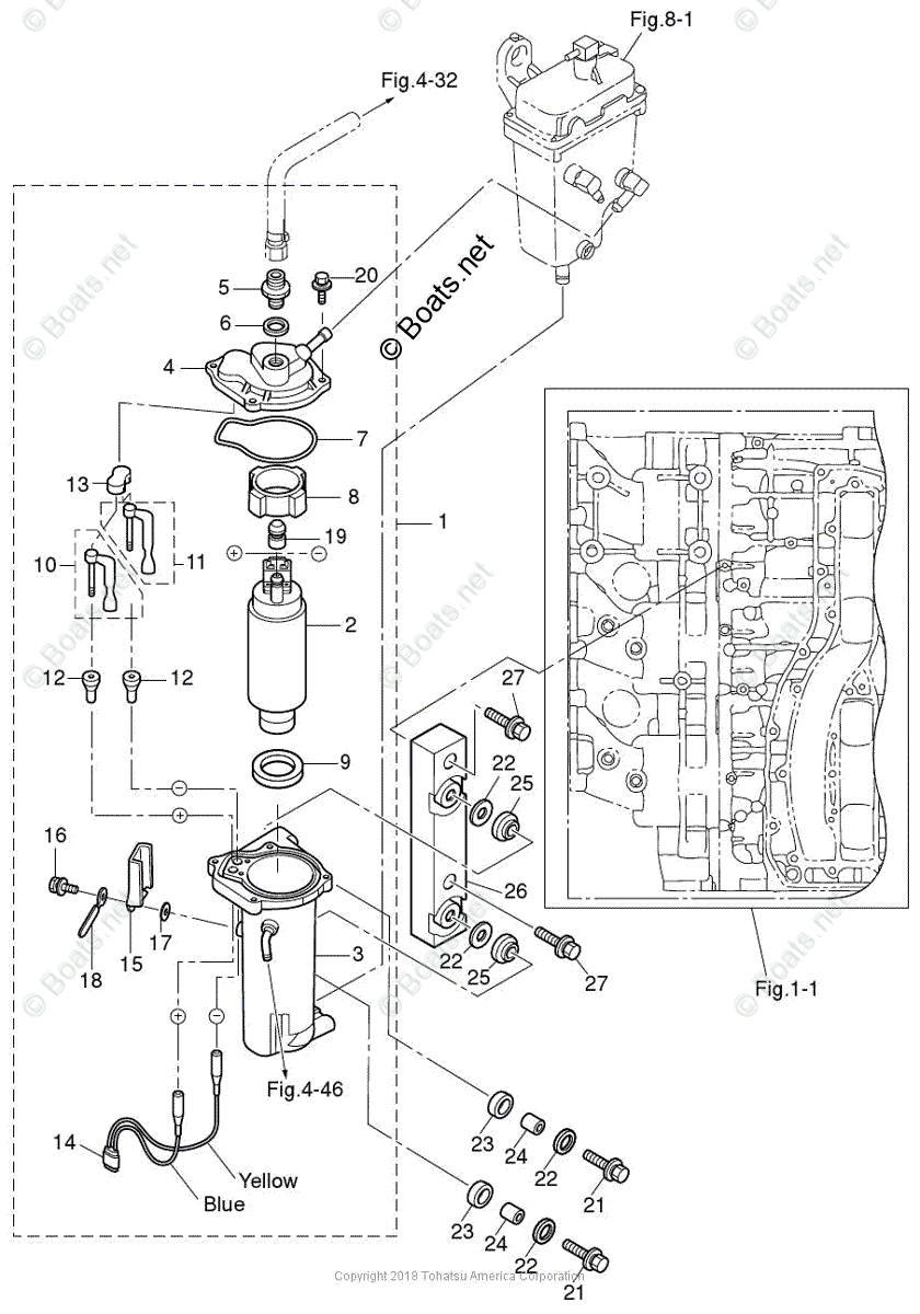
From www.boats.net
Tohatsu Outboard 2018 OEM Parts Diagram for FUEL FEED PUMP Fuel Feed Pump Diagram The fuel feed pump diesel engine is brings fuel from fuel tank and sends to the filters,. It describes gravity, air pressurized, vacuum, pump, and fuel injection systems. Fuel will flow either because of gravity or fuel feed pump, which is provided to supply fuel through the filter to the injection pump. Fuel feed pump diesel engine is a mechanical. Fuel Feed Pump Diagram.
From toolsweek.com
How to Direct Wire a Fuel Pump (2Part Guide) Fuel Feed Pump Diagram Mechanical fuel feed pump a diaphragm type feed pump can be installed under the fuel injection pump, this forces fuel into the injection pump. #engineeringhub #fuelfeedpumpfuel feed pump delivers the fuel. The document discusses various fuel feed systems for petrol engines. The fuel feed pump diesel engine is brings fuel from fuel tank and sends to the filters,. It describes. Fuel Feed Pump Diagram.
From www.howacarworks.com
How a fuel pump works How a Car Works Fuel Feed Pump Diagram The fuel feed pump diesel engine is brings fuel from fuel tank and sends to the filters,. Mechanical fuel feed pump a diaphragm type feed pump can be installed under the fuel injection pump, this forces fuel into the injection pump. Fuel will flow either because of gravity or fuel feed pump, which is provided to supply fuel through the. Fuel Feed Pump Diagram.
From www.buyautoparts.com
Repair Fuel Pump Fuel Feed Pump Diagram Fuel will flow either because of gravity or fuel feed pump, which is provided to supply fuel through the filter to the injection pump. Mechanical fuel feed pump a diaphragm type feed pump can be installed under the fuel injection pump, this forces fuel into the injection pump. It describes gravity, air pressurized, vacuum, pump, and fuel injection systems. #engineeringhub. Fuel Feed Pump Diagram.
From brosense-mamank.blogspot.com
Fungsi Dan Cara Kerja Feed Pump Pada Pompa Injeksi Diesel Tipe InLine Fuel Feed Pump Diagram It describes gravity, air pressurized, vacuum, pump, and fuel injection systems. The document discusses various fuel feed systems for petrol engines. The fuel feed pump diesel engine is brings fuel from fuel tank and sends to the filters,. Fuel feed pump diesel engine is a mechanical device which works for supply the fuel. #engineeringhub #fuelfeedpumpfuel feed pump delivers the fuel.. Fuel Feed Pump Diagram.