How To Identify Ir Transmitter And Receiver . This example will show you how to read ir remote codes from any ir remote using the tsop382 ir receiver and an arduino. I know that ir is not visible to human eye but i'm really. Learn how to use an infrared (ir) sensor/receiver and remote with the arduino. The low transmission speeds of popular ir transmission. First, you’ll see how the ir protocol works, and then you will learn to use an ir remote control kit with arduino. Once you can receive codes from individual button presses, your remote. Wiring diagrams and many example codes. Ir emitter, ir sender) or with a version number as postfix (e.g. Often, you find these products also under different names (e.g. The following image describes the block diagram of the ir transmitter and receiver. Using ir leds and receivers for data transmission is a straightforward way of communicating wirelessly. The good news is that they are built up. In this tutorial, you’ll learn about ir protocol and how to use the ir receiver module. This tutorial gives an introduction to the “ir transmitter” and “ir receiver” modules. I'm new to arduino and electronics but i just can't figure it out which diode is ir transmitter/receiver or even if it is ir.
from www.electronicshub.org
This example will show you how to read ir remote codes from any ir remote using the tsop382 ir receiver and an arduino. First, you’ll see how the ir protocol works, and then you will learn to use an ir remote control kit with arduino. Learn how to use an infrared (ir) sensor/receiver and remote with the arduino. Ir emitter, ir sender) or with a version number as postfix (e.g. Some practical examples are also provided to help you learn it better. Once you can receive codes from individual button presses, your remote. The following image describes the block diagram of the ir transmitter and receiver. I know that ir is not visible to human eye but i'm really. Using ir leds and receivers for data transmission is a straightforward way of communicating wirelessly. The low transmission speeds of popular ir transmission.
Simple IR Audio Transmitter and Receiver Circuit
How To Identify Ir Transmitter And Receiver Learn how to use an infrared (ir) sensor/receiver and remote with the arduino. I know that ir is not visible to human eye but i'm really. I'm new to arduino and electronics but i just can't figure it out which diode is ir transmitter/receiver or even if it is ir. Often, you find these products also under different names (e.g. This tutorial gives an introduction to the “ir transmitter” and “ir receiver” modules. This example will show you how to read ir remote codes from any ir remote using the tsop382 ir receiver and an arduino. In this tutorial, you’ll learn about ir protocol and how to use the ir receiver module. The low transmission speeds of popular ir transmission. Once you can receive codes from individual button presses, your remote. Ir emitter, ir sender) or with a version number as postfix (e.g. Using ir leds and receivers for data transmission is a straightforward way of communicating wirelessly. First, you’ll see how the ir protocol works, and then you will learn to use an ir remote control kit with arduino. Wiring diagrams and many example codes. Learn how to use an infrared (ir) sensor/receiver and remote with the arduino. In the image, the ir transmitter emits infrared. Some practical examples are also provided to help you learn it better.
From circuits-diy.com
Infrared IR Transmitter and Receiver Circuit How To Identify Ir Transmitter And Receiver I know that ir is not visible to human eye but i'm really. Some practical examples are also provided to help you learn it better. The following image describes the block diagram of the ir transmitter and receiver. Learn how to use an infrared (ir) sensor/receiver and remote with the arduino. Wiring diagrams and many example codes. Often, you find. How To Identify Ir Transmitter And Receiver.
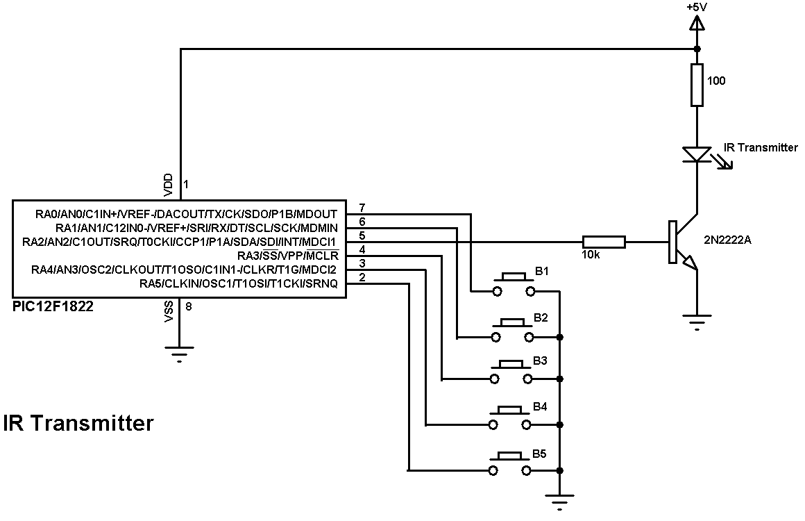
From www.reddit.com
Help Identifying IR Transmitter/Receiver AskElectronics How To Identify Ir Transmitter And Receiver The following image describes the block diagram of the ir transmitter and receiver. First, you’ll see how the ir protocol works, and then you will learn to use an ir remote control kit with arduino. This example will show you how to read ir remote codes from any ir remote using the tsop382 ir receiver and an arduino. I know. How To Identify Ir Transmitter And Receiver.
From www.buildcircuit.com
How to use infrared based music transmitter and receiver How To Identify Ir Transmitter And Receiver The following image describes the block diagram of the ir transmitter and receiver. The good news is that they are built up. Learn how to use an infrared (ir) sensor/receiver and remote with the arduino. In the image, the ir transmitter emits infrared. Often, you find these products also under different names (e.g. Wiring diagrams and many example codes. The. How To Identify Ir Transmitter And Receiver.
From www.circuitdiagram.co
Ir Transmitter And Receiver Circuit Diagram Using Lm358 Circuit Diagram How To Identify Ir Transmitter And Receiver In the image, the ir transmitter emits infrared. The following image describes the block diagram of the ir transmitter and receiver. This tutorial gives an introduction to the “ir transmitter” and “ir receiver” modules. In this tutorial, you’ll learn about ir protocol and how to use the ir receiver module. I know that ir is not visible to human eye. How To Identify Ir Transmitter And Receiver.
From www.instructables.com
IR Transmitter and Receiver Using Arduino 4 Steps Instructables How To Identify Ir Transmitter And Receiver In this tutorial, you’ll learn about ir protocol and how to use the ir receiver module. I'm new to arduino and electronics but i just can't figure it out which diode is ir transmitter/receiver or even if it is ir. This tutorial gives an introduction to the “ir transmitter” and “ir receiver” modules. Wiring diagrams and many example codes. Learn. How To Identify Ir Transmitter And Receiver.
From www.instructables.com
Infrared Transmitter and Receiver 6 Steps Instructables How To Identify Ir Transmitter And Receiver I'm new to arduino and electronics but i just can't figure it out which diode is ir transmitter/receiver or even if it is ir. Using ir leds and receivers for data transmission is a straightforward way of communicating wirelessly. In this tutorial, you’ll learn about ir protocol and how to use the ir receiver module. This tutorial gives an introduction. How To Identify Ir Transmitter And Receiver.
From learn.adafruit.com
Overview Building an Infrared Transmitter and Receiver Board How To Identify Ir Transmitter And Receiver Learn how to use an infrared (ir) sensor/receiver and remote with the arduino. Using ir leds and receivers for data transmission is a straightforward way of communicating wirelessly. Ir emitter, ir sender) or with a version number as postfix (e.g. In the image, the ir transmitter emits infrared. First, you’ll see how the ir protocol works, and then you will. How To Identify Ir Transmitter And Receiver.
From circuitdigest.com
IR Transmitter and Receiver Circuit Diagram How To Identify Ir Transmitter And Receiver Once you can receive codes from individual button presses, your remote. In this tutorial, you’ll learn about ir protocol and how to use the ir receiver module. Using ir leds and receivers for data transmission is a straightforward way of communicating wirelessly. I'm new to arduino and electronics but i just can't figure it out which diode is ir transmitter/receiver. How To Identify Ir Transmitter And Receiver.
From www.circuitbasics.com
How to Set Up an IR Remote and Receiver on an Arduino Circuit Basics How To Identify Ir Transmitter And Receiver This example will show you how to read ir remote codes from any ir remote using the tsop382 ir receiver and an arduino. This tutorial gives an introduction to the “ir transmitter” and “ir receiver” modules. Using ir leds and receivers for data transmission is a straightforward way of communicating wirelessly. The good news is that they are built up.. How To Identify Ir Transmitter And Receiver.
From mschoeffler.com
Arduino Tutorial IR Transmitter and IR Receiver (HXM121, HX53, KY How To Identify Ir Transmitter And Receiver In the image, the ir transmitter emits infrared. The low transmission speeds of popular ir transmission. Ir emitter, ir sender) or with a version number as postfix (e.g. The good news is that they are built up. Learn how to use an infrared (ir) sensor/receiver and remote with the arduino. This tutorial gives an introduction to the “ir transmitter” and. How To Identify Ir Transmitter And Receiver.
From www.circuitdiagram.co
Infrared Transmitter Receiver Circuit Diagram Circuit Diagram How To Identify Ir Transmitter And Receiver This example will show you how to read ir remote codes from any ir remote using the tsop382 ir receiver and an arduino. The low transmission speeds of popular ir transmission. Once you can receive codes from individual button presses, your remote. This tutorial gives an introduction to the “ir transmitter” and “ir receiver” modules. In the image, the ir. How To Identify Ir Transmitter And Receiver.
From www.makerguides.com
IR Remote and Receiver with Arduino Tutorial (4 Examples) How To Identify Ir Transmitter And Receiver I'm new to arduino and electronics but i just can't figure it out which diode is ir transmitter/receiver or even if it is ir. Once you can receive codes from individual button presses, your remote. The good news is that they are built up. In the image, the ir transmitter emits infrared. The following image describes the block diagram of. How To Identify Ir Transmitter And Receiver.
From www.circuitdiagram.co
Ir Transmitter Receiver Circuit Diagram Circuit Diagram How To Identify Ir Transmitter And Receiver I'm new to arduino and electronics but i just can't figure it out which diode is ir transmitter/receiver or even if it is ir. Often, you find these products also under different names (e.g. The following image describes the block diagram of the ir transmitter and receiver. The good news is that they are built up. Ir emitter, ir sender). How To Identify Ir Transmitter And Receiver.
From www.esp32learning.com
ESP32 and Infrared receiver example ESP32 Learning How To Identify Ir Transmitter And Receiver First, you’ll see how the ir protocol works, and then you will learn to use an ir remote control kit with arduino. Using ir leds and receivers for data transmission is a straightforward way of communicating wirelessly. Ir emitter, ir sender) or with a version number as postfix (e.g. Learn how to use an infrared (ir) sensor/receiver and remote with. How To Identify Ir Transmitter And Receiver.
From mschoeffler.com
Arduino Tutorial IR Transmitter and IR Receiver (HXM121, HX53, KY How To Identify Ir Transmitter And Receiver Often, you find these products also under different names (e.g. I know that ir is not visible to human eye but i'm really. Ir emitter, ir sender) or with a version number as postfix (e.g. This example will show you how to read ir remote codes from any ir remote using the tsop382 ir receiver and an arduino. I'm new. How To Identify Ir Transmitter And Receiver.
From www.circuitbasics.com
How to Set Up an IR Remote and Receiver on an Arduino Circuit Basics How To Identify Ir Transmitter And Receiver Learn how to use an infrared (ir) sensor/receiver and remote with the arduino. Ir emitter, ir sender) or with a version number as postfix (e.g. In the image, the ir transmitter emits infrared. Often, you find these products also under different names (e.g. Some practical examples are also provided to help you learn it better. I'm new to arduino and. How To Identify Ir Transmitter And Receiver.
From itecnotes.com
Identifying Parts in an IR Receiver Comprehensive Guide Valuable How To Identify Ir Transmitter And Receiver The good news is that they are built up. First, you’ll see how the ir protocol works, and then you will learn to use an ir remote control kit with arduino. I'm new to arduino and electronics but i just can't figure it out which diode is ir transmitter/receiver or even if it is ir. Wiring diagrams and many example. How To Identify Ir Transmitter And Receiver.
From www.circuits-diy.com
IR Transmitter and Receiver How To Identify Ir Transmitter And Receiver I know that ir is not visible to human eye but i'm really. The good news is that they are built up. This tutorial gives an introduction to the “ir transmitter” and “ir receiver” modules. The low transmission speeds of popular ir transmission. I'm new to arduino and electronics but i just can't figure it out which diode is ir. How To Identify Ir Transmitter And Receiver.
From www.artofit.org
Ir transmitter and receiver circuits Artofit How To Identify Ir Transmitter And Receiver Using ir leds and receivers for data transmission is a straightforward way of communicating wirelessly. Learn how to use an infrared (ir) sensor/receiver and remote with the arduino. In this tutorial, you’ll learn about ir protocol and how to use the ir receiver module. The low transmission speeds of popular ir transmission. First, you’ll see how the ir protocol works,. How To Identify Ir Transmitter And Receiver.
From www.youtube.com
Infrared Transmitter and Receive Circuit LM358 YouTube How To Identify Ir Transmitter And Receiver In the image, the ir transmitter emits infrared. Some practical examples are also provided to help you learn it better. The following image describes the block diagram of the ir transmitter and receiver. I know that ir is not visible to human eye but i'm really. First, you’ll see how the ir protocol works, and then you will learn to. How To Identify Ir Transmitter And Receiver.
From www.circuitdiagram.co
Circuit Diagram Of Ir Transmitter And Receiver Circuit Diagram How To Identify Ir Transmitter And Receiver In this tutorial, you’ll learn about ir protocol and how to use the ir receiver module. Once you can receive codes from individual button presses, your remote. Ir emitter, ir sender) or with a version number as postfix (e.g. Wiring diagrams and many example codes. The good news is that they are built up. This example will show you how. How To Identify Ir Transmitter And Receiver.
From www.electronicshub.org
Simple IR Audio Transmitter and Receiver Circuit How To Identify Ir Transmitter And Receiver The good news is that they are built up. Once you can receive codes from individual button presses, your remote. The low transmission speeds of popular ir transmission. Using ir leds and receivers for data transmission is a straightforward way of communicating wirelessly. First, you’ll see how the ir protocol works, and then you will learn to use an ir. How To Identify Ir Transmitter And Receiver.
From sin.lyceeleyguescouffignal.fr
How to Set Up an IR Remote and Receiver on an Arduino SIN How To Identify Ir Transmitter And Receiver The good news is that they are built up. I know that ir is not visible to human eye but i'm really. This tutorial gives an introduction to the “ir transmitter” and “ir receiver” modules. Ir emitter, ir sender) or with a version number as postfix (e.g. Learn how to use an infrared (ir) sensor/receiver and remote with the arduino.. How To Identify Ir Transmitter And Receiver.
From www.youtube.com
How to check IR Transmitter and Receiver IR Transmitter and Receiver How To Identify Ir Transmitter And Receiver The following image describes the block diagram of the ir transmitter and receiver. I'm new to arduino and electronics but i just can't figure it out which diode is ir transmitter/receiver or even if it is ir. Some practical examples are also provided to help you learn it better. First, you’ll see how the ir protocol works, and then you. How To Identify Ir Transmitter And Receiver.
From www.circuitdiagram.co
Ir Transmitter Receiver Circuit Diagram Circuit Diagram How To Identify Ir Transmitter And Receiver The low transmission speeds of popular ir transmission. Learn how to use an infrared (ir) sensor/receiver and remote with the arduino. I know that ir is not visible to human eye but i'm really. Some practical examples are also provided to help you learn it better. In this tutorial, you’ll learn about ir protocol and how to use the ir. How To Identify Ir Transmitter And Receiver.
From tasmota.github.io
IR Remote Tasmota How To Identify Ir Transmitter And Receiver I know that ir is not visible to human eye but i'm really. This tutorial gives an introduction to the “ir transmitter” and “ir receiver” modules. Learn how to use an infrared (ir) sensor/receiver and remote with the arduino. Once you can receive codes from individual button presses, your remote. I'm new to arduino and electronics but i just can't. How To Identify Ir Transmitter And Receiver.
From www.circuits-diy.com
Infrared IR Transmitter and Receiver Circuit How To Identify Ir Transmitter And Receiver The low transmission speeds of popular ir transmission. This example will show you how to read ir remote codes from any ir remote using the tsop382 ir receiver and an arduino. I'm new to arduino and electronics but i just can't figure it out which diode is ir transmitter/receiver or even if it is ir. Once you can receive codes. How To Identify Ir Transmitter And Receiver.
From www.circuitbasics.com
How to Set Up an IR Remote and Receiver on an Arduino Circuit Basics How To Identify Ir Transmitter And Receiver First, you’ll see how the ir protocol works, and then you will learn to use an ir remote control kit with arduino. Some practical examples are also provided to help you learn it better. Wiring diagrams and many example codes. Ir emitter, ir sender) or with a version number as postfix (e.g. Once you can receive codes from individual button. How To Identify Ir Transmitter And Receiver.
From www.youtube.com
iR Receiver and Transmitter Example YouTube How To Identify Ir Transmitter And Receiver The low transmission speeds of popular ir transmission. Ir emitter, ir sender) or with a version number as postfix (e.g. The good news is that they are built up. I know that ir is not visible to human eye but i'm really. Learn how to use an infrared (ir) sensor/receiver and remote with the arduino. First, you’ll see how the. How To Identify Ir Transmitter And Receiver.
From www.circuits-diy.com
IR Transmitter and Receiver How To Identify Ir Transmitter And Receiver The following image describes the block diagram of the ir transmitter and receiver. Learn how to use an infrared (ir) sensor/receiver and remote with the arduino. I know that ir is not visible to human eye but i'm really. In this tutorial, you’ll learn about ir protocol and how to use the ir receiver module. Often, you find these products. How To Identify Ir Transmitter And Receiver.
From schematicbibchaichemam2g.z14.web.core.windows.net
Ir Receiver And Transmitter How To Identify Ir Transmitter And Receiver Wiring diagrams and many example codes. I know that ir is not visible to human eye but i'm really. The low transmission speeds of popular ir transmission. Once you can receive codes from individual button presses, your remote. This tutorial gives an introduction to the “ir transmitter” and “ir receiver” modules. Some practical examples are also provided to help you. How To Identify Ir Transmitter And Receiver.
From www.instructables.com
IR Transmitter and Receiver Using Arduino 4 Steps Instructables How To Identify Ir Transmitter And Receiver Once you can receive codes from individual button presses, your remote. The good news is that they are built up. This tutorial gives an introduction to the “ir transmitter” and “ir receiver” modules. Often, you find these products also under different names (e.g. In the image, the ir transmitter emits infrared. I'm new to arduino and electronics but i just. How To Identify Ir Transmitter And Receiver.
From www.circuitbasics.com
How to Set Up an IR Remote and Receiver on an Arduino Circuit Basics How To Identify Ir Transmitter And Receiver Once you can receive codes from individual button presses, your remote. The following image describes the block diagram of the ir transmitter and receiver. In the image, the ir transmitter emits infrared. Using ir leds and receivers for data transmission is a straightforward way of communicating wirelessly. Ir emitter, ir sender) or with a version number as postfix (e.g. This. How To Identify Ir Transmitter And Receiver.
From learn.adafruit.com
Overview Building an Infrared Transmitter and Receiver Board How To Identify Ir Transmitter And Receiver In the image, the ir transmitter emits infrared. This tutorial gives an introduction to the “ir transmitter” and “ir receiver” modules. The good news is that they are built up. Using ir leds and receivers for data transmission is a straightforward way of communicating wirelessly. Often, you find these products also under different names (e.g. The following image describes the. How To Identify Ir Transmitter And Receiver.
From learn.sparkfun.com
IR Communication SparkFun Learn How To Identify Ir Transmitter And Receiver First, you’ll see how the ir protocol works, and then you will learn to use an ir remote control kit with arduino. Wiring diagrams and many example codes. Using ir leds and receivers for data transmission is a straightforward way of communicating wirelessly. This tutorial gives an introduction to the “ir transmitter” and “ir receiver” modules. In this tutorial, you’ll. How To Identify Ir Transmitter And Receiver.