Bobcat Excavator Codes . Order genuine manuals for loaders, excavators, tractors, attachments and other equipment directly from bobcat. You can also download bobcat’s pdf with the error code list here. Doosan is a global leader in construction equipment, power and water solutions, engines, and engineering, proudly. Below is a full list of bobcat error or service codes. Having access to a comprehensive bobcat fault code list is invaluable for troubleshooting your bobcat loader. Bobcat is a doosan company. Discover the comprehensive list of bobcat fault codes for various models. Diagnostic service codes for bobcat vehicles can be either letters or numbers, before check them please select your bobcat construction vehicle below. If you’re having trouble with your bobcat machine, you can refer to the following list of diagnostic fault codes to find out what the issue is. Manuals are printed on demand, giving you the most current version, written. Identify engine issues easily with these diagnostic codes and find potential solutions. Understanding your deluxe instrumentation panel and service codes is one of the first steps in protecting. This list provides details of all the fault codes that your machine may encounter, along with a description of each code’s meaning.
from servicepartmanuals.com
Understanding your deluxe instrumentation panel and service codes is one of the first steps in protecting. This list provides details of all the fault codes that your machine may encounter, along with a description of each code’s meaning. Discover the comprehensive list of bobcat fault codes for various models. Doosan is a global leader in construction equipment, power and water solutions, engines, and engineering, proudly. Identify engine issues easily with these diagnostic codes and find potential solutions. Manuals are printed on demand, giving you the most current version, written. If you’re having trouble with your bobcat machine, you can refer to the following list of diagnostic fault codes to find out what the issue is. Bobcat is a doosan company. Below is a full list of bobcat error or service codes. Diagnostic service codes for bobcat vehicles can be either letters or numbers, before check them please select your bobcat construction vehicle below.
Bobcat Excavator Loader Legacy Parts Catalog 2021 PDF Automotive
Bobcat Excavator Codes Bobcat is a doosan company. Having access to a comprehensive bobcat fault code list is invaluable for troubleshooting your bobcat loader. Diagnostic service codes for bobcat vehicles can be either letters or numbers, before check them please select your bobcat construction vehicle below. You can also download bobcat’s pdf with the error code list here. Bobcat is a doosan company. Understanding your deluxe instrumentation panel and service codes is one of the first steps in protecting. Discover the comprehensive list of bobcat fault codes for various models. Manuals are printed on demand, giving you the most current version, written. Doosan is a global leader in construction equipment, power and water solutions, engines, and engineering, proudly. If you’re having trouble with your bobcat machine, you can refer to the following list of diagnostic fault codes to find out what the issue is. This list provides details of all the fault codes that your machine may encounter, along with a description of each code’s meaning. Order genuine manuals for loaders, excavators, tractors, attachments and other equipment directly from bobcat. Identify engine issues easily with these diagnostic codes and find potential solutions. Below is a full list of bobcat error or service codes.
From servicepartmanuals.com
Bobcat Excavator X220 Service Manual_6720503 Bobcat Excavator Codes You can also download bobcat’s pdf with the error code list here. Understanding your deluxe instrumentation panel and service codes is one of the first steps in protecting. Order genuine manuals for loaders, excavators, tractors, attachments and other equipment directly from bobcat. Doosan is a global leader in construction equipment, power and water solutions, engines, and engineering, proudly. If you’re. Bobcat Excavator Codes.
From www.epcatalogs.com
Bobcat X 331, X 331E, X 334 Excavator Service Manuals PDF Bobcat Excavator Codes Having access to a comprehensive bobcat fault code list is invaluable for troubleshooting your bobcat loader. If you’re having trouble with your bobcat machine, you can refer to the following list of diagnostic fault codes to find out what the issue is. This list provides details of all the fault codes that your machine may encounter, along with a description. Bobcat Excavator Codes.
From bestexcavatorpart.com
bobcat 763 trouble codes and solution Bobcat Excavator Codes Understanding your deluxe instrumentation panel and service codes is one of the first steps in protecting. Manuals are printed on demand, giving you the most current version, written. Doosan is a global leader in construction equipment, power and water solutions, engines, and engineering, proudly. Bobcat is a doosan company. Diagnostic service codes for bobcat vehicles can be either letters or. Bobcat Excavator Codes.
From www.youtube.com
Bobcat Equipment Code Reset Change YouTube Bobcat Excavator Codes Doosan is a global leader in construction equipment, power and water solutions, engines, and engineering, proudly. Diagnostic service codes for bobcat vehicles can be either letters or numbers, before check them please select your bobcat construction vehicle below. Having access to a comprehensive bobcat fault code list is invaluable for troubleshooting your bobcat loader. If you’re having trouble with your. Bobcat Excavator Codes.
From servicepartmanuals.com
Bobcat Excavator E50 Service Manuals Bobcat Excavator Codes Understanding your deluxe instrumentation panel and service codes is one of the first steps in protecting. Having access to a comprehensive bobcat fault code list is invaluable for troubleshooting your bobcat loader. You can also download bobcat’s pdf with the error code list here. Below is a full list of bobcat error or service codes. Diagnostic service codes for bobcat. Bobcat Excavator Codes.
From servicepartmanuals.com
Bobcat Excavator All Models Operation's & Service Manual Schematic 2021 DVD Bobcat Excavator Codes Identify engine issues easily with these diagnostic codes and find potential solutions. Order genuine manuals for loaders, excavators, tractors, attachments and other equipment directly from bobcat. Below is a full list of bobcat error or service codes. Diagnostic service codes for bobcat vehicles can be either letters or numbers, before check them please select your bobcat construction vehicle below. You. Bobcat Excavator Codes.
From bestexcavatorpart.com
bobcat s185 trouble codes and solution Bobcat Excavator Codes Order genuine manuals for loaders, excavators, tractors, attachments and other equipment directly from bobcat. Having access to a comprehensive bobcat fault code list is invaluable for troubleshooting your bobcat loader. Diagnostic service codes for bobcat vehicles can be either letters or numbers, before check them please select your bobcat construction vehicle below. If you’re having trouble with your bobcat machine,. Bobcat Excavator Codes.
From autoepcservice.com
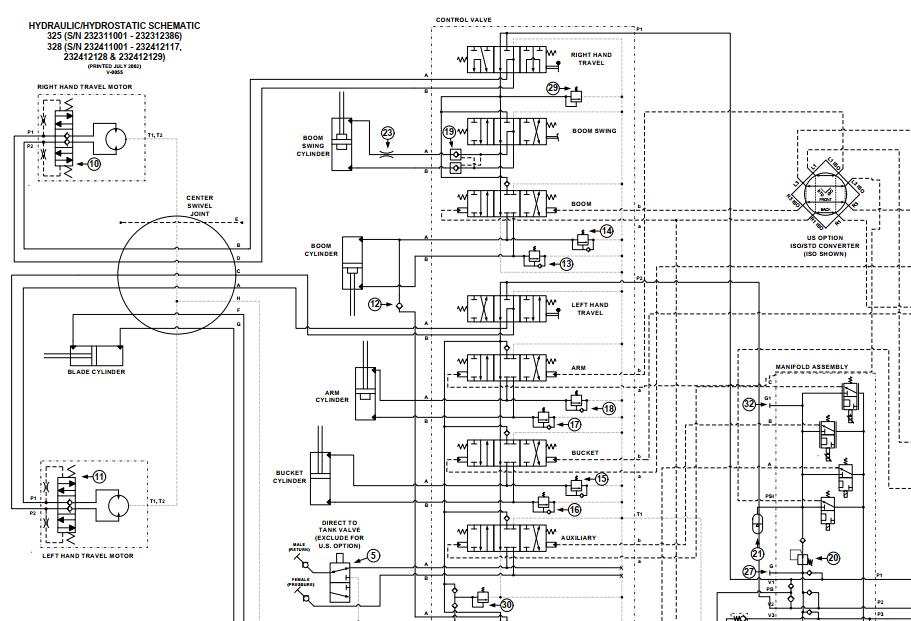
Bobcat Excavator 325 328 Electrical and Hydraulic Schematic Bobcat Excavator Codes Doosan is a global leader in construction equipment, power and water solutions, engines, and engineering, proudly. Understanding your deluxe instrumentation panel and service codes is one of the first steps in protecting. Discover the comprehensive list of bobcat fault codes for various models. Manuals are printed on demand, giving you the most current version, written. Identify engine issues easily with. Bobcat Excavator Codes.
From autoepcservice.com
Bobcat Excavator E55 Hydraulic & Electrical Schematic Bobcat Excavator Codes Bobcat is a doosan company. Doosan is a global leader in construction equipment, power and water solutions, engines, and engineering, proudly. You can also download bobcat’s pdf with the error code list here. If you’re having trouble with your bobcat machine, you can refer to the following list of diagnostic fault codes to find out what the issue is. This. Bobcat Excavator Codes.
From www.heydownloads.com
Bobcat E08 Compact Excavator Operation & Maintenance Manual 7349187 (12 Bobcat Excavator Codes This list provides details of all the fault codes that your machine may encounter, along with a description of each code’s meaning. Below is a full list of bobcat error or service codes. Having access to a comprehensive bobcat fault code list is invaluable for troubleshooting your bobcat loader. If you’re having trouble with your bobcat machine, you can refer. Bobcat Excavator Codes.
From servicepartmanuals.com
Bobcat Compact Excavator E26 Operation & Maintenance Manuals Bobcat Excavator Codes Understanding your deluxe instrumentation panel and service codes is one of the first steps in protecting. Bobcat is a doosan company. If you’re having trouble with your bobcat machine, you can refer to the following list of diagnostic fault codes to find out what the issue is. Having access to a comprehensive bobcat fault code list is invaluable for troubleshooting. Bobcat Excavator Codes.
From www.agrimanuals.com
Bobcat Excavator E80 Service Manual Bobcat Excavator Codes Doosan is a global leader in construction equipment, power and water solutions, engines, and engineering, proudly. If you’re having trouble with your bobcat machine, you can refer to the following list of diagnostic fault codes to find out what the issue is. Discover the comprehensive list of bobcat fault codes for various models. Order genuine manuals for loaders, excavators, tractors,. Bobcat Excavator Codes.
From servicepartmanuals.com
Bobcat Excavator Loader Legacy Parts Catalog 2021 PDF Automotive Bobcat Excavator Codes You can also download bobcat’s pdf with the error code list here. Diagnostic service codes for bobcat vehicles can be either letters or numbers, before check them please select your bobcat construction vehicle below. Bobcat is a doosan company. Manuals are printed on demand, giving you the most current version, written. Identify engine issues easily with these diagnostic codes and. Bobcat Excavator Codes.
From tractordetails.net
4 Most Common Bobcat T590 Problems and Solutions Bobcat Excavator Codes Bobcat is a doosan company. If you’re having trouble with your bobcat machine, you can refer to the following list of diagnostic fault codes to find out what the issue is. Discover the comprehensive list of bobcat fault codes for various models. Diagnostic service codes for bobcat vehicles can be either letters or numbers, before check them please select your. Bobcat Excavator Codes.
From www.agrimanuals.com
Bobcat Compact Excavator 435 Service Manual Bobcat Excavator Codes Bobcat is a doosan company. Diagnostic service codes for bobcat vehicles can be either letters or numbers, before check them please select your bobcat construction vehicle below. Below is a full list of bobcat error or service codes. Understanding your deluxe instrumentation panel and service codes is one of the first steps in protecting. You can also download bobcat’s pdf. Bobcat Excavator Codes.
From www.autorepairmanuals.ws
Bobcat Excavator 320 320L 322 Service Manual_6901062 Auto Repair Bobcat Excavator Codes Order genuine manuals for loaders, excavators, tractors, attachments and other equipment directly from bobcat. Understanding your deluxe instrumentation panel and service codes is one of the first steps in protecting. Identify engine issues easily with these diagnostic codes and find potential solutions. Bobcat is a doosan company. If you’re having trouble with your bobcat machine, you can refer to the. Bobcat Excavator Codes.
From compactequip.com
Bobcat Excavators Summarized — 2019 Spec Guide Compact Equipment Magazine Bobcat Excavator Codes Discover the comprehensive list of bobcat fault codes for various models. Bobcat is a doosan company. You can also download bobcat’s pdf with the error code list here. Understanding your deluxe instrumentation panel and service codes is one of the first steps in protecting. Having access to a comprehensive bobcat fault code list is invaluable for troubleshooting your bobcat loader.. Bobcat Excavator Codes.
From www.heydownloads.com
Bobcat Excavator 331 331E 334 Hydraulic/Hydrostatic Schematic Manual V Bobcat Excavator Codes Understanding your deluxe instrumentation panel and service codes is one of the first steps in protecting. Doosan is a global leader in construction equipment, power and water solutions, engines, and engineering, proudly. If you’re having trouble with your bobcat machine, you can refer to the following list of diagnostic fault codes to find out what the issue is. Order genuine. Bobcat Excavator Codes.
From www.autorepairmanuals.ws
Bobcat Compact Excavator E17 Operation and Maintenance Manual Auto Bobcat Excavator Codes Understanding your deluxe instrumentation panel and service codes is one of the first steps in protecting. Diagnostic service codes for bobcat vehicles can be either letters or numbers, before check them please select your bobcat construction vehicle below. Having access to a comprehensive bobcat fault code list is invaluable for troubleshooting your bobcat loader. Order genuine manuals for loaders, excavators,. Bobcat Excavator Codes.
From www.autorepairmanuals.ws
Bobcat Compact Excavator E57w Operation and Maintenance Manual 7280535 Bobcat Excavator Codes Order genuine manuals for loaders, excavators, tractors, attachments and other equipment directly from bobcat. Bobcat is a doosan company. Doosan is a global leader in construction equipment, power and water solutions, engines, and engineering, proudly. Diagnostic service codes for bobcat vehicles can be either letters or numbers, before check them please select your bobcat construction vehicle below. If you’re having. Bobcat Excavator Codes.
From www.autorepairmanuals.ws
Bobcat All Service Code updated [09.2015] Auto Repair Manual Forum Bobcat Excavator Codes Understanding your deluxe instrumentation panel and service codes is one of the first steps in protecting. This list provides details of all the fault codes that your machine may encounter, along with a description of each code’s meaning. Identify engine issues easily with these diagnostic codes and find potential solutions. Discover the comprehensive list of bobcat fault codes for various. Bobcat Excavator Codes.
From www.westerraequipment.com
Where to find the Year and Serial Number on a Bobcat? Bobcat Excavator Codes Bobcat is a doosan company. Doosan is a global leader in construction equipment, power and water solutions, engines, and engineering, proudly. Order genuine manuals for loaders, excavators, tractors, attachments and other equipment directly from bobcat. Manuals are printed on demand, giving you the most current version, written. Below is a full list of bobcat error or service codes. Diagnostic service. Bobcat Excavator Codes.
From therepairmanual.com
Bobcat X100 Excavator Service Manual Bobcat Excavator Codes Diagnostic service codes for bobcat vehicles can be either letters or numbers, before check them please select your bobcat construction vehicle below. Discover the comprehensive list of bobcat fault codes for various models. You can also download bobcat’s pdf with the error code list here. Doosan is a global leader in construction equipment, power and water solutions, engines, and engineering,. Bobcat Excavator Codes.
From therepairmanual.com
Bobcat 116 Excavator Service Manual Bobcat Excavator Codes Discover the comprehensive list of bobcat fault codes for various models. Bobcat is a doosan company. Diagnostic service codes for bobcat vehicles can be either letters or numbers, before check them please select your bobcat construction vehicle below. Order genuine manuals for loaders, excavators, tractors, attachments and other equipment directly from bobcat. Manuals are printed on demand, giving you the. Bobcat Excavator Codes.
From www.epcatalogs.com
Bobcat 337 341 DSeries Excavators Parts Catalog PDF Bobcat Excavator Codes Diagnostic service codes for bobcat vehicles can be either letters or numbers, before check them please select your bobcat construction vehicle below. Manuals are printed on demand, giving you the most current version, written. If you’re having trouble with your bobcat machine, you can refer to the following list of diagnostic fault codes to find out what the issue is.. Bobcat Excavator Codes.
From autoepcservice.com
Bobcat Compact Excavator E19 Service Manual 7255013 2020 Bobcat Excavator Codes Identify engine issues easily with these diagnostic codes and find potential solutions. Discover the comprehensive list of bobcat fault codes for various models. Bobcat is a doosan company. If you’re having trouble with your bobcat machine, you can refer to the following list of diagnostic fault codes to find out what the issue is. Understanding your deluxe instrumentation panel and. Bobcat Excavator Codes.
From www.justanswer.com
I have a Bobcat E35 excavator. Error code R7404 showing “No Bobcat Excavator Codes Bobcat is a doosan company. Manuals are printed on demand, giving you the most current version, written. Having access to a comprehensive bobcat fault code list is invaluable for troubleshooting your bobcat loader. Below is a full list of bobcat error or service codes. Doosan is a global leader in construction equipment, power and water solutions, engines, and engineering, proudly.. Bobcat Excavator Codes.
From repair-manuals.com
Bobcat E85 Excavator Service Repair Manual Bobcat Excavator Codes You can also download bobcat’s pdf with the error code list here. Identify engine issues easily with these diagnostic codes and find potential solutions. Bobcat is a doosan company. Understanding your deluxe instrumentation panel and service codes is one of the first steps in protecting. Doosan is a global leader in construction equipment, power and water solutions, engines, and engineering,. Bobcat Excavator Codes.
From autoepcservice.com
Bobcat Compact Excavator E20 Service Manual_7255008 Bobcat Excavator Codes Bobcat is a doosan company. This list provides details of all the fault codes that your machine may encounter, along with a description of each code’s meaning. Below is a full list of bobcat error or service codes. You can also download bobcat’s pdf with the error code list here. Identify engine issues easily with these diagnostic codes and find. Bobcat Excavator Codes.
From repair-manuals.com
Bobcat Excavators Technical Service Guide Bobcat Excavator Codes Discover the comprehensive list of bobcat fault codes for various models. Understanding your deluxe instrumentation panel and service codes is one of the first steps in protecting. Having access to a comprehensive bobcat fault code list is invaluable for troubleshooting your bobcat loader. Identify engine issues easily with these diagnostic codes and find potential solutions. You can also download bobcat’s. Bobcat Excavator Codes.
From www.youtube.com
Bobcat excavator 435 , error codes 0314, 0921, 2800 YouTube Bobcat Excavator Codes Manuals are printed on demand, giving you the most current version, written. Identify engine issues easily with these diagnostic codes and find potential solutions. Diagnostic service codes for bobcat vehicles can be either letters or numbers, before check them please select your bobcat construction vehicle below. Order genuine manuals for loaders, excavators, tractors, attachments and other equipment directly from bobcat.. Bobcat Excavator Codes.
From machinecatalogic.com
Bobcat Excavator Service Codes (Error Codes, Trouble Codes) Machine Bobcat Excavator Codes Manuals are printed on demand, giving you the most current version, written. Below is a full list of bobcat error or service codes. Discover the comprehensive list of bobcat fault codes for various models. Doosan is a global leader in construction equipment, power and water solutions, engines, and engineering, proudly. Identify engine issues easily with these diagnostic codes and find. Bobcat Excavator Codes.
From machinecatalogic.com
Bobcat Toolcat Service Codes (Error Codes, Trouble Codes) Machine Bobcat Excavator Codes Diagnostic service codes for bobcat vehicles can be either letters or numbers, before check them please select your bobcat construction vehicle below. Having access to a comprehensive bobcat fault code list is invaluable for troubleshooting your bobcat loader. Doosan is a global leader in construction equipment, power and water solutions, engines, and engineering, proudly. Manuals are printed on demand, giving. Bobcat Excavator Codes.
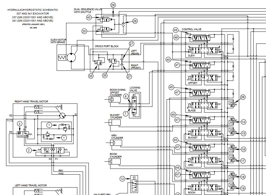
From autoepcservice.com
Bobcat Excavator 337 Electrical and Hydraulic Schematic Bobcat Excavator Codes Discover the comprehensive list of bobcat fault codes for various models. Order genuine manuals for loaders, excavators, tractors, attachments and other equipment directly from bobcat. Identify engine issues easily with these diagnostic codes and find potential solutions. Manuals are printed on demand, giving you the most current version, written. Having access to a comprehensive bobcat fault code list is invaluable. Bobcat Excavator Codes.
From autoepcservice.com
Bobcat Excavator 325 328 Electrical and Hydraulic Schematic Bobcat Excavator Codes Doosan is a global leader in construction equipment, power and water solutions, engines, and engineering, proudly. This list provides details of all the fault codes that your machine may encounter, along with a description of each code’s meaning. Below is a full list of bobcat error or service codes. Discover the comprehensive list of bobcat fault codes for various models.. Bobcat Excavator Codes.