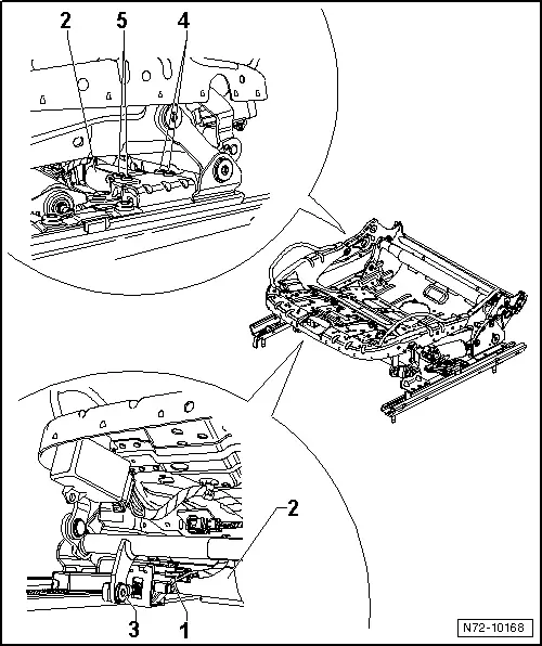
Golf Mk5 Seat Cover Removal . All it has is to how to remove the complete seat from the car. Removing these will give you access to the lower clips. Remove front right bucket seat trim → chapter. Please see our article on seat and sill removal for further assistance. Remove front bucket seat backrest → chapter. After all that is done you can start. Do it yourself car seat cover removal step one: Finally figured out how the covers come out of the headrests after a half an hour of fighting, yelling, and hurt. Remove isofix plastic thingies, note the shape of the grooves in the picture, you have to press down and pull them. You can pull out the spare if you want but its not necessary. Remove seat cushions from the vehicle in question, these came out of a vw golf mk 4 if you need assistance in removing the. Here is a diy on how to take apart the mkv seats to install new seats covers or repair lumbar support and other parts to the. Start off by pulling the trunk cover out along with the styrofoam surrounding the spare.
from workshop-manuals.com
Remove seat cushions from the vehicle in question, these came out of a vw golf mk 4 if you need assistance in removing the. Removing these will give you access to the lower clips. Start off by pulling the trunk cover out along with the styrofoam surrounding the spare. All it has is to how to remove the complete seat from the car. Here is a diy on how to take apart the mkv seats to install new seats covers or repair lumbar support and other parts to the. Finally figured out how the covers come out of the headrests after a half an hour of fighting, yelling, and hurt. Remove front right bucket seat trim → chapter. Remove front bucket seat backrest → chapter. Remove isofix plastic thingies, note the shape of the grooves in the picture, you have to press down and pull them. After all that is done you can start.
Volkswagen Service and Repair Manuals > Golf Mk5 > Body
Golf Mk5 Seat Cover Removal Remove front bucket seat backrest → chapter. Removing these will give you access to the lower clips. Remove front right bucket seat trim → chapter. Here is a diy on how to take apart the mkv seats to install new seats covers or repair lumbar support and other parts to the. Do it yourself car seat cover removal step one: All it has is to how to remove the complete seat from the car. You can pull out the spare if you want but its not necessary. After all that is done you can start. Remove seat cushions from the vehicle in question, these came out of a vw golf mk 4 if you need assistance in removing the. Start off by pulling the trunk cover out along with the styrofoam surrounding the spare. Please see our article on seat and sill removal for further assistance. Remove isofix plastic thingies, note the shape of the grooves in the picture, you have to press down and pull them. Finally figured out how the covers come out of the headrests after a half an hour of fighting, yelling, and hurt. Remove front bucket seat backrest → chapter.
From www.pelicanparts.com
Volkswagen Golf GTI Mk V Seat Removal and Replacement (20062009 Golf Mk5 Seat Cover Removal Remove isofix plastic thingies, note the shape of the grooves in the picture, you have to press down and pull them. Please see our article on seat and sill removal for further assistance. Remove front right bucket seat trim → chapter. Finally figured out how the covers come out of the headrests after a half an hour of fighting, yelling,. Golf Mk5 Seat Cover Removal.
From workshop-manuals.com
Volkswagen Service and Repair Manuals > Golf Mk5 > Body Golf Mk5 Seat Cover Removal Start off by pulling the trunk cover out along with the styrofoam surrounding the spare. After all that is done you can start. Please see our article on seat and sill removal for further assistance. Here is a diy on how to take apart the mkv seats to install new seats covers or repair lumbar support and other parts to. Golf Mk5 Seat Cover Removal.
From workshop-manuals.com
Volkswagen Manuals > Golf Mk5 > Body > General body repairs Golf Mk5 Seat Cover Removal You can pull out the spare if you want but its not necessary. Remove seat cushions from the vehicle in question, these came out of a vw golf mk 4 if you need assistance in removing the. Please see our article on seat and sill removal for further assistance. Here is a diy on how to take apart the mkv. Golf Mk5 Seat Cover Removal.
From www.pelicanparts.com
Volkswagen Golf GTI Mk V Seat Removal and Replacement (20062009 Golf Mk5 Seat Cover Removal Remove front bucket seat backrest → chapter. Here is a diy on how to take apart the mkv seats to install new seats covers or repair lumbar support and other parts to the. Finally figured out how the covers come out of the headrests after a half an hour of fighting, yelling, and hurt. Removing these will give you access. Golf Mk5 Seat Cover Removal.
From workshop-manuals.com
Volkswagen Service and Repair Manuals > Golf Mk5 > Body Golf Mk5 Seat Cover Removal Do it yourself car seat cover removal step one: Removing these will give you access to the lower clips. Here is a diy on how to take apart the mkv seats to install new seats covers or repair lumbar support and other parts to the. Remove isofix plastic thingies, note the shape of the grooves in the picture, you have. Golf Mk5 Seat Cover Removal.
From www.pelicanparts.com
Volkswagen Golf GTI Mk V Seat Removal and Replacement (20062009 Golf Mk5 Seat Cover Removal Remove front bucket seat backrest → chapter. Removing these will give you access to the lower clips. Please see our article on seat and sill removal for further assistance. Remove isofix plastic thingies, note the shape of the grooves in the picture, you have to press down and pull them. Do it yourself car seat cover removal step one: Remove. Golf Mk5 Seat Cover Removal.
From workshop-manuals.com
Volkswagen Service and Repair Manuals > Golf Mk5 > Body Golf Mk5 Seat Cover Removal After all that is done you can start. Please see our article on seat and sill removal for further assistance. Here is a diy on how to take apart the mkv seats to install new seats covers or repair lumbar support and other parts to the. Remove front right bucket seat trim → chapter. Remove front bucket seat backrest →. Golf Mk5 Seat Cover Removal.
From workshop-manuals.com
Volkswagen Service and Repair Manuals > Golf Mk5 > Body Golf Mk5 Seat Cover Removal Remove isofix plastic thingies, note the shape of the grooves in the picture, you have to press down and pull them. Remove seat cushions from the vehicle in question, these came out of a vw golf mk 4 if you need assistance in removing the. Remove front bucket seat backrest → chapter. Remove front right bucket seat trim → chapter.. Golf Mk5 Seat Cover Removal.
From www.youtube.com
Removing Rear seats from VW Golf How to unclip Seat Bases YouTube Golf Mk5 Seat Cover Removal All it has is to how to remove the complete seat from the car. Removing these will give you access to the lower clips. Finally figured out how the covers come out of the headrests after a half an hour of fighting, yelling, and hurt. Remove front bucket seat backrest → chapter. Do it yourself car seat cover removal step. Golf Mk5 Seat Cover Removal.
From workshop-manuals.com
Volkswagen Manuals > Golf Mk5 > Body > General body repairs Golf Mk5 Seat Cover Removal Finally figured out how the covers come out of the headrests after a half an hour of fighting, yelling, and hurt. Remove isofix plastic thingies, note the shape of the grooves in the picture, you have to press down and pull them. Remove front right bucket seat trim → chapter. Do it yourself car seat cover removal step one: Here. Golf Mk5 Seat Cover Removal.
From www.pelicanparts.com
Volkswagen Golf GTI Mk V Seat Removal and Replacement (20062009 Golf Mk5 Seat Cover Removal Here is a diy on how to take apart the mkv seats to install new seats covers or repair lumbar support and other parts to the. After all that is done you can start. Start off by pulling the trunk cover out along with the styrofoam surrounding the spare. Do it yourself car seat cover removal step one: Remove seat. Golf Mk5 Seat Cover Removal.
From michael.anastasiou.me
Remove Rear Seats (Bench seat) (VW Golf 5 V TSI) Michael Anastasiou Golf Mk5 Seat Cover Removal Remove isofix plastic thingies, note the shape of the grooves in the picture, you have to press down and pull them. Remove front bucket seat backrest → chapter. Remove front right bucket seat trim → chapter. After all that is done you can start. You can pull out the spare if you want but its not necessary. All it has. Golf Mk5 Seat Cover Removal.
From workshop-manuals.com
Volkswagen Service and Repair Manuals > Golf Mk5 > Body Golf Mk5 Seat Cover Removal You can pull out the spare if you want but its not necessary. Finally figured out how the covers come out of the headrests after a half an hour of fighting, yelling, and hurt. Please see our article on seat and sill removal for further assistance. Here is a diy on how to take apart the mkv seats to install. Golf Mk5 Seat Cover Removal.
From www.pelicanparts.com
Volkswagen Golf GTI Mk V Seat Removal and Replacement (20062009 Golf Mk5 Seat Cover Removal Remove isofix plastic thingies, note the shape of the grooves in the picture, you have to press down and pull them. Removing these will give you access to the lower clips. Please see our article on seat and sill removal for further assistance. Start off by pulling the trunk cover out along with the styrofoam surrounding the spare. After all. Golf Mk5 Seat Cover Removal.
From workshop-manuals.com
Volkswagen Service and Repair Manuals > Golf Mk5 > Body Golf Mk5 Seat Cover Removal Remove front right bucket seat trim → chapter. Remove isofix plastic thingies, note the shape of the grooves in the picture, you have to press down and pull them. Remove front bucket seat backrest → chapter. Removing these will give you access to the lower clips. Do it yourself car seat cover removal step one: All it has is to. Golf Mk5 Seat Cover Removal.
From workshop-manuals.com
Volkswagen Service and Repair Manuals > Golf Mk5 > Body Golf Mk5 Seat Cover Removal Finally figured out how the covers come out of the headrests after a half an hour of fighting, yelling, and hurt. Here is a diy on how to take apart the mkv seats to install new seats covers or repair lumbar support and other parts to the. Start off by pulling the trunk cover out along with the styrofoam surrounding. Golf Mk5 Seat Cover Removal.
From www.servicetutorials.com
How to remove / replace front seats on VW Golf Mk5, Jetta. VIDEO Golf Mk5 Seat Cover Removal Please see our article on seat and sill removal for further assistance. Start off by pulling the trunk cover out along with the styrofoam surrounding the spare. Remove front bucket seat backrest → chapter. Remove seat cushions from the vehicle in question, these came out of a vw golf mk 4 if you need assistance in removing the. Here is. Golf Mk5 Seat Cover Removal.
From www.velcromag.com
Vw Golf Seat Cover Removal Velcromag Golf Mk5 Seat Cover Removal Remove isofix plastic thingies, note the shape of the grooves in the picture, you have to press down and pull them. Remove seat cushions from the vehicle in question, these came out of a vw golf mk 4 if you need assistance in removing the. Here is a diy on how to take apart the mkv seats to install new. Golf Mk5 Seat Cover Removal.
From www.myturbodiesel.com
How to remove the front or rear seats on mk5 Volkswagen Jetta or Golf Golf Mk5 Seat Cover Removal Removing these will give you access to the lower clips. Remove seat cushions from the vehicle in question, these came out of a vw golf mk 4 if you need assistance in removing the. Remove isofix plastic thingies, note the shape of the grooves in the picture, you have to press down and pull them. After all that is done. Golf Mk5 Seat Cover Removal.
From workshop-manuals.com
Volkswagen Service and Repair Manuals > Golf Mk5 > Body Golf Mk5 Seat Cover Removal Start off by pulling the trunk cover out along with the styrofoam surrounding the spare. Remove seat cushions from the vehicle in question, these came out of a vw golf mk 4 if you need assistance in removing the. Do it yourself car seat cover removal step one: All it has is to how to remove the complete seat from. Golf Mk5 Seat Cover Removal.
From workshop-manuals.com
Volkswagen Service and Repair Manuals > Golf Mk5 > Body Golf Mk5 Seat Cover Removal Please see our article on seat and sill removal for further assistance. You can pull out the spare if you want but its not necessary. Remove front right bucket seat trim → chapter. Remove isofix plastic thingies, note the shape of the grooves in the picture, you have to press down and pull them. Start off by pulling the trunk. Golf Mk5 Seat Cover Removal.
From www.myturbodiesel.com
How to remove the front or rear seats on mk5 Volkswagen Jetta or Golf Golf Mk5 Seat Cover Removal You can pull out the spare if you want but its not necessary. After all that is done you can start. Removing these will give you access to the lower clips. All it has is to how to remove the complete seat from the car. Start off by pulling the trunk cover out along with the styrofoam surrounding the spare.. Golf Mk5 Seat Cover Removal.
From workshop-manuals.com
Volkswagen Service and Repair Manuals > Golf Mk5 > Body Golf Mk5 Seat Cover Removal Start off by pulling the trunk cover out along with the styrofoam surrounding the spare. After all that is done you can start. Finally figured out how the covers come out of the headrests after a half an hour of fighting, yelling, and hurt. Remove isofix plastic thingies, note the shape of the grooves in the picture, you have to. Golf Mk5 Seat Cover Removal.
From www.myturbodiesel.com
How to remove the front or rear seats on mk5 Volkswagen Jetta or Golf Golf Mk5 Seat Cover Removal Please see our article on seat and sill removal for further assistance. Remove front bucket seat backrest → chapter. Do it yourself car seat cover removal step one: You can pull out the spare if you want but its not necessary. Remove isofix plastic thingies, note the shape of the grooves in the picture, you have to press down and. Golf Mk5 Seat Cover Removal.
From workshop-manuals.com
Volkswagen Manuals > Golf Mk5 > Body > General body repairs Golf Mk5 Seat Cover Removal Remove front bucket seat backrest → chapter. Start off by pulling the trunk cover out along with the styrofoam surrounding the spare. Do it yourself car seat cover removal step one: Please see our article on seat and sill removal for further assistance. Remove seat cushions from the vehicle in question, these came out of a vw golf mk 4. Golf Mk5 Seat Cover Removal.
From workshop-manuals.com
Volkswagen Service and Repair Manuals > Golf Mk5 > Body Golf Mk5 Seat Cover Removal Remove isofix plastic thingies, note the shape of the grooves in the picture, you have to press down and pull them. Finally figured out how the covers come out of the headrests after a half an hour of fighting, yelling, and hurt. Remove front right bucket seat trim → chapter. Please see our article on seat and sill removal for. Golf Mk5 Seat Cover Removal.
From workshop-manuals.com
Volkswagen Service and Repair Manuals > Golf Mk5 > Body Golf Mk5 Seat Cover Removal Remove seat cushions from the vehicle in question, these came out of a vw golf mk 4 if you need assistance in removing the. Do it yourself car seat cover removal step one: All it has is to how to remove the complete seat from the car. Remove front right bucket seat trim → chapter. You can pull out the. Golf Mk5 Seat Cover Removal.
From www.velcromag.com
Vw Golf Seat Cover Removal Velcromag Golf Mk5 Seat Cover Removal After all that is done you can start. Removing these will give you access to the lower clips. Remove front bucket seat backrest → chapter. Do it yourself car seat cover removal step one: Finally figured out how the covers come out of the headrests after a half an hour of fighting, yelling, and hurt. Remove front right bucket seat. Golf Mk5 Seat Cover Removal.
From michael.anastasiou.me
Remove Rear Seats (Bench seat) (VW Golf 5 V TSI) Michael Anastasiou Golf Mk5 Seat Cover Removal Finally figured out how the covers come out of the headrests after a half an hour of fighting, yelling, and hurt. Remove front right bucket seat trim → chapter. Please see our article on seat and sill removal for further assistance. You can pull out the spare if you want but its not necessary. All it has is to how. Golf Mk5 Seat Cover Removal.
From workshop-manuals.com
Volkswagen Service and Repair Manuals > Golf Mk5 > Body Golf Mk5 Seat Cover Removal Remove isofix plastic thingies, note the shape of the grooves in the picture, you have to press down and pull them. Start off by pulling the trunk cover out along with the styrofoam surrounding the spare. All it has is to how to remove the complete seat from the car. Here is a diy on how to take apart the. Golf Mk5 Seat Cover Removal.
From workshop-manuals.com
Volkswagen Service and Repair Manuals > Golf Mk5 > Body Golf Mk5 Seat Cover Removal Remove front right bucket seat trim → chapter. Finally figured out how the covers come out of the headrests after a half an hour of fighting, yelling, and hurt. Here is a diy on how to take apart the mkv seats to install new seats covers or repair lumbar support and other parts to the. Remove front bucket seat backrest. Golf Mk5 Seat Cover Removal.
From workshop-manuals.com
Volkswagen Service and Repair Manuals > Golf Mk5 > Body Golf Mk5 Seat Cover Removal Here is a diy on how to take apart the mkv seats to install new seats covers or repair lumbar support and other parts to the. Finally figured out how the covers come out of the headrests after a half an hour of fighting, yelling, and hurt. Remove front bucket seat backrest → chapter. Remove seat cushions from the vehicle. Golf Mk5 Seat Cover Removal.
From workshop-manuals.com
Volkswagen Service and Repair Manuals > Golf Mk5 > Body Golf Mk5 Seat Cover Removal Do it yourself car seat cover removal step one: Here is a diy on how to take apart the mkv seats to install new seats covers or repair lumbar support and other parts to the. After all that is done you can start. Remove front right bucket seat trim → chapter. Start off by pulling the trunk cover out along. Golf Mk5 Seat Cover Removal.
From www.mk5golfgti.co.uk
How To Mk5 Heated Seats Retrofit page 1 How to Guides Golf Mk5 Seat Cover Removal All it has is to how to remove the complete seat from the car. Start off by pulling the trunk cover out along with the styrofoam surrounding the spare. Here is a diy on how to take apart the mkv seats to install new seats covers or repair lumbar support and other parts to the. Finally figured out how the. Golf Mk5 Seat Cover Removal.
From workshop-manuals.com
Volkswagen Service and Repair Manuals > Golf Mk5 > Body Golf Mk5 Seat Cover Removal Please see our article on seat and sill removal for further assistance. Start off by pulling the trunk cover out along with the styrofoam surrounding the spare. After all that is done you can start. You can pull out the spare if you want but its not necessary. Remove front bucket seat backrest → chapter. Removing these will give you. Golf Mk5 Seat Cover Removal.