How To Replace A Belt On A Speed Queen Dryer . Unplug the speed queen dryer from the power source. The speed queen dryer is very similar to the amana line of dryers, with the same cabinetry design and mechanical parts. Make sure the speed queen dryer is. Now my dryer is making intermittent squealing noises, so i bought a new belt, two new pulleys, new drum glides, and a new idler pulley. This video shows how to change the main belt on a speed queen dryer.more. How to replace speed queen dryer drive belt. Replacing a speed queen dryer belt typically involves disassembling the dryer, removing the old belt, and installing the new one according to the.
from www.ifixit.com
Replacing a speed queen dryer belt typically involves disassembling the dryer, removing the old belt, and installing the new one according to the. How to replace speed queen dryer drive belt. Unplug the speed queen dryer from the power source. Make sure the speed queen dryer is. This video shows how to change the main belt on a speed queen dryer.more. The speed queen dryer is very similar to the amana line of dryers, with the same cabinetry design and mechanical parts. Now my dryer is making intermittent squealing noises, so i bought a new belt, two new pulleys, new drum glides, and a new idler pulley.
Speed Queen Dryer Repair Help Learn How to Fix It Yourself.
How To Replace A Belt On A Speed Queen Dryer Now my dryer is making intermittent squealing noises, so i bought a new belt, two new pulleys, new drum glides, and a new idler pulley. Make sure the speed queen dryer is. Unplug the speed queen dryer from the power source. This video shows how to change the main belt on a speed queen dryer.more. Replacing a speed queen dryer belt typically involves disassembling the dryer, removing the old belt, and installing the new one according to the. How to replace speed queen dryer drive belt. The speed queen dryer is very similar to the amana line of dryers, with the same cabinetry design and mechanical parts. Now my dryer is making intermittent squealing noises, so i bought a new belt, two new pulleys, new drum glides, and a new idler pulley.
From cegqogbg.blob.core.windows.net
How To Repair A Speed Queen Dryer at Celia Tyler blog How To Replace A Belt On A Speed Queen Dryer Now my dryer is making intermittent squealing noises, so i bought a new belt, two new pulleys, new drum glides, and a new idler pulley. This video shows how to change the main belt on a speed queen dryer.more. The speed queen dryer is very similar to the amana line of dryers, with the same cabinetry design and mechanical parts.. How To Replace A Belt On A Speed Queen Dryer.
From www.youtube.com
How to replace the belt and the tensioner on a speed queen washer How To Replace A Belt On A Speed Queen Dryer Unplug the speed queen dryer from the power source. The speed queen dryer is very similar to the amana line of dryers, with the same cabinetry design and mechanical parts. Make sure the speed queen dryer is. Replacing a speed queen dryer belt typically involves disassembling the dryer, removing the old belt, and installing the new one according to the.. How To Replace A Belt On A Speed Queen Dryer.
From littleeagles.edu.vn
16 How Do You Reset A Speed Queen Commercial Dryer? Ultimate Guide How To Replace A Belt On A Speed Queen Dryer Replacing a speed queen dryer belt typically involves disassembling the dryer, removing the old belt, and installing the new one according to the. Unplug the speed queen dryer from the power source. The speed queen dryer is very similar to the amana line of dryers, with the same cabinetry design and mechanical parts. This video shows how to change the. How To Replace A Belt On A Speed Queen Dryer.
From quizzschoolterrarium.z13.web.core.windows.net
How To Use Speed Queen Commercial Dryer How To Replace A Belt On A Speed Queen Dryer This video shows how to change the main belt on a speed queen dryer.more. Now my dryer is making intermittent squealing noises, so i bought a new belt, two new pulleys, new drum glides, and a new idler pulley. Unplug the speed queen dryer from the power source. Make sure the speed queen dryer is. Replacing a speed queen dryer. How To Replace A Belt On A Speed Queen Dryer.
From www.youtube.com
Speed Queen Dryer Disassembly YouTube How To Replace A Belt On A Speed Queen Dryer This video shows how to change the main belt on a speed queen dryer.more. The speed queen dryer is very similar to the amana line of dryers, with the same cabinetry design and mechanical parts. Replacing a speed queen dryer belt typically involves disassembling the dryer, removing the old belt, and installing the new one according to the. Unplug the. How To Replace A Belt On A Speed Queen Dryer.
From parts.alliancelaundry.com
Speed Queen M401182P Dryer BELT V67INCH W/INSTR Commercial Speed How To Replace A Belt On A Speed Queen Dryer This video shows how to change the main belt on a speed queen dryer.more. Replacing a speed queen dryer belt typically involves disassembling the dryer, removing the old belt, and installing the new one according to the. Unplug the speed queen dryer from the power source. How to replace speed queen dryer drive belt. Make sure the speed queen dryer. How To Replace A Belt On A Speed Queen Dryer.
From elecdiags.com
Understanding the Speed Queen Dryer Belt Diagram A StepbyStep Guide How To Replace A Belt On A Speed Queen Dryer The speed queen dryer is very similar to the amana line of dryers, with the same cabinetry design and mechanical parts. This video shows how to change the main belt on a speed queen dryer.more. Now my dryer is making intermittent squealing noises, so i bought a new belt, two new pulleys, new drum glides, and a new idler pulley.. How To Replace A Belt On A Speed Queen Dryer.
From www.youtube.com
How to replace the belt and idler pulley on a Speed Queen washing How To Replace A Belt On A Speed Queen Dryer Replacing a speed queen dryer belt typically involves disassembling the dryer, removing the old belt, and installing the new one according to the. This video shows how to change the main belt on a speed queen dryer.more. How to replace speed queen dryer drive belt. Now my dryer is making intermittent squealing noises, so i bought a new belt, two. How To Replace A Belt On A Speed Queen Dryer.
From www.youtube.com
Speed Queen Dryer Disassembly and Lint Cleaning YouTube How To Replace A Belt On A Speed Queen Dryer The speed queen dryer is very similar to the amana line of dryers, with the same cabinetry design and mechanical parts. This video shows how to change the main belt on a speed queen dryer.more. Now my dryer is making intermittent squealing noises, so i bought a new belt, two new pulleys, new drum glides, and a new idler pulley.. How To Replace A Belt On A Speed Queen Dryer.
From www.justanswer.com
Speed Queen Gas Dryer Amana LGS34AW dryer drum will not turn....how How To Replace A Belt On A Speed Queen Dryer The speed queen dryer is very similar to the amana line of dryers, with the same cabinetry design and mechanical parts. Now my dryer is making intermittent squealing noises, so i bought a new belt, two new pulleys, new drum glides, and a new idler pulley. How to replace speed queen dryer drive belt. This video shows how to change. How To Replace A Belt On A Speed Queen Dryer.
From quizzschoolterrarium.z13.web.core.windows.net
How To Use Speed Queen Commercial Dryer How To Replace A Belt On A Speed Queen Dryer Replacing a speed queen dryer belt typically involves disassembling the dryer, removing the old belt, and installing the new one according to the. This video shows how to change the main belt on a speed queen dryer.more. Now my dryer is making intermittent squealing noises, so i bought a new belt, two new pulleys, new drum glides, and a new. How To Replace A Belt On A Speed Queen Dryer.
From appliancepartsonline.co.za
Speed Queen Tumble Dryer belt 59174 Appliance Parts Online How To Replace A Belt On A Speed Queen Dryer Now my dryer is making intermittent squealing noises, so i bought a new belt, two new pulleys, new drum glides, and a new idler pulley. This video shows how to change the main belt on a speed queen dryer.more. Unplug the speed queen dryer from the power source. Make sure the speed queen dryer is. The speed queen dryer is. How To Replace A Belt On A Speed Queen Dryer.
From www.youtube.com
HOW TO REPLACE A SPEED QUEEN DRYER HEAT OUTLET PERFORATED COVER. YouTube How To Replace A Belt On A Speed Queen Dryer Replacing a speed queen dryer belt typically involves disassembling the dryer, removing the old belt, and installing the new one according to the. How to replace speed queen dryer drive belt. Now my dryer is making intermittent squealing noises, so i bought a new belt, two new pulleys, new drum glides, and a new idler pulley. Make sure the speed. How To Replace A Belt On A Speed Queen Dryer.
From klanekjdl.blob.core.windows.net
How To Replace Dryer Belt On Ge Dryer at John Dougherty blog How To Replace A Belt On A Speed Queen Dryer This video shows how to change the main belt on a speed queen dryer.more. The speed queen dryer is very similar to the amana line of dryers, with the same cabinetry design and mechanical parts. Make sure the speed queen dryer is. Unplug the speed queen dryer from the power source. How to replace speed queen dryer drive belt. Now. How To Replace A Belt On A Speed Queen Dryer.
From dxoooqfob.blob.core.windows.net
How To Clean Out A Speed Queen Dryer at Stephanie Jordan blog How To Replace A Belt On A Speed Queen Dryer Replacing a speed queen dryer belt typically involves disassembling the dryer, removing the old belt, and installing the new one according to the. This video shows how to change the main belt on a speed queen dryer.more. How to replace speed queen dryer drive belt. Make sure the speed queen dryer is. The speed queen dryer is very similar to. How To Replace A Belt On A Speed Queen Dryer.
From www.youtube.com
Speed Queen Dryer No Start Cylinder Belt Repair and Diagnostic How To Replace A Belt On A Speed Queen Dryer The speed queen dryer is very similar to the amana line of dryers, with the same cabinetry design and mechanical parts. Unplug the speed queen dryer from the power source. Now my dryer is making intermittent squealing noises, so i bought a new belt, two new pulleys, new drum glides, and a new idler pulley. How to replace speed queen. How To Replace A Belt On A Speed Queen Dryer.
From www.searspartsdirect.com
Speed Queen DE3231 dryer parts Sears PartsDirect How To Replace A Belt On A Speed Queen Dryer Now my dryer is making intermittent squealing noises, so i bought a new belt, two new pulleys, new drum glides, and a new idler pulley. Make sure the speed queen dryer is. This video shows how to change the main belt on a speed queen dryer.more. The speed queen dryer is very similar to the amana line of dryers, with. How To Replace A Belt On A Speed Queen Dryer.
From www.youtube.com
Installing a dryer belt YouTube How To Replace A Belt On A Speed Queen Dryer How to replace speed queen dryer drive belt. Make sure the speed queen dryer is. This video shows how to change the main belt on a speed queen dryer.more. Unplug the speed queen dryer from the power source. Now my dryer is making intermittent squealing noises, so i bought a new belt, two new pulleys, new drum glides, and a. How To Replace A Belt On A Speed Queen Dryer.
From www.youtube.com
Decals and Cosmetic Parts for a Speed Queen STT30N Stack Dryer YouTube How To Replace A Belt On A Speed Queen Dryer Make sure the speed queen dryer is. How to replace speed queen dryer drive belt. Unplug the speed queen dryer from the power source. The speed queen dryer is very similar to the amana line of dryers, with the same cabinetry design and mechanical parts. Now my dryer is making intermittent squealing noises, so i bought a new belt, two. How To Replace A Belt On A Speed Queen Dryer.
From repairmanualbar.blogspot.com
Download Repair Manual Repair Manual For Speed Queen Dryer How To Replace A Belt On A Speed Queen Dryer Now my dryer is making intermittent squealing noises, so i bought a new belt, two new pulleys, new drum glides, and a new idler pulley. How to replace speed queen dryer drive belt. Make sure the speed queen dryer is. The speed queen dryer is very similar to the amana line of dryers, with the same cabinetry design and mechanical. How To Replace A Belt On A Speed Queen Dryer.
From www.youtube.com
Amana Dryer Repair How to replace the Multi Rib Belt YouTube How To Replace A Belt On A Speed Queen Dryer Replacing a speed queen dryer belt typically involves disassembling the dryer, removing the old belt, and installing the new one according to the. This video shows how to change the main belt on a speed queen dryer.more. Unplug the speed queen dryer from the power source. The speed queen dryer is very similar to the amana line of dryers, with. How To Replace A Belt On A Speed Queen Dryer.
From dryerbeltpitsushiki.blogspot.com
Dryer Belt How To Change Belt On Speed Queen Dryer How To Replace A Belt On A Speed Queen Dryer Make sure the speed queen dryer is. Replacing a speed queen dryer belt typically involves disassembling the dryer, removing the old belt, and installing the new one according to the. This video shows how to change the main belt on a speed queen dryer.more. The speed queen dryer is very similar to the amana line of dryers, with the same. How To Replace A Belt On A Speed Queen Dryer.
From www.youtube.com
Speed Queen Dryer Disassembly NEW PULLEYS, NEW BELTS, AND CLEAN OUT How To Replace A Belt On A Speed Queen Dryer Now my dryer is making intermittent squealing noises, so i bought a new belt, two new pulleys, new drum glides, and a new idler pulley. Unplug the speed queen dryer from the power source. The speed queen dryer is very similar to the amana line of dryers, with the same cabinetry design and mechanical parts. Replacing a speed queen dryer. How To Replace A Belt On A Speed Queen Dryer.
From howtofixit.net
5 Common Speed Queen Washer Problems How To Fix It How To Fix It How To Replace A Belt On A Speed Queen Dryer How to replace speed queen dryer drive belt. Make sure the speed queen dryer is. Now my dryer is making intermittent squealing noises, so i bought a new belt, two new pulleys, new drum glides, and a new idler pulley. Unplug the speed queen dryer from the power source. Replacing a speed queen dryer belt typically involves disassembling the dryer,. How To Replace A Belt On A Speed Queen Dryer.
From www.youtube.com
SPEED QUEEN DRYER THERMOSTAT AND LIMIT. HOW TO TROUBLESHOOT AND REPLACE How To Replace A Belt On A Speed Queen Dryer Replacing a speed queen dryer belt typically involves disassembling the dryer, removing the old belt, and installing the new one according to the. The speed queen dryer is very similar to the amana line of dryers, with the same cabinetry design and mechanical parts. This video shows how to change the main belt on a speed queen dryer.more. Now my. How To Replace A Belt On A Speed Queen Dryer.
From dryerbeltpitsushiki.blogspot.com
Dryer Belt How To Change Belt On Speed Queen Dryer How To Replace A Belt On A Speed Queen Dryer Unplug the speed queen dryer from the power source. Make sure the speed queen dryer is. Now my dryer is making intermittent squealing noises, so i bought a new belt, two new pulleys, new drum glides, and a new idler pulley. The speed queen dryer is very similar to the amana line of dryers, with the same cabinetry design and. How To Replace A Belt On A Speed Queen Dryer.
From www.ifixit.com
Speed Queen Dryer Repair Help Learn How to Fix It Yourself. How To Replace A Belt On A Speed Queen Dryer Unplug the speed queen dryer from the power source. How to replace speed queen dryer drive belt. Replacing a speed queen dryer belt typically involves disassembling the dryer, removing the old belt, and installing the new one according to the. The speed queen dryer is very similar to the amana line of dryers, with the same cabinetry design and mechanical. How To Replace A Belt On A Speed Queen Dryer.
From www.ifixit.com
Speed Queen AES17AWF Heating Element and Belt Replacement iFixit How To Replace A Belt On A Speed Queen Dryer This video shows how to change the main belt on a speed queen dryer.more. Unplug the speed queen dryer from the power source. How to replace speed queen dryer drive belt. Replacing a speed queen dryer belt typically involves disassembling the dryer, removing the old belt, and installing the new one according to the. Now my dryer is making intermittent. How To Replace A Belt On A Speed Queen Dryer.
From www.youtube.com
Speed Queen Commercial Dryer New Rollers And Belt YouTube How To Replace A Belt On A Speed Queen Dryer The speed queen dryer is very similar to the amana line of dryers, with the same cabinetry design and mechanical parts. Make sure the speed queen dryer is. Unplug the speed queen dryer from the power source. This video shows how to change the main belt on a speed queen dryer.more. Replacing a speed queen dryer belt typically involves disassembling. How To Replace A Belt On A Speed Queen Dryer.
From beltposter.blogspot.com
How To Install A Dryer Belt On A Ge Dryer Belt Poster How To Replace A Belt On A Speed Queen Dryer Make sure the speed queen dryer is. Replacing a speed queen dryer belt typically involves disassembling the dryer, removing the old belt, and installing the new one according to the. This video shows how to change the main belt on a speed queen dryer.more. The speed queen dryer is very similar to the amana line of dryers, with the same. How To Replace A Belt On A Speed Queen Dryer.
From elecdiags.com
Understanding the Speed Queen Dryer Belt Diagram A StepbyStep Guide How To Replace A Belt On A Speed Queen Dryer The speed queen dryer is very similar to the amana line of dryers, with the same cabinetry design and mechanical parts. Replacing a speed queen dryer belt typically involves disassembling the dryer, removing the old belt, and installing the new one according to the. Unplug the speed queen dryer from the power source. How to replace speed queen dryer drive. How To Replace A Belt On A Speed Queen Dryer.
From appliancesrepair.expert
Speed Queen dryer replacement rollers and belt AppliancesRepair.expert How To Replace A Belt On A Speed Queen Dryer Unplug the speed queen dryer from the power source. How to replace speed queen dryer drive belt. The speed queen dryer is very similar to the amana line of dryers, with the same cabinetry design and mechanical parts. This video shows how to change the main belt on a speed queen dryer.more. Make sure the speed queen dryer is. Replacing. How To Replace A Belt On A Speed Queen Dryer.
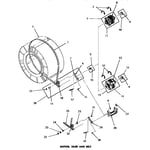
From stewart-switch.com
Speed Queen Dryer Belt Diagram How To Replace A Belt On A Speed Queen Dryer How to replace speed queen dryer drive belt. Now my dryer is making intermittent squealing noises, so i bought a new belt, two new pulleys, new drum glides, and a new idler pulley. This video shows how to change the main belt on a speed queen dryer.more. Make sure the speed queen dryer is. The speed queen dryer is very. How To Replace A Belt On A Speed Queen Dryer.
From www.youtube.com
Speed Queen Washer/Dryer Operation, Quick Introduction YouTube How To Replace A Belt On A Speed Queen Dryer How to replace speed queen dryer drive belt. Make sure the speed queen dryer is. Unplug the speed queen dryer from the power source. This video shows how to change the main belt on a speed queen dryer.more. Replacing a speed queen dryer belt typically involves disassembling the dryer, removing the old belt, and installing the new one according to. How To Replace A Belt On A Speed Queen Dryer.
From manualdatareflower.z14.web.core.windows.net
Speed Queen Dryer Belt Diagram How To Replace A Belt On A Speed Queen Dryer Replacing a speed queen dryer belt typically involves disassembling the dryer, removing the old belt, and installing the new one according to the. How to replace speed queen dryer drive belt. Make sure the speed queen dryer is. Now my dryer is making intermittent squealing noises, so i bought a new belt, two new pulleys, new drum glides, and a. How To Replace A Belt On A Speed Queen Dryer.