Skid Steer Engine Compartment . Revitalize your gehl with loader parts source! Explore premium engine components, short blocks, long blocks, and repair parts for loaders and skid loaders today! Moving to the engine compartment, diesel engines are the heart of skid steers and compact track loaders. Can anybody tell me if there is supposed to be a bushing of some kind in the hinge for the engine compartment rear door.the. In this report, we take a look at the new models on the market and improvements to existing skid steers, as well as offer tips for buyers and for finding the right attachments. Diesels power the hydraulic system, which is. While replacing the starter on my 863f this week, i was noticing the amount of crud and dirt in the engine compartment. Caterpillar maintenance expert nick rummel takes you on a walkaround of your cat® skid steer loader engine compartment, where.
from www.machines4u.com.au
Explore premium engine components, short blocks, long blocks, and repair parts for loaders and skid loaders today! While replacing the starter on my 863f this week, i was noticing the amount of crud and dirt in the engine compartment. Diesels power the hydraulic system, which is. In this report, we take a look at the new models on the market and improvements to existing skid steers, as well as offer tips for buyers and for finding the right attachments. Caterpillar maintenance expert nick rummel takes you on a walkaround of your cat® skid steer loader engine compartment, where. Moving to the engine compartment, diesel engines are the heart of skid steers and compact track loaders. Revitalize your gehl with loader parts source! Can anybody tell me if there is supposed to be a bushing of some kind in the hinge for the engine compartment rear door.the.
Used 2014 Caterpillar 242D Wheeled SkidSteers in Melton, VIC
Skid Steer Engine Compartment Moving to the engine compartment, diesel engines are the heart of skid steers and compact track loaders. In this report, we take a look at the new models on the market and improvements to existing skid steers, as well as offer tips for buyers and for finding the right attachments. Can anybody tell me if there is supposed to be a bushing of some kind in the hinge for the engine compartment rear door.the. Moving to the engine compartment, diesel engines are the heart of skid steers and compact track loaders. Caterpillar maintenance expert nick rummel takes you on a walkaround of your cat® skid steer loader engine compartment, where. Explore premium engine components, short blocks, long blocks, and repair parts for loaders and skid loaders today! While replacing the starter on my 863f this week, i was noticing the amount of crud and dirt in the engine compartment. Revitalize your gehl with loader parts source! Diesels power the hydraulic system, which is.
From benandsophiaphotography.blogspot.com
cat skid steer size chart Keep Working On It Vodcast Picture Show Skid Steer Engine Compartment Moving to the engine compartment, diesel engines are the heart of skid steers and compact track loaders. Diesels power the hydraulic system, which is. In this report, we take a look at the new models on the market and improvements to existing skid steers, as well as offer tips for buyers and for finding the right attachments. Can anybody tell. Skid Steer Engine Compartment.
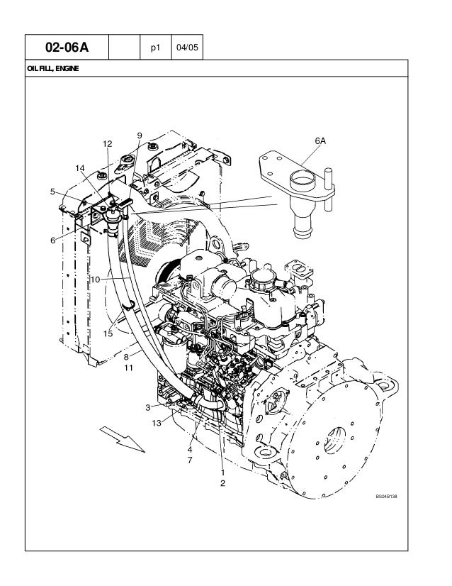
From techschematic.com
Exploring the John Deere 260 Skid Steer Parts Diagram A Comprehensive Skid Steer Engine Compartment In this report, we take a look at the new models on the market and improvements to existing skid steers, as well as offer tips for buyers and for finding the right attachments. Diesels power the hydraulic system, which is. Moving to the engine compartment, diesel engines are the heart of skid steers and compact track loaders. Revitalize your gehl. Skid Steer Engine Compartment.
From engine.cosicova.org
Bobcat Skid Steer Engine Skid Steer Engine Compartment Explore premium engine components, short blocks, long blocks, and repair parts for loaders and skid loaders today! Diesels power the hydraulic system, which is. Can anybody tell me if there is supposed to be a bushing of some kind in the hinge for the engine compartment rear door.the. While replacing the starter on my 863f this week, i was noticing. Skid Steer Engine Compartment.
From twentywheels.com
Bobcat S185 Cab Skid Steer Loader Kubota Diesel Engine 4x4 Bucket Skid Steer Engine Compartment Revitalize your gehl with loader parts source! While replacing the starter on my 863f this week, i was noticing the amount of crud and dirt in the engine compartment. Diesels power the hydraulic system, which is. Explore premium engine components, short blocks, long blocks, and repair parts for loaders and skid loaders today! Moving to the engine compartment, diesel engines. Skid Steer Engine Compartment.
From www.youtube.com
WILL IT RUN Engine Install Skid Steer Caterpillar Part 6 YouTube Skid Steer Engine Compartment Moving to the engine compartment, diesel engines are the heart of skid steers and compact track loaders. Can anybody tell me if there is supposed to be a bushing of some kind in the hinge for the engine compartment rear door.the. Explore premium engine components, short blocks, long blocks, and repair parts for loaders and skid loaders today! While replacing. Skid Steer Engine Compartment.
From www.youtube.com
2013 Cat 262C Series 2 Skid Steer Loader Engine Compartment & Operator Skid Steer Engine Compartment Moving to the engine compartment, diesel engines are the heart of skid steers and compact track loaders. Caterpillar maintenance expert nick rummel takes you on a walkaround of your cat® skid steer loader engine compartment, where. Explore premium engine components, short blocks, long blocks, and repair parts for loaders and skid loaders today! While replacing the starter on my 863f. Skid Steer Engine Compartment.
From www.reddit.com
This John Deere 320D skid steer rolled into the shop today with the Skid Steer Engine Compartment Explore premium engine components, short blocks, long blocks, and repair parts for loaders and skid loaders today! Caterpillar maintenance expert nick rummel takes you on a walkaround of your cat® skid steer loader engine compartment, where. Revitalize your gehl with loader parts source! Moving to the engine compartment, diesel engines are the heart of skid steers and compact track loaders.. Skid Steer Engine Compartment.
From www.youtube.com
How to pull a John Deere skid steer engine (CT332) in 1 min 15 sec Skid Steer Engine Compartment While replacing the starter on my 863f this week, i was noticing the amount of crud and dirt in the engine compartment. Caterpillar maintenance expert nick rummel takes you on a walkaround of your cat® skid steer loader engine compartment, where. Diesels power the hydraulic system, which is. Moving to the engine compartment, diesel engines are the heart of skid. Skid Steer Engine Compartment.
From www.directbids.com
Thomas Model 245 Turbo Skid Loader for sale Skid Steer Engine Compartment Diesels power the hydraulic system, which is. Moving to the engine compartment, diesel engines are the heart of skid steers and compact track loaders. Explore premium engine components, short blocks, long blocks, and repair parts for loaders and skid loaders today! Revitalize your gehl with loader parts source! Can anybody tell me if there is supposed to be a bushing. Skid Steer Engine Compartment.
From 777parts.net
6V1970 LITERATURE GROUP (LITERATURE COMPARTMENT) SKID STEER LOADER Skid Steer Engine Compartment Revitalize your gehl with loader parts source! In this report, we take a look at the new models on the market and improvements to existing skid steers, as well as offer tips for buyers and for finding the right attachments. While replacing the starter on my 863f this week, i was noticing the amount of crud and dirt in the. Skid Steer Engine Compartment.
From www.rebuiltcaterpillarengines.com
Cat C3.3B DIT engine for Cat 287D Skid Steer Loader for sale Skid Steer Engine Compartment Caterpillar maintenance expert nick rummel takes you on a walkaround of your cat® skid steer loader engine compartment, where. Diesels power the hydraulic system, which is. While replacing the starter on my 863f this week, i was noticing the amount of crud and dirt in the engine compartment. Can anybody tell me if there is supposed to be a bushing. Skid Steer Engine Compartment.
From www.avesco-cat.com
How to choose Cat skid steer loader Avesco Construction Equipment Skid Steer Engine Compartment Diesels power the hydraulic system, which is. Caterpillar maintenance expert nick rummel takes you on a walkaround of your cat® skid steer loader engine compartment, where. In this report, we take a look at the new models on the market and improvements to existing skid steers, as well as offer tips for buyers and for finding the right attachments. Moving. Skid Steer Engine Compartment.
From www.rebuiltcumminsenginesales.com
Cummins 4bt engine for Case 8870 skid steer for sale Skid Steer Engine Compartment Explore premium engine components, short blocks, long blocks, and repair parts for loaders and skid loaders today! Revitalize your gehl with loader parts source! In this report, we take a look at the new models on the market and improvements to existing skid steers, as well as offer tips for buyers and for finding the right attachments. Diesels power the. Skid Steer Engine Compartment.
From twentywheels.com
Thomas 173 Hl Skid Steer Engine Compartment While replacing the starter on my 863f this week, i was noticing the amount of crud and dirt in the engine compartment. Moving to the engine compartment, diesel engines are the heart of skid steers and compact track loaders. Caterpillar maintenance expert nick rummel takes you on a walkaround of your cat® skid steer loader engine compartment, where. Revitalize your. Skid Steer Engine Compartment.
From garagefixbitmaps.z5.web.core.windows.net
Bobcat Skid Steer Engine Skid Steer Engine Compartment Explore premium engine components, short blocks, long blocks, and repair parts for loaders and skid loaders today! In this report, we take a look at the new models on the market and improvements to existing skid steers, as well as offer tips for buyers and for finding the right attachments. Diesels power the hydraulic system, which is. Can anybody tell. Skid Steer Engine Compartment.
From www.cat.com
Cat® D2 Series Loaders (Skid Steer, MultiTerrain, and Compact Track Skid Steer Engine Compartment Revitalize your gehl with loader parts source! Diesels power the hydraulic system, which is. While replacing the starter on my 863f this week, i was noticing the amount of crud and dirt in the engine compartment. Caterpillar maintenance expert nick rummel takes you on a walkaround of your cat® skid steer loader engine compartment, where. Moving to the engine compartment,. Skid Steer Engine Compartment.
From www.youtube.com
Gehl skid steer engine YouTube Skid Steer Engine Compartment Caterpillar maintenance expert nick rummel takes you on a walkaround of your cat® skid steer loader engine compartment, where. Explore premium engine components, short blocks, long blocks, and repair parts for loaders and skid loaders today! Diesels power the hydraulic system, which is. Revitalize your gehl with loader parts source! Can anybody tell me if there is supposed to be. Skid Steer Engine Compartment.
From www.diagramboard.com
wiring schematic for the engine compartment on a 940 mustang skidsteer Skid Steer Engine Compartment Diesels power the hydraulic system, which is. Explore premium engine components, short blocks, long blocks, and repair parts for loaders and skid loaders today! In this report, we take a look at the new models on the market and improvements to existing skid steers, as well as offer tips for buyers and for finding the right attachments. Can anybody tell. Skid Steer Engine Compartment.
From www.viequipmentltd.com
Caterpillar 247B II Skid Steer for Sale Skid Steer Engine Compartment Caterpillar maintenance expert nick rummel takes you on a walkaround of your cat® skid steer loader engine compartment, where. Moving to the engine compartment, diesel engines are the heart of skid steers and compact track loaders. Explore premium engine components, short blocks, long blocks, and repair parts for loaders and skid loaders today! In this report, we take a look. Skid Steer Engine Compartment.
From www.youtube.com
OMC Mustang 345 Skid Steer Engine Reassembly YouTube Skid Steer Engine Compartment In this report, we take a look at the new models on the market and improvements to existing skid steers, as well as offer tips for buyers and for finding the right attachments. Revitalize your gehl with loader parts source! While replacing the starter on my 863f this week, i was noticing the amount of crud and dirt in the. Skid Steer Engine Compartment.
From www.youtube.com
2014 Cat 246D Skid Steer Loader WalkAround, Engine Compartment Skid Steer Engine Compartment Can anybody tell me if there is supposed to be a bushing of some kind in the hinge for the engine compartment rear door.the. While replacing the starter on my 863f this week, i was noticing the amount of crud and dirt in the engine compartment. Caterpillar maintenance expert nick rummel takes you on a walkaround of your cat® skid. Skid Steer Engine Compartment.
From www.directbids.com
Thomas Model 245 Turbo Skid Loader for sale Skid Steer Engine Compartment Can anybody tell me if there is supposed to be a bushing of some kind in the hinge for the engine compartment rear door.the. While replacing the starter on my 863f this week, i was noticing the amount of crud and dirt in the engine compartment. Moving to the engine compartment, diesel engines are the heart of skid steers and. Skid Steer Engine Compartment.
From www.machines4u.com.au
Used 2014 Caterpillar 242D Wheeled SkidSteers in Melton, VIC Skid Steer Engine Compartment Moving to the engine compartment, diesel engines are the heart of skid steers and compact track loaders. Diesels power the hydraulic system, which is. Explore premium engine components, short blocks, long blocks, and repair parts for loaders and skid loaders today! Revitalize your gehl with loader parts source! While replacing the starter on my 863f this week, i was noticing. Skid Steer Engine Compartment.
From www.youtube.com
Cummins 4T390 BT3.9 4T390 Diesel Engine Case 580K 590 Backhoe 1840 Skid Steer Engine Compartment While replacing the starter on my 863f this week, i was noticing the amount of crud and dirt in the engine compartment. Moving to the engine compartment, diesel engines are the heart of skid steers and compact track loaders. In this report, we take a look at the new models on the market and improvements to existing skid steers, as. Skid Steer Engine Compartment.
From www.rebuiltcaterpillarengines.com
Cat 3024 engine for 216B skid steer Skid Steer Engine Compartment While replacing the starter on my 863f this week, i was noticing the amount of crud and dirt in the engine compartment. Moving to the engine compartment, diesel engines are the heart of skid steers and compact track loaders. Can anybody tell me if there is supposed to be a bushing of some kind in the hinge for the engine. Skid Steer Engine Compartment.
From www.directbids.com
Thomas Model 175 Skid Loader for sale Skid Steer Engine Compartment In this report, we take a look at the new models on the market and improvements to existing skid steers, as well as offer tips for buyers and for finding the right attachments. Can anybody tell me if there is supposed to be a bushing of some kind in the hinge for the engine compartment rear door.the. Explore premium engine. Skid Steer Engine Compartment.
From www.youtube.com
Thomas skid steer T243HD S YouTube Skid Steer Engine Compartment While replacing the starter on my 863f this week, i was noticing the amount of crud and dirt in the engine compartment. Explore premium engine components, short blocks, long blocks, and repair parts for loaders and skid loaders today! Revitalize your gehl with loader parts source! Caterpillar maintenance expert nick rummel takes you on a walkaround of your cat® skid. Skid Steer Engine Compartment.
From www.youtube.com
2014 Cat 242D Skid Steer Loader Engine Compartment & Operator Station Skid Steer Engine Compartment While replacing the starter on my 863f this week, i was noticing the amount of crud and dirt in the engine compartment. Diesels power the hydraulic system, which is. Can anybody tell me if there is supposed to be a bushing of some kind in the hinge for the engine compartment rear door.the. Revitalize your gehl with loader parts source!. Skid Steer Engine Compartment.
From www.heydownloads.com
Thomas 135 137 153 Skid Steer Loader Service Parts Catalogue Manual Skid Steer Engine Compartment Explore premium engine components, short blocks, long blocks, and repair parts for loaders and skid loaders today! In this report, we take a look at the new models on the market and improvements to existing skid steers, as well as offer tips for buyers and for finding the right attachments. While replacing the starter on my 863f this week, i. Skid Steer Engine Compartment.
From www.youtube.com
OMC Mustang 345 Skid Steer Engine Installation YouTube Skid Steer Engine Compartment While replacing the starter on my 863f this week, i was noticing the amount of crud and dirt in the engine compartment. Can anybody tell me if there is supposed to be a bushing of some kind in the hinge for the engine compartment rear door.the. In this report, we take a look at the new models on the market. Skid Steer Engine Compartment.
From deeremanuals.com
John Deere 320G, 324G Skid Steer Loader (Manual Controls) Operation Skid Steer Engine Compartment Moving to the engine compartment, diesel engines are the heart of skid steers and compact track loaders. Diesels power the hydraulic system, which is. Revitalize your gehl with loader parts source! In this report, we take a look at the new models on the market and improvements to existing skid steers, as well as offer tips for buyers and for. Skid Steer Engine Compartment.
From www.cat.com
Cat® D2 Series Loaders (Skid Steer, MultiTerrain, and Compact Track Skid Steer Engine Compartment Explore premium engine components, short blocks, long blocks, and repair parts for loaders and skid loaders today! Caterpillar maintenance expert nick rummel takes you on a walkaround of your cat® skid steer loader engine compartment, where. Diesels power the hydraulic system, which is. Moving to the engine compartment, diesel engines are the heart of skid steers and compact track loaders.. Skid Steer Engine Compartment.
From www.bobcat.com
Bobcat SkidSteer Loaders Bobcat Company Skid Steer Engine Compartment Diesels power the hydraulic system, which is. Caterpillar maintenance expert nick rummel takes you on a walkaround of your cat® skid steer loader engine compartment, where. Revitalize your gehl with loader parts source! Moving to the engine compartment, diesel engines are the heart of skid steers and compact track loaders. Can anybody tell me if there is supposed to be. Skid Steer Engine Compartment.
From www.youtube.com
Cat® Skid Steer and Compact Track Loaders D3 Series At Work YouTube Skid Steer Engine Compartment Revitalize your gehl with loader parts source! While replacing the starter on my 863f this week, i was noticing the amount of crud and dirt in the engine compartment. Can anybody tell me if there is supposed to be a bushing of some kind in the hinge for the engine compartment rear door.the. Diesels power the hydraulic system, which is.. Skid Steer Engine Compartment.
From www.slideshare.net
CASE 465 Skid Steer Loader Service Repair Manual Skid Steer Engine Compartment Revitalize your gehl with loader parts source! Can anybody tell me if there is supposed to be a bushing of some kind in the hinge for the engine compartment rear door.the. Explore premium engine components, short blocks, long blocks, and repair parts for loaders and skid loaders today! Moving to the engine compartment, diesel engines are the heart of skid. Skid Steer Engine Compartment.