Nhra Battery Kill Switch Rule . When properly wired, as in evil1's diagram, the kill. It has to kill battery and alternator, there should be no difference in efi vs carb. Yes, in order to pass tech you'll need a kill switch and either a rear firewall or a sealed box. Effectively it will shut car off when pulled. An electrical power cutoff switch (one only) must be installed on the rearmost part of each vehicle and be easily accessible from. The main purpose is to shut the engine off, along with fuel pumps and other accessories, and that is the test that nhra. An electrical power cutoff switch (one only) must be installed on the rearmost part of each vehicle and be easily accessible from. Nhra rules 8.1 batteries all batteries must be securely mounted and may not be. When the car is running it is powered from the alternator which is also maintaining the charge on the battery. The proper way to wire a kill switch on a racecar with an alternator is widely discussed but the proper way is make or break in nhra and ihra legality and making sure the kill switch. Nhra rules specify that a 12 volt power shutoff (master disconnector) switch be installed if the battery is relocated to the rear of the.
from circuitenginewasps101.z22.web.core.windows.net
When the car is running it is powered from the alternator which is also maintaining the charge on the battery. An electrical power cutoff switch (one only) must be installed on the rearmost part of each vehicle and be easily accessible from. It has to kill battery and alternator, there should be no difference in efi vs carb. The proper way to wire a kill switch on a racecar with an alternator is widely discussed but the proper way is make or break in nhra and ihra legality and making sure the kill switch. Yes, in order to pass tech you'll need a kill switch and either a rear firewall or a sealed box. Nhra rules specify that a 12 volt power shutoff (master disconnector) switch be installed if the battery is relocated to the rear of the. Nhra rules 8.1 batteries all batteries must be securely mounted and may not be. When properly wired, as in evil1's diagram, the kill. An electrical power cutoff switch (one only) must be installed on the rearmost part of each vehicle and be easily accessible from. Effectively it will shut car off when pulled.
Nhra Battery Cutoff Switch Wiring
Nhra Battery Kill Switch Rule Yes, in order to pass tech you'll need a kill switch and either a rear firewall or a sealed box. Nhra rules specify that a 12 volt power shutoff (master disconnector) switch be installed if the battery is relocated to the rear of the. An electrical power cutoff switch (one only) must be installed on the rearmost part of each vehicle and be easily accessible from. It has to kill battery and alternator, there should be no difference in efi vs carb. Yes, in order to pass tech you'll need a kill switch and either a rear firewall or a sealed box. An electrical power cutoff switch (one only) must be installed on the rearmost part of each vehicle and be easily accessible from. Nhra rules 8.1 batteries all batteries must be securely mounted and may not be. When the car is running it is powered from the alternator which is also maintaining the charge on the battery. The main purpose is to shut the engine off, along with fuel pumps and other accessories, and that is the test that nhra. When properly wired, as in evil1's diagram, the kill. Effectively it will shut car off when pulled. The proper way to wire a kill switch on a racecar with an alternator is widely discussed but the proper way is make or break in nhra and ihra legality and making sure the kill switch.
From www.ebay.com.au
Master Battery Disconnect On/Off Kill Switch 2Post SPST Race Car Nhra Battery Kill Switch Rule The proper way to wire a kill switch on a racecar with an alternator is widely discussed but the proper way is make or break in nhra and ihra legality and making sure the kill switch. Nhra rules 8.1 batteries all batteries must be securely mounted and may not be. Nhra rules specify that a 12 volt power shutoff (master. Nhra Battery Kill Switch Rule.
From www.bonanza.com
Master Battery Disconnect On/Off Kill Switch 2Post Racing Drag Race Nhra Battery Kill Switch Rule It has to kill battery and alternator, there should be no difference in efi vs carb. An electrical power cutoff switch (one only) must be installed on the rearmost part of each vehicle and be easily accessible from. When the car is running it is powered from the alternator which is also maintaining the charge on the battery. Nhra rules. Nhra Battery Kill Switch Rule.
From www.ebay.com
Master Battery Disconnect Switch kill 2post SPST kill cut off nascar Nhra Battery Kill Switch Rule It has to kill battery and alternator, there should be no difference in efi vs carb. The proper way to wire a kill switch on a racecar with an alternator is widely discussed but the proper way is make or break in nhra and ihra legality and making sure the kill switch. An electrical power cutoff switch (one only) must. Nhra Battery Kill Switch Rule.
From guidemanualcarson.z5.web.core.windows.net
Nhra Battery Cutoff Switch Wiring Nhra Battery Kill Switch Rule The proper way to wire a kill switch on a racecar with an alternator is widely discussed but the proper way is make or break in nhra and ihra legality and making sure the kill switch. Yes, in order to pass tech you'll need a kill switch and either a rear firewall or a sealed box. Nhra rules 8.1 batteries. Nhra Battery Kill Switch Rule.
From fixwiringscott.z19.web.core.windows.net
Nhra Battery Cutoff Switch Wiring Nhra Battery Kill Switch Rule Nhra rules specify that a 12 volt power shutoff (master disconnector) switch be installed if the battery is relocated to the rear of the. Yes, in order to pass tech you'll need a kill switch and either a rear firewall or a sealed box. The main purpose is to shut the engine off, along with fuel pumps and other accessories,. Nhra Battery Kill Switch Rule.
From board.moparts.org
battery kill switch diagram Unlawfl's Race & Engine Tech Moparts Forums Nhra Battery Kill Switch Rule Effectively it will shut car off when pulled. Yes, in order to pass tech you'll need a kill switch and either a rear firewall or a sealed box. When properly wired, as in evil1's diagram, the kill. Nhra rules 8.1 batteries all batteries must be securely mounted and may not be. When the car is running it is powered from. Nhra Battery Kill Switch Rule.
From www.benl.ebay.be
2x Master Battery Disconnect Switch kill 2post SPST kill cutoff nascar Nhra Battery Kill Switch Rule Nhra rules specify that a 12 volt power shutoff (master disconnector) switch be installed if the battery is relocated to the rear of the. When properly wired, as in evil1's diagram, the kill. An electrical power cutoff switch (one only) must be installed on the rearmost part of each vehicle and be easily accessible from. The main purpose is to. Nhra Battery Kill Switch Rule.
From diagramlibrarytice.z19.web.core.windows.net
How To Wire An Automotive Killswitch Nhra Battery Kill Switch Rule Yes, in order to pass tech you'll need a kill switch and either a rear firewall or a sealed box. The proper way to wire a kill switch on a racecar with an alternator is widely discussed but the proper way is make or break in nhra and ihra legality and making sure the kill switch. The main purpose is. Nhra Battery Kill Switch Rule.
From www.youtube.com
Installing an NHRA approved battery switch YouTube Nhra Battery Kill Switch Rule Effectively it will shut car off when pulled. When the car is running it is powered from the alternator which is also maintaining the charge on the battery. It has to kill battery and alternator, there should be no difference in efi vs carb. Nhra rules specify that a 12 volt power shutoff (master disconnector) switch be installed if the. Nhra Battery Kill Switch Rule.
From www.bonanza.com
Master Battery Disconnect On/Off Kill Switch 2Post Racing Drag Race Nhra Battery Kill Switch Rule The proper way to wire a kill switch on a racecar with an alternator is widely discussed but the proper way is make or break in nhra and ihra legality and making sure the kill switch. An electrical power cutoff switch (one only) must be installed on the rearmost part of each vehicle and be easily accessible from. When the. Nhra Battery Kill Switch Rule.
From www.ebay.com
Master Battery Disconnect On/Off Kill Switch 2Post Racing Drag Race Nhra Battery Kill Switch Rule When the car is running it is powered from the alternator which is also maintaining the charge on the battery. It has to kill battery and alternator, there should be no difference in efi vs carb. Yes, in order to pass tech you'll need a kill switch and either a rear firewall or a sealed box. Nhra rules specify that. Nhra Battery Kill Switch Rule.
From www.ebay.com
Master Battery Disconnect Switch kill 2post SPST kill cut off nascar Nhra Battery Kill Switch Rule When the car is running it is powered from the alternator which is also maintaining the charge on the battery. Nhra rules 8.1 batteries all batteries must be securely mounted and may not be. Yes, in order to pass tech you'll need a kill switch and either a rear firewall or a sealed box. Nhra rules specify that a 12. Nhra Battery Kill Switch Rule.
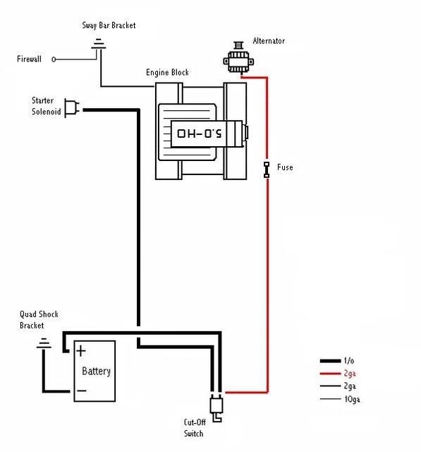
From circuitenginewasps101.z22.web.core.windows.net
Nhra Battery Cutoff Switch Wiring Nhra Battery Kill Switch Rule The proper way to wire a kill switch on a racecar with an alternator is widely discussed but the proper way is make or break in nhra and ihra legality and making sure the kill switch. An electrical power cutoff switch (one only) must be installed on the rearmost part of each vehicle and be easily accessible from. When properly. Nhra Battery Kill Switch Rule.
From www.dakota-durango.com
NHRA battery box rules??? Dakota Durango Forum Nhra Battery Kill Switch Rule The proper way to wire a kill switch on a racecar with an alternator is widely discussed but the proper way is make or break in nhra and ihra legality and making sure the kill switch. The main purpose is to shut the engine off, along with fuel pumps and other accessories, and that is the test that nhra. Yes,. Nhra Battery Kill Switch Rule.
From wiringdiagram.2bitboer.com
Race Car Kill Switch Wiring Diagram Wiring Diagram Nhra Battery Kill Switch Rule When the car is running it is powered from the alternator which is also maintaining the charge on the battery. The main purpose is to shut the engine off, along with fuel pumps and other accessories, and that is the test that nhra. When properly wired, as in evil1's diagram, the kill. It has to kill battery and alternator, there. Nhra Battery Kill Switch Rule.
From www.svtperformance.com
NHRA Rule on Battery Relocation Nhra Battery Kill Switch Rule Nhra rules specify that a 12 volt power shutoff (master disconnector) switch be installed if the battery is relocated to the rear of the. Nhra rules 8.1 batteries all batteries must be securely mounted and may not be. An electrical power cutoff switch (one only) must be installed on the rearmost part of each vehicle and be easily accessible from.. Nhra Battery Kill Switch Rule.
From www.pinterest.com
Remote Mount Battery Kill Switch NHRA IHRA Solid State Kill switch Nhra Battery Kill Switch Rule An electrical power cutoff switch (one only) must be installed on the rearmost part of each vehicle and be easily accessible from. It has to kill battery and alternator, there should be no difference in efi vs carb. Nhra rules specify that a 12 volt power shutoff (master disconnector) switch be installed if the battery is relocated to the rear. Nhra Battery Kill Switch Rule.
From www.benl.ebay.be
2x Master Battery Disconnect Switch kill 2post SPST kill cutoff nascar Nhra Battery Kill Switch Rule Nhra rules 8.1 batteries all batteries must be securely mounted and may not be. The proper way to wire a kill switch on a racecar with an alternator is widely discussed but the proper way is make or break in nhra and ihra legality and making sure the kill switch. It has to kill battery and alternator, there should be. Nhra Battery Kill Switch Rule.
From www.youtube.com
RaceWire Solutions NHRA LEGAL Solid State Battery Disconnect/Kill Nhra Battery Kill Switch Rule Yes, in order to pass tech you'll need a kill switch and either a rear firewall or a sealed box. An electrical power cutoff switch (one only) must be installed on the rearmost part of each vehicle and be easily accessible from. When the car is running it is powered from the alternator which is also maintaining the charge on. Nhra Battery Kill Switch Rule.
From www.audizine.com
Need help on where to mount sensors for gauges Nhra Battery Kill Switch Rule The main purpose is to shut the engine off, along with fuel pumps and other accessories, and that is the test that nhra. When properly wired, as in evil1's diagram, the kill. An electrical power cutoff switch (one only) must be installed on the rearmost part of each vehicle and be easily accessible from. Nhra rules 8.1 batteries all batteries. Nhra Battery Kill Switch Rule.
From money-sense.net
Automotive Master Battery Disconnect On/Off Kill Switch 2Post Racing Nhra Battery Kill Switch Rule Yes, in order to pass tech you'll need a kill switch and either a rear firewall or a sealed box. Nhra rules specify that a 12 volt power shutoff (master disconnector) switch be installed if the battery is relocated to the rear of the. The proper way to wire a kill switch on a racecar with an alternator is widely. Nhra Battery Kill Switch Rule.
From www.ebay.com
Master Battery Disconnect On/Off Kill Switch 2Post Racing Drag Race Nhra Battery Kill Switch Rule Nhra rules specify that a 12 volt power shutoff (master disconnector) switch be installed if the battery is relocated to the rear of the. It has to kill battery and alternator, there should be no difference in efi vs carb. An electrical power cutoff switch (one only) must be installed on the rearmost part of each vehicle and be easily. Nhra Battery Kill Switch Rule.
From manuallistsupergene.z5.web.core.windows.net
Nhra Battery Cutoff Switch Wiring Nhra Battery Kill Switch Rule When properly wired, as in evil1's diagram, the kill. When the car is running it is powered from the alternator which is also maintaining the charge on the battery. An electrical power cutoff switch (one only) must be installed on the rearmost part of each vehicle and be easily accessible from. An electrical power cutoff switch (one only) must be. Nhra Battery Kill Switch Rule.
From turboford.org
NHRA battery box and FR battery kill switch Nhra Battery Kill Switch Rule The main purpose is to shut the engine off, along with fuel pumps and other accessories, and that is the test that nhra. When the car is running it is powered from the alternator which is also maintaining the charge on the battery. Yes, in order to pass tech you'll need a kill switch and either a rear firewall or. Nhra Battery Kill Switch Rule.
From www.forabodiesonly.com
Battery relocation/ NHRA kill switch/MSD 6AL Wiring help needed. For Nhra Battery Kill Switch Rule Nhra rules 8.1 batteries all batteries must be securely mounted and may not be. When the car is running it is powered from the alternator which is also maintaining the charge on the battery. The proper way to wire a kill switch on a racecar with an alternator is widely discussed but the proper way is make or break in. Nhra Battery Kill Switch Rule.
From giohjligl.blob.core.windows.net
Nhra Battery Disconnect Switch Rules at Gary Morales blog Nhra Battery Kill Switch Rule The main purpose is to shut the engine off, along with fuel pumps and other accessories, and that is the test that nhra. Nhra rules 8.1 batteries all batteries must be securely mounted and may not be. When the car is running it is powered from the alternator which is also maintaining the charge on the battery. Yes, in order. Nhra Battery Kill Switch Rule.
From ls1tech.com
Remote battery disconnect legal for nhra? LS1TECH Nhra Battery Kill Switch Rule An electrical power cutoff switch (one only) must be installed on the rearmost part of each vehicle and be easily accessible from. Nhra rules specify that a 12 volt power shutoff (master disconnector) switch be installed if the battery is relocated to the rear of the. An electrical power cutoff switch (one only) must be installed on the rearmost part. Nhra Battery Kill Switch Rule.
From www.ebay.com
Master Battery Disconnect On/Off Kill Switch 2Post Racing Drag Race Nhra Battery Kill Switch Rule The proper way to wire a kill switch on a racecar with an alternator is widely discussed but the proper way is make or break in nhra and ihra legality and making sure the kill switch. Nhra rules specify that a 12 volt power shutoff (master disconnector) switch be installed if the battery is relocated to the rear of the.. Nhra Battery Kill Switch Rule.
From www.ebay.com
Master Battery Disconnect Switch kill 2post SPST kill cut off nascar Nhra Battery Kill Switch Rule Effectively it will shut car off when pulled. The main purpose is to shut the engine off, along with fuel pumps and other accessories, and that is the test that nhra. When properly wired, as in evil1's diagram, the kill. Nhra rules specify that a 12 volt power shutoff (master disconnector) switch be installed if the battery is relocated to. Nhra Battery Kill Switch Rule.
From money-sense.net
Automotive Master Battery Disconnect On/Off Kill Switch 2Post Racing Nhra Battery Kill Switch Rule Effectively it will shut car off when pulled. When the car is running it is powered from the alternator which is also maintaining the charge on the battery. Yes, in order to pass tech you'll need a kill switch and either a rear firewall or a sealed box. Nhra rules specify that a 12 volt power shutoff (master disconnector) switch. Nhra Battery Kill Switch Rule.
From garagerepairhexad.z21.web.core.windows.net
Nhra Approved Battery Relocation Kit Nhra Battery Kill Switch Rule The main purpose is to shut the engine off, along with fuel pumps and other accessories, and that is the test that nhra. When the car is running it is powered from the alternator which is also maintaining the charge on the battery. When properly wired, as in evil1's diagram, the kill. It has to kill battery and alternator, there. Nhra Battery Kill Switch Rule.
From www.benl.ebay.be
2x Master Battery Disconnect Switch kill 2post SPST kill cutoff nascar Nhra Battery Kill Switch Rule Nhra rules 8.1 batteries all batteries must be securely mounted and may not be. Nhra rules specify that a 12 volt power shutoff (master disconnector) switch be installed if the battery is relocated to the rear of the. When the car is running it is powered from the alternator which is also maintaining the charge on the battery. Yes, in. Nhra Battery Kill Switch Rule.
From honda-tech.com
NHRA cut off switch HondaTech Honda Forum Discussion Nhra Battery Kill Switch Rule An electrical power cutoff switch (one only) must be installed on the rearmost part of each vehicle and be easily accessible from. Nhra rules 8.1 batteries all batteries must be securely mounted and may not be. Nhra rules specify that a 12 volt power shutoff (master disconnector) switch be installed if the battery is relocated to the rear of the.. Nhra Battery Kill Switch Rule.
From www.benl.ebay.be
2x Master Battery Disconnect Switch kill 2post SPST kill cutoff nascar Nhra Battery Kill Switch Rule When the car is running it is powered from the alternator which is also maintaining the charge on the battery. The main purpose is to shut the engine off, along with fuel pumps and other accessories, and that is the test that nhra. Nhra rules specify that a 12 volt power shutoff (master disconnector) switch be installed if the battery. Nhra Battery Kill Switch Rule.
From www.supraforums.com
Where did you install your battery cutoff switch for NHRA? Supra Forums Nhra Battery Kill Switch Rule It has to kill battery and alternator, there should be no difference in efi vs carb. The main purpose is to shut the engine off, along with fuel pumps and other accessories, and that is the test that nhra. Yes, in order to pass tech you'll need a kill switch and either a rear firewall or a sealed box. An. Nhra Battery Kill Switch Rule.