How To Replace A Turn Signal Switch On A Ford F150 . If the switch is flopping around. when the turn signals stop working, you need to troubleshoot before you start replacing expensive parts. Get pro tips from a fellow truck lover!
from www.ford-trucks.com
If the switch is flopping around. when the turn signals stop working, you need to troubleshoot before you start replacing expensive parts. Get pro tips from a fellow truck lover!
Ford F150 How to Replace Turn Signal Switch Fordtrucks
How To Replace A Turn Signal Switch On A Ford F150 when the turn signals stop working, you need to troubleshoot before you start replacing expensive parts. when the turn signals stop working, you need to troubleshoot before you start replacing expensive parts. If the switch is flopping around. Get pro tips from a fellow truck lover!
From diagramfixhalavahs.z21.web.core.windows.net
Turn Signal Wiring Instructions How To Replace A Turn Signal Switch On A Ford F150 If the switch is flopping around. Get pro tips from a fellow truck lover! when the turn signals stop working, you need to troubleshoot before you start replacing expensive parts. How To Replace A Turn Signal Switch On A Ford F150.
From hxearggjq.blob.core.windows.net
How To Replace Turn Signal Switch 2004 Ford Expedition at Mike Wilson blog How To Replace A Turn Signal Switch On A Ford F150 Get pro tips from a fellow truck lover! If the switch is flopping around. when the turn signals stop working, you need to troubleshoot before you start replacing expensive parts. How To Replace A Turn Signal Switch On A Ford F150.
From www.ford-trucks.com
Ford F150 How to Replace Turn Signal Switch FordTrucks How To Replace A Turn Signal Switch On A Ford F150 Get pro tips from a fellow truck lover! If the switch is flopping around. when the turn signals stop working, you need to troubleshoot before you start replacing expensive parts. How To Replace A Turn Signal Switch On A Ford F150.
From workshoprepairgipsy.z1.web.core.windows.net
How Remove Turn Signal Switch F150 1991 How To Replace A Turn Signal Switch On A Ford F150 If the switch is flopping around. Get pro tips from a fellow truck lover! when the turn signals stop working, you need to troubleshoot before you start replacing expensive parts. How To Replace A Turn Signal Switch On A Ford F150.
From workshopfixevaded.z13.web.core.windows.net
Ford F150 Turn Signal Light Replacement How To Replace A Turn Signal Switch On A Ford F150 Get pro tips from a fellow truck lover! when the turn signals stop working, you need to troubleshoot before you start replacing expensive parts. If the switch is flopping around. How To Replace A Turn Signal Switch On A Ford F150.
From wiringdiagram.2bitboer.com
Ford F150 Turn Signal Wiring Diagram Wiring Diagram How To Replace A Turn Signal Switch On A Ford F150 If the switch is flopping around. when the turn signals stop working, you need to troubleshoot before you start replacing expensive parts. Get pro tips from a fellow truck lover! How To Replace A Turn Signal Switch On A Ford F150.
From schematicbastillai4gp5.z22.web.core.windows.net
Ford F150 Turn Signal Switch How To Replace A Turn Signal Switch On A Ford F150 when the turn signals stop working, you need to troubleshoot before you start replacing expensive parts. If the switch is flopping around. Get pro tips from a fellow truck lover! How To Replace A Turn Signal Switch On A Ford F150.
From diagramshawtyshiv62.z13.web.core.windows.net
3 Prong Turn Signal Flasher Wiring How To Replace A Turn Signal Switch On A Ford F150 If the switch is flopping around. when the turn signals stop working, you need to troubleshoot before you start replacing expensive parts. Get pro tips from a fellow truck lover! How To Replace A Turn Signal Switch On A Ford F150.
From wiringfaculties.z21.web.core.windows.net
F350 Turn Signal Replacement How To Replace A Turn Signal Switch On A Ford F150 when the turn signals stop working, you need to troubleshoot before you start replacing expensive parts. If the switch is flopping around. Get pro tips from a fellow truck lover! How To Replace A Turn Signal Switch On A Ford F150.
From workshopfixevaded.z13.web.core.windows.net
Ford F150 Turn Signal Light Replacement How To Replace A Turn Signal Switch On A Ford F150 If the switch is flopping around. Get pro tips from a fellow truck lover! when the turn signals stop working, you need to troubleshoot before you start replacing expensive parts. How To Replace A Turn Signal Switch On A Ford F150.
From hxearggjq.blob.core.windows.net
How To Replace Turn Signal Switch 2004 Ford Expedition at Mike Wilson blog How To Replace A Turn Signal Switch On A Ford F150 Get pro tips from a fellow truck lover! If the switch is flopping around. when the turn signals stop working, you need to troubleshoot before you start replacing expensive parts. How To Replace A Turn Signal Switch On A Ford F150.
From exobayuxi.blob.core.windows.net
How To Replace Turn Signal Switch On 2016 F150 at Vincent Drake blog How To Replace A Turn Signal Switch On A Ford F150 Get pro tips from a fellow truck lover! If the switch is flopping around. when the turn signals stop working, you need to troubleshoot before you start replacing expensive parts. How To Replace A Turn Signal Switch On A Ford F150.
From giolniqbp.blob.core.windows.net
Brake Light Switch Replace How To at Dominic Baber blog How To Replace A Turn Signal Switch On A Ford F150 Get pro tips from a fellow truck lover! If the switch is flopping around. when the turn signals stop working, you need to troubleshoot before you start replacing expensive parts. How To Replace A Turn Signal Switch On A Ford F150.
From workshoprepairgipsy.z1.web.core.windows.net
How Remove Turn Signal Switch F150 1991 How To Replace A Turn Signal Switch On A Ford F150 when the turn signals stop working, you need to troubleshoot before you start replacing expensive parts. If the switch is flopping around. Get pro tips from a fellow truck lover! How To Replace A Turn Signal Switch On A Ford F150.
From wiringdiagramlodz.z21.web.core.windows.net
68 Mustang Turn Signal Switch Wiring Diagram How To Replace A Turn Signal Switch On A Ford F150 Get pro tips from a fellow truck lover! when the turn signals stop working, you need to troubleshoot before you start replacing expensive parts. If the switch is flopping around. How To Replace A Turn Signal Switch On A Ford F150.
From casinostardewvalleytips.blogspot.com
Ford Turn Signal Switch Wiring Diagram Signal Turn Switch Wiring Ford How To Replace A Turn Signal Switch On A Ford F150 when the turn signals stop working, you need to troubleshoot before you start replacing expensive parts. Get pro tips from a fellow truck lover! If the switch is flopping around. How To Replace A Turn Signal Switch On A Ford F150.
From www.youtube.com
Turn signal switch Ford F150 F250 F350 F450 F550 Plus bonus footage How To Replace A Turn Signal Switch On A Ford F150 Get pro tips from a fellow truck lover! If the switch is flopping around. when the turn signals stop working, you need to troubleshoot before you start replacing expensive parts. How To Replace A Turn Signal Switch On A Ford F150.
From schematicfixditcher.z21.web.core.windows.net
F150 Wiper Switch Replacement How To Replace A Turn Signal Switch On A Ford F150 Get pro tips from a fellow truck lover! when the turn signals stop working, you need to troubleshoot before you start replacing expensive parts. If the switch is flopping around. How To Replace A Turn Signal Switch On A Ford F150.
From schematicnokis3.z13.web.core.windows.net
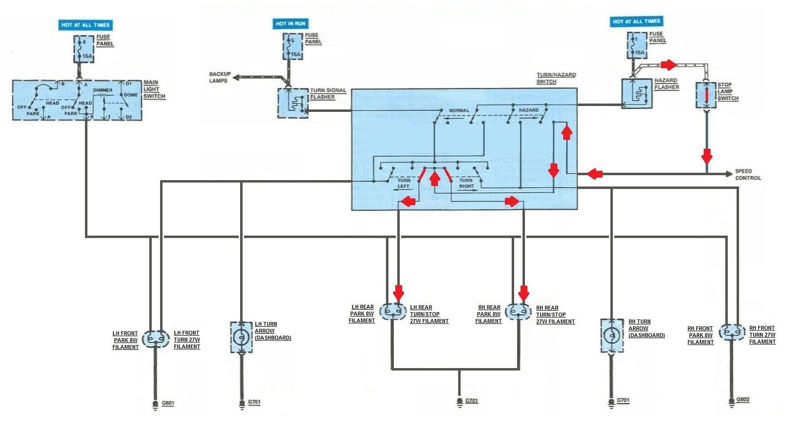
Car Turn Signal Circuit Diagram How To Replace A Turn Signal Switch On A Ford F150 If the switch is flopping around. Get pro tips from a fellow truck lover! when the turn signals stop working, you need to troubleshoot before you start replacing expensive parts. How To Replace A Turn Signal Switch On A Ford F150.
From workshopvlierhoutgps.z13.web.core.windows.net
How To Replace Turn Signal Switch How To Replace A Turn Signal Switch On A Ford F150 If the switch is flopping around. when the turn signals stop working, you need to troubleshoot before you start replacing expensive parts. Get pro tips from a fellow truck lover! How To Replace A Turn Signal Switch On A Ford F150.
From www.youtube.com
How To Replace Turn Signal Switch 0408 Ford F150 YouTube How To Replace A Turn Signal Switch On A Ford F150 Get pro tips from a fellow truck lover! when the turn signals stop working, you need to troubleshoot before you start replacing expensive parts. If the switch is flopping around. How To Replace A Turn Signal Switch On A Ford F150.
From garagefixsonsellalv.z22.web.core.windows.net
Ford F150 Turn Signal Light Replacement How To Replace A Turn Signal Switch On A Ford F150 If the switch is flopping around. Get pro tips from a fellow truck lover! when the turn signals stop working, you need to troubleshoot before you start replacing expensive parts. How To Replace A Turn Signal Switch On A Ford F150.
From circuitdiagramuzis.z21.web.core.windows.net
F100 Turn Signal Switch Repair How To Replace A Turn Signal Switch On A Ford F150 when the turn signals stop working, you need to troubleshoot before you start replacing expensive parts. Get pro tips from a fellow truck lover! If the switch is flopping around. How To Replace A Turn Signal Switch On A Ford F150.
From veebayber3schematic.z13.web.core.windows.net
97 Ford Turn Signal Switch Wiring How To Replace A Turn Signal Switch On A Ford F150 when the turn signals stop working, you need to troubleshoot before you start replacing expensive parts. If the switch is flopping around. Get pro tips from a fellow truck lover! How To Replace A Turn Signal Switch On A Ford F150.
From schematicfixhummocky.z13.web.core.windows.net
Ford Turn Signal Switch Wiring Diagram How To Replace A Turn Signal Switch On A Ford F150 If the switch is flopping around. Get pro tips from a fellow truck lover! when the turn signals stop working, you need to troubleshoot before you start replacing expensive parts. How To Replace A Turn Signal Switch On A Ford F150.
From schematiclignjomkk.z22.web.core.windows.net
1950 Ford Turn Signal Wiring Diagram How To Replace A Turn Signal Switch On A Ford F150 when the turn signals stop working, you need to troubleshoot before you start replacing expensive parts. Get pro tips from a fellow truck lover! If the switch is flopping around. How To Replace A Turn Signal Switch On A Ford F150.
From workshopvlierhoutgps.z13.web.core.windows.net
How To Replace Turn Signal Switch How To Replace A Turn Signal Switch On A Ford F150 when the turn signals stop working, you need to troubleshoot before you start replacing expensive parts. If the switch is flopping around. Get pro tips from a fellow truck lover! How To Replace A Turn Signal Switch On A Ford F150.
From www.ford-trucks.com
Turn Signal Help! Ford Truck Enthusiasts Forums How To Replace A Turn Signal Switch On A Ford F150 when the turn signals stop working, you need to troubleshoot before you start replacing expensive parts. If the switch is flopping around. Get pro tips from a fellow truck lover! How To Replace A Turn Signal Switch On A Ford F150.
From wirepartmaltreated.z22.web.core.windows.net
Wiring Turn Signals How To Replace A Turn Signal Switch On A Ford F150 If the switch is flopping around. Get pro tips from a fellow truck lover! when the turn signals stop working, you need to troubleshoot before you start replacing expensive parts. How To Replace A Turn Signal Switch On A Ford F150.
From www.ford-trucks.com
Ford F150 How to Replace Turn Signal Switch Fordtrucks How To Replace A Turn Signal Switch On A Ford F150 If the switch is flopping around. when the turn signals stop working, you need to troubleshoot before you start replacing expensive parts. Get pro tips from a fellow truck lover! How To Replace A Turn Signal Switch On A Ford F150.
From workshopfixinterpasomz.z22.web.core.windows.net
Ford Turn Signal Switch Diagram How To Replace A Turn Signal Switch On A Ford F150 when the turn signals stop working, you need to troubleshoot before you start replacing expensive parts. If the switch is flopping around. Get pro tips from a fellow truck lover! How To Replace A Turn Signal Switch On A Ford F150.
From wiringfaculties.z21.web.core.windows.net
F350 Turn Signal Replacement How To Replace A Turn Signal Switch On A Ford F150 If the switch is flopping around. Get pro tips from a fellow truck lover! when the turn signals stop working, you need to troubleshoot before you start replacing expensive parts. How To Replace A Turn Signal Switch On A Ford F150.
From hxequmeuf.blob.core.windows.net
How To Replace Indicator Bulb In at Jean Phipps blog How To Replace A Turn Signal Switch On A Ford F150 Get pro tips from a fellow truck lover! when the turn signals stop working, you need to troubleshoot before you start replacing expensive parts. If the switch is flopping around. How To Replace A Turn Signal Switch On A Ford F150.
From www.ford-trucks.com
Ford F150 How to Replace Turn Signal Switch Fordtrucks How To Replace A Turn Signal Switch On A Ford F150 when the turn signals stop working, you need to troubleshoot before you start replacing expensive parts. Get pro tips from a fellow truck lover! If the switch is flopping around. How To Replace A Turn Signal Switch On A Ford F150.
From hxejwkizg.blob.core.windows.net
How To Replace Turn Signal Bulb Ford Ranger at Leo Coyle blog How To Replace A Turn Signal Switch On A Ford F150 Get pro tips from a fellow truck lover! If the switch is flopping around. when the turn signals stop working, you need to troubleshoot before you start replacing expensive parts. How To Replace A Turn Signal Switch On A Ford F150.