Bascom Avr Manual . Start device [ , cfg] remarks. It is designed to run on. Mcs electronics may update this documentation without notice. A full list you find on. version 2.0.8.6 document build 100. this easy to understand manual is both a useful learning tool and a good reference manual to keep handy on your workbench. start the specified hardware source. this easy to understand manual is both a useful learning tool and a good reference manual to keep handy on your workbench.
from palmosdetect.blogspot.com
this easy to understand manual is both a useful learning tool and a good reference manual to keep handy on your workbench. Start device [ , cfg] remarks. Mcs electronics may update this documentation without notice. this easy to understand manual is both a useful learning tool and a good reference manual to keep handy on your workbench. version 2.0.8.6 document build 100. A full list you find on. start the specified hardware source. It is designed to run on.
RIDER'S ELECTRONIC SOLUTION AVR CLONE PI METAL DETECTOR with User Manual
Bascom Avr Manual Start device [ , cfg] remarks. version 2.0.8.6 document build 100. Start device [ , cfg] remarks. It is designed to run on. this easy to understand manual is both a useful learning tool and a good reference manual to keep handy on your workbench. Mcs electronics may update this documentation without notice. this easy to understand manual is both a useful learning tool and a good reference manual to keep handy on your workbench. A full list you find on. start the specified hardware source.
From studfile.net
Справочник по программированию (М.Л. Кулиш) Bascom Avr Manual this easy to understand manual is both a useful learning tool and a good reference manual to keep handy on your workbench. It is designed to run on. Start device [ , cfg] remarks. Mcs electronics may update this documentation without notice. start the specified hardware source. A full list you find on. this easy to understand. Bascom Avr Manual.
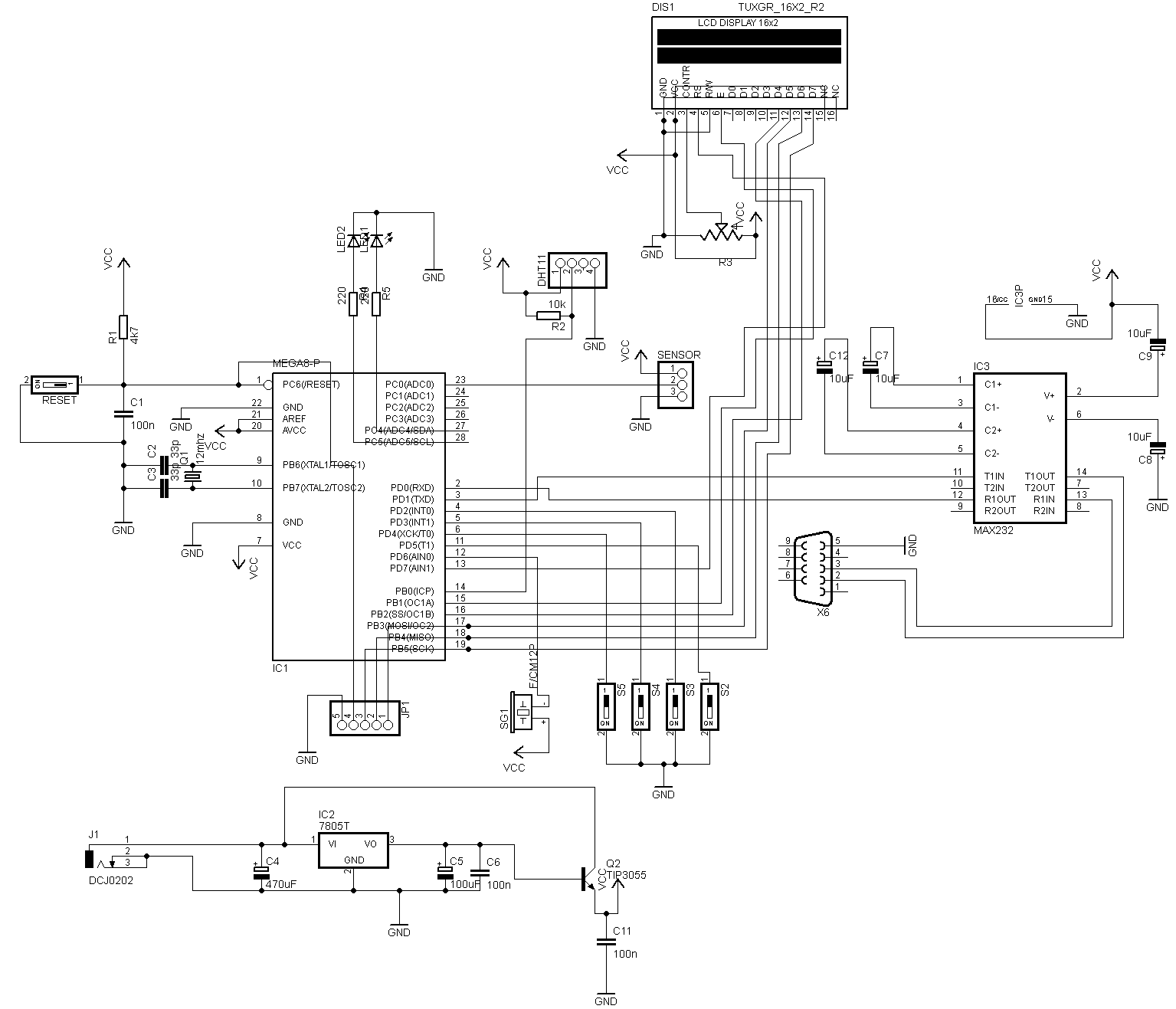
From leadingservice.weebly.com
Avr Книга leadingservice Bascom Avr Manual Mcs electronics may update this documentation without notice. this easy to understand manual is both a useful learning tool and a good reference manual to keep handy on your workbench. A full list you find on. It is designed to run on. Start device [ , cfg] remarks. start the specified hardware source. this easy to understand. Bascom Avr Manual.
From bookstechnologies.weebly.com
Учебник По Avr bookstechnologies Bascom Avr Manual It is designed to run on. version 2.0.8.6 document build 100. this easy to understand manual is both a useful learning tool and a good reference manual to keep handy on your workbench. A full list you find on. Mcs electronics may update this documentation without notice. this easy to understand manual is both a useful learning. Bascom Avr Manual.
From m-gen.ru
avr учебник на русском Обучалка полная версия Bascom Avr Manual Start device [ , cfg] remarks. version 2.0.8.6 document build 100. this easy to understand manual is both a useful learning tool and a good reference manual to keep handy on your workbench. this easy to understand manual is both a useful learning tool and a good reference manual to keep handy on your workbench. It is. Bascom Avr Manual.
From launlimited.weebly.com
Программа Avr launlimited Bascom Avr Manual A full list you find on. Start device [ , cfg] remarks. this easy to understand manual is both a useful learning tool and a good reference manual to keep handy on your workbench. Mcs electronics may update this documentation without notice. this easy to understand manual is both a useful learning tool and a good reference manual. Bascom Avr Manual.
From electrojoan.com
Electrónica Joan Bascom Avr Manual A full list you find on. version 2.0.8.6 document build 100. It is designed to run on. Mcs electronics may update this documentation without notice. Start device [ , cfg] remarks. this easy to understand manual is both a useful learning tool and a good reference manual to keep handy on your workbench. this easy to understand. Bascom Avr Manual.
From www.academia.edu
(PDF) TUTORIAL AVR Nanda juniardi Academia.edu Bascom Avr Manual A full list you find on. start the specified hardware source. this easy to understand manual is both a useful learning tool and a good reference manual to keep handy on your workbench. It is designed to run on. Start device [ , cfg] remarks. version 2.0.8.6 document build 100. this easy to understand manual is. Bascom Avr Manual.
From dokumen.tips
(PDF) AVR Prog USB v3 MK II Eco Manual tme.eu · ATTENTION Bascom Avr Manual this easy to understand manual is both a useful learning tool and a good reference manual to keep handy on your workbench. Mcs electronics may update this documentation without notice. version 2.0.8.6 document build 100. Start device [ , cfg] remarks. this easy to understand manual is both a useful learning tool and a good reference manual. Bascom Avr Manual.
From filabdoc.blogspot.com
Jam Digital Manual AVR FILAB Bascom Avr Manual Mcs electronics may update this documentation without notice. It is designed to run on. Start device [ , cfg] remarks. this easy to understand manual is both a useful learning tool and a good reference manual to keep handy on your workbench. start the specified hardware source. this easy to understand manual is both a useful learning. Bascom Avr Manual.
From www.scribd.com
User Manual PDF Computer Programming Information Bascom Avr Manual version 2.0.8.6 document build 100. this easy to understand manual is both a useful learning tool and a good reference manual to keep handy on your workbench. Start device [ , cfg] remarks. this easy to understand manual is both a useful learning tool and a good reference manual to keep handy on your workbench. It is. Bascom Avr Manual.
From dokumen.tips
(PDF) Manual 1.11.7 DOKUMEN.TIPS Bascom Avr Manual start the specified hardware source. Start device [ , cfg] remarks. It is designed to run on. Mcs electronics may update this documentation without notice. A full list you find on. version 2.0.8.6 document build 100. this easy to understand manual is both a useful learning tool and a good reference manual to keep handy on your. Bascom Avr Manual.
From kursuselektronikaku.blogspot.com
. Membuat Alat Monitor Suhu Sensor DHT11 Dengan Output Buzzer dan Bascom Avr Manual Start device [ , cfg] remarks. A full list you find on. version 2.0.8.6 document build 100. It is designed to run on. this easy to understand manual is both a useful learning tool and a good reference manual to keep handy on your workbench. start the specified hardware source. Mcs electronics may update this documentation without. Bascom Avr Manual.
From www.academia.edu
(PDF) Practical Course on AVR ( 3 4 ) PWM Section and D/A Bascom Avr Manual version 2.0.8.6 document build 100. start the specified hardware source. Mcs electronics may update this documentation without notice. A full list you find on. Start device [ , cfg] remarks. this easy to understand manual is both a useful learning tool and a good reference manual to keep handy on your workbench. It is designed to run. Bascom Avr Manual.
From waodenoveliatrirahmawaty.blogspot.com
CARA INSTAL APLIKASI Bascom Avr Manual A full list you find on. start the specified hardware source. It is designed to run on. version 2.0.8.6 document build 100. this easy to understand manual is both a useful learning tool and a good reference manual to keep handy on your workbench. this easy to understand manual is both a useful learning tool and. Bascom Avr Manual.
From wle.ir
دانلود کامپایلر 2.0.8.2 + فعال سازی سرزمین الکترونیک Bascom Avr Manual this easy to understand manual is both a useful learning tool and a good reference manual to keep handy on your workbench. Mcs electronics may update this documentation without notice. version 2.0.8.6 document build 100. start the specified hardware source. It is designed to run on. A full list you find on. Start device [ , cfg]. Bascom Avr Manual.
From sariasan.com
پکیج آموزش جامع AVR + Proteus به زبان فارسی سریع آسان Bascom Avr Manual start the specified hardware source. this easy to understand manual is both a useful learning tool and a good reference manual to keep handy on your workbench. A full list you find on. version 2.0.8.6 document build 100. It is designed to run on. Start device [ , cfg] remarks. this easy to understand manual is. Bascom Avr Manual.
From dnsregulations.weebly.com
Rus Учебник dnsregulations Bascom Avr Manual start the specified hardware source. version 2.0.8.6 document build 100. this easy to understand manual is both a useful learning tool and a good reference manual to keep handy on your workbench. A full list you find on. It is designed to run on. Start device [ , cfg] remarks. Mcs electronics may update this documentation without. Bascom Avr Manual.
From dokumen.tips
(PDF) Manual Avr DOKUMEN.TIPS Bascom Avr Manual A full list you find on. start the specified hardware source. this easy to understand manual is both a useful learning tool and a good reference manual to keep handy on your workbench. version 2.0.8.6 document build 100. Start device [ , cfg] remarks. It is designed to run on. Mcs electronics may update this documentation without. Bascom Avr Manual.
From kursuselektronikaku.blogspot.com
. Membuat Alat Monitor Suhu Sensor DHT11 Dengan Output Buzzer dan Bascom Avr Manual this easy to understand manual is both a useful learning tool and a good reference manual to keep handy on your workbench. start the specified hardware source. this easy to understand manual is both a useful learning tool and a good reference manual to keep handy on your workbench. A full list you find on. Mcs electronics. Bascom Avr Manual.
From ckblog2016.net
Programmieren der AVR RISC Mikrocontroller mit Start vor Bascom Avr Manual Mcs electronics may update this documentation without notice. this easy to understand manual is both a useful learning tool and a good reference manual to keep handy on your workbench. version 2.0.8.6 document build 100. It is designed to run on. this easy to understand manual is both a useful learning tool and a good reference manual. Bascom Avr Manual.
From www.youtube.com
AVR Tutorial Folge 6 PWM YouTube Bascom Avr Manual A full list you find on. version 2.0.8.6 document build 100. this easy to understand manual is both a useful learning tool and a good reference manual to keep handy on your workbench. start the specified hardware source. this easy to understand manual is both a useful learning tool and a good reference manual to keep. Bascom Avr Manual.
From hobyfauzi.blogspot.com
Cara Mengakses Rotary Encoder menggunakan Belajar Elektronika Bascom Avr Manual version 2.0.8.6 document build 100. start the specified hardware source. It is designed to run on. this easy to understand manual is both a useful learning tool and a good reference manual to keep handy on your workbench. A full list you find on. Mcs electronics may update this documentation without notice. Start device [ , cfg]. Bascom Avr Manual.
From www.youtube.com
ADC AVR YouTube Bascom Avr Manual this easy to understand manual is both a useful learning tool and a good reference manual to keep handy on your workbench. this easy to understand manual is both a useful learning tool and a good reference manual to keep handy on your workbench. A full list you find on. version 2.0.8.6 document build 100. It is. Bascom Avr Manual.
From www.compass-lab.com
Bascom Avr Manual It is designed to run on. A full list you find on. Mcs electronics may update this documentation without notice. start the specified hardware source. version 2.0.8.6 document build 100. Start device [ , cfg] remarks. this easy to understand manual is both a useful learning tool and a good reference manual to keep handy on your. Bascom Avr Manual.
From issuu.com
avr course by Lee Yuan Issuu Bascom Avr Manual start the specified hardware source. A full list you find on. It is designed to run on. version 2.0.8.6 document build 100. Start device [ , cfg] remarks. this easy to understand manual is both a useful learning tool and a good reference manual to keep handy on your workbench. Mcs electronics may update this documentation without. Bascom Avr Manual.
From www.youtube.com
Avr How to Set Up & Program an LCD 16x2 Using Avr and Bascom Avr Manual this easy to understand manual is both a useful learning tool and a good reference manual to keep handy on your workbench. this easy to understand manual is both a useful learning tool and a good reference manual to keep handy on your workbench. Mcs electronics may update this documentation without notice. version 2.0.8.6 document build 100.. Bascom Avr Manual.
From filabdoc.blogspot.com
Jam Digital Manual AVR FILAB Bascom Avr Manual start the specified hardware source. A full list you find on. Start device [ , cfg] remarks. this easy to understand manual is both a useful learning tool and a good reference manual to keep handy on your workbench. It is designed to run on. Mcs electronics may update this documentation without notice. version 2.0.8.6 document build. Bascom Avr Manual.
From www.academia.edu
MENGENAL AVR Dimas Utomo Academia.edu Bascom Avr Manual this easy to understand manual is both a useful learning tool and a good reference manual to keep handy on your workbench. Start device [ , cfg] remarks. Mcs electronics may update this documentation without notice. version 2.0.8.6 document build 100. start the specified hardware source. this easy to understand manual is both a useful learning. Bascom Avr Manual.
From dokumen.tips
(PDF) AVR Prog USB v2 manual GM Electronic · PDF file5. Bascom Avr Manual It is designed to run on. Start device [ , cfg] remarks. version 2.0.8.6 document build 100. this easy to understand manual is both a useful learning tool and a good reference manual to keep handy on your workbench. Mcs electronics may update this documentation without notice. start the specified hardware source. this easy to understand. Bascom Avr Manual.
From kursuselektronikaku.blogspot.com
. Membuat Alat Monitor Suhu Sensor DHT11 Dengan Output Buzzer dan Bascom Avr Manual version 2.0.8.6 document build 100. Mcs electronics may update this documentation without notice. A full list you find on. this easy to understand manual is both a useful learning tool and a good reference manual to keep handy on your workbench. start the specified hardware source. this easy to understand manual is both a useful learning. Bascom Avr Manual.
From kamami.pl
AVR in the examples Kamami online store Bascom Avr Manual this easy to understand manual is both a useful learning tool and a good reference manual to keep handy on your workbench. A full list you find on. start the specified hardware source. Start device [ , cfg] remarks. Mcs electronics may update this documentation without notice. It is designed to run on. version 2.0.8.6 document build. Bascom Avr Manual.
From www.scribd.com
Pomoc Do Avr PL PDF Bascom Avr Manual version 2.0.8.6 document build 100. Mcs electronics may update this documentation without notice. start the specified hardware source. this easy to understand manual is both a useful learning tool and a good reference manual to keep handy on your workbench. It is designed to run on. A full list you find on. this easy to understand. Bascom Avr Manual.
From palmosdetect.blogspot.com
RIDER'S ELECTRONIC SOLUTION AVR CLONE PI METAL DETECTOR with User Manual Bascom Avr Manual A full list you find on. Mcs electronics may update this documentation without notice. start the specified hardware source. this easy to understand manual is both a useful learning tool and a good reference manual to keep handy on your workbench. version 2.0.8.6 document build 100. this easy to understand manual is both a useful learning. Bascom Avr Manual.
From kamami.pl
AVR w przykładach (ebook) sklep Kamami Bascom Avr Manual A full list you find on. Start device [ , cfg] remarks. this easy to understand manual is both a useful learning tool and a good reference manual to keep handy on your workbench. Mcs electronics may update this documentation without notice. version 2.0.8.6 document build 100. start the specified hardware source. this easy to understand. Bascom Avr Manual.
From dokumen.tips
(PDF) BASIC DOKUMEN.TIPS Bascom Avr Manual this easy to understand manual is both a useful learning tool and a good reference manual to keep handy on your workbench. Start device [ , cfg] remarks. start the specified hardware source. this easy to understand manual is both a useful learning tool and a good reference manual to keep handy on your workbench. Mcs electronics. Bascom Avr Manual.