Key Size For 40Mm Shaft . 31 rows keyway /key dimensions. (shaft) (shaft) (bore) (bore) 1/2 1/8 0.070 0.430 0.055 0.555 5/8 3/16 0.108 0.517 0.079 0.704 3/4 3/16 0.106 0.644 0.082 0.832 7/8. what is a key, keyseat, and keyway? 30 rows design of square key and keyway (wood ruff) stress, shear and torque. Parallel keys are most commonly used. A demountable machinery part, which when assembled into keyseats, provides a. 20 rows the following tables show standard dimensions for keys and their grooves. The key length should be less than about 1.5 times the shaft diameter to ensure a good load distribution. below is a reference on shaft diameters and the corresponding keys / keyways according to the prevailing standards.
from learninglistberg.z13.web.core.windows.net
A demountable machinery part, which when assembled into keyseats, provides a. 20 rows the following tables show standard dimensions for keys and their grooves. 30 rows design of square key and keyway (wood ruff) stress, shear and torque. 31 rows keyway /key dimensions. (shaft) (shaft) (bore) (bore) 1/2 1/8 0.070 0.430 0.055 0.555 5/8 3/16 0.108 0.517 0.079 0.704 3/4 3/16 0.106 0.644 0.082 0.832 7/8. Parallel keys are most commonly used. below is a reference on shaft diameters and the corresponding keys / keyways according to the prevailing standards. The key length should be less than about 1.5 times the shaft diameter to ensure a good load distribution. what is a key, keyseat, and keyway?
Standard Key Size For Shaft Chart
Key Size For 40Mm Shaft A demountable machinery part, which when assembled into keyseats, provides a. below is a reference on shaft diameters and the corresponding keys / keyways according to the prevailing standards. 20 rows the following tables show standard dimensions for keys and their grooves. what is a key, keyseat, and keyway? 31 rows keyway /key dimensions. 30 rows design of square key and keyway (wood ruff) stress, shear and torque. (shaft) (shaft) (bore) (bore) 1/2 1/8 0.070 0.430 0.055 0.555 5/8 3/16 0.108 0.517 0.079 0.704 3/4 3/16 0.106 0.644 0.082 0.832 7/8. Parallel keys are most commonly used. The key length should be less than about 1.5 times the shaft diameter to ensure a good load distribution. A demountable machinery part, which when assembled into keyseats, provides a.
From exolxbpbb.blob.core.windows.net
Keyed Shaft Sizes at John Cammarata blog Key Size For 40Mm Shaft A demountable machinery part, which when assembled into keyseats, provides a. 20 rows the following tables show standard dimensions for keys and their grooves. 31 rows keyway /key dimensions. The key length should be less than about 1.5 times the shaft diameter to ensure a good load distribution. Parallel keys are most commonly used. what is a. Key Size For 40Mm Shaft.
From www.oceanproperty.co.th
Allen Wrench Conversions Chart Hex Key Size Guide SAE MM, 40 OFF Key Size For 40Mm Shaft The key length should be less than about 1.5 times the shaft diameter to ensure a good load distribution. Parallel keys are most commonly used. what is a key, keyseat, and keyway? A demountable machinery part, which when assembled into keyseats, provides a. 20 rows the following tables show standard dimensions for keys and their grooves. (shaft). Key Size For 40Mm Shaft.
From presspalm.com.my
Main Shaft Key PRESSPALM ENGINEERING (M) SDN BHD Key Size For 40Mm Shaft A demountable machinery part, which when assembled into keyseats, provides a. 30 rows design of square key and keyway (wood ruff) stress, shear and torque. Parallel keys are most commonly used. what is a key, keyseat, and keyway? 20 rows the following tables show standard dimensions for keys and their grooves. (shaft) (shaft) (bore) (bore) 1/2. Key Size For 40Mm Shaft.
From www.chegg.com
TABLE 111 Key Size vs. Shaft Diameter U.S. inch Key Size For 40Mm Shaft 31 rows keyway /key dimensions. below is a reference on shaft diameters and the corresponding keys / keyways according to the prevailing standards. 30 rows design of square key and keyway (wood ruff) stress, shear and torque. The key length should be less than about 1.5 times the shaft diameter to ensure a good load distribution. . Key Size For 40Mm Shaft.
From www.amazon.it
Shaft Key and KeywayAmazon.itAppstore for Android Key Size For 40Mm Shaft what is a key, keyseat, and keyway? Parallel keys are most commonly used. (shaft) (shaft) (bore) (bore) 1/2 1/8 0.070 0.430 0.055 0.555 5/8 3/16 0.108 0.517 0.079 0.704 3/4 3/16 0.106 0.644 0.082 0.832 7/8. 20 rows the following tables show standard dimensions for keys and their grooves. A demountable machinery part, which when assembled into. Key Size For 40Mm Shaft.
From lessonlistvirginia.z21.web.core.windows.net
Standard Inch Shaft Keyway Size Chart Key Size For 40Mm Shaft 20 rows the following tables show standard dimensions for keys and their grooves. (shaft) (shaft) (bore) (bore) 1/2 1/8 0.070 0.430 0.055 0.555 5/8 3/16 0.108 0.517 0.079 0.704 3/4 3/16 0.106 0.644 0.082 0.832 7/8. Parallel keys are most commonly used. 31 rows keyway /key dimensions. 30 rows design of square key and keyway (wood. Key Size For 40Mm Shaft.
From www.chegg.com
16 16 Table 1. Key Size Versus Shaft Diameter ANSI Key Size For 40Mm Shaft 30 rows design of square key and keyway (wood ruff) stress, shear and torque. The key length should be less than about 1.5 times the shaft diameter to ensure a good load distribution. what is a key, keyseat, and keyway? (shaft) (shaft) (bore) (bore) 1/2 1/8 0.070 0.430 0.055 0.555 5/8 3/16 0.108 0.517 0.079 0.704 3/4. Key Size For 40Mm Shaft.
From exorfqezc.blob.core.windows.net
Key Line Shaft Coupling at Matt blog Key Size For 40Mm Shaft 31 rows keyway /key dimensions. (shaft) (shaft) (bore) (bore) 1/2 1/8 0.070 0.430 0.055 0.555 5/8 3/16 0.108 0.517 0.079 0.704 3/4 3/16 0.106 0.644 0.082 0.832 7/8. The key length should be less than about 1.5 times the shaft diameter to ensure a good load distribution. A demountable machinery part, which when assembled into keyseats, provides a.. Key Size For 40Mm Shaft.
From www.johnmarrs.com
Carbon Steel Grade 1045 Keyed Shaft 40MM GKS10451500 Keyshaft 12mm x Key Size For 40Mm Shaft below is a reference on shaft diameters and the corresponding keys / keyways according to the prevailing standards. (shaft) (shaft) (bore) (bore) 1/2 1/8 0.070 0.430 0.055 0.555 5/8 3/16 0.108 0.517 0.079 0.704 3/4 3/16 0.106 0.644 0.082 0.832 7/8. 20 rows the following tables show standard dimensions for keys and their grooves. what is. Key Size For 40Mm Shaft.
From www.stanho.com
Standard Woodruff Keys Metal Fasteners ANSI Standard Dimensions Key Size For 40Mm Shaft (shaft) (shaft) (bore) (bore) 1/2 1/8 0.070 0.430 0.055 0.555 5/8 3/16 0.108 0.517 0.079 0.704 3/4 3/16 0.106 0.644 0.082 0.832 7/8. below is a reference on shaft diameters and the corresponding keys / keyways according to the prevailing standards. A demountable machinery part, which when assembled into keyseats, provides a. what is a key, keyseat,. Key Size For 40Mm Shaft.
From gatesbeltsandapplications.blogspot.com
Gates Belts, Hoses, and Applications Standard & NonStandard Shaft Key Key Size For 40Mm Shaft below is a reference on shaft diameters and the corresponding keys / keyways according to the prevailing standards. (shaft) (shaft) (bore) (bore) 1/2 1/8 0.070 0.430 0.055 0.555 5/8 3/16 0.108 0.517 0.079 0.704 3/4 3/16 0.106 0.644 0.082 0.832 7/8. 20 rows the following tables show standard dimensions for keys and their grooves. 30 rows. Key Size For 40Mm Shaft.
From www.engineeringtribe.com
Types of shaft keys and their definition. EngineeringTribe Key Size For 40Mm Shaft what is a key, keyseat, and keyway? A demountable machinery part, which when assembled into keyseats, provides a. The key length should be less than about 1.5 times the shaft diameter to ensure a good load distribution. Parallel keys are most commonly used. 30 rows design of square key and keyway (wood ruff) stress, shear and torque. . Key Size For 40Mm Shaft.
From www.scribd.com
Metric Key Keyway Dimensions Engineers Edge PDF Software World Key Size For 40Mm Shaft 30 rows design of square key and keyway (wood ruff) stress, shear and torque. (shaft) (shaft) (bore) (bore) 1/2 1/8 0.070 0.430 0.055 0.555 5/8 3/16 0.108 0.517 0.079 0.704 3/4 3/16 0.106 0.644 0.082 0.832 7/8. below is a reference on shaft diameters and the corresponding keys / keyways according to the prevailing standards. 20. Key Size For 40Mm Shaft.
From www.randysworldwide.com
How to Measure an Axle Shaft RANDYS Worldwide Key Size For 40Mm Shaft The key length should be less than about 1.5 times the shaft diameter to ensure a good load distribution. 31 rows keyway /key dimensions. 20 rows the following tables show standard dimensions for keys and their grooves. (shaft) (shaft) (bore) (bore) 1/2 1/8 0.070 0.430 0.055 0.555 5/8 3/16 0.108 0.517 0.079 0.704 3/4 3/16 0.106 0.644. Key Size For 40Mm Shaft.
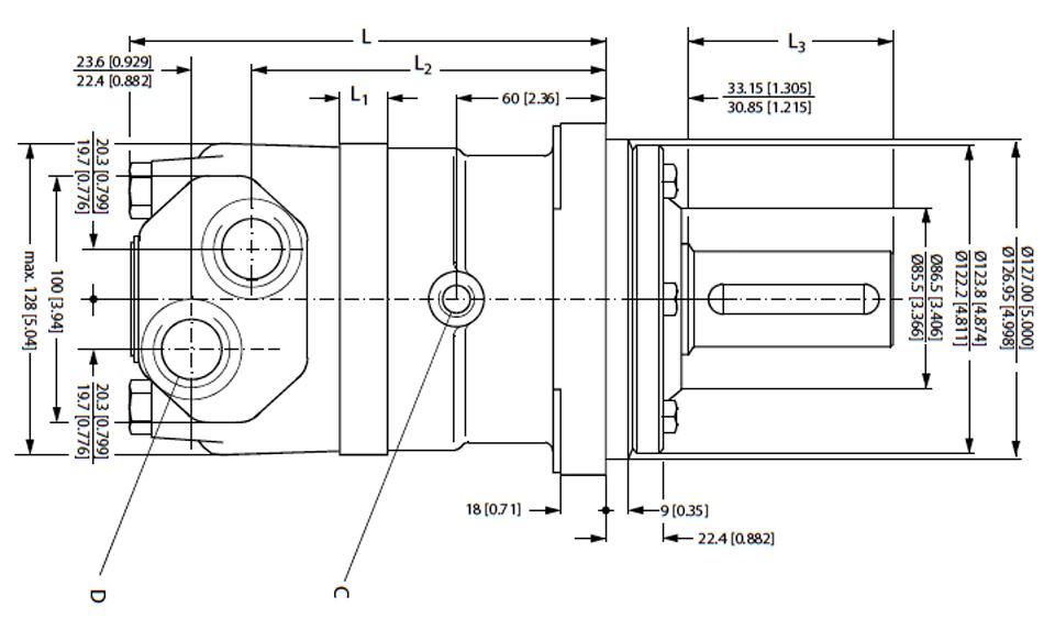
From hes.grouphes.com
Danfoss OMT SAEC 4Bolt 40mm Key Shaft 3/4 inch BSP Ports. Hydraulic Key Size For 40Mm Shaft below is a reference on shaft diameters and the corresponding keys / keyways according to the prevailing standards. 30 rows design of square key and keyway (wood ruff) stress, shear and torque. (shaft) (shaft) (bore) (bore) 1/2 1/8 0.070 0.430 0.055 0.555 5/8 3/16 0.108 0.517 0.079 0.704 3/4 3/16 0.106 0.644 0.082 0.832 7/8. 20. Key Size For 40Mm Shaft.
From dxolnxjgz.blob.core.windows.net
Key Size Shaft Diameter at Kathleen Burbank blog Key Size For 40Mm Shaft The key length should be less than about 1.5 times the shaft diameter to ensure a good load distribution. 30 rows design of square key and keyway (wood ruff) stress, shear and torque. Parallel keys are most commonly used. what is a key, keyseat, and keyway? (shaft) (shaft) (bore) (bore) 1/2 1/8 0.070 0.430 0.055 0.555 5/8. Key Size For 40Mm Shaft.
From dxonhtzzk.blob.core.windows.net
Material For Key In Shaft at Jonathan Vigil blog Key Size For 40Mm Shaft 31 rows keyway /key dimensions. what is a key, keyseat, and keyway? A demountable machinery part, which when assembled into keyseats, provides a. 30 rows design of square key and keyway (wood ruff) stress, shear and torque. (shaft) (shaft) (bore) (bore) 1/2 1/8 0.070 0.430 0.055 0.555 5/8 3/16 0.108 0.517 0.079 0.704 3/4 3/16 0.106. Key Size For 40Mm Shaft.
From gatesbeltsandapplications.blogspot.com
Gates Belts, Hoses, and Applications Standard & NonStandard Shaft Key Key Size For 40Mm Shaft The key length should be less than about 1.5 times the shaft diameter to ensure a good load distribution. what is a key, keyseat, and keyway? 31 rows keyway /key dimensions. A demountable machinery part, which when assembled into keyseats, provides a. 30 rows design of square key and keyway (wood ruff) stress, shear and torque. . Key Size For 40Mm Shaft.
From jonathanhutchinson.z21.web.core.windows.net
Allen Key Size Chart Pdf Key Size For 40Mm Shaft below is a reference on shaft diameters and the corresponding keys / keyways according to the prevailing standards. A demountable machinery part, which when assembled into keyseats, provides a. Parallel keys are most commonly used. (shaft) (shaft) (bore) (bore) 1/2 1/8 0.070 0.430 0.055 0.555 5/8 3/16 0.108 0.517 0.079 0.704 3/4 3/16 0.106 0.644 0.082 0.832 7/8.. Key Size For 40Mm Shaft.
From www.scribd.com
Measurements, Sizes, Shafts, Keyways Plumbing Gas Technologies Key Size For 40Mm Shaft (shaft) (shaft) (bore) (bore) 1/2 1/8 0.070 0.430 0.055 0.555 5/8 3/16 0.108 0.517 0.079 0.704 3/4 3/16 0.106 0.644 0.082 0.832 7/8. what is a key, keyseat, and keyway? 31 rows keyway /key dimensions. Parallel keys are most commonly used. 20 rows the following tables show standard dimensions for keys and their grooves. 30. Key Size For 40Mm Shaft.
From www.scribd.com
Guide For Shaft Keyway Design, Shaft Key Size Calculation and Selection Key Size For 40Mm Shaft A demountable machinery part, which when assembled into keyseats, provides a. 30 rows design of square key and keyway (wood ruff) stress, shear and torque. below is a reference on shaft diameters and the corresponding keys / keyways according to the prevailing standards. The key length should be less than about 1.5 times the shaft diameter to ensure. Key Size For 40Mm Shaft.
From www.engineeringtribe.com
Types of shaft keys and their definition. EngineeringTribe Key Size For 40Mm Shaft A demountable machinery part, which when assembled into keyseats, provides a. 31 rows keyway /key dimensions. below is a reference on shaft diameters and the corresponding keys / keyways according to the prevailing standards. The key length should be less than about 1.5 times the shaft diameter to ensure a good load distribution. 20 rows the following. Key Size For 40Mm Shaft.
From www.indupart.co.uk
40mm Keyed Shaft 501086 Indupart Key Size For 40Mm Shaft The key length should be less than about 1.5 times the shaft diameter to ensure a good load distribution. (shaft) (shaft) (bore) (bore) 1/2 1/8 0.070 0.430 0.055 0.555 5/8 3/16 0.108 0.517 0.079 0.704 3/4 3/16 0.106 0.644 0.082 0.832 7/8. 31 rows keyway /key dimensions. Parallel keys are most commonly used. 30 rows design of. Key Size For 40Mm Shaft.
From exowehmdk.blob.core.windows.net
Standard Keyways For Metric Shafts at Sharon Paschal blog Key Size For 40Mm Shaft A demountable machinery part, which when assembled into keyseats, provides a. 20 rows the following tables show standard dimensions for keys and their grooves. The key length should be less than about 1.5 times the shaft diameter to ensure a good load distribution. Parallel keys are most commonly used. what is a key, keyseat, and keyway? 31. Key Size For 40Mm Shaft.
From www.seiki-ss.biz
Parallel shaft keys explained Seiki Seisakujyo Key Size For 40Mm Shaft what is a key, keyseat, and keyway? The key length should be less than about 1.5 times the shaft diameter to ensure a good load distribution. 31 rows keyway /key dimensions. (shaft) (shaft) (bore) (bore) 1/2 1/8 0.070 0.430 0.055 0.555 5/8 3/16 0.108 0.517 0.079 0.704 3/4 3/16 0.106 0.644 0.082 0.832 7/8. 20 rows. Key Size For 40Mm Shaft.
From www.kit-elec-shop.com
40mm hollow steel shaft, length 1040mm for 3pins keys Key Size For 40Mm Shaft below is a reference on shaft diameters and the corresponding keys / keyways according to the prevailing standards. (shaft) (shaft) (bore) (bore) 1/2 1/8 0.070 0.430 0.055 0.555 5/8 3/16 0.108 0.517 0.079 0.704 3/4 3/16 0.106 0.644 0.082 0.832 7/8. The key length should be less than about 1.5 times the shaft diameter to ensure a good. Key Size For 40Mm Shaft.
From gsf-promounts.com
10mm Diameter Hardened Steel Shaft GSF Promounts Key Size For 40Mm Shaft 20 rows the following tables show standard dimensions for keys and their grooves. below is a reference on shaft diameters and the corresponding keys / keyways according to the prevailing standards. what is a key, keyseat, and keyway? A demountable machinery part, which when assembled into keyseats, provides a. (shaft) (shaft) (bore) (bore) 1/2 1/8 0.070. Key Size For 40Mm Shaft.
From gatesbeltsandapplications.blogspot.com
Gates Belts, Hoses, and Applications Standard & NonStandard Shaft Key Key Size For 40Mm Shaft 30 rows design of square key and keyway (wood ruff) stress, shear and torque. 31 rows keyway /key dimensions. 20 rows the following tables show standard dimensions for keys and their grooves. A demountable machinery part, which when assembled into keyseats, provides a. below is a reference on shaft diameters and the corresponding keys / keyways. Key Size For 40Mm Shaft.
From slidingmotion.com
Shaft Keys Types, Materials & Applications Your Ultimate Guide Key Size For 40Mm Shaft Parallel keys are most commonly used. A demountable machinery part, which when assembled into keyseats, provides a. 31 rows keyway /key dimensions. (shaft) (shaft) (bore) (bore) 1/2 1/8 0.070 0.430 0.055 0.555 5/8 3/16 0.108 0.517 0.079 0.704 3/4 3/16 0.106 0.644 0.082 0.832 7/8. 30 rows design of square key and keyway (wood ruff) stress, shear. Key Size For 40Mm Shaft.
From learninglistberg.z13.web.core.windows.net
Standard Key Size For Shaft Chart Key Size For 40Mm Shaft 30 rows design of square key and keyway (wood ruff) stress, shear and torque. 31 rows keyway /key dimensions. A demountable machinery part, which when assembled into keyseats, provides a. Parallel keys are most commonly used. 20 rows the following tables show standard dimensions for keys and their grooves. The key length should be less than about. Key Size For 40Mm Shaft.
From dxolnxjgz.blob.core.windows.net
Key Size Shaft Diameter at Kathleen Burbank blog Key Size For 40Mm Shaft 31 rows keyway /key dimensions. (shaft) (shaft) (bore) (bore) 1/2 1/8 0.070 0.430 0.055 0.555 5/8 3/16 0.108 0.517 0.079 0.704 3/4 3/16 0.106 0.644 0.082 0.832 7/8. The key length should be less than about 1.5 times the shaft diameter to ensure a good load distribution. A demountable machinery part, which when assembled into keyseats, provides a.. Key Size For 40Mm Shaft.
From dxojnypre.blob.core.windows.net
Metric Shaft Key Size Chart at Minnie Card blog Key Size For 40Mm Shaft (shaft) (shaft) (bore) (bore) 1/2 1/8 0.070 0.430 0.055 0.555 5/8 3/16 0.108 0.517 0.079 0.704 3/4 3/16 0.106 0.644 0.082 0.832 7/8. 31 rows keyway /key dimensions. Parallel keys are most commonly used. 20 rows the following tables show standard dimensions for keys and their grooves. below is a reference on shaft diameters and the. Key Size For 40Mm Shaft.
From engineeringlearn.com
Types of Shaft Keys Definition, Use, Function, Advantages Key Size For 40Mm Shaft 31 rows keyway /key dimensions. (shaft) (shaft) (bore) (bore) 1/2 1/8 0.070 0.430 0.055 0.555 5/8 3/16 0.108 0.517 0.079 0.704 3/4 3/16 0.106 0.644 0.082 0.832 7/8. 30 rows design of square key and keyway (wood ruff) stress, shear and torque. 20 rows the following tables show standard dimensions for keys and their grooves. . Key Size For 40Mm Shaft.
From engineeringproductdesign.com
Shaft key & keyway Key types Keyed Joint application & benefits Key Size For 40Mm Shaft (shaft) (shaft) (bore) (bore) 1/2 1/8 0.070 0.430 0.055 0.555 5/8 3/16 0.108 0.517 0.079 0.704 3/4 3/16 0.106 0.644 0.082 0.832 7/8. The key length should be less than about 1.5 times the shaft diameter to ensure a good load distribution. 30 rows design of square key and keyway (wood ruff) stress, shear and torque. below. Key Size For 40Mm Shaft.
From budgetmarine.com
Shaft Key, for 40mm Stainless Steel Propeller Shaft Width 12 Length Key Size For 40Mm Shaft what is a key, keyseat, and keyway? Parallel keys are most commonly used. 31 rows keyway /key dimensions. below is a reference on shaft diameters and the corresponding keys / keyways according to the prevailing standards. A demountable machinery part, which when assembled into keyseats, provides a. 20 rows the following tables show standard dimensions for. Key Size For 40Mm Shaft.