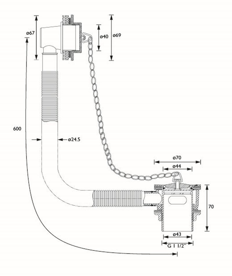
Bath Waste Size Uk . in the uk, all bath wastes are the same size. the sizes are as follows: Changing a bath waste is one of the easiest ways to give your bath a. the waste water fittings fitted to baths are fairly standard although there are various different types of method for fitting them to the waste outlet hole of. find out how to fit a bath waste for. in the uk bath wastes are a universal size at 1½” bsp (british standard pipe), or 40mm. The universal size for all bathtub wastes is 40mm. When choosing your waste system, make sure that the model you have chosen is standard or universal. This means you can choose almost any style of bath.
from www.sanctuary-bathrooms.co.uk
find out how to fit a bath waste for. The universal size for all bathtub wastes is 40mm. in the uk, all bath wastes are the same size. When choosing your waste system, make sure that the model you have chosen is standard or universal. This means you can choose almost any style of bath. Changing a bath waste is one of the easiest ways to give your bath a. in the uk bath wastes are a universal size at 1½” bsp (british standard pipe), or 40mm. the sizes are as follows: the waste water fittings fitted to baths are fairly standard although there are various different types of method for fitting them to the waste outlet hole of.
Vado Push Type Bath Waste & Overflow Sanctuary Bathrooms
Bath Waste Size Uk Changing a bath waste is one of the easiest ways to give your bath a. find out how to fit a bath waste for. This means you can choose almost any style of bath. the sizes are as follows: the waste water fittings fitted to baths are fairly standard although there are various different types of method for fitting them to the waste outlet hole of. The universal size for all bathtub wastes is 40mm. Changing a bath waste is one of the easiest ways to give your bath a. in the uk, all bath wastes are the same size. in the uk bath wastes are a universal size at 1½” bsp (british standard pipe), or 40mm. When choosing your waste system, make sure that the model you have chosen is standard or universal.
From furniture123.co.uk
Traditional Exposed Bath Waste & Overflow Black Furniture123 Bath Waste Size Uk find out how to fit a bath waste for. in the uk bath wastes are a universal size at 1½” bsp (british standard pipe), or 40mm. in the uk, all bath wastes are the same size. Changing a bath waste is one of the easiest ways to give your bath a. the sizes are as follows:. Bath Waste Size Uk.
From www.victorianplumbing.co.uk
Cruze Slotted Bath Waste with No Overflow Chrome Victorian Plumbing UK Bath Waste Size Uk When choosing your waste system, make sure that the model you have chosen is standard or universal. in the uk bath wastes are a universal size at 1½” bsp (british standard pipe), or 40mm. the waste water fittings fitted to baths are fairly standard although there are various different types of method for fitting them to the waste. Bath Waste Size Uk.
From www.checkatrade.com
How To Fit A Bath Waste StepByStep Checkatrade Bath Waste Size Uk the waste water fittings fitted to baths are fairly standard although there are various different types of method for fitting them to the waste outlet hole of. This means you can choose almost any style of bath. When choosing your waste system, make sure that the model you have chosen is standard or universal. The universal size for all. Bath Waste Size Uk.
From www.homenish.com
Standard Trash Can Sizes All You Need to Know (with Drawings) Homenish Bath Waste Size Uk in the uk, all bath wastes are the same size. The universal size for all bathtub wastes is 40mm. When choosing your waste system, make sure that the model you have chosen is standard or universal. the waste water fittings fitted to baths are fairly standard although there are various different types of method for fitting them to. Bath Waste Size Uk.
From www.victorianplumbing.co.uk
Traditional Exposed Bath Waste Kit Including Shallow P Trap Victorian Plumbing UK Bath Waste Size Uk When choosing your waste system, make sure that the model you have chosen is standard or universal. This means you can choose almost any style of bath. find out how to fit a bath waste for. The universal size for all bathtub wastes is 40mm. in the uk bath wastes are a universal size at 1½” bsp (british. Bath Waste Size Uk.
From www.westonebathroomsonline.com
YOO Extended Overflow Bath Waste West One Bathrooms Online Bath Waste Size Uk the sizes are as follows: The universal size for all bathtub wastes is 40mm. in the uk, all bath wastes are the same size. Changing a bath waste is one of the easiest ways to give your bath a. in the uk bath wastes are a universal size at 1½” bsp (british standard pipe), or 40mm. When. Bath Waste Size Uk.
From harrisplumbing.ca
How Your Plumbing System Works Harris Plumbing Bath Waste Size Uk the waste water fittings fitted to baths are fairly standard although there are various different types of method for fitting them to the waste outlet hole of. The universal size for all bathtub wastes is 40mm. This means you can choose almost any style of bath. Changing a bath waste is one of the easiest ways to give your. Bath Waste Size Uk.
From www.checkatrade.com
How To Fit A Bath Waste StepByStep Checkatrade Bath Waste Size Uk in the uk bath wastes are a universal size at 1½” bsp (british standard pipe), or 40mm. the waste water fittings fitted to baths are fairly standard although there are various different types of method for fitting them to the waste outlet hole of. the sizes are as follows: find out how to fit a bath. Bath Waste Size Uk.
From homerefresh.co.uk
Bath Waste & Overflow Bath Waste Size Uk Changing a bath waste is one of the easiest ways to give your bath a. in the uk bath wastes are a universal size at 1½” bsp (british standard pipe), or 40mm. in the uk, all bath wastes are the same size. the waste water fittings fitted to baths are fairly standard although there are various different. Bath Waste Size Uk.
From www.victorianplumbing.co.uk
Traditional Exposed Bath Waste Kit Including Shallow P Trap Victorian Plumbing UK Bath Waste Size Uk Changing a bath waste is one of the easiest ways to give your bath a. The universal size for all bathtub wastes is 40mm. in the uk, all bath wastes are the same size. in the uk bath wastes are a universal size at 1½” bsp (british standard pipe), or 40mm. This means you can choose almost any. Bath Waste Size Uk.
From www.reddit.com
How to figure bath waste size? r/diynz Bath Waste Size Uk This means you can choose almost any style of bath. the waste water fittings fitted to baths are fairly standard although there are various different types of method for fitting them to the waste outlet hole of. the sizes are as follows: find out how to fit a bath waste for. Changing a bath waste is one. Bath Waste Size Uk.
From thomas-crapper.com
BASIN WASTE SET from Thomas Crapper & Co Ltd Bath Waste Size Uk The universal size for all bathtub wastes is 40mm. in the uk bath wastes are a universal size at 1½” bsp (british standard pipe), or 40mm. Changing a bath waste is one of the easiest ways to give your bath a. the waste water fittings fitted to baths are fairly standard although there are various different types of. Bath Waste Size Uk.
From www.youtube.com
How to fit a basin waste trap Bathroom installation tips from Victoria Plum YouTube Bath Waste Size Uk in the uk, all bath wastes are the same size. When choosing your waste system, make sure that the model you have chosen is standard or universal. in the uk bath wastes are a universal size at 1½” bsp (british standard pipe), or 40mm. the sizes are as follows: the waste water fittings fitted to baths. Bath Waste Size Uk.
From www.sanctuary-bathrooms.co.uk
Vado Push Type Bath Waste & Overflow Sanctuary Bathrooms Bath Waste Size Uk the sizes are as follows: This means you can choose almost any style of bath. the waste water fittings fitted to baths are fairly standard although there are various different types of method for fitting them to the waste outlet hole of. in the uk, all bath wastes are the same size. in the uk bath. Bath Waste Size Uk.
From www.bellabathrooms.co.uk
Standard Bath Sizes UK Bella Bathrooms Blog Bath Waste Size Uk in the uk bath wastes are a universal size at 1½” bsp (british standard pipe), or 40mm. Changing a bath waste is one of the easiest ways to give your bath a. in the uk, all bath wastes are the same size. The universal size for all bathtub wastes is 40mm. This means you can choose almost any. Bath Waste Size Uk.
From www.mbd-bathrooms.co.uk
Derwent Bath (many sizes available), Baths All Products, DER17070W from mbd bathrooms Bath Waste Size Uk the waste water fittings fitted to baths are fairly standard although there are various different types of method for fitting them to the waste outlet hole of. The universal size for all bathtub wastes is 40mm. When choosing your waste system, make sure that the model you have chosen is standard or universal. in the uk bath wastes. Bath Waste Size Uk.
From www.livinghouse.co.uk
Gold PopUp Bath Waste with Overflow Gold Bathroom Fittings Bath Waste Size Uk in the uk, all bath wastes are the same size. in the uk bath wastes are a universal size at 1½” bsp (british standard pipe), or 40mm. This means you can choose almost any style of bath. the waste water fittings fitted to baths are fairly standard although there are various different types of method for fitting. Bath Waste Size Uk.
From www.henrybrooks.co.nz
Bath Waste Easy Clean trap, makes installing freestanding baths easier Bath Waste Size Uk Changing a bath waste is one of the easiest ways to give your bath a. This means you can choose almost any style of bath. find out how to fit a bath waste for. When choosing your waste system, make sure that the model you have chosen is standard or universal. The universal size for all bathtub wastes is. Bath Waste Size Uk.
From www.notjusttaps.co.uk
Gold bath waste plug and chain Traditional bath waste NotJustTaps.co.uk Bath Waste Size Uk the waste water fittings fitted to baths are fairly standard although there are various different types of method for fitting them to the waste outlet hole of. in the uk bath wastes are a universal size at 1½” bsp (british standard pipe), or 40mm. the sizes are as follows: This means you can choose almost any style. Bath Waste Size Uk.
From www.checkatrade.com
How To Fit A Bath Waste StepByStep Checkatrade Bath Waste Size Uk the waste water fittings fitted to baths are fairly standard although there are various different types of method for fitting them to the waste outlet hole of. This means you can choose almost any style of bath. The universal size for all bathtub wastes is 40mm. find out how to fit a bath waste for. in the. Bath Waste Size Uk.
From www.bathroommountain.co.uk
Bath Waste Trap Essential Plumbing Bathroom Mountain Bath Waste Size Uk The universal size for all bathtub wastes is 40mm. in the uk, all bath wastes are the same size. When choosing your waste system, make sure that the model you have chosen is standard or universal. This means you can choose almost any style of bath. Changing a bath waste is one of the easiest ways to give your. Bath Waste Size Uk.
From www.bunnings.com.au
40mm Matte Black Brass Bath Waste Bunnings Australia Bath Waste Size Uk in the uk, all bath wastes are the same size. the sizes are as follows: When choosing your waste system, make sure that the model you have chosen is standard or universal. the waste water fittings fitted to baths are fairly standard although there are various different types of method for fitting them to the waste outlet. Bath Waste Size Uk.
From www.vivasanitary.co.uk
Bath Waste Poly Plug Bath Waste and Overflow Viva Bath Waste Size Uk in the uk, all bath wastes are the same size. Changing a bath waste is one of the easiest ways to give your bath a. This means you can choose almost any style of bath. the sizes are as follows: When choosing your waste system, make sure that the model you have chosen is standard or universal. . Bath Waste Size Uk.
From www.matrixbathrooms.ie
ACC032C Standard Bath Waste & Overflow Combination Bath Waste Size Uk Changing a bath waste is one of the easiest ways to give your bath a. This means you can choose almost any style of bath. in the uk, all bath wastes are the same size. in the uk bath wastes are a universal size at 1½” bsp (british standard pipe), or 40mm. the waste water fittings fitted. Bath Waste Size Uk.
From www.henrybrooks.co.nz
Bath Waste Easy Clean trap, installing freestanding baths easier Bath Waste Size Uk When choosing your waste system, make sure that the model you have chosen is standard or universal. Changing a bath waste is one of the easiest ways to give your bath a. the waste water fittings fitted to baths are fairly standard although there are various different types of method for fitting them to the waste outlet hole of.. Bath Waste Size Uk.
From victoriaplum.com
The Bath Co. Traditional roll top bath waste Bath Waste Size Uk When choosing your waste system, make sure that the model you have chosen is standard or universal. This means you can choose almost any style of bath. the sizes are as follows: Changing a bath waste is one of the easiest ways to give your bath a. find out how to fit a bath waste for. the. Bath Waste Size Uk.
From www.victorianplumbing.co.uk
Hurlingham Chrome Exposed Bath Waste Kit Including Shallow P Trap BWP002 Victorian Plumbing UK Bath Waste Size Uk The universal size for all bathtub wastes is 40mm. When choosing your waste system, make sure that the model you have chosen is standard or universal. in the uk, all bath wastes are the same size. the sizes are as follows: the waste water fittings fitted to baths are fairly standard although there are various different types. Bath Waste Size Uk.
From www.bathroombrands-spares.co.uk
Bath waste complete for E18, E19, M1A and M2A Baths Bath Waste Size Uk find out how to fit a bath waste for. The universal size for all bathtub wastes is 40mm. in the uk bath wastes are a universal size at 1½” bsp (british standard pipe), or 40mm. the sizes are as follows: the waste water fittings fitted to baths are fairly standard although there are various different types. Bath Waste Size Uk.
From www.renovatorstore.com.au
Chrome 32/40mm Solid Brass Basin Pop Up Waste with No Overflow by Aquaperla Basin Wastes Bath Waste Size Uk the sizes are as follows: in the uk, all bath wastes are the same size. The universal size for all bathtub wastes is 40mm. in the uk bath wastes are a universal size at 1½” bsp (british standard pipe), or 40mm. When choosing your waste system, make sure that the model you have chosen is standard or. Bath Waste Size Uk.
From www.qssupplies.co.uk
Shower Wastes Explained QS Supplies Bath Waste Size Uk the waste water fittings fitted to baths are fairly standard although there are various different types of method for fitting them to the waste outlet hole of. in the uk, all bath wastes are the same size. This means you can choose almost any style of bath. When choosing your waste system, make sure that the model you. Bath Waste Size Uk.
From www.victorianplumbing.co.uk
Cruze Slotted Bath Waste with No Overflow Chrome Victorian Plumbing UK Bath Waste Size Uk This means you can choose almost any style of bath. in the uk, all bath wastes are the same size. Changing a bath waste is one of the easiest ways to give your bath a. the sizes are as follows: in the uk bath wastes are a universal size at 1½” bsp (british standard pipe), or 40mm.. Bath Waste Size Uk.
From www.toolstation.com
High Flow Rate Bath Waste 1 1/2" Toolstation Bath Waste Size Uk the sizes are as follows: in the uk bath wastes are a universal size at 1½” bsp (british standard pipe), or 40mm. This means you can choose almost any style of bath. When choosing your waste system, make sure that the model you have chosen is standard or universal. The universal size for all bathtub wastes is 40mm.. Bath Waste Size Uk.
From www.livinghouse.co.uk
Brushed or Polished Nickel Bath Waste Nickel Bathroom Fittings Bath Waste Size Uk the waste water fittings fitted to baths are fairly standard although there are various different types of method for fitting them to the waste outlet hole of. the sizes are as follows: The universal size for all bathtub wastes is 40mm. Changing a bath waste is one of the easiest ways to give your bath a. find. Bath Waste Size Uk.
From www.showertraysuk.co.uk
Burlington Exposed Click Clack Bath Waste with Overflow Chrome Shower Trays UK Bath Waste Size Uk When choosing your waste system, make sure that the model you have chosen is standard or universal. in the uk, all bath wastes are the same size. the sizes are as follows: find out how to fit a bath waste for. the waste water fittings fitted to baths are fairly standard although there are various different. Bath Waste Size Uk.
From plumbingsupplyonline.co.za
Bath Waste (40mm x 35mm Long) Plumbing Supply Online Bath Waste Size Uk find out how to fit a bath waste for. in the uk, all bath wastes are the same size. When choosing your waste system, make sure that the model you have chosen is standard or universal. The universal size for all bathtub wastes is 40mm. the sizes are as follows: This means you can choose almost any. Bath Waste Size Uk.