How To Measure For Drop In Bathroom Sink . A carefully installed sink’s rim will rest firmly and evenly on top of the countertop, with no gaps. — the most important bathroom sink dimensions to measure when looking for a new vanity sink are length (right to left), width (front to. A rim with no gaps. Careful measuring and cutting of the hole in your countertop are the keys to success when adding a new sink. — by following these detailed instructions, you can confidently measure for a perfect bathroom sink replacement. — learn how to properly measure a drop. — to measure the length and width of the sink, simply use a measuring tape to measure from one end of the sink.
from www.wayfair.com
— the most important bathroom sink dimensions to measure when looking for a new vanity sink are length (right to left), width (front to. A carefully installed sink’s rim will rest firmly and evenly on top of the countertop, with no gaps. A rim with no gaps. — to measure the length and width of the sink, simply use a measuring tape to measure from one end of the sink. — learn how to properly measure a drop. Careful measuring and cutting of the hole in your countertop are the keys to success when adding a new sink. — by following these detailed instructions, you can confidently measure for a perfect bathroom sink replacement.
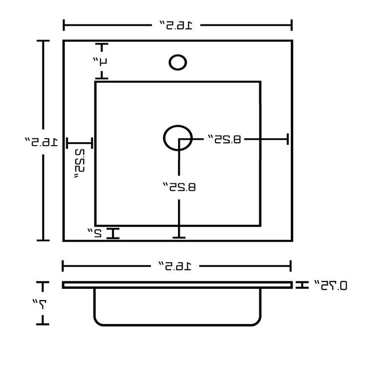
Plumbing N Parts 16.5'' White Ceramic Square Dropin Bathroom Sink with
How To Measure For Drop In Bathroom Sink — by following these detailed instructions, you can confidently measure for a perfect bathroom sink replacement. A carefully installed sink’s rim will rest firmly and evenly on top of the countertop, with no gaps. — to measure the length and width of the sink, simply use a measuring tape to measure from one end of the sink. — by following these detailed instructions, you can confidently measure for a perfect bathroom sink replacement. Careful measuring and cutting of the hole in your countertop are the keys to success when adding a new sink. — learn how to properly measure a drop. A rim with no gaps. — the most important bathroom sink dimensions to measure when looking for a new vanity sink are length (right to left), width (front to.
From rispa.org
Drop In Bathroom Sink Installation Rispa How To Measure For Drop In Bathroom Sink — learn how to properly measure a drop. A rim with no gaps. — to measure the length and width of the sink, simply use a measuring tape to measure from one end of the sink. A carefully installed sink’s rim will rest firmly and evenly on top of the countertop, with no gaps. Careful measuring and cutting. How To Measure For Drop In Bathroom Sink.
From schematiclistamps55.z22.web.core.windows.net
Standard Hole Size For Kitchen Faucet How To Measure For Drop In Bathroom Sink — the most important bathroom sink dimensions to measure when looking for a new vanity sink are length (right to left), width (front to. Careful measuring and cutting of the hole in your countertop are the keys to success when adding a new sink. — to measure the length and width of the sink, simply use a measuring. How To Measure For Drop In Bathroom Sink.
From rispa.org
Drop In Bathroom Sink Installation Rispa How To Measure For Drop In Bathroom Sink — learn how to properly measure a drop. — to measure the length and width of the sink, simply use a measuring tape to measure from one end of the sink. Careful measuring and cutting of the hole in your countertop are the keys to success when adding a new sink. — by following these detailed instructions,. How To Measure For Drop In Bathroom Sink.
From www.familyhandyman.com
Homeowner's Guide To DropIn Bathroom Sinks The Family Handyman How To Measure For Drop In Bathroom Sink — the most important bathroom sink dimensions to measure when looking for a new vanity sink are length (right to left), width (front to. A carefully installed sink’s rim will rest firmly and evenly on top of the countertop, with no gaps. — by following these detailed instructions, you can confidently measure for a perfect bathroom sink replacement.. How To Measure For Drop In Bathroom Sink.
From www.wayfair.ca
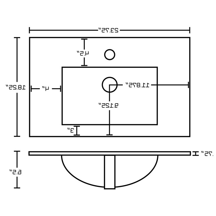
Plumbing N Parts 23.75'' White Ceramic Rectangular Dropin Bathroom How To Measure For Drop In Bathroom Sink — by following these detailed instructions, you can confidently measure for a perfect bathroom sink replacement. — learn how to properly measure a drop. A carefully installed sink’s rim will rest firmly and evenly on top of the countertop, with no gaps. — the most important bathroom sink dimensions to measure when looking for a new vanity. How To Measure For Drop In Bathroom Sink.
From homesonpoint.com
DropIn Sink vs. Undermount Sink Similarities and Differences Homes How To Measure For Drop In Bathroom Sink — by following these detailed instructions, you can confidently measure for a perfect bathroom sink replacement. — to measure the length and width of the sink, simply use a measuring tape to measure from one end of the sink. A carefully installed sink’s rim will rest firmly and evenly on top of the countertop, with no gaps. Careful. How To Measure For Drop In Bathroom Sink.
From www.wayfair.com
K233780,33,47 Kohler Memoirs® Ceramic Rectangular DropIn Bathroom How To Measure For Drop In Bathroom Sink — by following these detailed instructions, you can confidently measure for a perfect bathroom sink replacement. Careful measuring and cutting of the hole in your countertop are the keys to success when adding a new sink. — learn how to properly measure a drop. A carefully installed sink’s rim will rest firmly and evenly on top of the. How To Measure For Drop In Bathroom Sink.
From www.pinterest.com
In The Spirit Of Change 12 Types Of Sinks You Can Install Into Your How To Measure For Drop In Bathroom Sink — by following these detailed instructions, you can confidently measure for a perfect bathroom sink replacement. — learn how to properly measure a drop. — to measure the length and width of the sink, simply use a measuring tape to measure from one end of the sink. A carefully installed sink’s rim will rest firmly and evenly. How To Measure For Drop In Bathroom Sink.
From www.familyhandyman.com
Homeowner's Guide To DropIn Bathroom Sinks The Family Handyman How To Measure For Drop In Bathroom Sink — the most important bathroom sink dimensions to measure when looking for a new vanity sink are length (right to left), width (front to. Careful measuring and cutting of the hole in your countertop are the keys to success when adding a new sink. — to measure the length and width of the sink, simply use a measuring. How To Measure For Drop In Bathroom Sink.
From www.pinterest.com
How to Retrieve an Item Dropped Down the Sink Drain Bathroom sink How To Measure For Drop In Bathroom Sink — by following these detailed instructions, you can confidently measure for a perfect bathroom sink replacement. Careful measuring and cutting of the hole in your countertop are the keys to success when adding a new sink. — the most important bathroom sink dimensions to measure when looking for a new vanity sink are length (right to left), width. How To Measure For Drop In Bathroom Sink.
From www.sunrisespecialty.com
8 Common Types of Bathroom Sinks Which Suits You Best? How To Measure For Drop In Bathroom Sink Careful measuring and cutting of the hole in your countertop are the keys to success when adding a new sink. A carefully installed sink’s rim will rest firmly and evenly on top of the countertop, with no gaps. — to measure the length and width of the sink, simply use a measuring tape to measure from one end of. How To Measure For Drop In Bathroom Sink.
From www.pinterest.com
SemiRecessed Ceramic Rectangular DropIn Bathroom Sink Drop in How To Measure For Drop In Bathroom Sink — to measure the length and width of the sink, simply use a measuring tape to measure from one end of the sink. A carefully installed sink’s rim will rest firmly and evenly on top of the countertop, with no gaps. — learn how to properly measure a drop. A rim with no gaps. Careful measuring and cutting. How To Measure For Drop In Bathroom Sink.
From 417renovations.com
Undermount or DropIn Sink Bathroom Remodel Springfield MO How To Measure For Drop In Bathroom Sink — the most important bathroom sink dimensions to measure when looking for a new vanity sink are length (right to left), width (front to. A carefully installed sink’s rim will rest firmly and evenly on top of the countertop, with no gaps. — learn how to properly measure a drop. A rim with no gaps. — to. How To Measure For Drop In Bathroom Sink.
From www.americanstandard-us.com
Reliant® Oval DropIn Bathroom Sink, 4 in. Centerset Holes How To Measure For Drop In Bathroom Sink — the most important bathroom sink dimensions to measure when looking for a new vanity sink are length (right to left), width (front to. — by following these detailed instructions, you can confidently measure for a perfect bathroom sink replacement. — learn how to properly measure a drop. Careful measuring and cutting of the hole in your. How To Measure For Drop In Bathroom Sink.
From www.wayfair.com
ECLIFE 20'' White Ceramic Rectangular DropIn Bathroom Sink with Faucet How To Measure For Drop In Bathroom Sink A rim with no gaps. — learn how to properly measure a drop. A carefully installed sink’s rim will rest firmly and evenly on top of the countertop, with no gaps. Careful measuring and cutting of the hole in your countertop are the keys to success when adding a new sink. — by following these detailed instructions, you. How To Measure For Drop In Bathroom Sink.
From bertena.com
Drop In Bathroom Sink Bowls Everything Bathroom How To Measure For Drop In Bathroom Sink — the most important bathroom sink dimensions to measure when looking for a new vanity sink are length (right to left), width (front to. A carefully installed sink’s rim will rest firmly and evenly on top of the countertop, with no gaps. A rim with no gaps. Careful measuring and cutting of the hole in your countertop are the. How To Measure For Drop In Bathroom Sink.
From exohearbu.blob.core.windows.net
Designer Drop In Bathroom Sinks at Carl Coates blog How To Measure For Drop In Bathroom Sink — learn how to properly measure a drop. A carefully installed sink’s rim will rest firmly and evenly on top of the countertop, with no gaps. — to measure the length and width of the sink, simply use a measuring tape to measure from one end of the sink. A rim with no gaps. Careful measuring and cutting. How To Measure For Drop In Bathroom Sink.
From www.wayfair.com
Plumbing N Parts 16.5'' White Ceramic Square Dropin Bathroom Sink with How To Measure For Drop In Bathroom Sink Careful measuring and cutting of the hole in your countertop are the keys to success when adding a new sink. — learn how to properly measure a drop. A carefully installed sink’s rim will rest firmly and evenly on top of the countertop, with no gaps. A rim with no gaps. — to measure the length and width. How To Measure For Drop In Bathroom Sink.
From www.afsupply.com
American Standard 0476.028.020 American Standard 0476.028.020 Aqualyn How To Measure For Drop In Bathroom Sink — by following these detailed instructions, you can confidently measure for a perfect bathroom sink replacement. A carefully installed sink’s rim will rest firmly and evenly on top of the countertop, with no gaps. — learn how to properly measure a drop. A rim with no gaps. — to measure the length and width of the sink,. How To Measure For Drop In Bathroom Sink.
From www.americanstandard-us.com
Reliant® Oval DropIn Bathroom Sink, 4 in. Centerset Holes How To Measure For Drop In Bathroom Sink — the most important bathroom sink dimensions to measure when looking for a new vanity sink are length (right to left), width (front to. — learn how to properly measure a drop. A rim with no gaps. — to measure the length and width of the sink, simply use a measuring tape to measure from one end. How To Measure For Drop In Bathroom Sink.
From www.lowes.com
Superior Sinks White Glazed Ceramic DropIn Rectangular Bathroom Sink How To Measure For Drop In Bathroom Sink — learn how to properly measure a drop. Careful measuring and cutting of the hole in your countertop are the keys to success when adding a new sink. — to measure the length and width of the sink, simply use a measuring tape to measure from one end of the sink. A rim with no gaps. A carefully. How To Measure For Drop In Bathroom Sink.
From www.wayfair.com
American Standard Studio Ceramic Square DropIn Bathroom Sink with How To Measure For Drop In Bathroom Sink — to measure the length and width of the sink, simply use a measuring tape to measure from one end of the sink. Careful measuring and cutting of the hole in your countertop are the keys to success when adding a new sink. — the most important bathroom sink dimensions to measure when looking for a new vanity. How To Measure For Drop In Bathroom Sink.
From amaticanada.com
American Standard 0643001.020 Studio DropIn Sink Amati Canada How To Measure For Drop In Bathroom Sink A carefully installed sink’s rim will rest firmly and evenly on top of the countertop, with no gaps. — by following these detailed instructions, you can confidently measure for a perfect bathroom sink replacement. — learn how to properly measure a drop. A rim with no gaps. — to measure the length and width of the sink,. How To Measure For Drop In Bathroom Sink.
From gripelements.com
Dropin Bathroom Sink GRIP ELEMENTS How To Measure For Drop In Bathroom Sink — learn how to properly measure a drop. — the most important bathroom sink dimensions to measure when looking for a new vanity sink are length (right to left), width (front to. A carefully installed sink’s rim will rest firmly and evenly on top of the countertop, with no gaps. A rim with no gaps. Careful measuring and. How To Measure For Drop In Bathroom Sink.
From www.familyhandyman.com
Homeowner's Guide To DropIn Bathroom Sinks The Family Handyman How To Measure For Drop In Bathroom Sink A carefully installed sink’s rim will rest firmly and evenly on top of the countertop, with no gaps. — to measure the length and width of the sink, simply use a measuring tape to measure from one end of the sink. — learn how to properly measure a drop. — by following these detailed instructions, you can. How To Measure For Drop In Bathroom Sink.
From dynastybath.com
BRISTOL DROP IN BATHROOM SINK Dynasty Bathrooms How To Measure For Drop In Bathroom Sink — the most important bathroom sink dimensions to measure when looking for a new vanity sink are length (right to left), width (front to. A rim with no gaps. — by following these detailed instructions, you can confidently measure for a perfect bathroom sink replacement. Careful measuring and cutting of the hole in your countertop are the keys. How To Measure For Drop In Bathroom Sink.
From nativetrailshome.com
Luxury DropIn Bathroom Sinks Native Trails How To Measure For Drop In Bathroom Sink — learn how to properly measure a drop. — the most important bathroom sink dimensions to measure when looking for a new vanity sink are length (right to left), width (front to. — to measure the length and width of the sink, simply use a measuring tape to measure from one end of the sink. Careful measuring. How To Measure For Drop In Bathroom Sink.
From www.build.ca
0643008.020 American Standard Studio DropIn Bathroom Sink, 8 How To Measure For Drop In Bathroom Sink A rim with no gaps. A carefully installed sink’s rim will rest firmly and evenly on top of the countertop, with no gaps. — the most important bathroom sink dimensions to measure when looking for a new vanity sink are length (right to left), width (front to. — to measure the length and width of the sink, simply. How To Measure For Drop In Bathroom Sink.
From www.youtube.com
Drop In Bathroom Sink Replacement YouTube How To Measure For Drop In Bathroom Sink — to measure the length and width of the sink, simply use a measuring tape to measure from one end of the sink. — learn how to properly measure a drop. A rim with no gaps. — the most important bathroom sink dimensions to measure when looking for a new vanity sink are length (right to left),. How To Measure For Drop In Bathroom Sink.
From www.build.ca
0346803.020 American Standard Colony DropIn Bathroom Sink, 8 How To Measure For Drop In Bathroom Sink — learn how to properly measure a drop. Careful measuring and cutting of the hole in your countertop are the keys to success when adding a new sink. A carefully installed sink’s rim will rest firmly and evenly on top of the countertop, with no gaps. — to measure the length and width of the sink, simply use. How To Measure For Drop In Bathroom Sink.
From www.pinterest.com
American Standard 0329.008 Townsend 24" Fireclay Drop In Bathroom Sink How To Measure For Drop In Bathroom Sink — learn how to properly measure a drop. — to measure the length and width of the sink, simply use a measuring tape to measure from one end of the sink. — the most important bathroom sink dimensions to measure when looking for a new vanity sink are length (right to left), width (front to. A carefully. How To Measure For Drop In Bathroom Sink.
From www.sunrisespecialty.com
Standard Bathroom Sink Sizes & Dimensions Which Suits You Best? How To Measure For Drop In Bathroom Sink — learn how to properly measure a drop. — by following these detailed instructions, you can confidently measure for a perfect bathroom sink replacement. — to measure the length and width of the sink, simply use a measuring tape to measure from one end of the sink. A carefully installed sink’s rim will rest firmly and evenly. How To Measure For Drop In Bathroom Sink.
From housetipster.com
How to Measure For a Bathroom Sink Upgrade House Tipster How To Measure For Drop In Bathroom Sink — to measure the length and width of the sink, simply use a measuring tape to measure from one end of the sink. Careful measuring and cutting of the hole in your countertop are the keys to success when adding a new sink. — by following these detailed instructions, you can confidently measure for a perfect bathroom sink. How To Measure For Drop In Bathroom Sink.
From theclearanceman.com
16.5 x 11in American Standard DropIn Oval Bathroom Sink 0440.444EC How To Measure For Drop In Bathroom Sink — the most important bathroom sink dimensions to measure when looking for a new vanity sink are length (right to left), width (front to. Careful measuring and cutting of the hole in your countertop are the keys to success when adding a new sink. — to measure the length and width of the sink, simply use a measuring. How To Measure For Drop In Bathroom Sink.
From www.artcomcrea.com
Drop In Bathroom Sink Dimensions How To Measure For Drop In Bathroom Sink A carefully installed sink’s rim will rest firmly and evenly on top of the countertop, with no gaps. — to measure the length and width of the sink, simply use a measuring tape to measure from one end of the sink. — the most important bathroom sink dimensions to measure when looking for a new vanity sink are. How To Measure For Drop In Bathroom Sink.