Oil Pump For Lly . My question is what is the easiest way to tackle. Before tearing into your engine, i'd suggest finding the whole wiring harness for the ops and just replace it. Gm duramax oil pump assembly, includes nut. Wagler competition products pinned and shimmed new oil pump assembly for lb7, lly, lbz, and lmm duramax. Pinned to keep the gear from spinning on the shaft;. Keep an eye on your air filter and change it as needed. If you’re in very dusty areas you will likely need to change it sooner. And i know the nuts back off on these lly pumps. So i know this is the oil pump. Genuine gm oem replacement part seal not included (94011609) However, gm went to a lower pressure higher volume oil pump in the lly engine, which raised a lot of concern with new. Change your lly’s engine oil and filter at least once every 6 months and your fuel filters once a year. Dhd's high pressure welded l5p duramax oil pump is an excellent addition to any engine build.
from www.exportersindia.com
However, gm went to a lower pressure higher volume oil pump in the lly engine, which raised a lot of concern with new. Pinned to keep the gear from spinning on the shaft;. Gm duramax oil pump assembly, includes nut. Change your lly’s engine oil and filter at least once every 6 months and your fuel filters once a year. Dhd's high pressure welded l5p duramax oil pump is an excellent addition to any engine build. Keep an eye on your air filter and change it as needed. Genuine gm oem replacement part seal not included (94011609) If you’re in very dusty areas you will likely need to change it sooner. Wagler competition products pinned and shimmed new oil pump assembly for lb7, lly, lbz, and lmm duramax. Before tearing into your engine, i'd suggest finding the whole wiring harness for the ops and just replace it.
Automatic Oil Pumps OIL DROP, Weight 1020kg, 20300kg, INR 25
Oil Pump For Lly Before tearing into your engine, i'd suggest finding the whole wiring harness for the ops and just replace it. Wagler competition products pinned and shimmed new oil pump assembly for lb7, lly, lbz, and lmm duramax. However, gm went to a lower pressure higher volume oil pump in the lly engine, which raised a lot of concern with new. Before tearing into your engine, i'd suggest finding the whole wiring harness for the ops and just replace it. Dhd's high pressure welded l5p duramax oil pump is an excellent addition to any engine build. Pinned to keep the gear from spinning on the shaft;. Gm duramax oil pump assembly, includes nut. Genuine gm oem replacement part seal not included (94011609) If you’re in very dusty areas you will likely need to change it sooner. My question is what is the easiest way to tackle. So i know this is the oil pump. Change your lly’s engine oil and filter at least once every 6 months and your fuel filters once a year. Keep an eye on your air filter and change it as needed. And i know the nuts back off on these lly pumps.
From enginepanofiksyrft.z21.web.core.windows.net
Lly Duramax Fuel Line Diagram Oil Pump For Lly And i know the nuts back off on these lly pumps. Before tearing into your engine, i'd suggest finding the whole wiring harness for the ops and just replace it. So i know this is the oil pump. Gm duramax oil pump assembly, includes nut. My question is what is the easiest way to tackle. Wagler competition products pinned and. Oil Pump For Lly.
From www.infinitycompressorpumps.com
Infinity Compressor Pumps Belliss & Replacement Oil Pumps Oil Pump For Lly Wagler competition products pinned and shimmed new oil pump assembly for lb7, lly, lbz, and lmm duramax. If you’re in very dusty areas you will likely need to change it sooner. Dhd's high pressure welded l5p duramax oil pump is an excellent addition to any engine build. Before tearing into your engine, i'd suggest finding the whole wiring harness for. Oil Pump For Lly.
From www.desertcart.com.kw
Industry Leading 10 Yr Warranty on Macnaught T312 31 Air Operated Oil Oil Pump For Lly If you’re in very dusty areas you will likely need to change it sooner. Pinned to keep the gear from spinning on the shaft;. Before tearing into your engine, i'd suggest finding the whole wiring harness for the ops and just replace it. Genuine gm oem replacement part seal not included (94011609) However, gm went to a lower pressure higher. Oil Pump For Lly.
From dirtyhookerdiesel.com
DHD 98091552K High Pressure Duramax Pinned Oil Pump Asm. 20012010 LB7 Oil Pump For Lly Gm duramax oil pump assembly, includes nut. However, gm went to a lower pressure higher volume oil pump in the lly engine, which raised a lot of concern with new. Keep an eye on your air filter and change it as needed. Pinned to keep the gear from spinning on the shaft;. Change your lly’s engine oil and filter at. Oil Pump For Lly.
From samoapumps.co.uk
PM2 31 Oil Pumps 35 LPM Pneumatic Industrial Lubrication Pumps Oil Pump For Lly If you’re in very dusty areas you will likely need to change it sooner. However, gm went to a lower pressure higher volume oil pump in the lly engine, which raised a lot of concern with new. Genuine gm oem replacement part seal not included (94011609) Pinned to keep the gear from spinning on the shaft;. Keep an eye on. Oil Pump For Lly.
From thefluidpowercatalogue.com
PNEUMATIC OIL PUMP 31 480MM TUBE The Fluid Power Catalogue Oil Pump For Lly However, gm went to a lower pressure higher volume oil pump in the lly engine, which raised a lot of concern with new. Change your lly’s engine oil and filter at least once every 6 months and your fuel filters once a year. If you’re in very dusty areas you will likely need to change it sooner. Before tearing into. Oil Pump For Lly.
From dtisparts.com
LLY 0 986 437 308 CP3 REMANUFACTURED BY BOSCH DIESEL INJECTION PUMP Oil Pump For Lly If you’re in very dusty areas you will likely need to change it sooner. Gm duramax oil pump assembly, includes nut. And i know the nuts back off on these lly pumps. Pinned to keep the gear from spinning on the shaft;. However, gm went to a lower pressure higher volume oil pump in the lly engine, which raised a. Oil Pump For Lly.
From www.remanautoelectronics.com
GM 6.6L LLY Duramax Common Rail Pump (2004.52005) Oil Pump For Lly Wagler competition products pinned and shimmed new oil pump assembly for lb7, lly, lbz, and lmm duramax. Pinned to keep the gear from spinning on the shaft;. And i know the nuts back off on these lly pumps. Genuine gm oem replacement part seal not included (94011609) Gm duramax oil pump assembly, includes nut. Before tearing into your engine, i'd. Oil Pump For Lly.
From waglercompetition.com
Wagler Duramax Pinned Oil Pump (LB7, LLY, LBZ, LMM) Wagler Oil Pump For Lly So i know this is the oil pump. Gm duramax oil pump assembly, includes nut. Wagler competition products pinned and shimmed new oil pump assembly for lb7, lly, lbz, and lmm duramax. Genuine gm oem replacement part seal not included (94011609) Pinned to keep the gear from spinning on the shaft;. My question is what is the easiest way to. Oil Pump For Lly.
From www.alibaba.com
Lly Ink Glue Double Pneumatic Diagram Cast Iron Pump For Flexo Printer Oil Pump For Lly Wagler competition products pinned and shimmed new oil pump assembly for lb7, lly, lbz, and lmm duramax. Pinned to keep the gear from spinning on the shaft;. So i know this is the oil pump. Change your lly’s engine oil and filter at least once every 6 months and your fuel filters once a year. If you’re in very dusty. Oil Pump For Lly.
From www.amazon.com
MAKERELE 12V 60W Oil Change Pump Extractor,Electric Oil Oil Pump For Lly Gm duramax oil pump assembly, includes nut. So i know this is the oil pump. Pinned to keep the gear from spinning on the shaft;. Genuine gm oem replacement part seal not included (94011609) My question is what is the easiest way to tackle. Keep an eye on your air filter and change it as needed. If you’re in very. Oil Pump For Lly.
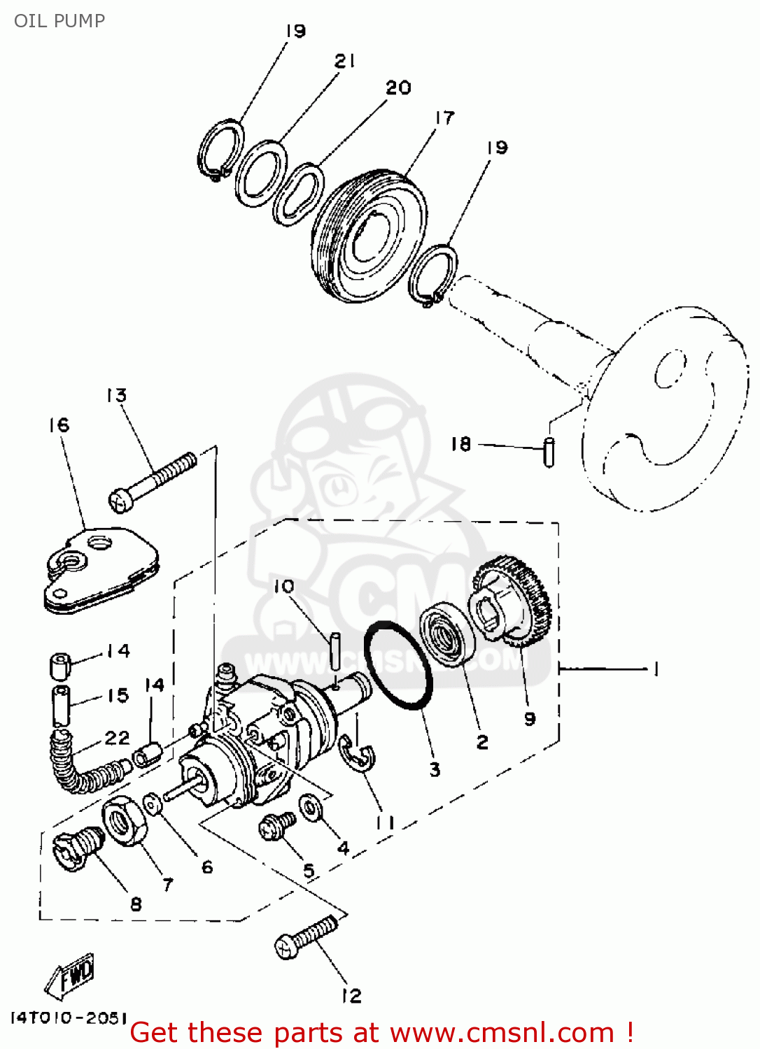
From www.cmsnl.com
21V1330000 Oil Pump Assy Yamaha buy the 21V1330000 at CMSNL Oil Pump For Lly Wagler competition products pinned and shimmed new oil pump assembly for lb7, lly, lbz, and lmm duramax. Before tearing into your engine, i'd suggest finding the whole wiring harness for the ops and just replace it. If you’re in very dusty areas you will likely need to change it sooner. Genuine gm oem replacement part seal not included (94011609) Keep. Oil Pump For Lly.
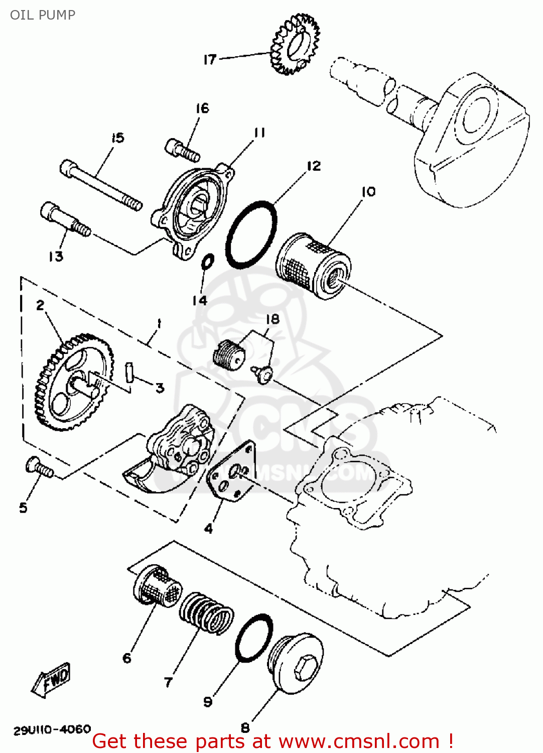
From www.cmsnl.com
5G61310100 Oil Pump Assy Yamaha buy the 5G6131010000 at CMSNL Oil Pump For Lly Genuine gm oem replacement part seal not included (94011609) And i know the nuts back off on these lly pumps. However, gm went to a lower pressure higher volume oil pump in the lly engine, which raised a lot of concern with new. Gm duramax oil pump assembly, includes nut. So i know this is the oil pump. Before tearing. Oil Pump For Lly.
From www.dreamstime.com
Two Oil Pumps during Operation. Operation and Maintenance of Oil Wells Oil Pump For Lly If you’re in very dusty areas you will likely need to change it sooner. So i know this is the oil pump. My question is what is the easiest way to tackle. Gm duramax oil pump assembly, includes nut. Dhd's high pressure welded l5p duramax oil pump is an excellent addition to any engine build. Keep an eye on your. Oil Pump For Lly.
From www.tgpindia.com
Oil Pump TGP India Oil Pump For Lly Genuine gm oem replacement part seal not included (94011609) However, gm went to a lower pressure higher volume oil pump in the lly engine, which raised a lot of concern with new. And i know the nuts back off on these lly pumps. Keep an eye on your air filter and change it as needed. Wagler competition products pinned and. Oil Pump For Lly.
From www.alibaba.com
Lly High Viscosity Diagram Pump Industrial Ink Liquid Transfer Double Oil Pump For Lly Dhd's high pressure welded l5p duramax oil pump is an excellent addition to any engine build. However, gm went to a lower pressure higher volume oil pump in the lly engine, which raised a lot of concern with new. If you’re in very dusty areas you will likely need to change it sooner. Before tearing into your engine, i'd suggest. Oil Pump For Lly.
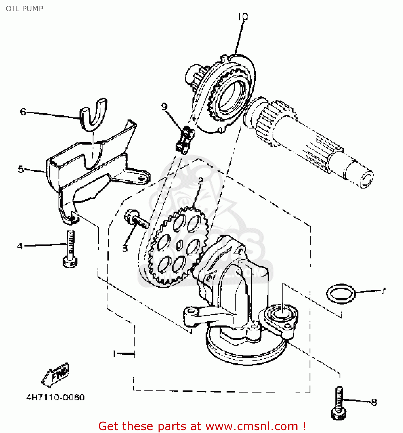
From www.cmsnl.com
5G21330000 Oil Pump Assy Yamaha buy the 5G21330000 at CMSNL Oil Pump For Lly And i know the nuts back off on these lly pumps. Genuine gm oem replacement part seal not included (94011609) Change your lly’s engine oil and filter at least once every 6 months and your fuel filters once a year. Wagler competition products pinned and shimmed new oil pump assembly for lb7, lly, lbz, and lmm duramax. Pinned to keep. Oil Pump For Lly.
From www.cmsnl.com
15100MJ1000 Oil Pump Assy. Honda buy the 15100MJ1000 at CMSNL Oil Pump For Lly Change your lly’s engine oil and filter at least once every 6 months and your fuel filters once a year. Genuine gm oem replacement part seal not included (94011609) Pinned to keep the gear from spinning on the shaft;. Before tearing into your engine, i'd suggest finding the whole wiring harness for the ops and just replace it. Dhd's high. Oil Pump For Lly.
From shopee.ph
32 Aluminium Diesel Pump Hand Rotary Oil Pump Diesel Fuel Oil Gas Oil Pump For Lly Dhd's high pressure welded l5p duramax oil pump is an excellent addition to any engine build. Pinned to keep the gear from spinning on the shaft;. Gm duramax oil pump assembly, includes nut. And i know the nuts back off on these lly pumps. My question is what is the easiest way to tackle. Genuine gm oem replacement part seal. Oil Pump For Lly.
From dir.indiamart.com
Pumpset Oil in Agra, पंपसेट ऑयल, आगरा, Uttar Pradesh Pumpset Oil Oil Pump For Lly Wagler competition products pinned and shimmed new oil pump assembly for lb7, lly, lbz, and lmm duramax. So i know this is the oil pump. And i know the nuts back off on these lly pumps. Before tearing into your engine, i'd suggest finding the whole wiring harness for the ops and just replace it. Pinned to keep the gear. Oil Pump For Lly.
From kbdieselperformance.com
Welded ACDelco Water Pump W/ Housing 6.6l Duramax LB7 LLY 20012005 Oil Pump For Lly Pinned to keep the gear from spinning on the shaft;. Wagler competition products pinned and shimmed new oil pump assembly for lb7, lly, lbz, and lmm duramax. Gm duramax oil pump assembly, includes nut. Keep an eye on your air filter and change it as needed. My question is what is the easiest way to tackle. So i know this. Oil Pump For Lly.
From www.cmsnl.com
5VLE330000 Oil Pump Assy Yamaha buy the 5VLE330000 at CMSNL Oil Pump For Lly Wagler competition products pinned and shimmed new oil pump assembly for lb7, lly, lbz, and lmm duramax. Keep an eye on your air filter and change it as needed. So i know this is the oil pump. Change your lly’s engine oil and filter at least once every 6 months and your fuel filters once a year. And i know. Oil Pump For Lly.
From guidedehartsculptures.z21.web.core.windows.net
Lly Duramax Oil Type Oil Pump For Lly So i know this is the oil pump. However, gm went to a lower pressure higher volume oil pump in the lly engine, which raised a lot of concern with new. Wagler competition products pinned and shimmed new oil pump assembly for lb7, lly, lbz, and lmm duramax. Before tearing into your engine, i'd suggest finding the whole wiring harness. Oil Pump For Lly.
From shopee.co.id
Jual Brake Oil Pump Fluid Bleeder Alat Kuras Minyak Rem Bleeding Mobil Oil Pump For Lly Dhd's high pressure welded l5p duramax oil pump is an excellent addition to any engine build. However, gm went to a lower pressure higher volume oil pump in the lly engine, which raised a lot of concern with new. Gm duramax oil pump assembly, includes nut. Genuine gm oem replacement part seal not included (94011609) Pinned to keep the gear. Oil Pump For Lly.
From www.samoaflow.co.uk
PM35 51 Oil Pumps Pneumatic Industrial Lubrication Pumps Samoa Oil Pump For Lly Genuine gm oem replacement part seal not included (94011609) Wagler competition products pinned and shimmed new oil pump assembly for lb7, lly, lbz, and lmm duramax. Gm duramax oil pump assembly, includes nut. And i know the nuts back off on these lly pumps. Before tearing into your engine, i'd suggest finding the whole wiring harness for the ops and. Oil Pump For Lly.
From www.alibaba.com
Lly Chemical Liquid Co2 Oil Lotion Cream Soap Petrol Acid Sewage Drain Oil Pump For Lly Wagler competition products pinned and shimmed new oil pump assembly for lb7, lly, lbz, and lmm duramax. My question is what is the easiest way to tackle. And i know the nuts back off on these lly pumps. So i know this is the oil pump. If you’re in very dusty areas you will likely need to change it sooner.. Oil Pump For Lly.
From shopee.com.my
KGT 200cc Manual Oil Fluid Transfer Pump ID34613 Shopee Malaysia Oil Pump For Lly However, gm went to a lower pressure higher volume oil pump in the lly engine, which raised a lot of concern with new. My question is what is the easiest way to tackle. Before tearing into your engine, i'd suggest finding the whole wiring harness for the ops and just replace it. Keep an eye on your air filter and. Oil Pump For Lly.
From www.indiamart.com
Thermic Fluid Hot Oil Pump, For Industrial at Rs 10000 in Ahmedabad Oil Pump For Lly Pinned to keep the gear from spinning on the shaft;. However, gm went to a lower pressure higher volume oil pump in the lly engine, which raised a lot of concern with new. Change your lly’s engine oil and filter at least once every 6 months and your fuel filters once a year. Gm duramax oil pump assembly, includes nut.. Oil Pump For Lly.
From shandongkuangan.en.made-in-china.com
Spilled Oil Collecting and Transferring Equipment Pneumatic Powered Oil Pump For Lly And i know the nuts back off on these lly pumps. If you’re in very dusty areas you will likely need to change it sooner. So i know this is the oil pump. My question is what is the easiest way to tackle. Change your lly’s engine oil and filter at least once every 6 months and your fuel filters. Oil Pump For Lly.
From www.cmsnl.com
1GU1310100 Oil Pump Assy Yamaha buy the 1GU131010000 at CMSNL Oil Pump For Lly Genuine gm oem replacement part seal not included (94011609) My question is what is the easiest way to tackle. Pinned to keep the gear from spinning on the shaft;. Dhd's high pressure welded l5p duramax oil pump is an excellent addition to any engine build. And i know the nuts back off on these lly pumps. Before tearing into your. Oil Pump For Lly.
From www.exportersindia.com
Automatic Oil Pumps OIL DROP, Weight 1020kg, 20300kg, INR 25 Oil Pump For Lly Keep an eye on your air filter and change it as needed. So i know this is the oil pump. Before tearing into your engine, i'd suggest finding the whole wiring harness for the ops and just replace it. And i know the nuts back off on these lly pumps. Dhd's high pressure welded l5p duramax oil pump is an. Oil Pump For Lly.
From www.cmsnl.com
8281310100 Oil Pump Asy Yamaha buy the 8281310100 at CMSNL Oil Pump For Lly Genuine gm oem replacement part seal not included (94011609) Wagler competition products pinned and shimmed new oil pump assembly for lb7, lly, lbz, and lmm duramax. Dhd's high pressure welded l5p duramax oil pump is an excellent addition to any engine build. Before tearing into your engine, i'd suggest finding the whole wiring harness for the ops and just replace. Oil Pump For Lly.
From www.cmsnl.com
24920442A Oil Pump Assy Ducati buy the 24920442A at CMSNL Oil Pump For Lly Gm duramax oil pump assembly, includes nut. Keep an eye on your air filter and change it as needed. Before tearing into your engine, i'd suggest finding the whole wiring harness for the ops and just replace it. However, gm went to a lower pressure higher volume oil pump in the lly engine, which raised a lot of concern with. Oil Pump For Lly.
From www.cmsnl.com
4WM1310000 Oil Pump Assy Yamaha buy the 4WM131000000 at CMSNL Oil Pump For Lly My question is what is the easiest way to tackle. Wagler competition products pinned and shimmed new oil pump assembly for lb7, lly, lbz, and lmm duramax. Change your lly’s engine oil and filter at least once every 6 months and your fuel filters once a year. Gm duramax oil pump assembly, includes nut. Before tearing into your engine, i'd. Oil Pump For Lly.
From www.cmsnl.com
5PX1310000 Oil Pump Assy Yamaha buy the 5PX1310000 at CMSNL Oil Pump For Lly So i know this is the oil pump. Keep an eye on your air filter and change it as needed. Change your lly’s engine oil and filter at least once every 6 months and your fuel filters once a year. And i know the nuts back off on these lly pumps. However, gm went to a lower pressure higher volume. Oil Pump For Lly.