V-Belt Pulley Pitch Diameter . how to calculate datum length. Small sheave pitch diameter (inches) l : Next, measure the pitch diameter (pd). Belt pitch length (inches) arc of contact q=. First, measure the outside diameter (od) of the pulley. Belt length is based on two factors: How you can use this, though, is a. in today’s digital age, online v belt size calculators have become increasingly popular. Large sheave pitch diameter (inches) d :
from einvoice.fpt.com.vn
in today’s digital age, online v belt size calculators have become increasingly popular. Large sheave pitch diameter (inches) d : Belt pitch length (inches) arc of contact q=. First, measure the outside diameter (od) of the pulley. Small sheave pitch diameter (inches) l : How you can use this, though, is a. Belt length is based on two factors: how to calculate datum length. Next, measure the pitch diameter (pd).
Variable Pitch Sheaves Adjustable Speed VBelt Pulleys, 50 OFF
V-Belt Pulley Pitch Diameter Belt length is based on two factors: how to calculate datum length. First, measure the outside diameter (od) of the pulley. Belt length is based on two factors: Belt pitch length (inches) arc of contact q=. Next, measure the pitch diameter (pd). Large sheave pitch diameter (inches) d : Small sheave pitch diameter (inches) l : How you can use this, though, is a. in today’s digital age, online v belt size calculators have become increasingly popular.
From www.google.com
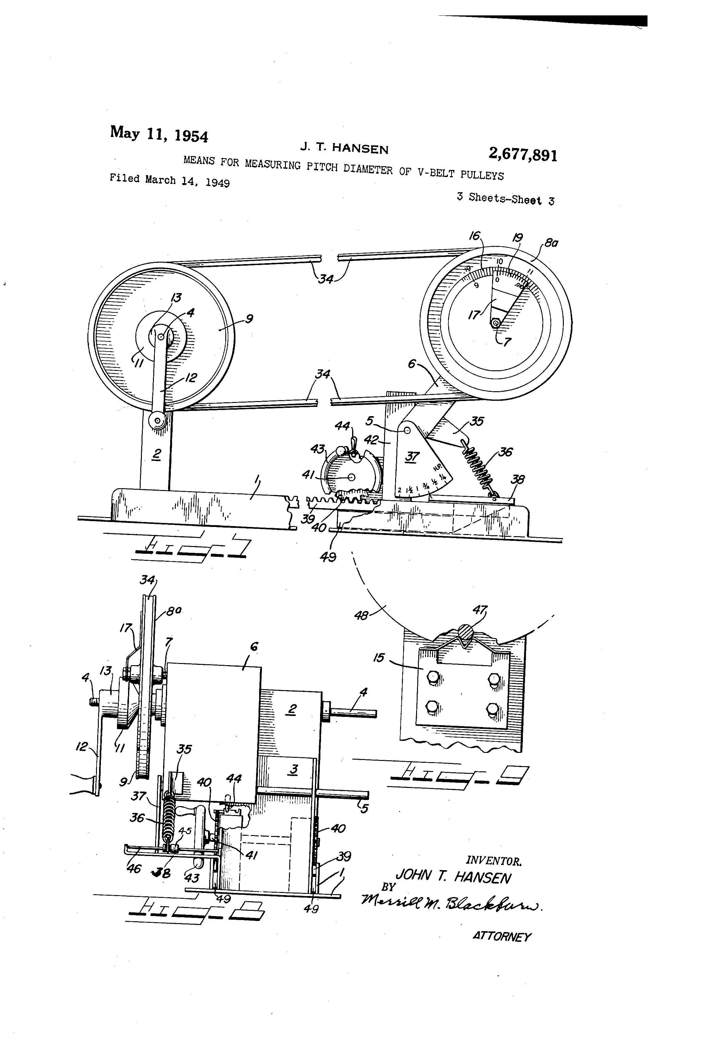
Patent US2677891 Means for measuring pitch diameter of vbelt pulleys V-Belt Pulley Pitch Diameter Small sheave pitch diameter (inches) l : Large sheave pitch diameter (inches) d : Belt pitch length (inches) arc of contact q=. How you can use this, though, is a. in today’s digital age, online v belt size calculators have become increasingly popular. Next, measure the pitch diameter (pd). how to calculate datum length. First, measure the outside. V-Belt Pulley Pitch Diameter.
From www.usarollerchain.com
How To Measure a VBelt Pulley & Identify Its Size & Part Number V-Belt Pulley Pitch Diameter Next, measure the pitch diameter (pd). How you can use this, though, is a. Large sheave pitch diameter (inches) d : Belt length is based on two factors: in today’s digital age, online v belt size calculators have become increasingly popular. Small sheave pitch diameter (inches) l : First, measure the outside diameter (od) of the pulley. Belt pitch. V-Belt Pulley Pitch Diameter.
From cast-iron-parts.en.made-in-china.com
Spz160032012 V Belt Pulley Cast Iron 160mm Pitch Diameter with 2012 V-Belt Pulley Pitch Diameter Belt length is based on two factors: Small sheave pitch diameter (inches) l : Belt pitch length (inches) arc of contact q=. Large sheave pitch diameter (inches) d : First, measure the outside diameter (od) of the pulley. Next, measure the pitch diameter (pd). how to calculate datum length. in today’s digital age, online v belt size calculators. V-Belt Pulley Pitch Diameter.
From unimaterna.com.br
2 Groove SPB/17 Dynamically Balanced Cast Iron VBelt Pulley/Sheave,for V-Belt Pulley Pitch Diameter Belt pitch length (inches) arc of contact q=. First, measure the outside diameter (od) of the pulley. Small sheave pitch diameter (inches) l : Next, measure the pitch diameter (pd). in today’s digital age, online v belt size calculators have become increasingly popular. How you can use this, though, is a. Belt length is based on two factors: Large. V-Belt Pulley Pitch Diameter.
From studymagicjill.z21.web.core.windows.net
Vbelt Sizes Chart In Mm V-Belt Pulley Pitch Diameter First, measure the outside diameter (od) of the pulley. Large sheave pitch diameter (inches) d : Small sheave pitch diameter (inches) l : how to calculate datum length. Belt length is based on two factors: How you can use this, though, is a. Belt pitch length (inches) arc of contact q=. Next, measure the pitch diameter (pd). in. V-Belt Pulley Pitch Diameter.
From sofadesignss.blogspot.com
[12+] Cast Iron V Belt Pulley Sofa Design V-Belt Pulley Pitch Diameter How you can use this, though, is a. how to calculate datum length. Belt length is based on two factors: Large sheave pitch diameter (inches) d : in today’s digital age, online v belt size calculators have become increasingly popular. First, measure the outside diameter (od) of the pulley. Small sheave pitch diameter (inches) l : Belt pitch. V-Belt Pulley Pitch Diameter.
From www.it-tech-uk.com
J Section 2.34mm Poly V Belt Drive Pulley ITTECH V-Belt Pulley Pitch Diameter Belt pitch length (inches) arc of contact q=. Small sheave pitch diameter (inches) l : How you can use this, though, is a. Belt length is based on two factors: Large sheave pitch diameter (inches) d : First, measure the outside diameter (od) of the pulley. Next, measure the pitch diameter (pd). how to calculate datum length. in. V-Belt Pulley Pitch Diameter.
From www.pfeiferindustries.com
Timing Belt Pulley Diameter Charts Pfeifer Industries V-Belt Pulley Pitch Diameter Belt pitch length (inches) arc of contact q=. Belt length is based on two factors: How you can use this, though, is a. Small sheave pitch diameter (inches) l : how to calculate datum length. Next, measure the pitch diameter (pd). in today’s digital age, online v belt size calculators have become increasingly popular. First, measure the outside. V-Belt Pulley Pitch Diameter.
From einvoice.fpt.com.vn
Variable Pitch Sheaves Adjustable Speed VBelt Pulleys, 50 OFF V-Belt Pulley Pitch Diameter Small sheave pitch diameter (inches) l : Belt pitch length (inches) arc of contact q=. First, measure the outside diameter (od) of the pulley. Next, measure the pitch diameter (pd). Large sheave pitch diameter (inches) d : how to calculate datum length. in today’s digital age, online v belt size calculators have become increasingly popular. Belt length is. V-Belt Pulley Pitch Diameter.
From www.bearing-king.co.uk
SPB1003 100mm Pitch Diameter 3 Groove Tapered Bush V Pulley SPB, B and V-Belt Pulley Pitch Diameter Small sheave pitch diameter (inches) l : Next, measure the pitch diameter (pd). Belt length is based on two factors: First, measure the outside diameter (od) of the pulley. in today’s digital age, online v belt size calculators have become increasingly popular. how to calculate datum length. Large sheave pitch diameter (inches) d : How you can use. V-Belt Pulley Pitch Diameter.
From einvoice.fpt.com.vn
Variable Pitch Sheaves Adjustable Speed VBelt Pulleys, 50 OFF V-Belt Pulley Pitch Diameter Small sheave pitch diameter (inches) l : Next, measure the pitch diameter (pd). Belt length is based on two factors: How you can use this, though, is a. in today’s digital age, online v belt size calculators have become increasingly popular. Belt pitch length (inches) arc of contact q=. Large sheave pitch diameter (inches) d : how to. V-Belt Pulley Pitch Diameter.
From www.pinterest.ca
Belt Length Calculator Distance Between Pulleys Calculator Pulley V-Belt Pulley Pitch Diameter Belt length is based on two factors: Belt pitch length (inches) arc of contact q=. Large sheave pitch diameter (inches) d : First, measure the outside diameter (od) of the pulley. Next, measure the pitch diameter (pd). How you can use this, though, is a. in today’s digital age, online v belt size calculators have become increasingly popular. . V-Belt Pulley Pitch Diameter.
From terre-products.com
Diagrams and Definitions of Pulleys V-Belt Pulley Pitch Diameter Belt pitch length (inches) arc of contact q=. Next, measure the pitch diameter (pd). How you can use this, though, is a. Belt length is based on two factors: Large sheave pitch diameter (inches) d : First, measure the outside diameter (od) of the pulley. Small sheave pitch diameter (inches) l : in today’s digital age, online v belt. V-Belt Pulley Pitch Diameter.
From simplybearings.co.uk
V Belt Pulleys C and SPC Section Belt Pulleys V-Belt Pulley Pitch Diameter Large sheave pitch diameter (inches) d : How you can use this, though, is a. Small sheave pitch diameter (inches) l : in today’s digital age, online v belt size calculators have become increasingly popular. how to calculate datum length. Next, measure the pitch diameter (pd). First, measure the outside diameter (od) of the pulley. Belt pitch length. V-Belt Pulley Pitch Diameter.
From ebay.com
Browning Variable Pitch VBelt Pulley 4.75" 3/4" Bore 1VP503/4 V-Belt Pulley Pitch Diameter Next, measure the pitch diameter (pd). First, measure the outside diameter (od) of the pulley. in today’s digital age, online v belt size calculators have become increasingly popular. Large sheave pitch diameter (inches) d : Belt length is based on two factors: Small sheave pitch diameter (inches) l : how to calculate datum length. How you can use. V-Belt Pulley Pitch Diameter.
From unimaterna.com.br
VBelt Pulleys & Sheaves SPC 250X2CI Ametric Metric Cast Iron V Belt V-Belt Pulley Pitch Diameter Small sheave pitch diameter (inches) l : in today’s digital age, online v belt size calculators have become increasingly popular. Next, measure the pitch diameter (pd). Belt pitch length (inches) arc of contact q=. how to calculate datum length. Belt length is based on two factors: How you can use this, though, is a. Large sheave pitch diameter. V-Belt Pulley Pitch Diameter.
From advancedathletesperformance.com.au
Industrial & Scientific 118 mm Pitch Diameter, SPA 118X1CI Ametric V-Belt Pulley Pitch Diameter Next, measure the pitch diameter (pd). Belt length is based on two factors: First, measure the outside diameter (od) of the pulley. how to calculate datum length. in today’s digital age, online v belt size calculators have become increasingly popular. Belt pitch length (inches) arc of contact q=. How you can use this, though, is a. Large sheave. V-Belt Pulley Pitch Diameter.
From www.grainger.com
ESSICK AIR PRODUCTS Variable Pitch VBelt Pulley 1 Grooves, 4 in V-Belt Pulley Pitch Diameter Small sheave pitch diameter (inches) l : in today’s digital age, online v belt size calculators have become increasingly popular. Belt pitch length (inches) arc of contact q=. Next, measure the pitch diameter (pd). First, measure the outside diameter (od) of the pulley. Belt length is based on two factors: Large sheave pitch diameter (inches) d : how. V-Belt Pulley Pitch Diameter.
From www.grainger.com
TB WOOD'S 1 1/8 in Fixed Bore Variable Pitch VBelt Pulley, For VBelt V-Belt Pulley Pitch Diameter First, measure the outside diameter (od) of the pulley. Large sheave pitch diameter (inches) d : Belt pitch length (inches) arc of contact q=. how to calculate datum length. in today’s digital age, online v belt size calculators have become increasingly popular. How you can use this, though, is a. Small sheave pitch diameter (inches) l : Belt. V-Belt Pulley Pitch Diameter.
From advancedathletesperformance.com.au
Pulleys & Sheaves 1 Groove SPZ 105X1 Ametric Metric Aluminum V Belt V-Belt Pulley Pitch Diameter how to calculate datum length. in today’s digital age, online v belt size calculators have become increasingly popular. Belt length is based on two factors: Belt pitch length (inches) arc of contact q=. First, measure the outside diameter (od) of the pulley. Small sheave pitch diameter (inches) l : Next, measure the pitch diameter (pd). How you can. V-Belt Pulley Pitch Diameter.
From www.aliexpress.com
CPT Cast Iron SPB 1 groove v belt pulley sheave, 407mm outside diameter V-Belt Pulley Pitch Diameter Belt pitch length (inches) arc of contact q=. Large sheave pitch diameter (inches) d : how to calculate datum length. Small sheave pitch diameter (inches) l : Next, measure the pitch diameter (pd). in today’s digital age, online v belt size calculators have become increasingly popular. How you can use this, though, is a. First, measure the outside. V-Belt Pulley Pitch Diameter.
From unimaterna.com.br
for SPZ Profile VBelt Mfg Code 1033 2 Groove 140 mm Pitch Diameter V-Belt Pulley Pitch Diameter Belt length is based on two factors: Large sheave pitch diameter (inches) d : Next, measure the pitch diameter (pd). in today’s digital age, online v belt size calculators have become increasingly popular. First, measure the outside diameter (od) of the pulley. Small sheave pitch diameter (inches) l : Belt pitch length (inches) arc of contact q=. How you. V-Belt Pulley Pitch Diameter.
From exodrkjpk.blob.core.windows.net
A Section V Belt Pulley Dimensions at John Starnes blog V-Belt Pulley Pitch Diameter Small sheave pitch diameter (inches) l : Belt pitch length (inches) arc of contact q=. Large sheave pitch diameter (inches) d : how to calculate datum length. How you can use this, though, is a. Belt length is based on two factors: in today’s digital age, online v belt size calculators have become increasingly popular. Next, measure the. V-Belt Pulley Pitch Diameter.
From www.wcducomb.com
W.C. Co., Inc. How to Identify a Vbelt V-Belt Pulley Pitch Diameter First, measure the outside diameter (od) of the pulley. Next, measure the pitch diameter (pd). Belt pitch length (inches) arc of contact q=. Small sheave pitch diameter (inches) l : Belt length is based on two factors: Large sheave pitch diameter (inches) d : in today’s digital age, online v belt size calculators have become increasingly popular. How you. V-Belt Pulley Pitch Diameter.
From gatesbeltsandapplications.blogspot.com
Gates Belts, Hoses, and Applications What is Datum Diameter? V-Belt Pulley Pitch Diameter Large sheave pitch diameter (inches) d : Next, measure the pitch diameter (pd). Belt pitch length (inches) arc of contact q=. First, measure the outside diameter (od) of the pulley. how to calculate datum length. Small sheave pitch diameter (inches) l : in today’s digital age, online v belt size calculators have become increasingly popular. Belt length is. V-Belt Pulley Pitch Diameter.
From sprainbrookmanor.com
Pulleys & Sheaves SPZ 120X2 Ametric Metric Aluminum V Belt Pulley Mfg V-Belt Pulley Pitch Diameter Large sheave pitch diameter (inches) d : Next, measure the pitch diameter (pd). in today’s digital age, online v belt size calculators have become increasingly popular. How you can use this, though, is a. how to calculate datum length. Belt length is based on two factors: Belt pitch length (inches) arc of contact q=. Small sheave pitch diameter. V-Belt Pulley Pitch Diameter.
From www.powertrans-tech.com
Adjustable Pitch VBelt Pulleys China Manufacturer supplier V-Belt Pulley Pitch Diameter how to calculate datum length. Small sheave pitch diameter (inches) l : First, measure the outside diameter (od) of the pulley. in today’s digital age, online v belt size calculators have become increasingly popular. Belt length is based on two factors: Next, measure the pitch diameter (pd). Large sheave pitch diameter (inches) d : Belt pitch length (inches). V-Belt Pulley Pitch Diameter.
From www.youtube.com
HOW TO CHECK PITCH CIRCLE DIAMETER OF TIMING PULLEY pcd mechanical V-Belt Pulley Pitch Diameter Belt pitch length (inches) arc of contact q=. First, measure the outside diameter (od) of the pulley. How you can use this, though, is a. in today’s digital age, online v belt size calculators have become increasingly popular. Large sheave pitch diameter (inches) d : Belt length is based on two factors: Next, measure the pitch diameter (pd). Small. V-Belt Pulley Pitch Diameter.
From www.bearing-king.co.uk
SPA0851 85mm Pitch Diameter 1 Groove Tapered Bush V Pulley SPA, A and V-Belt Pulley Pitch Diameter Belt length is based on two factors: Belt pitch length (inches) arc of contact q=. Small sheave pitch diameter (inches) l : Large sheave pitch diameter (inches) d : First, measure the outside diameter (od) of the pulley. How you can use this, though, is a. in today’s digital age, online v belt size calculators have become increasingly popular.. V-Belt Pulley Pitch Diameter.
From www.aliexpress.com
CPT Cast Iron SPA v belt sheave pulley, 1 Groove, 150.5 outside V-Belt Pulley Pitch Diameter Belt pitch length (inches) arc of contact q=. Small sheave pitch diameter (inches) l : How you can use this, though, is a. Belt length is based on two factors: how to calculate datum length. in today’s digital age, online v belt size calculators have become increasingly popular. Large sheave pitch diameter (inches) d : Next, measure the. V-Belt Pulley Pitch Diameter.
From www.grainger.com
TB WOOD'S 1 3/8 in Fixed Bore Variable Pitch VBelt Pulley, 5UHY7 V-Belt Pulley Pitch Diameter First, measure the outside diameter (od) of the pulley. Belt pitch length (inches) arc of contact q=. in today’s digital age, online v belt size calculators have become increasingly popular. Small sheave pitch diameter (inches) l : Large sheave pitch diameter (inches) d : how to calculate datum length. Belt length is based on two factors: How you. V-Belt Pulley Pitch Diameter.
From www.linearmotiontips.com
How to specify pulleys for synchronous belt drive systems V-Belt Pulley Pitch Diameter How you can use this, though, is a. Next, measure the pitch diameter (pd). Large sheave pitch diameter (inches) d : in today’s digital age, online v belt size calculators have become increasingly popular. how to calculate datum length. Small sheave pitch diameter (inches) l : Belt length is based on two factors: Belt pitch length (inches) arc. V-Belt Pulley Pitch Diameter.
From advancedathletesperformance.com.au
Pulleys & Sheaves 1 Groove SPZ 105X1 Ametric Metric Aluminum V Belt V-Belt Pulley Pitch Diameter Belt pitch length (inches) arc of contact q=. How you can use this, though, is a. Small sheave pitch diameter (inches) l : Next, measure the pitch diameter (pd). Large sheave pitch diameter (inches) d : Belt length is based on two factors: in today’s digital age, online v belt size calculators have become increasingly popular. how to. V-Belt Pulley Pitch Diameter.
From dxopordba.blob.core.windows.net
Dimensions Of V Belt Pulley at Bruce Allen blog V-Belt Pulley Pitch Diameter Belt length is based on two factors: in today’s digital age, online v belt size calculators have become increasingly popular. Belt pitch length (inches) arc of contact q=. how to calculate datum length. Small sheave pitch diameter (inches) l : How you can use this, though, is a. Large sheave pitch diameter (inches) d : Next, measure the. V-Belt Pulley Pitch Diameter.