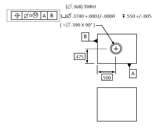
Dowel Pin Symbol In Drawing . In the draft, you can hide edges and replace them with a block of the dowel symbol. You can add dowel pin symbols to holes (circular edges, sketched circles, or arcs) in drawings. The symbol conforms to the size of the selected hole. To automatically insert dowel pin symbols into a drawing, pull down the insert menu and pick annotations > dowel pin symbol. What is the countersink symbol? The symbol conforms to the size of the selected hole. Under auto insert , select for all dowel. In a new drawing, insert a detail sheet and draw what ever you want there. Here's how the removed edges replaced by a dowel pin symbol. You can use so many detail sheets you want and draw. Different marks identify different holes; You disassemble a machine with a 3/4 inch pullbar and then find the stack assembled with dowel pins the size of tiny needle bearing. The symbol for a countersink is ‘⌵’. Countersunk holes are shown on drawings as follows. Not necessarily different diameter, but possibly.
from blog.fea-tc.com
In the draft, you can hide edges and replace them with a block of the dowel symbol. To automatically insert dowel pin symbols into a drawing, pull down the insert menu and pick annotations > dowel pin symbol. You can add dowel pin symbols to holes (circular edges, sketched circles, or arcs) in drawings. In a new drawing, insert a detail sheet and draw what ever you want there. Different marks identify different holes; The symbol conforms to the size of the selected hole. The symbol for a countersink is ‘⌵’. Under auto insert , select for all dowel. You can use so many detail sheets you want and draw. Not necessarily different diameter, but possibly.
SOLIDWORKS Technical Tips, SOLIDWORKS VIDEOS, SOLIDWORKS PROMOTIONSOLIDWORKS Reseller Dowel
Dowel Pin Symbol In Drawing In the draft, you can hide edges and replace them with a block of the dowel symbol. The symbol conforms to the size of the selected hole. The symbol conforms to the size of the selected hole. The symbol for a countersink is ‘⌵’. You disassemble a machine with a 3/4 inch pullbar and then find the stack assembled with dowel pins the size of tiny needle bearing. You can add dowel pin symbols to holes (circular edges, sketched circles, or arcs) in drawings. What is the countersink symbol? How are countersinks shown on drawings? To automatically insert dowel pin symbols into a drawing, pull down the insert menu and pick annotations > dowel pin symbol. You can add dowel pin symbols to holes (circular edges, sketched circles, or arcs) in drawings. Not necessarily different diameter, but possibly. In a new drawing, insert a detail sheet and draw what ever you want there. Countersunk holes are shown on drawings as follows. In the draft, you can hide edges and replace them with a block of the dowel symbol. Under auto insert , select for all dowel. You can use so many detail sheets you want and draw.
From cartoondealer.com
Screw And Dowel Icon. Repair And Build Gray Flat Symbols. Vector Illustration CartoonDealer Dowel Pin Symbol In Drawing The symbol conforms to the size of the selected hole. Countersunk holes are shown on drawings as follows. Not necessarily different diameter, but possibly. You can add dowel pin symbols to holes (circular edges, sketched circles, or arcs) in drawings. To automatically insert dowel pin symbols into a drawing, pull down the insert menu and pick annotations > dowel pin. Dowel Pin Symbol In Drawing.
From forums.autodesk.com
Solved Dowel Hole Inventor 2014 Autodesk Community Dowel Pin Symbol In Drawing You can use so many detail sheets you want and draw. Here's how the removed edges replaced by a dowel pin symbol. In the draft, you can hide edges and replace them with a block of the dowel symbol. You can add dowel pin symbols to holes (circular edges, sketched circles, or arcs) in drawings. In a new drawing, insert. Dowel Pin Symbol In Drawing.
From blog.fea-tc.com
SOLIDWORKS Technical Tips, SOLIDWORKS VIDEOS, SOLIDWORKS PROMOTIONSOLIDWORKS Reseller Dowel Dowel Pin Symbol In Drawing Not necessarily different diameter, but possibly. In a new drawing, insert a detail sheet and draw what ever you want there. In the draft, you can hide edges and replace them with a block of the dowel symbol. You can add dowel pin symbols to holes (circular edges, sketched circles, or arcs) in drawings. You can add dowel pin symbols. Dowel Pin Symbol In Drawing.
From www.wonkeedonkeetools.co.uk
How do you use dowels to make wooden joints? Wonkee Donkee Tools Dowel Pin Symbol In Drawing How are countersinks shown on drawings? You can add dowel pin symbols to holes (circular edges, sketched circles, or arcs) in drawings. You disassemble a machine with a 3/4 inch pullbar and then find the stack assembled with dowel pins the size of tiny needle bearing. In a new drawing, insert a detail sheet and draw what ever you want. Dowel Pin Symbol In Drawing.
From www.chegg.com
Solved Part3 Assume That The Dowel Pin Illustrated Abov... Dowel Pin Symbol In Drawing Not necessarily different diameter, but possibly. Here's how the removed edges replaced by a dowel pin symbol. What is the countersink symbol? To automatically insert dowel pin symbols into a drawing, pull down the insert menu and pick annotations > dowel pin symbol. The symbol for a countersink is ‘⌵’. Countersunk holes are shown on drawings as follows. In a. Dowel Pin Symbol In Drawing.
From cartoondealer.com
Dowel Icon With Chamfer. Symbol. Fastening Element. Vector 80611247 Dowel Pin Symbol In Drawing Under auto insert , select for all dowel. In the draft, you can hide edges and replace them with a block of the dowel symbol. You can add dowel pin symbols to holes (circular edges, sketched circles, or arcs) in drawings. To automatically insert dowel pin symbols into a drawing, pull down the insert menu and pick annotations > dowel. Dowel Pin Symbol In Drawing.
From www.3dquicktools.com
3DQP Dowel Dowel Pin Symbol In Drawing Here's how the removed edges replaced by a dowel pin symbol. Under auto insert , select for all dowel. You can add dowel pin symbols to holes (circular edges, sketched circles, or arcs) in drawings. To automatically insert dowel pin symbols into a drawing, pull down the insert menu and pick annotations > dowel pin symbol. What is the countersink. Dowel Pin Symbol In Drawing.
From www.youtube.com
how to create symbol in nx? dowel symbol YouTube Dowel Pin Symbol In Drawing The symbol conforms to the size of the selected hole. The symbol conforms to the size of the selected hole. To automatically insert dowel pin symbols into a drawing, pull down the insert menu and pick annotations > dowel pin symbol. How are countersinks shown on drawings? In the draft, you can hide edges and replace them with a block. Dowel Pin Symbol In Drawing.
From www.dreamstime.com
Vector Illustration of Dowel and Icon. Graphic of Dowel and Srew Stock Symbol for . Stock Dowel Pin Symbol In Drawing Under auto insert , select for all dowel. You disassemble a machine with a 3/4 inch pullbar and then find the stack assembled with dowel pins the size of tiny needle bearing. Countersunk holes are shown on drawings as follows. You can add dowel pin symbols to holes (circular edges, sketched circles, or arcs) in drawings. In the draft, you. Dowel Pin Symbol In Drawing.
From slidingmotion.com
Complete Guide About Dowel Pins Types, Materials & Applications Dowel Pin Symbol In Drawing The symbol for a countersink is ‘⌵’. Not necessarily different diameter, but possibly. How are countersinks shown on drawings? In the draft, you can hide edges and replace them with a block of the dowel symbol. You can add dowel pin symbols to holes (circular edges, sketched circles, or arcs) in drawings. Here's how the removed edges replaced by a. Dowel Pin Symbol In Drawing.
From www.huyett.com
Dowel Pin Ground Hollow M6 x 12 Low Carbon Steel G.L. Huyett Dowel Pin Symbol In Drawing You can add dowel pin symbols to holes (circular edges, sketched circles, or arcs) in drawings. In the draft, you can hide edges and replace them with a block of the dowel symbol. The symbol conforms to the size of the selected hole. Not necessarily different diameter, but possibly. You can add dowel pin symbols to holes (circular edges, sketched. Dowel Pin Symbol In Drawing.
From www.youtube.com
Dowel Pin Symbol and its Discription as per ASME Y14.52009 YouTube Dowel Pin Symbol In Drawing You disassemble a machine with a 3/4 inch pullbar and then find the stack assembled with dowel pins the size of tiny needle bearing. Countersunk holes are shown on drawings as follows. You can add dowel pin symbols to holes (circular edges, sketched circles, or arcs) in drawings. Under auto insert , select for all dowel. Different marks identify different. Dowel Pin Symbol In Drawing.
From www.vital-parts.co.uk
Dowel Pins ISO 2338A Stainless Steel Dowel Pins Dowel Pin Symbol In Drawing You can use so many detail sheets you want and draw. In the draft, you can hide edges and replace them with a block of the dowel symbol. How are countersinks shown on drawings? What is the countersink symbol? Countersunk holes are shown on drawings as follows. You can add dowel pin symbols to holes (circular edges, sketched circles, or. Dowel Pin Symbol In Drawing.
From www.youtube.com
Dowel hole marking YouTube Dowel Pin Symbol In Drawing To automatically insert dowel pin symbols into a drawing, pull down the insert menu and pick annotations > dowel pin symbol. You can use so many detail sheets you want and draw. You can add dowel pin symbols to holes (circular edges, sketched circles, or arcs) in drawings. The symbol conforms to the size of the selected hole. You disassemble. Dowel Pin Symbol In Drawing.
From www.pipingmaterial.ae
ISO 8734 dowel pin dimensions, tolerance, standard and hardness Dowel Pin Symbol In Drawing You can add dowel pin symbols to holes (circular edges, sketched circles, or arcs) in drawings. Not necessarily different diameter, but possibly. How are countersinks shown on drawings? You can add dowel pin symbols to holes (circular edges, sketched circles, or arcs) in drawings. Under auto insert , select for all dowel. Here's how the removed edges replaced by a. Dowel Pin Symbol In Drawing.
From www.engineersedge.com
Dowel Pin Installation Design Tolerance Table Chart Dowel Pin Symbol In Drawing You disassemble a machine with a 3/4 inch pullbar and then find the stack assembled with dowel pins the size of tiny needle bearing. The symbol for a countersink is ‘⌵’. Different marks identify different holes; How are countersinks shown on drawings? You can add dowel pin symbols to holes (circular edges, sketched circles, or arcs) in drawings. Here's how. Dowel Pin Symbol In Drawing.
From www.scribd.com
Dowel Pin Drawing PDF Dowel Pin Symbol In Drawing You can add dowel pin symbols to holes (circular edges, sketched circles, or arcs) in drawings. You can add dowel pin symbols to holes (circular edges, sketched circles, or arcs) in drawings. Countersunk holes are shown on drawings as follows. The symbol for a countersink is ‘⌵’. What is the countersink symbol? You can use so many detail sheets you. Dowel Pin Symbol In Drawing.
From universal-precision-screws.blogspot.com
Different Types Of Dowel Pins And Their Uses Dowel Pin Symbol In Drawing To automatically insert dowel pin symbols into a drawing, pull down the insert menu and pick annotations > dowel pin symbol. The symbol conforms to the size of the selected hole. The symbol for a countersink is ‘⌵’. Different marks identify different holes; What is the countersink symbol? Countersunk holes are shown on drawings as follows. In a new drawing,. Dowel Pin Symbol In Drawing.
From www.youtube.com
Mechanical Design Dowel Pins YouTube Dowel Pin Symbol In Drawing To automatically insert dowel pin symbols into a drawing, pull down the insert menu and pick annotations > dowel pin symbol. How are countersinks shown on drawings? You can use so many detail sheets you want and draw. Not necessarily different diameter, but possibly. What is the countersink symbol? You can add dowel pin symbols to holes (circular edges, sketched. Dowel Pin Symbol In Drawing.
From www.hmdtech.ca
What Are Dowels And Why You Should Care Dowel Pin Symbol In Drawing In a new drawing, insert a detail sheet and draw what ever you want there. Not necessarily different diameter, but possibly. Here's how the removed edges replaced by a dowel pin symbol. You can add dowel pin symbols to holes (circular edges, sketched circles, or arcs) in drawings. You disassemble a machine with a 3/4 inch pullbar and then find. Dowel Pin Symbol In Drawing.
From mavink.com
Solidworks Hole Symbols Dowel Pin Symbol In Drawing Here's how the removed edges replaced by a dowel pin symbol. The symbol conforms to the size of the selected hole. Countersunk holes are shown on drawings as follows. Under auto insert , select for all dowel. You can add dowel pin symbols to holes (circular edges, sketched circles, or arcs) in drawings. Different marks identify different holes; You disassemble. Dowel Pin Symbol In Drawing.
From engineering.stackexchange.com
cnc Reasonble position tolerance for 1.5mm dowel pins? Engineering Stack Exchange Dowel Pin Symbol In Drawing Not necessarily different diameter, but possibly. The symbol conforms to the size of the selected hole. What is the countersink symbol? To automatically insert dowel pin symbols into a drawing, pull down the insert menu and pick annotations > dowel pin symbol. How are countersinks shown on drawings? Countersunk holes are shown on drawings as follows. The symbol for a. Dowel Pin Symbol In Drawing.
From ar.inspiredpencil.com
Dowel Pin Hole Tolerance Chart Dowel Pin Symbol In Drawing What is the countersink symbol? Here's how the removed edges replaced by a dowel pin symbol. You disassemble a machine with a 3/4 inch pullbar and then find the stack assembled with dowel pins the size of tiny needle bearing. Different marks identify different holes; In a new drawing, insert a detail sheet and draw what ever you want there.. Dowel Pin Symbol In Drawing.
From www.dreamstime.com
Vector Illustration of Dowel and Icon. Element of Dowel and Srew Stock Symbol for . Stock Dowel Pin Symbol In Drawing Here's how the removed edges replaced by a dowel pin symbol. Countersunk holes are shown on drawings as follows. Under auto insert , select for all dowel. The symbol for a countersink is ‘⌵’. How are countersinks shown on drawings? You can add dowel pin symbols to holes (circular edges, sketched circles, or arcs) in drawings. To automatically insert dowel. Dowel Pin Symbol In Drawing.
From grabcad.com
How to turn off/delete DOWEL SYMBOL on DXF format exported from SOLIDWORKS Drawing GrabCAD Dowel Pin Symbol In Drawing Here's how the removed edges replaced by a dowel pin symbol. You can add dowel pin symbols to holes (circular edges, sketched circles, or arcs) in drawings. The symbol for a countersink is ‘⌵’. In the draft, you can hide edges and replace them with a block of the dowel symbol. Different marks identify different holes; In a new drawing,. Dowel Pin Symbol In Drawing.
From www.splcomponentsltd.co.uk
Wooden Dowels SPL Components Ltd Dowel Pin Symbol In Drawing Here's how the removed edges replaced by a dowel pin symbol. You disassemble a machine with a 3/4 inch pullbar and then find the stack assembled with dowel pins the size of tiny needle bearing. In a new drawing, insert a detail sheet and draw what ever you want there. Different marks identify different holes; The symbol for a countersink. Dowel Pin Symbol In Drawing.
From www.youtube.com
dowel hole symbol in catia v5 using crating cataloge.. YouTube Dowel Pin Symbol In Drawing Under auto insert , select for all dowel. In the draft, you can hide edges and replace them with a block of the dowel symbol. You can use so many detail sheets you want and draw. The symbol for a countersink is ‘⌵’. In a new drawing, insert a detail sheet and draw what ever you want there. The symbol. Dowel Pin Symbol In Drawing.
From www.vrogue.co
Press Fit Dowel Pin Tolerance Chart vrogue.co Dowel Pin Symbol In Drawing Not necessarily different diameter, but possibly. The symbol conforms to the size of the selected hole. How are countersinks shown on drawings? You can add dowel pin symbols to holes (circular edges, sketched circles, or arcs) in drawings. You can add dowel pin symbols to holes (circular edges, sketched circles, or arcs) in drawings. Countersunk holes are shown on drawings. Dowel Pin Symbol In Drawing.
From www.dreamstime.com
Dowel stock vector. Illustration of symbol, silhouette 89537985 Dowel Pin Symbol In Drawing What is the countersink symbol? The symbol for a countersink is ‘⌵’. Under auto insert , select for all dowel. The symbol conforms to the size of the selected hole. You can add dowel pin symbols to holes (circular edges, sketched circles, or arcs) in drawings. The symbol conforms to the size of the selected hole. In the draft, you. Dowel Pin Symbol In Drawing.
From www.villageinframe.com
Dowel Pin Hole Position Tolerance A Pictures Of Hole 2018 Dowel Pin Symbol In Drawing Here's how the removed edges replaced by a dowel pin symbol. How are countersinks shown on drawings? Different marks identify different holes; You can add dowel pin symbols to holes (circular edges, sketched circles, or arcs) in drawings. The symbol conforms to the size of the selected hole. To automatically insert dowel pin symbols into a drawing, pull down the. Dowel Pin Symbol In Drawing.
From mountaintopdevice.com
Dowel Pins Videos — Mountaintop Device and Product Design, LLC Dowel Pin Symbol In Drawing To automatically insert dowel pin symbols into a drawing, pull down the insert menu and pick annotations > dowel pin symbol. You disassemble a machine with a 3/4 inch pullbar and then find the stack assembled with dowel pins the size of tiny needle bearing. The symbol conforms to the size of the selected hole. Different marks identify different holes;. Dowel Pin Symbol In Drawing.
From www.faro.com
GD&T in precision engineering using slots in precision location Article FARO Dowel Pin Symbol In Drawing In the draft, you can hide edges and replace them with a block of the dowel symbol. You can add dowel pin symbols to holes (circular edges, sketched circles, or arcs) in drawings. To automatically insert dowel pin symbols into a drawing, pull down the insert menu and pick annotations > dowel pin symbol. The symbol for a countersink is. Dowel Pin Symbol In Drawing.
From www.shutterstock.com
Dowel Illustration Isolated Vector Sign Symbol Stock Vector (Royalty Free) 519823201 Shutterstock Dowel Pin Symbol In Drawing In a new drawing, insert a detail sheet and draw what ever you want there. You disassemble a machine with a 3/4 inch pullbar and then find the stack assembled with dowel pins the size of tiny needle bearing. Different marks identify different holes; In the draft, you can hide edges and replace them with a block of the dowel. Dowel Pin Symbol In Drawing.
From www.goengineer.com
Customizing the SOLIDWORKS Hole Callout File GoEngineer Dowel Pin Symbol In Drawing How are countersinks shown on drawings? In the draft, you can hide edges and replace them with a block of the dowel symbol. You can add dowel pin symbols to holes (circular edges, sketched circles, or arcs) in drawings. Not necessarily different diameter, but possibly. In a new drawing, insert a detail sheet and draw what ever you want there.. Dowel Pin Symbol In Drawing.
From www.alibaba.com
High Strength Dowel Pins 3mm 4mm Dowel Locating Pins Long Dowel Engineering Buy Parallel Dowel Dowel Pin Symbol In Drawing In a new drawing, insert a detail sheet and draw what ever you want there. The symbol conforms to the size of the selected hole. You can use so many detail sheets you want and draw. In the draft, you can hide edges and replace them with a block of the dowel symbol. Under auto insert , select for all. Dowel Pin Symbol In Drawing.