Cb Amplifier Circuit . The input signal is applied to the emitter, and the output signal sensed at the. The common base circuit arrangement for npn and pnp transistor is shown in the figure below. The input signal is applied between. In this configuration the input signal is applied to the emitter and the output is taken from. Voltage gain, current gain, input resistance and output resistance. The third and final prototype is the common base amplifier. Sometimes common base configuration is referred to as common base amplifier, cb amplifier, or cb configuration. The focus of this tutorial is on common base amplifier with its basic circuit and its performance characteristics i.e. The configuration in which the base of the transistor is common between emitter and collector circuit is called a common base configuration. The base terminal is biased at a fixed voltage;
from www.chegg.com
The input signal is applied to the emitter, and the output signal sensed at the. The base terminal is biased at a fixed voltage; The configuration in which the base of the transistor is common between emitter and collector circuit is called a common base configuration. The common base circuit arrangement for npn and pnp transistor is shown in the figure below. The third and final prototype is the common base amplifier. The input signal is applied between. In this configuration the input signal is applied to the emitter and the output is taken from. The focus of this tutorial is on common base amplifier with its basic circuit and its performance characteristics i.e. Sometimes common base configuration is referred to as common base amplifier, cb amplifier, or cb configuration. Voltage gain, current gain, input resistance and output resistance.
Solved For each of the CE, CB, and CC amplifier circuits
Cb Amplifier Circuit The third and final prototype is the common base amplifier. The common base circuit arrangement for npn and pnp transistor is shown in the figure below. Sometimes common base configuration is referred to as common base amplifier, cb amplifier, or cb configuration. The third and final prototype is the common base amplifier. In this configuration the input signal is applied to the emitter and the output is taken from. The focus of this tutorial is on common base amplifier with its basic circuit and its performance characteristics i.e. Voltage gain, current gain, input resistance and output resistance. The configuration in which the base of the transistor is common between emitter and collector circuit is called a common base configuration. The base terminal is biased at a fixed voltage; The input signal is applied between. The input signal is applied to the emitter, and the output signal sensed at the.
From wiredataheitassatd.z22.web.core.windows.net
Amplifier Circuit Schematic Diagram Cb Amplifier Circuit The common base circuit arrangement for npn and pnp transistor is shown in the figure below. The third and final prototype is the common base amplifier. The input signal is applied to the emitter, and the output signal sensed at the. The base terminal is biased at a fixed voltage; In this configuration the input signal is applied to the. Cb Amplifier Circuit.
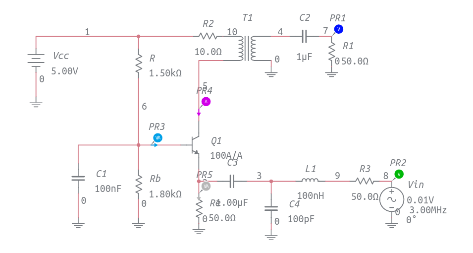
From cbtechnical.blogspot.com
CB Technical Amplifier Circuit Cb Amplifier Circuit The common base circuit arrangement for npn and pnp transistor is shown in the figure below. Sometimes common base configuration is referred to as common base amplifier, cb amplifier, or cb configuration. The focus of this tutorial is on common base amplifier with its basic circuit and its performance characteristics i.e. The configuration in which the base of the transistor. Cb Amplifier Circuit.
From mobilebad.weebly.com
How To Install A Cb Amplifier Schematics mobilebad Cb Amplifier Circuit The input signal is applied between. Voltage gain, current gain, input resistance and output resistance. The input signal is applied to the emitter, and the output signal sensed at the. The common base circuit arrangement for npn and pnp transistor is shown in the figure below. The configuration in which the base of the transistor is common between emitter and. Cb Amplifier Circuit.
From www.slideserve.com
PPT CommonBase (CB) Amplifier PowerPoint Presentation, free download Cb Amplifier Circuit The configuration in which the base of the transistor is common between emitter and collector circuit is called a common base configuration. The input signal is applied to the emitter, and the output signal sensed at the. The third and final prototype is the common base amplifier. Voltage gain, current gain, input resistance and output resistance. The base terminal is. Cb Amplifier Circuit.
From www.electroniclinic.com
Transistor as an Amplifier Working and Circuit Diagrams Electronic Clinic Cb Amplifier Circuit In this configuration the input signal is applied to the emitter and the output is taken from. The input signal is applied between. The focus of this tutorial is on common base amplifier with its basic circuit and its performance characteristics i.e. The base terminal is biased at a fixed voltage; The third and final prototype is the common base. Cb Amplifier Circuit.
From oshwlab.com
CB amplifier circuit EasyEDA open source hardware lab Cb Amplifier Circuit The input signal is applied to the emitter, and the output signal sensed at the. The common base circuit arrangement for npn and pnp transistor is shown in the figure below. The focus of this tutorial is on common base amplifier with its basic circuit and its performance characteristics i.e. Voltage gain, current gain, input resistance and output resistance. The. Cb Amplifier Circuit.
From www.electricalelibrary.com
2 common base BJT amplifier projects Electrical Cb Amplifier Circuit In this configuration the input signal is applied to the emitter and the output is taken from. The focus of this tutorial is on common base amplifier with its basic circuit and its performance characteristics i.e. The base terminal is biased at a fixed voltage; Sometimes common base configuration is referred to as common base amplifier, cb amplifier, or cb. Cb Amplifier Circuit.
From ece.poriyaan.in
Common Base(CB) Amplifier Analysis Construction, Operation Cb Amplifier Circuit The third and final prototype is the common base amplifier. The input signal is applied between. Sometimes common base configuration is referred to as common base amplifier, cb amplifier, or cb configuration. In this configuration the input signal is applied to the emitter and the output is taken from. The base terminal is biased at a fixed voltage; The common. Cb Amplifier Circuit.
From guidekekeyakno28.z14.web.core.windows.net
Block Diagram Of Power Amplifier Circuit Cb Amplifier Circuit The input signal is applied to the emitter, and the output signal sensed at the. The common base circuit arrangement for npn and pnp transistor is shown in the figure below. In this configuration the input signal is applied to the emitter and the output is taken from. Voltage gain, current gain, input resistance and output resistance. The base terminal. Cb Amplifier Circuit.
From schematiclibrarygail.z4.web.core.windows.net
Linear Cb Amplifier Schematic Cb Amplifier Circuit Sometimes common base configuration is referred to as common base amplifier, cb amplifier, or cb configuration. The focus of this tutorial is on common base amplifier with its basic circuit and its performance characteristics i.e. The configuration in which the base of the transistor is common between emitter and collector circuit is called a common base configuration. In this configuration. Cb Amplifier Circuit.
From www.chegg.com
Solved For each of the CE, CB, and CC amplifier circuits Cb Amplifier Circuit Sometimes common base configuration is referred to as common base amplifier, cb amplifier, or cb configuration. The input signal is applied between. The focus of this tutorial is on common base amplifier with its basic circuit and its performance characteristics i.e. The input signal is applied to the emitter, and the output signal sensed at the. Voltage gain, current gain,. Cb Amplifier Circuit.
From www.electroschematics.com
27MHz CB Receiver Circuit Cb Amplifier Circuit The base terminal is biased at a fixed voltage; The input signal is applied to the emitter, and the output signal sensed at the. The focus of this tutorial is on common base amplifier with its basic circuit and its performance characteristics i.e. The third and final prototype is the common base amplifier. Sometimes common base configuration is referred to. Cb Amplifier Circuit.
From www.electroschematics.com
27MHz CB Amplifier Circuit Cb Amplifier Circuit Voltage gain, current gain, input resistance and output resistance. In this configuration the input signal is applied to the emitter and the output is taken from. The input signal is applied between. The common base circuit arrangement for npn and pnp transistor is shown in the figure below. The input signal is applied to the emitter, and the output signal. Cb Amplifier Circuit.
From www.seekic.com
25 Watt Power Amplifier Amplifier_Circuit Circuit Diagram Cb Amplifier Circuit The base terminal is biased at a fixed voltage; The input signal is applied between. The configuration in which the base of the transistor is common between emitter and collector circuit is called a common base configuration. Voltage gain, current gain, input resistance and output resistance. In this configuration the input signal is applied to the emitter and the output. Cb Amplifier Circuit.
From circuitlibscombrid.z13.web.core.windows.net
Cb Linear Radio Amplifier Circuit Cb Amplifier Circuit In this configuration the input signal is applied to the emitter and the output is taken from. Sometimes common base configuration is referred to as common base amplifier, cb amplifier, or cb configuration. Voltage gain, current gain, input resistance and output resistance. The configuration in which the base of the transistor is common between emitter and collector circuit is called. Cb Amplifier Circuit.
From fixlibrarygedwaaldebx.z21.web.core.windows.net
Amplifier For Cb Radio Schematic Cb Amplifier Circuit The third and final prototype is the common base amplifier. Sometimes common base configuration is referred to as common base amplifier, cb amplifier, or cb configuration. The input signal is applied to the emitter, and the output signal sensed at the. In this configuration the input signal is applied to the emitter and the output is taken from. The focus. Cb Amplifier Circuit.
From www.electroschematics.com
27MHz CB Receiver Circuit Cb Amplifier Circuit Sometimes common base configuration is referred to as common base amplifier, cb amplifier, or cb configuration. The common base circuit arrangement for npn and pnp transistor is shown in the figure below. The configuration in which the base of the transistor is common between emitter and collector circuit is called a common base configuration. The focus of this tutorial is. Cb Amplifier Circuit.
From circuitlibscombrid.z13.web.core.windows.net
Cb Linear Radio Amplifier Circuit Cb Amplifier Circuit The input signal is applied to the emitter, and the output signal sensed at the. Voltage gain, current gain, input resistance and output resistance. Sometimes common base configuration is referred to as common base amplifier, cb amplifier, or cb configuration. The input signal is applied between. The third and final prototype is the common base amplifier. The base terminal is. Cb Amplifier Circuit.
From circuitdataactivities.z21.web.core.windows.net
Amplifier For Cb Radio Circuit Diagram Cb Amplifier Circuit The common base circuit arrangement for npn and pnp transistor is shown in the figure below. The configuration in which the base of the transistor is common between emitter and collector circuit is called a common base configuration. In this configuration the input signal is applied to the emitter and the output is taken from. Sometimes common base configuration is. Cb Amplifier Circuit.
From bestengineeringprojects.com
Analysis of Common Base (CB) Amplifier using hparameter Cb Amplifier Circuit The third and final prototype is the common base amplifier. The focus of this tutorial is on common base amplifier with its basic circuit and its performance characteristics i.e. The input signal is applied to the emitter, and the output signal sensed at the. The configuration in which the base of the transistor is common between emitter and collector circuit. Cb Amplifier Circuit.
From www.elprocus.com
BJT Common Base Amplifier Circuit Working and Applications Cb Amplifier Circuit The focus of this tutorial is on common base amplifier with its basic circuit and its performance characteristics i.e. The configuration in which the base of the transistor is common between emitter and collector circuit is called a common base configuration. The input signal is applied between. The common base circuit arrangement for npn and pnp transistor is shown in. Cb Amplifier Circuit.
From www.chegg.com
Solved Construct CB amplifier circuit shown below in Cb Amplifier Circuit In this configuration the input signal is applied to the emitter and the output is taken from. The input signal is applied to the emitter, and the output signal sensed at the. The focus of this tutorial is on common base amplifier with its basic circuit and its performance characteristics i.e. The base terminal is biased at a fixed voltage;. Cb Amplifier Circuit.
From cbtechnical.blogspot.com
CB Technical Amplifier Circuit Cb Amplifier Circuit In this configuration the input signal is applied to the emitter and the output is taken from. The base terminal is biased at a fixed voltage; Voltage gain, current gain, input resistance and output resistance. The configuration in which the base of the transistor is common between emitter and collector circuit is called a common base configuration. The common base. Cb Amplifier Circuit.
From www.chegg.com
Solved For each of the CE, CB, and CC amplifier circuits Cb Amplifier Circuit The base terminal is biased at a fixed voltage; The input signal is applied between. The third and final prototype is the common base amplifier. Voltage gain, current gain, input resistance and output resistance. In this configuration the input signal is applied to the emitter and the output is taken from. The focus of this tutorial is on common base. Cb Amplifier Circuit.
From wiringfixanalysands.z4.web.core.windows.net
Characteristics Of Cb Amplifier Cb Amplifier Circuit The configuration in which the base of the transistor is common between emitter and collector circuit is called a common base configuration. The base terminal is biased at a fixed voltage; The input signal is applied to the emitter, and the output signal sensed at the. The focus of this tutorial is on common base amplifier with its basic circuit. Cb Amplifier Circuit.
From www.theengineeringknowledge.com
Common Base Amplifier The Engineering Knowledge Cb Amplifier Circuit The input signal is applied to the emitter, and the output signal sensed at the. In this configuration the input signal is applied to the emitter and the output is taken from. The focus of this tutorial is on common base amplifier with its basic circuit and its performance characteristics i.e. The configuration in which the base of the transistor. Cb Amplifier Circuit.
From www.homemade-circuits.com
Simple 50 Watt Power Amplifier Circuit Homemade Circuit Projects Cb Amplifier Circuit The base terminal is biased at a fixed voltage; The common base circuit arrangement for npn and pnp transistor is shown in the figure below. The input signal is applied between. The input signal is applied to the emitter, and the output signal sensed at the. The configuration in which the base of the transistor is common between emitter and. Cb Amplifier Circuit.
From diagramdatapatterson.z19.web.core.windows.net
Cb Linear Amplifier Schematics Cb Amplifier Circuit In this configuration the input signal is applied to the emitter and the output is taken from. The input signal is applied between. Voltage gain, current gain, input resistance and output resistance. The configuration in which the base of the transistor is common between emitter and collector circuit is called a common base configuration. The base terminal is biased at. Cb Amplifier Circuit.
From www.theengineeringknowledge.com
Common Base Amplifier The Engineering Knowledge Cb Amplifier Circuit The base terminal is biased at a fixed voltage; The third and final prototype is the common base amplifier. The focus of this tutorial is on common base amplifier with its basic circuit and its performance characteristics i.e. The configuration in which the base of the transistor is common between emitter and collector circuit is called a common base configuration.. Cb Amplifier Circuit.
From schematicpartclaudia.z19.web.core.windows.net
Bass Amp Circuit Diagram Cb Amplifier Circuit In this configuration the input signal is applied to the emitter and the output is taken from. The third and final prototype is the common base amplifier. The input signal is applied to the emitter, and the output signal sensed at the. Sometimes common base configuration is referred to as common base amplifier, cb amplifier, or cb configuration. The common. Cb Amplifier Circuit.
From www.multisim.com
CB Amplifier Multisim Live Cb Amplifier Circuit The input signal is applied to the emitter, and the output signal sensed at the. In this configuration the input signal is applied to the emitter and the output is taken from. The configuration in which the base of the transistor is common between emitter and collector circuit is called a common base configuration. The third and final prototype is. Cb Amplifier Circuit.
From circuitdataactivities.z21.web.core.windows.net
Amplifier For Cb Radio Circuit Diagram Cb Amplifier Circuit The base terminal is biased at a fixed voltage; Sometimes common base configuration is referred to as common base amplifier, cb amplifier, or cb configuration. Voltage gain, current gain, input resistance and output resistance. In this configuration the input signal is applied to the emitter and the output is taken from. The input signal is applied to the emitter, and. Cb Amplifier Circuit.
From circuitwiringannex88.z21.web.core.windows.net
Amplifier For Cb Radio Circuit Diagram Cb Amplifier Circuit The focus of this tutorial is on common base amplifier with its basic circuit and its performance characteristics i.e. The base terminal is biased at a fixed voltage; The input signal is applied between. Voltage gain, current gain, input resistance and output resistance. The third and final prototype is the common base amplifier. In this configuration the input signal is. Cb Amplifier Circuit.
From www.raypcb.com
Understanding the Amplifier Circuit Diagram RAYPCB Cb Amplifier Circuit The base terminal is biased at a fixed voltage; The common base circuit arrangement for npn and pnp transistor is shown in the figure below. The third and final prototype is the common base amplifier. Voltage gain, current gain, input resistance and output resistance. The input signal is applied to the emitter, and the output signal sensed at the. Sometimes. Cb Amplifier Circuit.
From userpartfrieda.z21.web.core.windows.net
Linear Amplifier Cb Radio Schematics Cb Amplifier Circuit The configuration in which the base of the transistor is common between emitter and collector circuit is called a common base configuration. In this configuration the input signal is applied to the emitter and the output is taken from. Sometimes common base configuration is referred to as common base amplifier, cb amplifier, or cb configuration. The input signal is applied. Cb Amplifier Circuit.