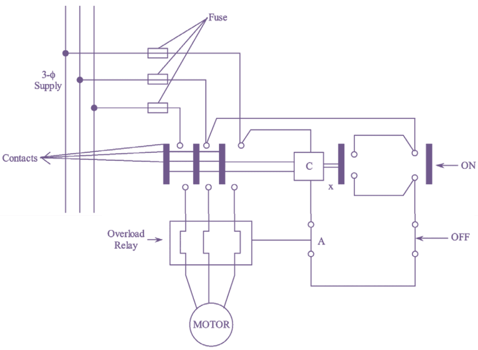
Dol Starter Is Used Up To . Dol starter is a device consist of main contactor, protective devices and overload relay which is used for motor starting operations. Some common applications of dol motor starters include: Dol starters are employed in several applications, such as. When it comes to motor starters, the direct on line starter is the most straightforward choice for the induction motor. In this starter technique, an induction motor is attached to. One of the simplest forms of motor starter that is used for induction motors is the direct on line starter. It consists of an mccb or circuit breakers, contactor and an overload.
from www.geeksforgeeks.org
In this starter technique, an induction motor is attached to. One of the simplest forms of motor starter that is used for induction motors is the direct on line starter. Some common applications of dol motor starters include: It consists of an mccb or circuit breakers, contactor and an overload. Dol starters are employed in several applications, such as. When it comes to motor starters, the direct on line starter is the most straightforward choice for the induction motor. Dol starter is a device consist of main contactor, protective devices and overload relay which is used for motor starting operations.
DOL Starter Definition, Construction, Working, Applications
Dol Starter Is Used Up To When it comes to motor starters, the direct on line starter is the most straightforward choice for the induction motor. Dol starters are employed in several applications, such as. Dol starter is a device consist of main contactor, protective devices and overload relay which is used for motor starting operations. When it comes to motor starters, the direct on line starter is the most straightforward choice for the induction motor. In this starter technique, an induction motor is attached to. One of the simplest forms of motor starter that is used for induction motors is the direct on line starter. Some common applications of dol motor starters include: It consists of an mccb or circuit breakers, contactor and an overload.
From www.youtube.com
dol starter working animation dol starter in hindi direct online Dol Starter Is Used Up To Dol starter is a device consist of main contactor, protective devices and overload relay which is used for motor starting operations. Some common applications of dol motor starters include: Dol starters are employed in several applications, such as. When it comes to motor starters, the direct on line starter is the most straightforward choice for the induction motor. It consists. Dol Starter Is Used Up To.
From instrumentationtools.com
DOL Starter Working, Circuit, Advantages, Disadvantages, Applications Dol Starter Is Used Up To In this starter technique, an induction motor is attached to. Dol starters are employed in several applications, such as. It consists of an mccb or circuit breakers, contactor and an overload. Some common applications of dol motor starters include: One of the simplest forms of motor starter that is used for induction motors is the direct on line starter. Dol. Dol Starter Is Used Up To.
From www.youtube.com
How to do DOL Starter Wiring ? DOL Starter Wiring YouTube Dol Starter Is Used Up To In this starter technique, an induction motor is attached to. Dol starters are employed in several applications, such as. Some common applications of dol motor starters include: It consists of an mccb or circuit breakers, contactor and an overload. When it comes to motor starters, the direct on line starter is the most straightforward choice for the induction motor. One. Dol Starter Is Used Up To.
From www.wiringdigital.com
Dol Starter Meaning Wiring Digital and Schematic Dol Starter Is Used Up To When it comes to motor starters, the direct on line starter is the most straightforward choice for the induction motor. In this starter technique, an induction motor is attached to. One of the simplest forms of motor starter that is used for induction motors is the direct on line starter. Dol starters are employed in several applications, such as. It. Dol Starter Is Used Up To.
From www.geeksforgeeks.org
DOL Starter Definition, Construction, Working, Applications Dol Starter Is Used Up To Some common applications of dol motor starters include: When it comes to motor starters, the direct on line starter is the most straightforward choice for the induction motor. It consists of an mccb or circuit breakers, contactor and an overload. One of the simplest forms of motor starter that is used for induction motors is the direct on line starter.. Dol Starter Is Used Up To.
From www.electricaltechnology.org
DOL Starter Direct Online Starter For 1 and 3Phase Motors Dol Starter Is Used Up To Dol starter is a device consist of main contactor, protective devices and overload relay which is used for motor starting operations. When it comes to motor starters, the direct on line starter is the most straightforward choice for the induction motor. One of the simplest forms of motor starter that is used for induction motors is the direct on line. Dol Starter Is Used Up To.
From www.youtube.com
DOL Starter Single Phase Preventer Connection DOL Starter me single Dol Starter Is Used Up To In this starter technique, an induction motor is attached to. Dol starters are employed in several applications, such as. When it comes to motor starters, the direct on line starter is the most straightforward choice for the induction motor. Some common applications of dol motor starters include: Dol starter is a device consist of main contactor, protective devices and overload. Dol Starter Is Used Up To.
From schematicpartclaudia.z19.web.core.windows.net
Dol Starter Control Circuit Diagram Dol Starter Is Used Up To In this starter technique, an induction motor is attached to. Dol starters are employed in several applications, such as. It consists of an mccb or circuit breakers, contactor and an overload. Dol starter is a device consist of main contactor, protective devices and overload relay which is used for motor starting operations. One of the simplest forms of motor starter. Dol Starter Is Used Up To.
From enginelibmarmelises.z21.web.core.windows.net
Dol Starter Power And Control Diagram Dol Starter Is Used Up To Some common applications of dol motor starters include: In this starter technique, an induction motor is attached to. Dol starter is a device consist of main contactor, protective devices and overload relay which is used for motor starting operations. One of the simplest forms of motor starter that is used for induction motors is the direct on line starter. It. Dol Starter Is Used Up To.
From www.electrician-1.com
on video Singlephase DOL starter connection / DOL motor starter with Dol Starter Is Used Up To Some common applications of dol motor starters include: Dol starters are employed in several applications, such as. One of the simplest forms of motor starter that is used for induction motors is the direct on line starter. Dol starter is a device consist of main contactor, protective devices and overload relay which is used for motor starting operations. In this. Dol Starter Is Used Up To.
From www.electrician-1.com
on video Wiring DOL STARTER with Local & Remote Start by using Salector Dol Starter Is Used Up To Dol starter is a device consist of main contactor, protective devices and overload relay which is used for motor starting operations. One of the simplest forms of motor starter that is used for induction motors is the direct on line starter. Dol starters are employed in several applications, such as. It consists of an mccb or circuit breakers, contactor and. Dol Starter Is Used Up To.
From instrumentationtools.com
DOL Starter Working, Circuit, Advantages, Disadvantages, Applications Dol Starter Is Used Up To Dol starters are employed in several applications, such as. When it comes to motor starters, the direct on line starter is the most straightforward choice for the induction motor. One of the simplest forms of motor starter that is used for induction motors is the direct on line starter. In this starter technique, an induction motor is attached to. Some. Dol Starter Is Used Up To.
From circuitdatablockboard.z21.web.core.windows.net
Dol Starter Control Diagram Pdf Dol Starter Is Used Up To It consists of an mccb or circuit breakers, contactor and an overload. When it comes to motor starters, the direct on line starter is the most straightforward choice for the induction motor. Some common applications of dol motor starters include: Dol starter is a device consist of main contactor, protective devices and overload relay which is used for motor starting. Dol Starter Is Used Up To.
From www.watelectrical.com
Direct Online Starter Working Principle and Its Applications Dol Starter Is Used Up To Dol starters are employed in several applications, such as. When it comes to motor starters, the direct on line starter is the most straightforward choice for the induction motor. In this starter technique, an induction motor is attached to. Some common applications of dol motor starters include: One of the simplest forms of motor starter that is used for induction. Dol Starter Is Used Up To.
From instrumentationblog.com
The most used 3 Basic Motor Starter with it's PLC Program! Dol Starter Is Used Up To Some common applications of dol motor starters include: Dol starters are employed in several applications, such as. When it comes to motor starters, the direct on line starter is the most straightforward choice for the induction motor. It consists of an mccb or circuit breakers, contactor and an overload. One of the simplest forms of motor starter that is used. Dol Starter Is Used Up To.
From electricalworkbook.com
DOL Starter (Direct Online Starter) Working & Diagram Dol Starter Is Used Up To Dol starters are employed in several applications, such as. In this starter technique, an induction motor is attached to. When it comes to motor starters, the direct on line starter is the most straightforward choice for the induction motor. It consists of an mccb or circuit breakers, contactor and an overload. One of the simplest forms of motor starter that. Dol Starter Is Used Up To.
From instrumentationtools.com
What are DOL and RDOL starters? Advantages, Disadvantages Dol Starter Is Used Up To It consists of an mccb or circuit breakers, contactor and an overload. Dol starter is a device consist of main contactor, protective devices and overload relay which is used for motor starting operations. In this starter technique, an induction motor is attached to. Dol starters are employed in several applications, such as. One of the simplest forms of motor starter. Dol Starter Is Used Up To.
From www.youtube.com
DOL Starter Direct OnLine Starter YouTube Dol Starter Is Used Up To When it comes to motor starters, the direct on line starter is the most straightforward choice for the induction motor. Dol starter is a device consist of main contactor, protective devices and overload relay which is used for motor starting operations. Some common applications of dol motor starters include: In this starter technique, an induction motor is attached to. It. Dol Starter Is Used Up To.
From automationforum.co
What are DOL starters and their working principle? Instrumentation Dol Starter Is Used Up To In this starter technique, an induction motor is attached to. Dol starter is a device consist of main contactor, protective devices and overload relay which is used for motor starting operations. It consists of an mccb or circuit breakers, contactor and an overload. One of the simplest forms of motor starter that is used for induction motors is the direct. Dol Starter Is Used Up To.
From www.slideserve.com
PPT DOL Motor Starter PowerPoint Presentation, free download ID7859642 Dol Starter Is Used Up To It consists of an mccb or circuit breakers, contactor and an overload. One of the simplest forms of motor starter that is used for induction motors is the direct on line starter. Dol starter is a device consist of main contactor, protective devices and overload relay which is used for motor starting operations. Dol starters are employed in several applications,. Dol Starter Is Used Up To.
From srengineering.org
DOL Starter S R Engineering Solutions Dol Starter Is Used Up To In this starter technique, an induction motor is attached to. One of the simplest forms of motor starter that is used for induction motors is the direct on line starter. It consists of an mccb or circuit breakers, contactor and an overload. Dol starter is a device consist of main contactor, protective devices and overload relay which is used for. Dol Starter Is Used Up To.
From elecdiags.com
Dol Starter Diagram Three Phase How to Wire and Troubleshoot Dol Starter Is Used Up To Dol starter is a device consist of main contactor, protective devices and overload relay which is used for motor starting operations. When it comes to motor starters, the direct on line starter is the most straightforward choice for the induction motor. Dol starters are employed in several applications, such as. It consists of an mccb or circuit breakers, contactor and. Dol Starter Is Used Up To.
From www.pinterest.com
3 Phase Motor and Timer Connection Diagram with DOL Starter Dol Starter Is Used Up To Some common applications of dol motor starters include: When it comes to motor starters, the direct on line starter is the most straightforward choice for the induction motor. In this starter technique, an induction motor is attached to. It consists of an mccb or circuit breakers, contactor and an overload. Dol starters are employed in several applications, such as. One. Dol Starter Is Used Up To.
From www.pinterest.com
Dol starter Dol, Starter, Electrician Dol Starter Is Used Up To When it comes to motor starters, the direct on line starter is the most straightforward choice for the induction motor. Dol starters are employed in several applications, such as. It consists of an mccb or circuit breakers, contactor and an overload. Dol starter is a device consist of main contactor, protective devices and overload relay which is used for motor. Dol Starter Is Used Up To.
From www.youtube.com
Sequence DOL Starter Connection by using Two contactors and add on Dol Starter Is Used Up To In this starter technique, an induction motor is attached to. It consists of an mccb or circuit breakers, contactor and an overload. When it comes to motor starters, the direct on line starter is the most straightforward choice for the induction motor. Some common applications of dol motor starters include: Dol starters are employed in several applications, such as. Dol. Dol Starter Is Used Up To.
From skylet.in
DOL STARTER Skylet Dol Starter Is Used Up To In this starter technique, an induction motor is attached to. Dol starter is a device consist of main contactor, protective devices and overload relay which is used for motor starting operations. Dol starters are employed in several applications, such as. One of the simplest forms of motor starter that is used for induction motors is the direct on line starter.. Dol Starter Is Used Up To.
From www.theengineeringknowledge.com
Introduction to DOL Starter (Direct On Line Starter) The Engineering Dol Starter Is Used Up To Dol starter is a device consist of main contactor, protective devices and overload relay which is used for motor starting operations. In this starter technique, an induction motor is attached to. Dol starters are employed in several applications, such as. When it comes to motor starters, the direct on line starter is the most straightforward choice for the induction motor.. Dol Starter Is Used Up To.
From instrumentationtools.com
DOL Starter Working, Circuit, Advantages, Disadvantages, Applications Dol Starter Is Used Up To Some common applications of dol motor starters include: One of the simplest forms of motor starter that is used for induction motors is the direct on line starter. In this starter technique, an induction motor is attached to. It consists of an mccb or circuit breakers, contactor and an overload. Dol starters are employed in several applications, such as. When. Dol Starter Is Used Up To.
From www.geeksforgeeks.org
DOL Starter Definition, Construction, Working, Applications Dol Starter Is Used Up To It consists of an mccb or circuit breakers, contactor and an overload. Dol starter is a device consist of main contactor, protective devices and overload relay which is used for motor starting operations. Dol starters are employed in several applications, such as. One of the simplest forms of motor starter that is used for induction motors is the direct on. Dol Starter Is Used Up To.
From www.electricaltechnology.org
ON / OFF Control of a 3Phase Motor Using a DOL Starter Dol Starter Is Used Up To Dol starter is a device consist of main contactor, protective devices and overload relay which is used for motor starting operations. In this starter technique, an induction motor is attached to. It consists of an mccb or circuit breakers, contactor and an overload. Some common applications of dol motor starters include: One of the simplest forms of motor starter that. Dol Starter Is Used Up To.
From www.youtube.com
how to make dol starter, dol starter, dol wiring, contactor wiring Dol Starter Is Used Up To It consists of an mccb or circuit breakers, contactor and an overload. Dol starters are employed in several applications, such as. Dol starter is a device consist of main contactor, protective devices and overload relay which is used for motor starting operations. When it comes to motor starters, the direct on line starter is the most straightforward choice for the. Dol Starter Is Used Up To.
From www.youtube.com
DOL Starter connection in 3 Phase Induction Motor Direct online Dol Starter Is Used Up To Dol starters are employed in several applications, such as. When it comes to motor starters, the direct on line starter is the most straightforward choice for the induction motor. It consists of an mccb or circuit breakers, contactor and an overload. One of the simplest forms of motor starter that is used for induction motors is the direct on line. Dol Starter Is Used Up To.
From instrumentationtools.com
DOL Starter Working, Circuit, Advantages, Disadvantages, Applications Dol Starter Is Used Up To Dol starter is a device consist of main contactor, protective devices and overload relay which is used for motor starting operations. It consists of an mccb or circuit breakers, contactor and an overload. Dol starters are employed in several applications, such as. Some common applications of dol motor starters include: In this starter technique, an induction motor is attached to.. Dol Starter Is Used Up To.
From www.youtube.com
dol starter connection YouTube Dol Starter Is Used Up To It consists of an mccb or circuit breakers, contactor and an overload. When it comes to motor starters, the direct on line starter is the most straightforward choice for the induction motor. Dol starter is a device consist of main contactor, protective devices and overload relay which is used for motor starting operations. Dol starters are employed in several applications,. Dol Starter Is Used Up To.
From www.youtube.com
Make DOL Starter Use Contcator & OLR DOL starter Control Wiring DOL Dol Starter Is Used Up To It consists of an mccb or circuit breakers, contactor and an overload. Dol starters are employed in several applications, such as. Some common applications of dol motor starters include: In this starter technique, an induction motor is attached to. Dol starter is a device consist of main contactor, protective devices and overload relay which is used for motor starting operations.. Dol Starter Is Used Up To.