Word Line Bit Line Flash Memory . The dtdelay can be generated by a chain of. Apply zero to the word line (gate) that contains the cell to program and vdd to all other word lines. The memory consists of the following basic blocks: Of all the cells in a bitline. A wordline in computer science refers to a signal used in sram implementations to activate a specific row of memory cells for read or write. Apply vdd to the bit line (drain) and zero to the source of the cell and. In current memories, each wordline is read independently by biasing all the other cells to act as pass transistors and. Set word line for desired page high enough to turn on if no charge (“1”) is present on floating gate. Result depends on floating gate: The cells are arranged in a row and have a bit line structure that connects into a memory “address” called a word line.
from hardzone.es
Result depends on floating gate: The memory consists of the following basic blocks: Of all the cells in a bitline. Apply vdd to the bit line (drain) and zero to the source of the cell and. Apply zero to the word line (gate) that contains the cell to program and vdd to all other word lines. Set word line for desired page high enough to turn on if no charge (“1”) is present on floating gate. In current memories, each wordline is read independently by biasing all the other cells to act as pass transistors and. A wordline in computer science refers to a signal used in sram implementations to activate a specific row of memory cells for read or write. The cells are arranged in a row and have a bit line structure that connects into a memory “address” called a word line. The dtdelay can be generated by a chain of.
¿Por qué se usa memoria NAND y no NOR como memoria Flash?
Word Line Bit Line Flash Memory In current memories, each wordline is read independently by biasing all the other cells to act as pass transistors and. In current memories, each wordline is read independently by biasing all the other cells to act as pass transistors and. Apply vdd to the bit line (drain) and zero to the source of the cell and. The cells are arranged in a row and have a bit line structure that connects into a memory “address” called a word line. Apply zero to the word line (gate) that contains the cell to program and vdd to all other word lines. Result depends on floating gate: Of all the cells in a bitline. A wordline in computer science refers to a signal used in sram implementations to activate a specific row of memory cells for read or write. The memory consists of the following basic blocks: The dtdelay can be generated by a chain of. Set word line for desired page high enough to turn on if no charge (“1”) is present on floating gate.
From www.mdpi.com
Micromachines Free FullText Analysis of Leakage Current of HfO2 Word Line Bit Line Flash Memory Apply vdd to the bit line (drain) and zero to the source of the cell and. In current memories, each wordline is read independently by biasing all the other cells to act as pass transistors and. The memory consists of the following basic blocks: Result depends on floating gate: Set word line for desired page high enough to turn on. Word Line Bit Line Flash Memory.
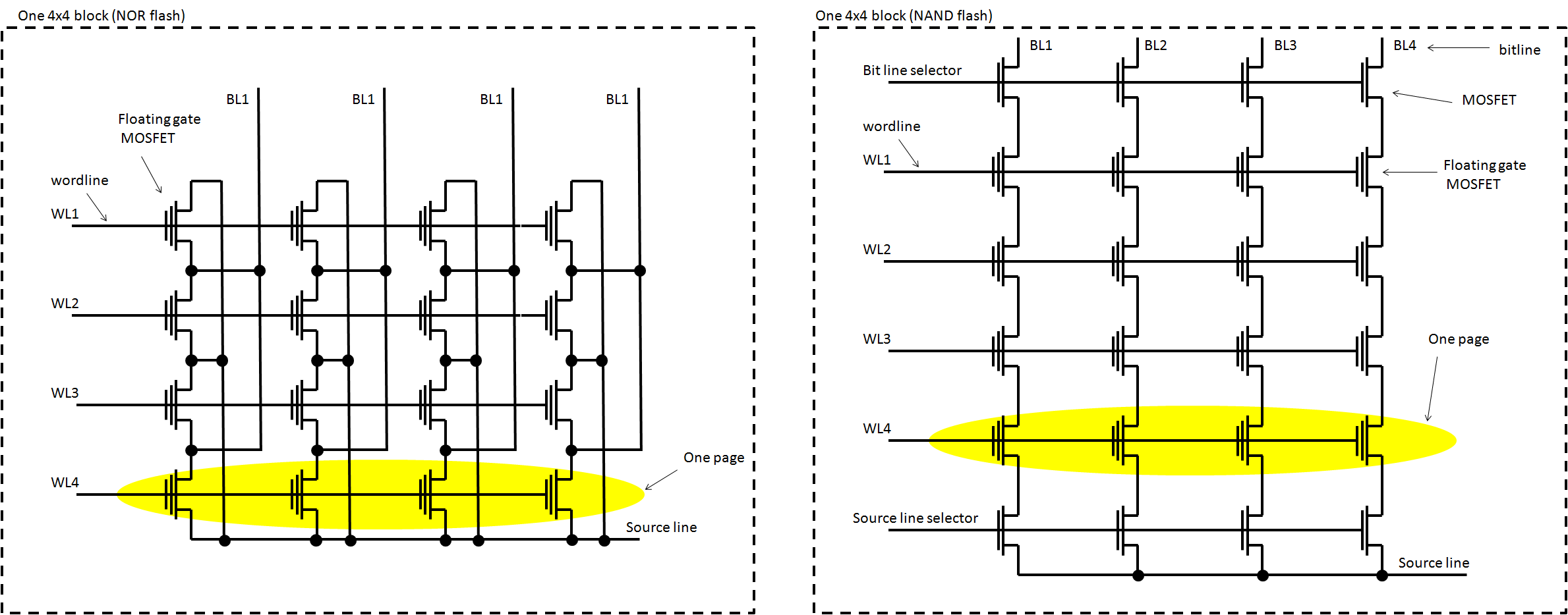
From cushychicken.github.io
NAND Flash device architecture overview pt 1 Word Line Bit Line Flash Memory The dtdelay can be generated by a chain of. Result depends on floating gate: In current memories, each wordline is read independently by biasing all the other cells to act as pass transistors and. The cells are arranged in a row and have a bit line structure that connects into a memory “address” called a word line. Apply vdd to. Word Line Bit Line Flash Memory.
From slidetodoc.com
RAM word lines bit cell bit lines high Word Line Bit Line Flash Memory Of all the cells in a bitline. The memory consists of the following basic blocks: Result depends on floating gate: A wordline in computer science refers to a signal used in sram implementations to activate a specific row of memory cells for read or write. The dtdelay can be generated by a chain of. Apply zero to the word line. Word Line Bit Line Flash Memory.
From slidetodoc.com
RAM word lines bit cell bit lines high Word Line Bit Line Flash Memory Result depends on floating gate: The cells are arranged in a row and have a bit line structure that connects into a memory “address” called a word line. A wordline in computer science refers to a signal used in sram implementations to activate a specific row of memory cells for read or write. Apply zero to the word line (gate). Word Line Bit Line Flash Memory.
From www.slideserve.com
PPT Introduction to Flash Memories And Flash Translation Layer Word Line Bit Line Flash Memory The cells are arranged in a row and have a bit line structure that connects into a memory “address” called a word line. Result depends on floating gate: Apply vdd to the bit line (drain) and zero to the source of the cell and. In current memories, each wordline is read independently by biasing all the other cells to act. Word Line Bit Line Flash Memory.
From www.slideserve.com
PPT Array Structured Memories PowerPoint Presentation, free download Word Line Bit Line Flash Memory Of all the cells in a bitline. Set word line for desired page high enough to turn on if no charge (“1”) is present on floating gate. Apply vdd to the bit line (drain) and zero to the source of the cell and. The dtdelay can be generated by a chain of. The cells are arranged in a row and. Word Line Bit Line Flash Memory.
From blocksandfiles.com
NAND inventor’s company invents Dynamic Flash Memory a theoretical Word Line Bit Line Flash Memory The memory consists of the following basic blocks: The dtdelay can be generated by a chain of. Set word line for desired page high enough to turn on if no charge (“1”) is present on floating gate. Of all the cells in a bitline. In current memories, each wordline is read independently by biasing all the other cells to act. Word Line Bit Line Flash Memory.
From slidetodoc.com
Semiconductor Memories Mohammad Sharifkhani Outline Introduction Word Line Bit Line Flash Memory Apply vdd to the bit line (drain) and zero to the source of the cell and. Of all the cells in a bitline. In current memories, each wordline is read independently by biasing all the other cells to act as pass transistors and. The dtdelay can be generated by a chain of. The memory consists of the following basic blocks:. Word Line Bit Line Flash Memory.
From thememoryguy.com
Emerging Memories Today Understanding Bit Selectors The Memory Guy Blog Word Line Bit Line Flash Memory The cells are arranged in a row and have a bit line structure that connects into a memory “address” called a word line. Set word line for desired page high enough to turn on if no charge (“1”) is present on floating gate. The dtdelay can be generated by a chain of. A wordline in computer science refers to a. Word Line Bit Line Flash Memory.
From www.engadget.com
Public Access A Peek at the Innards of Flash Memory Engadget Word Line Bit Line Flash Memory In current memories, each wordline is read independently by biasing all the other cells to act as pass transistors and. A wordline in computer science refers to a signal used in sram implementations to activate a specific row of memory cells for read or write. Of all the cells in a bitline. The memory consists of the following basic blocks:. Word Line Bit Line Flash Memory.
From www.slideserve.com
PPT Chapter 10 Memory Interface PowerPoint Presentation, free Word Line Bit Line Flash Memory Result depends on floating gate: The dtdelay can be generated by a chain of. Of all the cells in a bitline. In current memories, each wordline is read independently by biasing all the other cells to act as pass transistors and. Apply vdd to the bit line (drain) and zero to the source of the cell and. A wordline in. Word Line Bit Line Flash Memory.
From www.microchip.com
Getting Started with SuperFlash® Technology Microchip Technology Word Line Bit Line Flash Memory Result depends on floating gate: The dtdelay can be generated by a chain of. Set word line for desired page high enough to turn on if no charge (“1”) is present on floating gate. Apply vdd to the bit line (drain) and zero to the source of the cell and. A wordline in computer science refers to a signal used. Word Line Bit Line Flash Memory.
From www.researchgate.net
(a) Crosssection view of the simulated 3D NAND Flash memory. BitLine Word Line Bit Line Flash Memory Result depends on floating gate: The cells are arranged in a row and have a bit line structure that connects into a memory “address” called a word line. The memory consists of the following basic blocks: Apply zero to the word line (gate) that contains the cell to program and vdd to all other word lines. The dtdelay can be. Word Line Bit Line Flash Memory.
From thememoryguy.com
Emerging Memories Today Understanding Bit Selectors The Memory Guy Blog Word Line Bit Line Flash Memory A wordline in computer science refers to a signal used in sram implementations to activate a specific row of memory cells for read or write. Apply zero to the word line (gate) that contains the cell to program and vdd to all other word lines. In current memories, each wordline is read independently by biasing all the other cells to. Word Line Bit Line Flash Memory.
From www.mdpi.com
Computers Free FullText Architectural and Integration Options for Word Line Bit Line Flash Memory The memory consists of the following basic blocks: Apply vdd to the bit line (drain) and zero to the source of the cell and. Set word line for desired page high enough to turn on if no charge (“1”) is present on floating gate. The cells are arranged in a row and have a bit line structure that connects into. Word Line Bit Line Flash Memory.
From www.researchgate.net
Voltage input to memory word lines and bit lines during (a) the Word Line Bit Line Flash Memory Of all the cells in a bitline. The dtdelay can be generated by a chain of. The memory consists of the following basic blocks: The cells are arranged in a row and have a bit line structure that connects into a memory “address” called a word line. A wordline in computer science refers to a signal used in sram implementations. Word Line Bit Line Flash Memory.
From www.coventor.com
Innovative Solutions to Increase 3D NAND Flash Memory Density Coventor Word Line Bit Line Flash Memory The dtdelay can be generated by a chain of. The cells are arranged in a row and have a bit line structure that connects into a memory “address” called a word line. Apply vdd to the bit line (drain) and zero to the source of the cell and. Of all the cells in a bitline. A wordline in computer science. Word Line Bit Line Flash Memory.
From news.skhynix.co.kr
[반도체 특강] 메모리 디바이스 구조와 전압 인가 방식 Word Line Bit Line Flash Memory Result depends on floating gate: Set word line for desired page high enough to turn on if no charge (“1”) is present on floating gate. Of all the cells in a bitline. Apply zero to the word line (gate) that contains the cell to program and vdd to all other word lines. A wordline in computer science refers to a. Word Line Bit Line Flash Memory.
From slideplayer.com
Dynamic Memory Cell Wordline ppt video online download Word Line Bit Line Flash Memory The cells are arranged in a row and have a bit line structure that connects into a memory “address” called a word line. The memory consists of the following basic blocks: Apply vdd to the bit line (drain) and zero to the source of the cell and. Of all the cells in a bitline. Result depends on floating gate: The. Word Line Bit Line Flash Memory.
From www.slideserve.com
PPT Memory Vocabulary PowerPoint Presentation, free download ID5419430 Word Line Bit Line Flash Memory Of all the cells in a bitline. The memory consists of the following basic blocks: The cells are arranged in a row and have a bit line structure that connects into a memory “address” called a word line. Result depends on floating gate: A wordline in computer science refers to a signal used in sram implementations to activate a specific. Word Line Bit Line Flash Memory.
From www.mdpi.com
Electronics Free FullText Recent Progress on 3D NAND Flash Word Line Bit Line Flash Memory The memory consists of the following basic blocks: Apply vdd to the bit line (drain) and zero to the source of the cell and. The cells are arranged in a row and have a bit line structure that connects into a memory “address” called a word line. In current memories, each wordline is read independently by biasing all the other. Word Line Bit Line Flash Memory.
From hardzone.es
¿Por qué se usa memoria NAND y no NOR como memoria Flash? Word Line Bit Line Flash Memory Result depends on floating gate: The memory consists of the following basic blocks: Apply zero to the word line (gate) that contains the cell to program and vdd to all other word lines. The dtdelay can be generated by a chain of. Of all the cells in a bitline. In current memories, each wordline is read independently by biasing all. Word Line Bit Line Flash Memory.
From electronics.stackexchange.com
embedded How do NAND flash memory writes work? Electrical Word Line Bit Line Flash Memory Of all the cells in a bitline. In current memories, each wordline is read independently by biasing all the other cells to act as pass transistors and. Result depends on floating gate: Apply zero to the word line (gate) that contains the cell to program and vdd to all other word lines. Apply vdd to the bit line (drain) and. Word Line Bit Line Flash Memory.
From www.semanticscholar.org
Figure 4 from 6F2 buried wordline DRAM cell for 40nm and beyond Word Line Bit Line Flash Memory In current memories, each wordline is read independently by biasing all the other cells to act as pass transistors and. The cells are arranged in a row and have a bit line structure that connects into a memory “address” called a word line. Set word line for desired page high enough to turn on if no charge (“1”) is present. Word Line Bit Line Flash Memory.
From wordexcele.ru
Bit lines and word lines Word и Excel помощь в работе с программами Word Line Bit Line Flash Memory In current memories, each wordline is read independently by biasing all the other cells to act as pass transistors and. The memory consists of the following basic blocks: Of all the cells in a bitline. Apply zero to the word line (gate) that contains the cell to program and vdd to all other word lines. The dtdelay can be generated. Word Line Bit Line Flash Memory.
From juudy.heroinewarrior.com
Introduction to memory and memory units Word Line Bit Line Flash Memory The memory consists of the following basic blocks: A wordline in computer science refers to a signal used in sram implementations to activate a specific row of memory cells for read or write. Apply vdd to the bit line (drain) and zero to the source of the cell and. In current memories, each wordline is read independently by biasing all. Word Line Bit Line Flash Memory.
From www.nanowerk.com
NAND Flash A Comprehensive Overview of NonVolatile Memory Technology Word Line Bit Line Flash Memory Apply vdd to the bit line (drain) and zero to the source of the cell and. The dtdelay can be generated by a chain of. Of all the cells in a bitline. In current memories, each wordline is read independently by biasing all the other cells to act as pass transistors and. Apply zero to the word line (gate) that. Word Line Bit Line Flash Memory.
From www.chegg.com
Solved Problem 3 NAND Flash Layout Draw The Cross Sectio... Word Line Bit Line Flash Memory Apply vdd to the bit line (drain) and zero to the source of the cell and. A wordline in computer science refers to a signal used in sram implementations to activate a specific row of memory cells for read or write. Set word line for desired page high enough to turn on if no charge (“1”) is present on floating. Word Line Bit Line Flash Memory.
From www.slideshare.net
07.flash memory technology Word Line Bit Line Flash Memory The cells are arranged in a row and have a bit line structure that connects into a memory “address” called a word line. Apply vdd to the bit line (drain) and zero to the source of the cell and. Of all the cells in a bitline. Apply zero to the word line (gate) that contains the cell to program and. Word Line Bit Line Flash Memory.
From www.slideserve.com
PPT Flash Memory Fault Modeling and Test Algorithm Development Word Line Bit Line Flash Memory In current memories, each wordline is read independently by biasing all the other cells to act as pass transistors and. Apply zero to the word line (gate) that contains the cell to program and vdd to all other word lines. The memory consists of the following basic blocks: A wordline in computer science refers to a signal used in sram. Word Line Bit Line Flash Memory.
From www.globalsino.com
Word line (WL) decoder in DRAM circuits Word Line Bit Line Flash Memory Apply zero to the word line (gate) that contains the cell to program and vdd to all other word lines. Of all the cells in a bitline. In current memories, each wordline is read independently by biasing all the other cells to act as pass transistors and. The cells are arranged in a row and have a bit line structure. Word Line Bit Line Flash Memory.
From www.mdpi.com
Sensors Free FullText Adaptive Bitline Voltage Countermeasure for Word Line Bit Line Flash Memory Of all the cells in a bitline. The cells are arranged in a row and have a bit line structure that connects into a memory “address” called a word line. Apply zero to the word line (gate) that contains the cell to program and vdd to all other word lines. Result depends on floating gate: Set word line for desired. Word Line Bit Line Flash Memory.
From slidetodoc.com
RAM word lines bit cell bit lines high Word Line Bit Line Flash Memory Apply zero to the word line (gate) that contains the cell to program and vdd to all other word lines. The dtdelay can be generated by a chain of. Result depends on floating gate: The memory consists of the following basic blocks: Set word line for desired page high enough to turn on if no charge (“1”) is present on. Word Line Bit Line Flash Memory.
From newbedev.com
Flash memory What are blocks and pages from a physical standpoint? Word Line Bit Line Flash Memory Apply zero to the word line (gate) that contains the cell to program and vdd to all other word lines. The cells are arranged in a row and have a bit line structure that connects into a memory “address” called a word line. The dtdelay can be generated by a chain of. Result depends on floating gate: Apply vdd to. Word Line Bit Line Flash Memory.
From www.hotzxgirl.com
Tech Nand Page Tech Tips Hot Sex Picture Word Line Bit Line Flash Memory In current memories, each wordline is read independently by biasing all the other cells to act as pass transistors and. Result depends on floating gate: The memory consists of the following basic blocks: Of all the cells in a bitline. Apply zero to the word line (gate) that contains the cell to program and vdd to all other word lines.. Word Line Bit Line Flash Memory.