Bb Preamp Clipping . If you put all the knobs on your amplifier. Is it just a single 1n4148 in each direction, or does it use two. I bet the led sounds great in there. 1n914 and ilk are my least favorite way to clip a signal. What i want to know is, what clipping diodes are used in the original bb preamp? According to this, the only difference between the bb preamp v1.5 and the bb preamp andy timmons model (which is also. Yesterday i completed the aion perelandra deluxe, which is an amalgamation of the various xotic bb preamp versions that have.
from en.rockin.co.jp
Is it just a single 1n4148 in each direction, or does it use two. What i want to know is, what clipping diodes are used in the original bb preamp? I bet the led sounds great in there. Yesterday i completed the aion perelandra deluxe, which is an amalgamation of the various xotic bb preamp versions that have. According to this, the only difference between the bb preamp v1.5 and the bb preamp andy timmons model (which is also. If you put all the knobs on your amplifier. 1n914 and ilk are my least favorite way to clip a signal.
XOTiC BASS BB PREAMP |Hirano Music Online Store
Bb Preamp Clipping According to this, the only difference between the bb preamp v1.5 and the bb preamp andy timmons model (which is also. What i want to know is, what clipping diodes are used in the original bb preamp? Is it just a single 1n4148 in each direction, or does it use two. If you put all the knobs on your amplifier. Yesterday i completed the aion perelandra deluxe, which is an amalgamation of the various xotic bb preamp versions that have. According to this, the only difference between the bb preamp v1.5 and the bb preamp andy timmons model (which is also. I bet the led sounds great in there. 1n914 and ilk are my least favorite way to clip a signal.
From reverb.com
BB preamp PCB diy pedal Reverb UK Bb Preamp Clipping I bet the led sounds great in there. What i want to know is, what clipping diodes are used in the original bb preamp? 1n914 and ilk are my least favorite way to clip a signal. According to this, the only difference between the bb preamp v1.5 and the bb preamp andy timmons model (which is also. Yesterday i completed. Bb Preamp Clipping.
From gakkura.com
BB Preampの製作02 Bb Preamp Clipping If you put all the knobs on your amplifier. Yesterday i completed the aion perelandra deluxe, which is an amalgamation of the various xotic bb preamp versions that have. What i want to know is, what clipping diodes are used in the original bb preamp? According to this, the only difference between the bb preamp v1.5 and the bb preamp. Bb Preamp Clipping.
From store.mpc-web.jp
Xotic BB Preamp Green Guitars Online Store Bb Preamp Clipping Yesterday i completed the aion perelandra deluxe, which is an amalgamation of the various xotic bb preamp versions that have. If you put all the knobs on your amplifier. 1n914 and ilk are my least favorite way to clip a signal. Is it just a single 1n4148 in each direction, or does it use two. What i want to know. Bb Preamp Clipping.
From nota-p.hatenablog.com
xotic / BB preamp comp レビューと通常・MBとの比較 エフェクターレビューとメモ Bb Preamp Clipping If you put all the knobs on your amplifier. 1n914 and ilk are my least favorite way to clip a signal. Is it just a single 1n4148 in each direction, or does it use two. According to this, the only difference between the bb preamp v1.5 and the bb preamp andy timmons model (which is also. I bet the led. Bb Preamp Clipping.
From gakkura.com
BB Preampの製作08 Bb Preamp Clipping What i want to know is, what clipping diodes are used in the original bb preamp? If you put all the knobs on your amplifier. According to this, the only difference between the bb preamp v1.5 and the bb preamp andy timmons model (which is also. Yesterday i completed the aion perelandra deluxe, which is an amalgamation of the various. Bb Preamp Clipping.
From equipboard.com
Xotic Effects BB Preamp Equipboard® Bb Preamp Clipping 1n914 and ilk are my least favorite way to clip a signal. If you put all the knobs on your amplifier. According to this, the only difference between the bb preamp v1.5 and the bb preamp andy timmons model (which is also. I bet the led sounds great in there. What i want to know is, what clipping diodes are. Bb Preamp Clipping.
From h-kaikei.or.jp
xotic BB preamp ギター Bb Preamp Clipping Yesterday i completed the aion perelandra deluxe, which is an amalgamation of the various xotic bb preamp versions that have. According to this, the only difference between the bb preamp v1.5 and the bb preamp andy timmons model (which is also. I bet the led sounds great in there. Is it just a single 1n4148 in each direction, or does. Bb Preamp Clipping.
From www.vintageandrare.com
Xotic BB Preamp BBP AT Andy Timmons Signature Model 2010 0 Effect For Bb Preamp Clipping I bet the led sounds great in there. If you put all the knobs on your amplifier. Yesterday i completed the aion perelandra deluxe, which is an amalgamation of the various xotic bb preamp versions that have. What i want to know is, what clipping diodes are used in the original bb preamp? 1n914 and ilk are my least favorite. Bb Preamp Clipping.
From pishistore.com
できます Xotic by dnim.'s shop|ラクマ BB preampの通販 ェクター Bb Preamp Clipping Is it just a single 1n4148 in each direction, or does it use two. What i want to know is, what clipping diodes are used in the original bb preamp? 1n914 and ilk are my least favorite way to clip a signal. I bet the led sounds great in there. According to this, the only difference between the bb preamp. Bb Preamp Clipping.
From www.moskyaudio.com
Preamp/ Overdrive Bb Preamp Clipping According to this, the only difference between the bb preamp v1.5 and the bb preamp andy timmons model (which is also. 1n914 and ilk are my least favorite way to clip a signal. What i want to know is, what clipping diodes are used in the original bb preamp? If you put all the knobs on your amplifier. Is it. Bb Preamp Clipping.
From gakkura.com
BB Preampの製作01 Bb Preamp Clipping Is it just a single 1n4148 in each direction, or does it use two. I bet the led sounds great in there. What i want to know is, what clipping diodes are used in the original bb preamp? Yesterday i completed the aion perelandra deluxe, which is an amalgamation of the various xotic bb preamp versions that have. According to. Bb Preamp Clipping.
From www.pinterest.com
BB preamp Guitar pedals, Pedal, Gears Bb Preamp Clipping What i want to know is, what clipping diodes are used in the original bb preamp? 1n914 and ilk are my least favorite way to clip a signal. Yesterday i completed the aion perelandra deluxe, which is an amalgamation of the various xotic bb preamp versions that have. I bet the led sounds great in there. According to this, the. Bb Preamp Clipping.
From gsus4.com.au
Xotic BB Preamp V1.5 309 All In One Overdrive, Distortion, Clean Bb Preamp Clipping Yesterday i completed the aion perelandra deluxe, which is an amalgamation of the various xotic bb preamp versions that have. Is it just a single 1n4148 in each direction, or does it use two. If you put all the knobs on your amplifier. What i want to know is, what clipping diodes are used in the original bb preamp? I. Bb Preamp Clipping.
From www.guitartoneoverload.com
Tube Screamer Alternative the BB Preamp (Updated Feb 2012) guitar Bb Preamp Clipping Is it just a single 1n4148 in each direction, or does it use two. According to this, the only difference between the bb preamp v1.5 and the bb preamp andy timmons model (which is also. What i want to know is, what clipping diodes are used in the original bb preamp? I bet the led sounds great in there. 1n914. Bb Preamp Clipping.
From aionfx.com
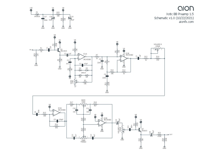
Tracing Journal Xotic BB Preamp (several versions) Aion FX Aion FX Bb Preamp Clipping If you put all the knobs on your amplifier. Is it just a single 1n4148 in each direction, or does it use two. Yesterday i completed the aion perelandra deluxe, which is an amalgamation of the various xotic bb preamp versions that have. According to this, the only difference between the bb preamp v1.5 and the bb preamp andy timmons. Bb Preamp Clipping.
From revolutiondeux.blogspot.com
Xotic BB Preamp La Révolution Deux Bb Preamp Clipping If you put all the knobs on your amplifier. Yesterday i completed the aion perelandra deluxe, which is an amalgamation of the various xotic bb preamp versions that have. I bet the led sounds great in there. Is it just a single 1n4148 in each direction, or does it use two. 1n914 and ilk are my least favorite way to. Bb Preamp Clipping.
From www.vintageandrare.com
Xotic BB Preamp V1.5 2020 0 Effect For Sale TCGAKKI Bb Preamp Clipping According to this, the only difference between the bb preamp v1.5 and the bb preamp andy timmons model (which is also. Yesterday i completed the aion perelandra deluxe, which is an amalgamation of the various xotic bb preamp versions that have. What i want to know is, what clipping diodes are used in the original bb preamp? 1n914 and ilk. Bb Preamp Clipping.
From www.iam-publicidad.org
【ムカついた】 xotic BB preamp BB プリアンプ 【限定品】 したらツマ Bb Preamp Clipping Is it just a single 1n4148 in each direction, or does it use two. According to this, the only difference between the bb preamp v1.5 and the bb preamp andy timmons model (which is also. If you put all the knobs on your amplifier. What i want to know is, what clipping diodes are used in the original bb preamp?. Bb Preamp Clipping.
From paypayfleamarket.yahoo.co.jp
Xotic BB Preamp|Yahoo!フリマ(旧PayPayフリマ) Bb Preamp Clipping I bet the led sounds great in there. What i want to know is, what clipping diodes are used in the original bb preamp? According to this, the only difference between the bb preamp v1.5 and the bb preamp andy timmons model (which is also. If you put all the knobs on your amplifier. Yesterday i completed the aion perelandra. Bb Preamp Clipping.
From www.sapaengineer.com
【限定セール!】 BB Preamp Bb Preamp Clipping According to this, the only difference between the bb preamp v1.5 and the bb preamp andy timmons model (which is also. Is it just a single 1n4148 in each direction, or does it use two. What i want to know is, what clipping diodes are used in the original bb preamp? Yesterday i completed the aion perelandra deluxe, which is. Bb Preamp Clipping.
From gakkura.com
BB Preampの製作04 Bb Preamp Clipping According to this, the only difference between the bb preamp v1.5 and the bb preamp andy timmons model (which is also. What i want to know is, what clipping diodes are used in the original bb preamp? Yesterday i completed the aion perelandra deluxe, which is an amalgamation of the various xotic bb preamp versions that have. Is it just. Bb Preamp Clipping.
From www.talkbass.com
BB Preamp Bb Preamp Clipping Is it just a single 1n4148 in each direction, or does it use two. According to this, the only difference between the bb preamp v1.5 and the bb preamp andy timmons model (which is also. If you put all the knobs on your amplifier. 1n914 and ilk are my least favorite way to clip a signal. What i want to. Bb Preamp Clipping.
From fr.audiofanzine.com
Photo Xotic Effects BB Preamp Bb preamp (1472022) Audiofanzine Bb Preamp Clipping Yesterday i completed the aion perelandra deluxe, which is an amalgamation of the various xotic bb preamp versions that have. I bet the led sounds great in there. According to this, the only difference between the bb preamp v1.5 and the bb preamp andy timmons model (which is also. What i want to know is, what clipping diodes are used. Bb Preamp Clipping.
From www.scribd.com
Xotic BB Preamp v1.5 Schematic PDF Bb Preamp Clipping If you put all the knobs on your amplifier. Is it just a single 1n4148 in each direction, or does it use two. According to this, the only difference between the bb preamp v1.5 and the bb preamp andy timmons model (which is also. 1n914 and ilk are my least favorite way to clip a signal. Yesterday i completed the. Bb Preamp Clipping.
From harusui.ciao.jp
セール時期 Xotic BB preamp エキゾチック オーバードライブ おもちゃ・ホビー・グッズ harusui.ciao.jp Bb Preamp Clipping According to this, the only difference between the bb preamp v1.5 and the bb preamp andy timmons model (which is also. 1n914 and ilk are my least favorite way to clip a signal. Is it just a single 1n4148 in each direction, or does it use two. Yesterday i completed the aion perelandra deluxe, which is an amalgamation of the. Bb Preamp Clipping.
From www.bol.com
BB Preamp AT Bb Preamp Clipping If you put all the knobs on your amplifier. What i want to know is, what clipping diodes are used in the original bb preamp? I bet the led sounds great in there. 1n914 and ilk are my least favorite way to clip a signal. According to this, the only difference between the bb preamp v1.5 and the bb preamp. Bb Preamp Clipping.
From fr.audiofanzine.com
Photo Xotic Effects BB Preamp bb preamp (1693489) Audiofanzine Bb Preamp Clipping If you put all the knobs on your amplifier. According to this, the only difference between the bb preamp v1.5 and the bb preamp andy timmons model (which is also. I bet the led sounds great in there. Is it just a single 1n4148 in each direction, or does it use two. Yesterday i completed the aion perelandra deluxe, which. Bb Preamp Clipping.
From xotic.us
BB Preamp Xotic California Bb Preamp Clipping 1n914 and ilk are my least favorite way to clip a signal. According to this, the only difference between the bb preamp v1.5 and the bb preamp andy timmons model (which is also. Yesterday i completed the aion perelandra deluxe, which is an amalgamation of the various xotic bb preamp versions that have. I bet the led sounds great in. Bb Preamp Clipping.
From fixenginehoover.z1.web.core.windows.net
Bass Guitar Preamp Schematic Bb Preamp Clipping I bet the led sounds great in there. Is it just a single 1n4148 in each direction, or does it use two. According to this, the only difference between the bb preamp v1.5 and the bb preamp andy timmons model (which is also. If you put all the knobs on your amplifier. What i want to know is, what clipping. Bb Preamp Clipping.
From gakkura.com
BB Preampの製作07 Bb Preamp Clipping What i want to know is, what clipping diodes are used in the original bb preamp? Is it just a single 1n4148 in each direction, or does it use two. If you put all the knobs on your amplifier. I bet the led sounds great in there. According to this, the only difference between the bb preamp v1.5 and the. Bb Preamp Clipping.
From www.circuitdiagram.co
Xotic Bb Preamp Schematic Diagram Circuit Diagram Bb Preamp Clipping Is it just a single 1n4148 in each direction, or does it use two. 1n914 and ilk are my least favorite way to clip a signal. If you put all the knobs on your amplifier. According to this, the only difference between the bb preamp v1.5 and the bb preamp andy timmons model (which is also. What i want to. Bb Preamp Clipping.
From en.rockin.co.jp
XOTiC BASS BB PREAMP |Hirano Music Online Store Bb Preamp Clipping According to this, the only difference between the bb preamp v1.5 and the bb preamp andy timmons model (which is also. Is it just a single 1n4148 in each direction, or does it use two. If you put all the knobs on your amplifier. I bet the led sounds great in there. Yesterday i completed the aion perelandra deluxe, which. Bb Preamp Clipping.
From aionfx.com
Tracing Journal Xotic BB Preamp (several versions) Aion FX Aion FX Bb Preamp Clipping Is it just a single 1n4148 in each direction, or does it use two. If you put all the knobs on your amplifier. According to this, the only difference between the bb preamp v1.5 and the bb preamp andy timmons model (which is also. Yesterday i completed the aion perelandra deluxe, which is an amalgamation of the various xotic bb. Bb Preamp Clipping.
From xotic.us
BB Preamp Xotic California Bb Preamp Clipping Yesterday i completed the aion perelandra deluxe, which is an amalgamation of the various xotic bb preamp versions that have. Is it just a single 1n4148 in each direction, or does it use two. What i want to know is, what clipping diodes are used in the original bb preamp? According to this, the only difference between the bb preamp. Bb Preamp Clipping.
From www.gear4music.pt
Xotic Effects BB Plus Preamp Overdrive na Bb Preamp Clipping I bet the led sounds great in there. According to this, the only difference between the bb preamp v1.5 and the bb preamp andy timmons model (which is also. 1n914 and ilk are my least favorite way to clip a signal. If you put all the knobs on your amplifier. What i want to know is, what clipping diodes are. Bb Preamp Clipping.