Shock Strut Assembly Rear . browse all replacement car shocks, struts and strut mounts available now on napaonline, as well as all other steering. kit includes front complete struts and rear shocks; Your struts keep your vehicle comfortable, stable and safe and you. we carry replacement front and rear shocks and struts, and many different types, from air struts to loaded strut assemblies, to. Our o’reilly parts professionals can help you learn how to replace the shocks and struts on your. find the best strut fronts for cars and trucks at autozone. how to replace rear shocks. Built to the highest quality standards;.
from www.ebay.com
find the best strut fronts for cars and trucks at autozone. kit includes front complete struts and rear shocks; Our o’reilly parts professionals can help you learn how to replace the shocks and struts on your. browse all replacement car shocks, struts and strut mounts available now on napaonline, as well as all other steering. Built to the highest quality standards;. Your struts keep your vehicle comfortable, stable and safe and you. we carry replacement front and rear shocks and struts, and many different types, from air struts to loaded strut assemblies, to. how to replace rear shocks.
Complete Rear Shock Strut Assembly Pair Set of 2 for Lesabre Bonneville
Shock Strut Assembly Rear find the best strut fronts for cars and trucks at autozone. we carry replacement front and rear shocks and struts, and many different types, from air struts to loaded strut assemblies, to. find the best strut fronts for cars and trucks at autozone. browse all replacement car shocks, struts and strut mounts available now on napaonline, as well as all other steering. Your struts keep your vehicle comfortable, stable and safe and you. kit includes front complete struts and rear shocks; how to replace rear shocks. Our o’reilly parts professionals can help you learn how to replace the shocks and struts on your. Built to the highest quality standards;.
From garageahmodauc9.z14.web.core.windows.net
How To Install Struts On A Car Shock Strut Assembly Rear Built to the highest quality standards;. find the best strut fronts for cars and trucks at autozone. Our o’reilly parts professionals can help you learn how to replace the shocks and struts on your. kit includes front complete struts and rear shocks; how to replace rear shocks. browse all replacement car shocks, struts and strut mounts. Shock Strut Assembly Rear.
From www.buyautoparts.com
How To Buy Struts and Shocks Finding Your Proper Struts & Shock Shock Strut Assembly Rear Our o’reilly parts professionals can help you learn how to replace the shocks and struts on your. Built to the highest quality standards;. we carry replacement front and rear shocks and struts, and many different types, from air struts to loaded strut assemblies, to. kit includes front complete struts and rear shocks; find the best strut fronts. Shock Strut Assembly Rear.
From www.ebay.com
Complete Rear Shock Strut Assembly Pair Set of 2 for Lesabre Bonneville Shock Strut Assembly Rear how to replace rear shocks. kit includes front complete struts and rear shocks; browse all replacement car shocks, struts and strut mounts available now on napaonline, as well as all other steering. we carry replacement front and rear shocks and struts, and many different types, from air struts to loaded strut assemblies, to. find the. Shock Strut Assembly Rear.
From www.ebay.com
Front Loaded Complete Strut Spring Assemblies Rear Shock Absorber Kit Shock Strut Assembly Rear find the best strut fronts for cars and trucks at autozone. browse all replacement car shocks, struts and strut mounts available now on napaonline, as well as all other steering. Built to the highest quality standards;. how to replace rear shocks. Your struts keep your vehicle comfortable, stable and safe and you. kit includes front complete. Shock Strut Assembly Rear.
From www.ebay.com
Complete Front Rear Shock Strut Spring Assembly Kit Set 4pc for Chevy Shock Strut Assembly Rear we carry replacement front and rear shocks and struts, and many different types, from air struts to loaded strut assemblies, to. Your struts keep your vehicle comfortable, stable and safe and you. kit includes front complete struts and rear shocks; how to replace rear shocks. Our o’reilly parts professionals can help you learn how to replace the. Shock Strut Assembly Rear.
From www.ebay.com
4 Piece Front & Rear Strut Assembly w/ Shock Absorber Kit Set for Shock Strut Assembly Rear kit includes front complete struts and rear shocks; Built to the highest quality standards;. find the best strut fronts for cars and trucks at autozone. Our o’reilly parts professionals can help you learn how to replace the shocks and struts on your. we carry replacement front and rear shocks and struts, and many different types, from air. Shock Strut Assembly Rear.
From suncoreindustries.com
Quick Complete Strut Assemblies & Rear Shock Absorber Bundle 1995 Shock Strut Assembly Rear browse all replacement car shocks, struts and strut mounts available now on napaonline, as well as all other steering. Built to the highest quality standards;. Your struts keep your vehicle comfortable, stable and safe and you. how to replace rear shocks. Our o’reilly parts professionals can help you learn how to replace the shocks and struts on your.. Shock Strut Assembly Rear.
From www.ebay.com
Front Rear Loaded Complete Strut Spring Assembly Shock Absorber Kit Set Shock Strut Assembly Rear find the best strut fronts for cars and trucks at autozone. Our o’reilly parts professionals can help you learn how to replace the shocks and struts on your. Built to the highest quality standards;. kit includes front complete struts and rear shocks; Your struts keep your vehicle comfortable, stable and safe and you. we carry replacement front. Shock Strut Assembly Rear.
From www.ebay.com
Front Rear Complete Strut Spring Assembly Shock Sway Link 6pc Kit for Shock Strut Assembly Rear how to replace rear shocks. we carry replacement front and rear shocks and struts, and many different types, from air struts to loaded strut assemblies, to. kit includes front complete struts and rear shocks; Your struts keep your vehicle comfortable, stable and safe and you. find the best strut fronts for cars and trucks at autozone.. Shock Strut Assembly Rear.
From eeuroparts.com
VW Suspension Strut and Shock Absorber Assembly Kit Front & Rear FCS Shock Strut Assembly Rear how to replace rear shocks. find the best strut fronts for cars and trucks at autozone. we carry replacement front and rear shocks and struts, and many different types, from air struts to loaded strut assemblies, to. browse all replacement car shocks, struts and strut mounts available now on napaonline, as well as all other steering.. Shock Strut Assembly Rear.
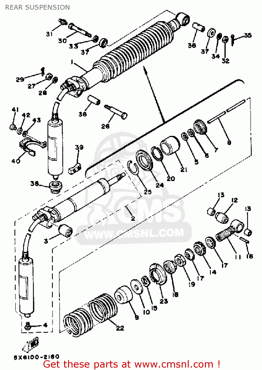
From www.cmsnl.com
SHOCK ABSORBER ASSEMBLY, REAR for YZ490 COMPETITION 1982 (C) USA Shock Strut Assembly Rear we carry replacement front and rear shocks and struts, and many different types, from air struts to loaded strut assemblies, to. Your struts keep your vehicle comfortable, stable and safe and you. find the best strut fronts for cars and trucks at autozone. kit includes front complete struts and rear shocks; Our o’reilly parts professionals can help. Shock Strut Assembly Rear.
From www.hondacarpartsdirect.com
52610THRA12 Shock Absorber Assembly, Rear 20182021 Honda Odyssey Shock Strut Assembly Rear browse all replacement car shocks, struts and strut mounts available now on napaonline, as well as all other steering. we carry replacement front and rear shocks and struts, and many different types, from air struts to loaded strut assemblies, to. how to replace rear shocks. kit includes front complete struts and rear shocks; Our o’reilly parts. Shock Strut Assembly Rear.
From www.ebay.com
Front Rear Complete Loaded Strut Assembly Shock Absorber Kit Set 4pc Shock Strut Assembly Rear Built to the highest quality standards;. browse all replacement car shocks, struts and strut mounts available now on napaonline, as well as all other steering. Your struts keep your vehicle comfortable, stable and safe and you. find the best strut fronts for cars and trucks at autozone. we carry replacement front and rear shocks and struts, and. Shock Strut Assembly Rear.
From www.partsplaceinc.com
VW MK1 Rear Shock Assembly Shock Absorber Replacement Shock Strut Assembly Rear kit includes front complete struts and rear shocks; Our o’reilly parts professionals can help you learn how to replace the shocks and struts on your. Built to the highest quality standards;. browse all replacement car shocks, struts and strut mounts available now on napaonline, as well as all other steering. we carry replacement front and rear shocks. Shock Strut Assembly Rear.
From www.completecarparts.com
Front & Rear Complete Strut & Shock Absorber Assembly Kit for Mercedes Shock Strut Assembly Rear Built to the highest quality standards;. Our o’reilly parts professionals can help you learn how to replace the shocks and struts on your. find the best strut fronts for cars and trucks at autozone. kit includes front complete struts and rear shocks; how to replace rear shocks. Your struts keep your vehicle comfortable, stable and safe and. Shock Strut Assembly Rear.
From www.ebay.com
4 Piece Front Complete Strut Assembly & Rear Shock Absorber Kit for Shock Strut Assembly Rear how to replace rear shocks. kit includes front complete struts and rear shocks; Your struts keep your vehicle comfortable, stable and safe and you. find the best strut fronts for cars and trucks at autozone. Built to the highest quality standards;. we carry replacement front and rear shocks and struts, and many different types, from air. Shock Strut Assembly Rear.
From www.amazon.com
Front Complete Strut Assemblies & Rear Bare Shock Absorbers Shock Strut Assembly Rear Your struts keep your vehicle comfortable, stable and safe and you. how to replace rear shocks. browse all replacement car shocks, struts and strut mounts available now on napaonline, as well as all other steering. find the best strut fronts for cars and trucks at autozone. Built to the highest quality standards;. we carry replacement front. Shock Strut Assembly Rear.
From www.autozone.com
Repair Guides Rear Suspension Rear Shock/strut Assembly Shock Strut Assembly Rear Built to the highest quality standards;. kit includes front complete struts and rear shocks; browse all replacement car shocks, struts and strut mounts available now on napaonline, as well as all other steering. Your struts keep your vehicle comfortable, stable and safe and you. we carry replacement front and rear shocks and struts, and many different types,. Shock Strut Assembly Rear.
From www.ebay.com
4PCS Front Rear Shock Strut Assembly Set For Toyota Paseo Tercel 1.5L Shock Strut Assembly Rear Our o’reilly parts professionals can help you learn how to replace the shocks and struts on your. browse all replacement car shocks, struts and strut mounts available now on napaonline, as well as all other steering. kit includes front complete struts and rear shocks; we carry replacement front and rear shocks and struts, and many different types,. Shock Strut Assembly Rear.
From www.ebay.com
Front Complete Loaded Strut Spring Assembly Rear Shock Absorber Kit Set Shock Strut Assembly Rear Your struts keep your vehicle comfortable, stable and safe and you. browse all replacement car shocks, struts and strut mounts available now on napaonline, as well as all other steering. we carry replacement front and rear shocks and struts, and many different types, from air struts to loaded strut assemblies, to. how to replace rear shocks. Built. Shock Strut Assembly Rear.
From www.amazon.com
Front Quick Complete Strut Assemblies & Rear Bare Shock Shock Strut Assembly Rear kit includes front complete struts and rear shocks; browse all replacement car shocks, struts and strut mounts available now on napaonline, as well as all other steering. Built to the highest quality standards;. Our o’reilly parts professionals can help you learn how to replace the shocks and struts on your. Your struts keep your vehicle comfortable, stable and. Shock Strut Assembly Rear.
From www.onallcylinders.com
How "Loaded" Shocks/Struts Can Save You Some Suspension Install Time Shock Strut Assembly Rear find the best strut fronts for cars and trucks at autozone. browse all replacement car shocks, struts and strut mounts available now on napaonline, as well as all other steering. how to replace rear shocks. Built to the highest quality standards;. Your struts keep your vehicle comfortable, stable and safe and you. Our o’reilly parts professionals can. Shock Strut Assembly Rear.
From www.ebay.com
Rear Complete Quick Loaded Shock Strut Spring Mount Assembly Pair Set Shock Strut Assembly Rear Your struts keep your vehicle comfortable, stable and safe and you. Built to the highest quality standards;. browse all replacement car shocks, struts and strut mounts available now on napaonline, as well as all other steering. kit includes front complete struts and rear shocks; we carry replacement front and rear shocks and struts, and many different types,. Shock Strut Assembly Rear.
From www.ebay.com
Shock Absorber and Strut Assemblies Set of 2 Rear LeftandRight LH Shock Strut Assembly Rear Built to the highest quality standards;. how to replace rear shocks. Your struts keep your vehicle comfortable, stable and safe and you. Our o’reilly parts professionals can help you learn how to replace the shocks and struts on your. we carry replacement front and rear shocks and struts, and many different types, from air struts to loaded strut. Shock Strut Assembly Rear.
From guide.alibaba.com
Buy Complete Struts,ECCPP Rear Strut Shock Absorber Assembly for 2002 Shock Strut Assembly Rear we carry replacement front and rear shocks and struts, and many different types, from air struts to loaded strut assemblies, to. find the best strut fronts for cars and trucks at autozone. Our o’reilly parts professionals can help you learn how to replace the shocks and struts on your. Built to the highest quality standards;. kit includes. Shock Strut Assembly Rear.
From www.ebay.com
Shock Strut Loaded Spring Assemblies Front Rear Kit Set of 4 for Fusion Shock Strut Assembly Rear browse all replacement car shocks, struts and strut mounts available now on napaonline, as well as all other steering. we carry replacement front and rear shocks and struts, and many different types, from air struts to loaded strut assemblies, to. Built to the highest quality standards;. Your struts keep your vehicle comfortable, stable and safe and you. Our. Shock Strut Assembly Rear.
From www.walmart.com
Shoxtec Rear Complete Strut Assembly for 20092010 Pontiac Vibe; 2009 Shock Strut Assembly Rear Your struts keep your vehicle comfortable, stable and safe and you. Built to the highest quality standards;. find the best strut fronts for cars and trucks at autozone. kit includes front complete struts and rear shocks; how to replace rear shocks. browse all replacement car shocks, struts and strut mounts available now on napaonline, as well. Shock Strut Assembly Rear.
From suncoreindustries.com
E46 Front Quick Complete Strut Assemblies & Rear Shock Absorber Bundle Shock Strut Assembly Rear Built to the highest quality standards;. browse all replacement car shocks, struts and strut mounts available now on napaonline, as well as all other steering. Our o’reilly parts professionals can help you learn how to replace the shocks and struts on your. we carry replacement front and rear shocks and struts, and many different types, from air struts. Shock Strut Assembly Rear.
From www.autozone.com
Repair Guides Rear Suspension Strut (macpherson Strut) Assembly Shock Strut Assembly Rear how to replace rear shocks. we carry replacement front and rear shocks and struts, and many different types, from air struts to loaded strut assemblies, to. Your struts keep your vehicle comfortable, stable and safe and you. kit includes front complete struts and rear shocks; Built to the highest quality standards;. browse all replacement car shocks,. Shock Strut Assembly Rear.
From www.ebay.com
Front & Rear Complete Shock Strut Spring Assembly Kit for Chevy Shock Strut Assembly Rear we carry replacement front and rear shocks and struts, and many different types, from air struts to loaded strut assemblies, to. Our o’reilly parts professionals can help you learn how to replace the shocks and struts on your. browse all replacement car shocks, struts and strut mounts available now on napaonline, as well as all other steering. . Shock Strut Assembly Rear.
From suncoreindustries.com
Front Complete Strut Assemblies & Rear Shock Absorbers Kit Cadillac CTS Shock Strut Assembly Rear we carry replacement front and rear shocks and struts, and many different types, from air struts to loaded strut assemblies, to. find the best strut fronts for cars and trucks at autozone. Your struts keep your vehicle comfortable, stable and safe and you. kit includes front complete struts and rear shocks; browse all replacement car shocks,. Shock Strut Assembly Rear.
From eeuroparts.com
Volvo Suspension Strut and Shock Absorber Assembly Kit Front and Rear Shock Strut Assembly Rear browse all replacement car shocks, struts and strut mounts available now on napaonline, as well as all other steering. how to replace rear shocks. Your struts keep your vehicle comfortable, stable and safe and you. we carry replacement front and rear shocks and struts, and many different types, from air struts to loaded strut assemblies, to. Built. Shock Strut Assembly Rear.
From newparts.com
Suspension Strut and Shock Absorber Assembly Kit Front and Rear Shock Strut Assembly Rear find the best strut fronts for cars and trucks at autozone. we carry replacement front and rear shocks and struts, and many different types, from air struts to loaded strut assemblies, to. kit includes front complete struts and rear shocks; Our o’reilly parts professionals can help you learn how to replace the shocks and struts on your.. Shock Strut Assembly Rear.
From www.ebay.com
Front Quick Complete Strut Assembly Rear Shock Absorber Kit Set 4pc for Shock Strut Assembly Rear we carry replacement front and rear shocks and struts, and many different types, from air struts to loaded strut assemblies, to. Built to the highest quality standards;. how to replace rear shocks. find the best strut fronts for cars and trucks at autozone. browse all replacement car shocks, struts and strut mounts available now on napaonline,. Shock Strut Assembly Rear.
From suncoreindustries.com
20152020 Escalade Suburban Tahoe Yukon Magneride Suspension Electronic Shock Strut Assembly Rear we carry replacement front and rear shocks and struts, and many different types, from air struts to loaded strut assemblies, to. kit includes front complete struts and rear shocks; browse all replacement car shocks, struts and strut mounts available now on napaonline, as well as all other steering. find the best strut fronts for cars and. Shock Strut Assembly Rear.