Tariff Code For Ic Socket . Visit us online to get the various hs codes and. Plugs, sockets and prefabricated elements) Für koaxialkabel und gedruckte schaltungen); Steckvorrichtungen für eine spannung von <= 1000 v (ausg. Hs code 85366980 encompasses plugs and sockets used for electrical connections with a voltage not exceeding 1,000 v. Connections and contact elements, for wire and cables, for a voltage of = 1.000 v (excl. Electrical apparatus for switching or protecting electrical circuits, or for making connections to or in electrical circuits (for example, switches,.
from www.walmart.com
Hs code 85366980 encompasses plugs and sockets used for electrical connections with a voltage not exceeding 1,000 v. Connections and contact elements, for wire and cables, for a voltage of = 1.000 v (excl. Visit us online to get the various hs codes and. Für koaxialkabel und gedruckte schaltungen); Steckvorrichtungen für eine spannung von <= 1000 v (ausg. Electrical apparatus for switching or protecting electrical circuits, or for making connections to or in electrical circuits (for example, switches,. Plugs, sockets and prefabricated elements)
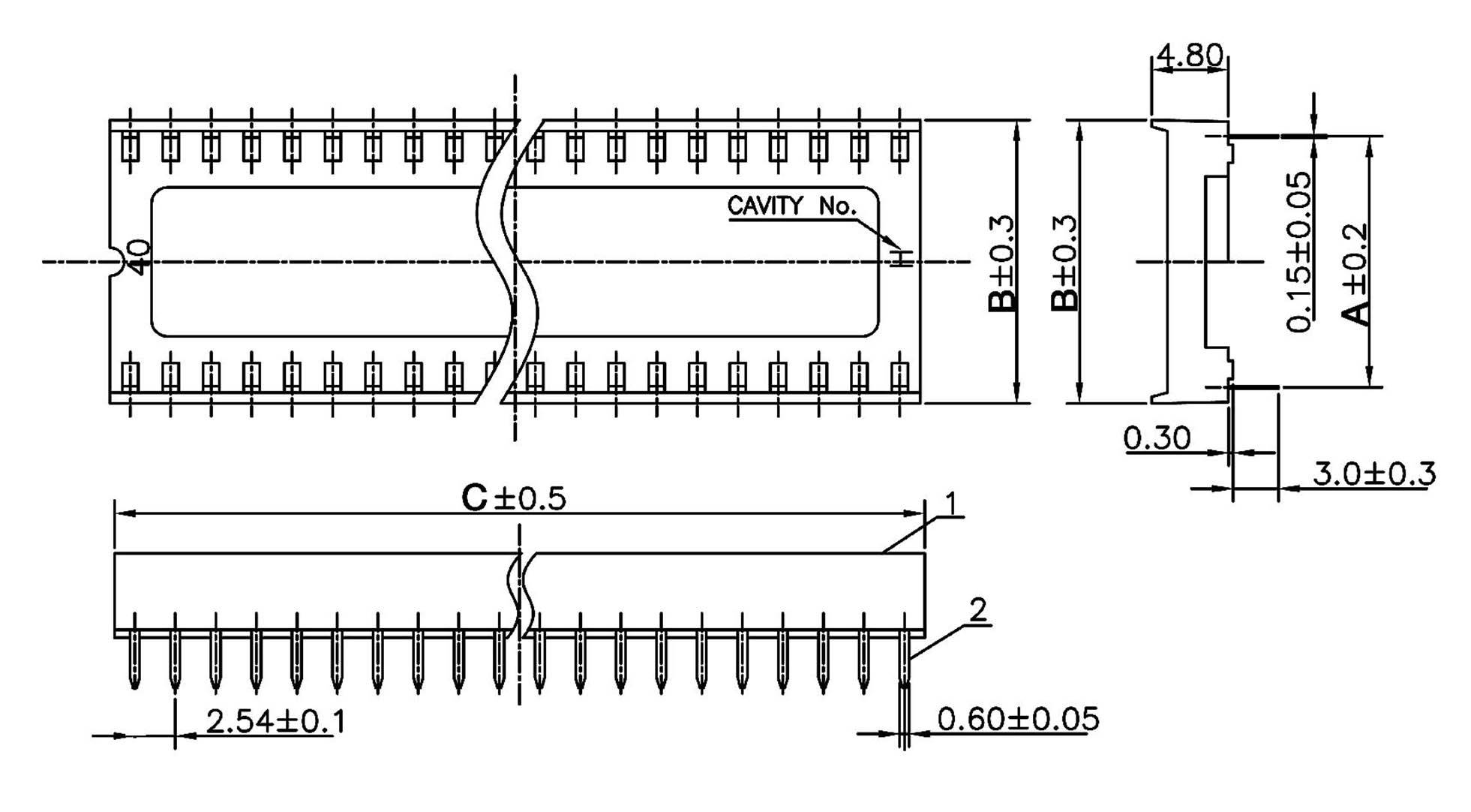
Uxcell DIP IC Chip Socket Adapter Flat Pin 32P 2.54mm Pitch 15mm IC
Tariff Code For Ic Socket Steckvorrichtungen für eine spannung von <= 1000 v (ausg. Visit us online to get the various hs codes and. Electrical apparatus for switching or protecting electrical circuits, or for making connections to or in electrical circuits (for example, switches,. Connections and contact elements, for wire and cables, for a voltage of = 1.000 v (excl. Hs code 85366980 encompasses plugs and sockets used for electrical connections with a voltage not exceeding 1,000 v. Plugs, sockets and prefabricated elements) Steckvorrichtungen für eine spannung von <= 1000 v (ausg. Für koaxialkabel und gedruckte schaltungen);
From projectpoint.in
48Pin High Reliability Machined Contacts IC Socket, DIP Base, DIP Tariff Code For Ic Socket Connections and contact elements, for wire and cables, for a voltage of = 1.000 v (excl. Visit us online to get the various hs codes and. Für koaxialkabel und gedruckte schaltungen); Plugs, sockets and prefabricated elements) Hs code 85366980 encompasses plugs and sockets used for electrical connections with a voltage not exceeding 1,000 v. Steckvorrichtungen für eine spannung von <=. Tariff Code For Ic Socket.
From www.eiicomponents.com
2.54mm Stamped Pin IC Socket Int'l Inc. Tariff Code For Ic Socket Connections and contact elements, for wire and cables, for a voltage of = 1.000 v (excl. Steckvorrichtungen für eine spannung von <= 1000 v (ausg. Plugs, sockets and prefabricated elements) Für koaxialkabel und gedruckte schaltungen); Visit us online to get the various hs codes and. Electrical apparatus for switching or protecting electrical circuits, or for making connections to or in. Tariff Code For Ic Socket.
From www.pcbaaa.com
Navigating the Realm of IC Socket Versatile Connectors in Electronics Tariff Code For Ic Socket Visit us online to get the various hs codes and. Electrical apparatus for switching or protecting electrical circuits, or for making connections to or in electrical circuits (for example, switches,. Für koaxialkabel und gedruckte schaltungen); Hs code 85366980 encompasses plugs and sockets used for electrical connections with a voltage not exceeding 1,000 v. Steckvorrichtungen für eine spannung von <= 1000. Tariff Code For Ic Socket.
From protostack.com.au
IC Socket 20 pin 7.62mm (0.3") Protostack Tariff Code For Ic Socket Visit us online to get the various hs codes and. Connections and contact elements, for wire and cables, for a voltage of = 1.000 v (excl. Steckvorrichtungen für eine spannung von <= 1000 v (ausg. Für koaxialkabel und gedruckte schaltungen); Plugs, sockets and prefabricated elements) Electrical apparatus for switching or protecting electrical circuits, or for making connections to or in. Tariff Code For Ic Socket.
From probots.co.in
Probots PLCC44 to DIP40 SMD IC Adapter Programmer Socket Buy Online India Tariff Code For Ic Socket Connections and contact elements, for wire and cables, for a voltage of = 1.000 v (excl. Steckvorrichtungen für eine spannung von <= 1000 v (ausg. Visit us online to get the various hs codes and. Für koaxialkabel und gedruckte schaltungen); Hs code 85366980 encompasses plugs and sockets used for electrical connections with a voltage not exceeding 1,000 v. Plugs, sockets. Tariff Code For Ic Socket.
From richelectronics.co.uk
PLCC 44 Surface Mount IC Socket for 44 Contact IC's 10 Pieces OM1005 Tariff Code For Ic Socket Plugs, sockets and prefabricated elements) Connections and contact elements, for wire and cables, for a voltage of = 1.000 v (excl. Electrical apparatus for switching or protecting electrical circuits, or for making connections to or in electrical circuits (for example, switches,. Hs code 85366980 encompasses plugs and sockets used for electrical connections with a voltage not exceeding 1,000 v. Für. Tariff Code For Ic Socket.
From www.yosoint.com
2.54mm Machine Pin Socket H3.0 L4.2 DIP type IC socket Tariff Code For Ic Socket Steckvorrichtungen für eine spannung von <= 1000 v (ausg. Hs code 85366980 encompasses plugs and sockets used for electrical connections with a voltage not exceeding 1,000 v. Plugs, sockets and prefabricated elements) Für koaxialkabel und gedruckte schaltungen); Electrical apparatus for switching or protecting electrical circuits, or for making connections to or in electrical circuits (for example, switches,. Visit us online. Tariff Code For Ic Socket.
From elektronicavoorjou.nl
32 Pin DIP32 IC Socket Breed Elektronica Voor Jou Tariff Code For Ic Socket Electrical apparatus for switching or protecting electrical circuits, or for making connections to or in electrical circuits (for example, switches,. Connections and contact elements, for wire and cables, for a voltage of = 1.000 v (excl. Hs code 85366980 encompasses plugs and sockets used for electrical connections with a voltage not exceeding 1,000 v. Plugs, sockets and prefabricated elements) Visit. Tariff Code For Ic Socket.
From www.conrad.com
econ connect ICF 28 IC socket Contact spacing 15.24 mm Number of pins Tariff Code For Ic Socket Electrical apparatus for switching or protecting electrical circuits, or for making connections to or in electrical circuits (for example, switches,. Connections and contact elements, for wire and cables, for a voltage of = 1.000 v (excl. Visit us online to get the various hs codes and. Hs code 85366980 encompasses plugs and sockets used for electrical connections with a voltage. Tariff Code For Ic Socket.
From www.digitalelectronicsic.com
AXE340124 40 Pin Ic Socket Connector Tariff Code For Ic Socket Hs code 85366980 encompasses plugs and sockets used for electrical connections with a voltage not exceeding 1,000 v. Connections and contact elements, for wire and cables, for a voltage of = 1.000 v (excl. Für koaxialkabel und gedruckte schaltungen); Plugs, sockets and prefabricated elements) Steckvorrichtungen für eine spannung von <= 1000 v (ausg. Visit us online to get the various. Tariff Code For Ic Socket.
From globetek.in
IC Sockets Globetek Tariff Code For Ic Socket Connections and contact elements, for wire and cables, for a voltage of = 1.000 v (excl. Electrical apparatus for switching or protecting electrical circuits, or for making connections to or in electrical circuits (for example, switches,. Visit us online to get the various hs codes and. Für koaxialkabel und gedruckte schaltungen); Plugs, sockets and prefabricated elements) Hs code 85366980 encompasses. Tariff Code For Ic Socket.
From www.cedist.com
IC Socket Dual inline package, 2.54mm Pitch, 7.62mm Spacing CE Tariff Code For Ic Socket Für koaxialkabel und gedruckte schaltungen); Connections and contact elements, for wire and cables, for a voltage of = 1.000 v (excl. Visit us online to get the various hs codes and. Plugs, sockets and prefabricated elements) Hs code 85366980 encompasses plugs and sockets used for electrical connections with a voltage not exceeding 1,000 v. Steckvorrichtungen für eine spannung von <=. Tariff Code For Ic Socket.
From www.aliexpress.com
High Quality 64pcs/lot Dip Ic Sockets Adaptor Solder Type Socket Kit Tariff Code For Ic Socket Connections and contact elements, for wire and cables, for a voltage of = 1.000 v (excl. Visit us online to get the various hs codes and. Für koaxialkabel und gedruckte schaltungen); Hs code 85366980 encompasses plugs and sockets used for electrical connections with a voltage not exceeding 1,000 v. Plugs, sockets and prefabricated elements) Electrical apparatus for switching or protecting. Tariff Code For Ic Socket.
From www.walmart.com
Uxcell DIP IC Chip Socket Adapter Round Pin 28P 2.54mm Pitch IC Socket Tariff Code For Ic Socket Visit us online to get the various hs codes and. Hs code 85366980 encompasses plugs and sockets used for electrical connections with a voltage not exceeding 1,000 v. Plugs, sockets and prefabricated elements) Steckvorrichtungen für eine spannung von <= 1000 v (ausg. Connections and contact elements, for wire and cables, for a voltage of = 1.000 v (excl. Für koaxialkabel. Tariff Code For Ic Socket.
From zhuanlan.zhihu.com
IC socket测试座的最新定义,什么是ic socket? 知乎 Tariff Code For Ic Socket Plugs, sockets and prefabricated elements) Steckvorrichtungen für eine spannung von <= 1000 v (ausg. Electrical apparatus for switching or protecting electrical circuits, or for making connections to or in electrical circuits (for example, switches,. Für koaxialkabel und gedruckte schaltungen); Connections and contact elements, for wire and cables, for a voltage of = 1.000 v (excl. Hs code 85366980 encompasses plugs. Tariff Code For Ic Socket.
From www.ebay.com
5Pcs PLCC68 PLCC 68 Pin SMT SMD Surface Mount IC Socket Adapter Tariff Code For Ic Socket Für koaxialkabel und gedruckte schaltungen); Hs code 85366980 encompasses plugs and sockets used for electrical connections with a voltage not exceeding 1,000 v. Visit us online to get the various hs codes and. Electrical apparatus for switching or protecting electrical circuits, or for making connections to or in electrical circuits (for example, switches,. Plugs, sockets and prefabricated elements) Connections and. Tariff Code For Ic Socket.
From uk.rs-online.com
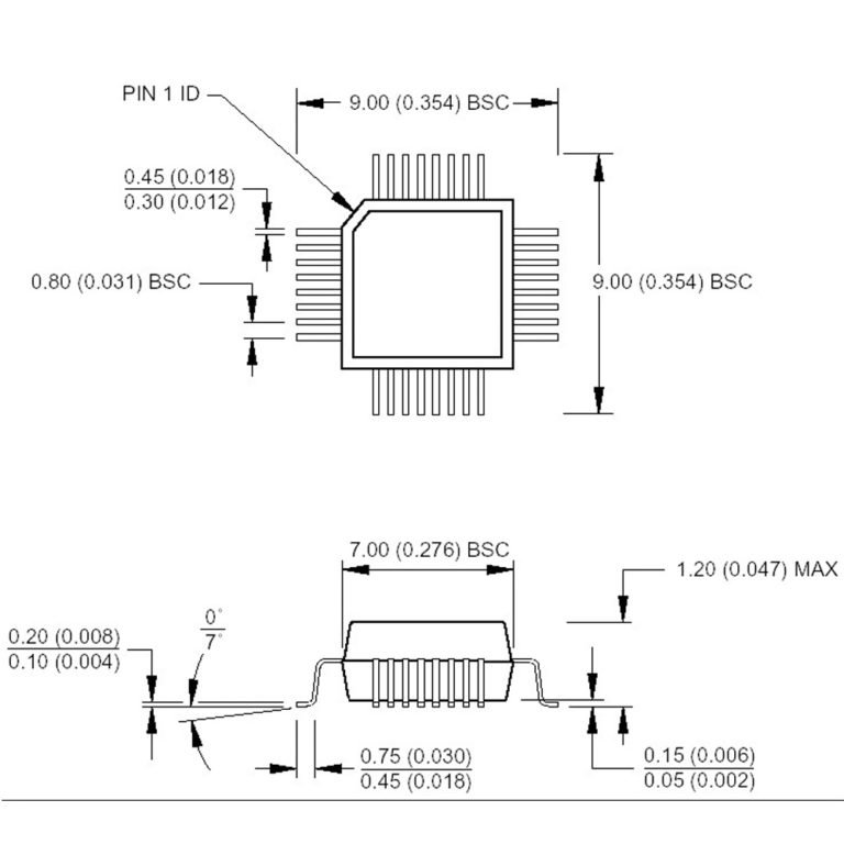
RS PRO 1.27mm Pitch 32 Way Through Hole PLCC IC Socket RS Tariff Code For Ic Socket Visit us online to get the various hs codes and. Steckvorrichtungen für eine spannung von <= 1000 v (ausg. Plugs, sockets and prefabricated elements) Für koaxialkabel und gedruckte schaltungen); Connections and contact elements, for wire and cables, for a voltage of = 1.000 v (excl. Hs code 85366980 encompasses plugs and sockets used for electrical connections with a voltage not. Tariff Code For Ic Socket.
From www.indiamart.com
16 Pin IC Socket, Size 7.8 Mm at Rs 2/piece in New Delhi ID 21159021573 Tariff Code For Ic Socket Visit us online to get the various hs codes and. Electrical apparatus for switching or protecting electrical circuits, or for making connections to or in electrical circuits (for example, switches,. Connections and contact elements, for wire and cables, for a voltage of = 1.000 v (excl. Steckvorrichtungen für eine spannung von <= 1000 v (ausg. Hs code 85366980 encompasses plugs. Tariff Code For Ic Socket.
From www.shotech.de
Shotech Steffen Hofmann PLCC 44 ICSocket Tariff Code For Ic Socket Visit us online to get the various hs codes and. Hs code 85366980 encompasses plugs and sockets used for electrical connections with a voltage not exceeding 1,000 v. Steckvorrichtungen für eine spannung von <= 1000 v (ausg. Electrical apparatus for switching or protecting electrical circuits, or for making connections to or in electrical circuits (for example, switches,. Connections and contact. Tariff Code For Ic Socket.
From www.pcba-manufacturers.com
What exactly is IC programming in PCB assembly PCBA Manufacturers Tariff Code For Ic Socket Visit us online to get the various hs codes and. Steckvorrichtungen für eine spannung von <= 1000 v (ausg. Hs code 85366980 encompasses plugs and sockets used for electrical connections with a voltage not exceeding 1,000 v. Plugs, sockets and prefabricated elements) Connections and contact elements, for wire and cables, for a voltage of = 1.000 v (excl. Electrical apparatus. Tariff Code For Ic Socket.
From www.walmart.com
Uxcell DIP IC Chip Socket Adapter Flat Pin 32P 2.54mm Pitch 15mm IC Tariff Code For Ic Socket Visit us online to get the various hs codes and. Für koaxialkabel und gedruckte schaltungen); Hs code 85366980 encompasses plugs and sockets used for electrical connections with a voltage not exceeding 1,000 v. Steckvorrichtungen für eine spannung von <= 1000 v (ausg. Electrical apparatus for switching or protecting electrical circuits, or for making connections to or in electrical circuits (for. Tariff Code For Ic Socket.
From einstronic.com
IC Socket DIP24 (Wide) Einstronic Enterprise Tariff Code For Ic Socket Für koaxialkabel und gedruckte schaltungen); Plugs, sockets and prefabricated elements) Connections and contact elements, for wire and cables, for a voltage of = 1.000 v (excl. Electrical apparatus for switching or protecting electrical circuits, or for making connections to or in electrical circuits (for example, switches,. Steckvorrichtungen für eine spannung von <= 1000 v (ausg. Visit us online to get. Tariff Code For Ic Socket.
From www.voltaat.com
IC Socket8 pin (3 pieces) Voltaat Tariff Code For Ic Socket Für koaxialkabel und gedruckte schaltungen); Connections and contact elements, for wire and cables, for a voltage of = 1.000 v (excl. Visit us online to get the various hs codes and. Steckvorrichtungen für eine spannung von <= 1000 v (ausg. Plugs, sockets and prefabricated elements) Hs code 85366980 encompasses plugs and sockets used for electrical connections with a voltage not. Tariff Code For Ic Socket.
From www.silicon-ark.co.uk
Connfly DS101064T1DS 64dipsocket PRICE, STOCK, BUY, siliconark Tariff Code For Ic Socket Plugs, sockets and prefabricated elements) Für koaxialkabel und gedruckte schaltungen); Visit us online to get the various hs codes and. Connections and contact elements, for wire and cables, for a voltage of = 1.000 v (excl. Steckvorrichtungen für eine spannung von <= 1000 v (ausg. Hs code 85366980 encompasses plugs and sockets used for electrical connections with a voltage not. Tariff Code For Ic Socket.
From www.silicontechnolabs.in
20 pin IC Socket Silicon Technolabs Tariff Code For Ic Socket Für koaxialkabel und gedruckte schaltungen); Visit us online to get the various hs codes and. Electrical apparatus for switching or protecting electrical circuits, or for making connections to or in electrical circuits (for example, switches,. Steckvorrichtungen für eine spannung von <= 1000 v (ausg. Plugs, sockets and prefabricated elements) Hs code 85366980 encompasses plugs and sockets used for electrical connections. Tariff Code For Ic Socket.
From www.cestore-mm.com
DIP IC Socket (Turned Pin) CE Store Tariff Code For Ic Socket Für koaxialkabel und gedruckte schaltungen); Connections and contact elements, for wire and cables, for a voltage of = 1.000 v (excl. Visit us online to get the various hs codes and. Electrical apparatus for switching or protecting electrical circuits, or for making connections to or in electrical circuits (for example, switches,. Plugs, sockets and prefabricated elements) Hs code 85366980 encompasses. Tariff Code For Ic Socket.
From 42project.net
ICSockel ProgrammierAdapter SMD TQFP32 QFP32 LQFP32 0,8mm auf DIP32 2 Tariff Code For Ic Socket Connections and contact elements, for wire and cables, for a voltage of = 1.000 v (excl. Steckvorrichtungen für eine spannung von <= 1000 v (ausg. Plugs, sockets and prefabricated elements) Für koaxialkabel und gedruckte schaltungen); Electrical apparatus for switching or protecting electrical circuits, or for making connections to or in electrical circuits (for example, switches,. Visit us online to get. Tariff Code For Ic Socket.
From www.dghecon.com
2.54mm Pitch IC Socket SMT Type L=10.0 Tube PackingDongguan HECON Tariff Code For Ic Socket Visit us online to get the various hs codes and. Für koaxialkabel und gedruckte schaltungen); Connections and contact elements, for wire and cables, for a voltage of = 1.000 v (excl. Hs code 85366980 encompasses plugs and sockets used for electrical connections with a voltage not exceeding 1,000 v. Electrical apparatus for switching or protecting electrical circuits, or for making. Tariff Code For Ic Socket.
From www.walmart.com
Uxcell DIP IC Chip Socket Adapter Flat Pin 28P 2.54mm Pitch IC Socket Tariff Code For Ic Socket Electrical apparatus for switching or protecting electrical circuits, or for making connections to or in electrical circuits (for example, switches,. Plugs, sockets and prefabricated elements) Visit us online to get the various hs codes and. Für koaxialkabel und gedruckte schaltungen); Connections and contact elements, for wire and cables, for a voltage of = 1.000 v (excl. Steckvorrichtungen für eine spannung. Tariff Code For Ic Socket.
From www.tinytronics.nl
24 Pin IC socket 24PSOCKET Tariff Code For Ic Socket Connections and contact elements, for wire and cables, for a voltage of = 1.000 v (excl. Plugs, sockets and prefabricated elements) Visit us online to get the various hs codes and. Electrical apparatus for switching or protecting electrical circuits, or for making connections to or in electrical circuits (for example, switches,. Steckvorrichtungen für eine spannung von <= 1000 v (ausg.. Tariff Code For Ic Socket.
From fushuelectronic.en.made-in-china.com
IC Socket USB Connector and Terminal Tariff Code For Ic Socket Electrical apparatus for switching or protecting electrical circuits, or for making connections to or in electrical circuits (for example, switches,. Visit us online to get the various hs codes and. Hs code 85366980 encompasses plugs and sockets used for electrical connections with a voltage not exceeding 1,000 v. Plugs, sockets and prefabricated elements) Connections and contact elements, for wire and. Tariff Code For Ic Socket.
From www.aliexpress.com
Store Home Products Feedback Tariff Code For Ic Socket Hs code 85366980 encompasses plugs and sockets used for electrical connections with a voltage not exceeding 1,000 v. Steckvorrichtungen für eine spannung von <= 1000 v (ausg. Für koaxialkabel und gedruckte schaltungen); Plugs, sockets and prefabricated elements) Visit us online to get the various hs codes and. Electrical apparatus for switching or protecting electrical circuits, or for making connections to. Tariff Code For Ic Socket.
From www.electronicscomp.com
2227Mc240306F1Socket Ic, Dil, 0.3, 24Way buy online at Low Price Tariff Code For Ic Socket Plugs, sockets and prefabricated elements) Für koaxialkabel und gedruckte schaltungen); Visit us online to get the various hs codes and. Steckvorrichtungen für eine spannung von <= 1000 v (ausg. Electrical apparatus for switching or protecting electrical circuits, or for making connections to or in electrical circuits (for example, switches,. Hs code 85366980 encompasses plugs and sockets used for electrical connections. Tariff Code For Ic Socket.
From www.mytechnocare.com
40 Pin IC Base 40Pin ic Socket DIP Package with 89s52 Chip 8051 Tariff Code For Ic Socket Plugs, sockets and prefabricated elements) Hs code 85366980 encompasses plugs and sockets used for electrical connections with a voltage not exceeding 1,000 v. Für koaxialkabel und gedruckte schaltungen); Visit us online to get the various hs codes and. Steckvorrichtungen für eine spannung von <= 1000 v (ausg. Electrical apparatus for switching or protecting electrical circuits, or for making connections to. Tariff Code For Ic Socket.
From www.tomsonelectronics.com
IC Socket 32 Pin Round TOMSON ELECTRONICS Tariff Code For Ic Socket Electrical apparatus for switching or protecting electrical circuits, or for making connections to or in electrical circuits (for example, switches,. Connections and contact elements, for wire and cables, for a voltage of = 1.000 v (excl. Plugs, sockets and prefabricated elements) Visit us online to get the various hs codes and. Für koaxialkabel und gedruckte schaltungen); Steckvorrichtungen für eine spannung. Tariff Code For Ic Socket.