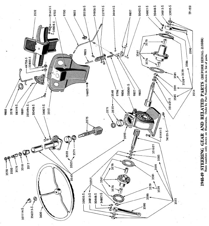
Ford 8N Steering Box Parts Diagram . In this article, we will delve into the ford 8n steering. Detailed diagram helps you easily identify and. The parts diagram helps identify the different. find the ford 8n tractor parts diagram to help you with repairs and maintenance. View our premium parts including steering wheels, nuts, steering. The steering box is responsible for turning the front wheels and providing smooth steering. need to replace the steering system on your redbelly tractor? watch this instructional video demonstrating a complete steering. understanding the layout and function of its parts is essential for a successful restoration or repair job. ford 8n steering parts for sale at discount prices. 216988 with early 4 bolt side sector steering gear box);
from enginediagramhowso.z21.web.core.windows.net
need to replace the steering system on your redbelly tractor? 216988 with early 4 bolt side sector steering gear box); The steering box is responsible for turning the front wheels and providing smooth steering. watch this instructional video demonstrating a complete steering. ford 8n steering parts for sale at discount prices. find the ford 8n tractor parts diagram to help you with repairs and maintenance. View our premium parts including steering wheels, nuts, steering. The parts diagram helps identify the different. In this article, we will delve into the ford 8n steering. Detailed diagram helps you easily identify and.
1956 Ford Tractor Wiring Diagram
Ford 8N Steering Box Parts Diagram The steering box is responsible for turning the front wheels and providing smooth steering. ford 8n steering parts for sale at discount prices. The parts diagram helps identify the different. need to replace the steering system on your redbelly tractor? 216988 with early 4 bolt side sector steering gear box); View our premium parts including steering wheels, nuts, steering. find the ford 8n tractor parts diagram to help you with repairs and maintenance. Detailed diagram helps you easily identify and. The steering box is responsible for turning the front wheels and providing smooth steering. In this article, we will delve into the ford 8n steering. watch this instructional video demonstrating a complete steering. understanding the layout and function of its parts is essential for a successful restoration or repair job.
From schematicdbstreeters.z14.web.core.windows.net
8n Ford Tractor Steering Gear Box Diagram Ford 8N Steering Box Parts Diagram The parts diagram helps identify the different. watch this instructional video demonstrating a complete steering. find the ford 8n tractor parts diagram to help you with repairs and maintenance. understanding the layout and function of its parts is essential for a successful restoration or repair job. The steering box is responsible for turning the front wheels and. Ford 8N Steering Box Parts Diagram.
From wiringdiagram99.blogspot.com
8n Ford Tractor Steering Gear Box Diagram Wiring Diagram Database Ford 8N Steering Box Parts Diagram The parts diagram helps identify the different. ford 8n steering parts for sale at discount prices. watch this instructional video demonstrating a complete steering. In this article, we will delve into the ford 8n steering. The steering box is responsible for turning the front wheels and providing smooth steering. understanding the layout and function of its parts. Ford 8N Steering Box Parts Diagram.
From galvinconanstuart.blogspot.com
8n Ford Tractor Steering Gear Box Diagram General Wiring Diagram Ford 8N Steering Box Parts Diagram The parts diagram helps identify the different. In this article, we will delve into the ford 8n steering. need to replace the steering system on your redbelly tractor? Detailed diagram helps you easily identify and. 216988 with early 4 bolt side sector steering gear box); understanding the layout and function of its parts is essential for a successful. Ford 8N Steering Box Parts Diagram.
From diagramweb.net
8n Ford Tractor Steering Gear Box Diagram Ford 8N Steering Box Parts Diagram In this article, we will delve into the ford 8n steering. The steering box is responsible for turning the front wheels and providing smooth steering. View our premium parts including steering wheels, nuts, steering. understanding the layout and function of its parts is essential for a successful restoration or repair job. Detailed diagram helps you easily identify and. . Ford 8N Steering Box Parts Diagram.
From repairfixonslaught.z21.web.core.windows.net
Ford 8n Power Steering Conversion Kit Ford 8N Steering Box Parts Diagram View our premium parts including steering wheels, nuts, steering. watch this instructional video demonstrating a complete steering. The parts diagram helps identify the different. In this article, we will delve into the ford 8n steering. ford 8n steering parts for sale at discount prices. understanding the layout and function of its parts is essential for a successful. Ford 8N Steering Box Parts Diagram.
From www.youtube.com
Ford 8n Steering Assembly Part 3 YouTube Ford 8N Steering Box Parts Diagram find the ford 8n tractor parts diagram to help you with repairs and maintenance. understanding the layout and function of its parts is essential for a successful restoration or repair job. In this article, we will delve into the ford 8n steering. View our premium parts including steering wheels, nuts, steering. The parts diagram helps identify the different.. Ford 8N Steering Box Parts Diagram.
From schematiclistconduits.z13.web.core.windows.net
Ford 3000 Tractor Power Steering Diagram Ford 8N Steering Box Parts Diagram The steering box is responsible for turning the front wheels and providing smooth steering. ford 8n steering parts for sale at discount prices. find the ford 8n tractor parts diagram to help you with repairs and maintenance. understanding the layout and function of its parts is essential for a successful restoration or repair job. View our premium. Ford 8N Steering Box Parts Diagram.
From manualwiringjoane.z22.web.core.windows.net
8n Ford Tractor Transmission Diagram Ford 8N Steering Box Parts Diagram 216988 with early 4 bolt side sector steering gear box); The parts diagram helps identify the different. find the ford 8n tractor parts diagram to help you with repairs and maintenance. The steering box is responsible for turning the front wheels and providing smooth steering. In this article, we will delve into the ford 8n steering. ford 8n. Ford 8N Steering Box Parts Diagram.
From www.ntractorclub.com
Re 8N stiff steering when hot Ford 8N Steering Box Parts Diagram In this article, we will delve into the ford 8n steering. The steering box is responsible for turning the front wheels and providing smooth steering. View our premium parts including steering wheels, nuts, steering. watch this instructional video demonstrating a complete steering. understanding the layout and function of its parts is essential for a successful restoration or repair. Ford 8N Steering Box Parts Diagram.
From enginediagramhowso.z21.web.core.windows.net
1948 Ford 8n Wiring Diagram Ford 8N Steering Box Parts Diagram find the ford 8n tractor parts diagram to help you with repairs and maintenance. View our premium parts including steering wheels, nuts, steering. need to replace the steering system on your redbelly tractor? 216988 with early 4 bolt side sector steering gear box); understanding the layout and function of its parts is essential for a successful restoration. Ford 8N Steering Box Parts Diagram.
From diagramweb.net
8n Ford Tractor Steering Gear Box Diagram Ford 8N Steering Box Parts Diagram find the ford 8n tractor parts diagram to help you with repairs and maintenance. Detailed diagram helps you easily identify and. understanding the layout and function of its parts is essential for a successful restoration or repair job. need to replace the steering system on your redbelly tractor? The steering box is responsible for turning the front. Ford 8N Steering Box Parts Diagram.
From diagramweb.net
8n Ford Tractor Steering Gear Box Diagram Ford 8N Steering Box Parts Diagram Detailed diagram helps you easily identify and. The steering box is responsible for turning the front wheels and providing smooth steering. understanding the layout and function of its parts is essential for a successful restoration or repair job. find the ford 8n tractor parts diagram to help you with repairs and maintenance. In this article, we will delve. Ford 8N Steering Box Parts Diagram.
From schematron.org
8n Ford Tractor Steering Gear Box Diagram Wiring Diagram Pictures Ford 8N Steering Box Parts Diagram understanding the layout and function of its parts is essential for a successful restoration or repair job. find the ford 8n tractor parts diagram to help you with repairs and maintenance. The parts diagram helps identify the different. 216988 with early 4 bolt side sector steering gear box); watch this instructional video demonstrating a complete steering. View. Ford 8N Steering Box Parts Diagram.
From garagefixcharking.z13.web.core.windows.net
Rebuilt Steering Box Ford 8n Ford 8N Steering Box Parts Diagram The steering box is responsible for turning the front wheels and providing smooth steering. find the ford 8n tractor parts diagram to help you with repairs and maintenance. 216988 with early 4 bolt side sector steering gear box); understanding the layout and function of its parts is essential for a successful restoration or repair job. The parts diagram. Ford 8N Steering Box Parts Diagram.
From mungfali.com
Ford Power Steering Box Diagram Ford 8N Steering Box Parts Diagram Detailed diagram helps you easily identify and. In this article, we will delve into the ford 8n steering. The steering box is responsible for turning the front wheels and providing smooth steering. find the ford 8n tractor parts diagram to help you with repairs and maintenance. 216988 with early 4 bolt side sector steering gear box); need to. Ford 8N Steering Box Parts Diagram.
From www.youtube.com
Ford 8n Steering Assembly Part 6 YouTube Ford 8N Steering Box Parts Diagram understanding the layout and function of its parts is essential for a successful restoration or repair job. The steering box is responsible for turning the front wheels and providing smooth steering. need to replace the steering system on your redbelly tractor? watch this instructional video demonstrating a complete steering. Detailed diagram helps you easily identify and. 216988. Ford 8N Steering Box Parts Diagram.
From www.fixthatford.com
Steering Gear Parts for Ford 8N Tractors (ASN 216988) Ford 8N Steering Box Parts Diagram find the ford 8n tractor parts diagram to help you with repairs and maintenance. The parts diagram helps identify the different. The steering box is responsible for turning the front wheels and providing smooth steering. ford 8n steering parts for sale at discount prices. 216988 with early 4 bolt side sector steering gear box); Detailed diagram helps you. Ford 8N Steering Box Parts Diagram.
From schematicmashimonihr.z21.web.core.windows.net
Wiring Diagram 8n Ford Tractor Ford 8N Steering Box Parts Diagram ford 8n steering parts for sale at discount prices. find the ford 8n tractor parts diagram to help you with repairs and maintenance. understanding the layout and function of its parts is essential for a successful restoration or repair job. The steering box is responsible for turning the front wheels and providing smooth steering. In this article,. Ford 8N Steering Box Parts Diagram.
From schematron.org
8n Ford Tractor Steering Gear Box Diagram Wiring Diagram Pictures Ford 8N Steering Box Parts Diagram watch this instructional video demonstrating a complete steering. need to replace the steering system on your redbelly tractor? The steering box is responsible for turning the front wheels and providing smooth steering. The parts diagram helps identify the different. find the ford 8n tractor parts diagram to help you with repairs and maintenance. View our premium parts. Ford 8N Steering Box Parts Diagram.
From galvinconanstuart.blogspot.com
Ford Tractor Steering Box Diagram General Wiring Diagram Ford 8N Steering Box Parts Diagram understanding the layout and function of its parts is essential for a successful restoration or repair job. watch this instructional video demonstrating a complete steering. need to replace the steering system on your redbelly tractor? find the ford 8n tractor parts diagram to help you with repairs and maintenance. Detailed diagram helps you easily identify and.. Ford 8N Steering Box Parts Diagram.
From usermanualdrawling.z1.web.core.windows.net
Ford 8n Wiring Diagram Ford 8N Steering Box Parts Diagram 216988 with early 4 bolt side sector steering gear box); The parts diagram helps identify the different. View our premium parts including steering wheels, nuts, steering. find the ford 8n tractor parts diagram to help you with repairs and maintenance. understanding the layout and function of its parts is essential for a successful restoration or repair job. In. Ford 8N Steering Box Parts Diagram.
From usermanualdrawling.z1.web.core.windows.net
1965 Mustang Steering Wheel Wiring Diagram Ford 8N Steering Box Parts Diagram View our premium parts including steering wheels, nuts, steering. The parts diagram helps identify the different. watch this instructional video demonstrating a complete steering. need to replace the steering system on your redbelly tractor? 216988 with early 4 bolt side sector steering gear box); understanding the layout and function of its parts is essential for a successful. Ford 8N Steering Box Parts Diagram.
From circuitenginekathleen.z19.web.core.windows.net
Ford 8n Parts Book Ford 8N Steering Box Parts Diagram understanding the layout and function of its parts is essential for a successful restoration or repair job. watch this instructional video demonstrating a complete steering. The parts diagram helps identify the different. find the ford 8n tractor parts diagram to help you with repairs and maintenance. The steering box is responsible for turning the front wheels and. Ford 8N Steering Box Parts Diagram.
From galvinconanstuart.blogspot.com
8n Ford Tractor Steering Gear Box Diagram General Wiring Diagram Ford 8N Steering Box Parts Diagram In this article, we will delve into the ford 8n steering. find the ford 8n tractor parts diagram to help you with repairs and maintenance. need to replace the steering system on your redbelly tractor? Detailed diagram helps you easily identify and. The parts diagram helps identify the different. The steering box is responsible for turning the front. Ford 8N Steering Box Parts Diagram.
From wiringdatabaseinfo.blogspot.com
8n Ford Tractor Steering Gear Box Diagram Wiring Site Resource Ford 8N Steering Box Parts Diagram find the ford 8n tractor parts diagram to help you with repairs and maintenance. The steering box is responsible for turning the front wheels and providing smooth steering. understanding the layout and function of its parts is essential for a successful restoration or repair job. need to replace the steering system on your redbelly tractor? ford. Ford 8N Steering Box Parts Diagram.
From www.antiquetractorsrus.com
ABC3737 Steering Gearbox Seal Ford 8N Steering Box Parts Diagram need to replace the steering system on your redbelly tractor? Detailed diagram helps you easily identify and. understanding the layout and function of its parts is essential for a successful restoration or repair job. 216988 with early 4 bolt side sector steering gear box); The steering box is responsible for turning the front wheels and providing smooth steering.. Ford 8N Steering Box Parts Diagram.
From enginediagramhowso.z21.web.core.windows.net
1956 Ford Tractor Wiring Diagram Ford 8N Steering Box Parts Diagram watch this instructional video demonstrating a complete steering. understanding the layout and function of its parts is essential for a successful restoration or repair job. need to replace the steering system on your redbelly tractor? The steering box is responsible for turning the front wheels and providing smooth steering. The parts diagram helps identify the different. Detailed. Ford 8N Steering Box Parts Diagram.
From diagramweb.net
8n Ford Tractor Steering Gear Box Diagram Ford 8N Steering Box Parts Diagram watch this instructional video demonstrating a complete steering. ford 8n steering parts for sale at discount prices. Detailed diagram helps you easily identify and. View our premium parts including steering wheels, nuts, steering. The parts diagram helps identify the different. find the ford 8n tractor parts diagram to help you with repairs and maintenance. need to. Ford 8N Steering Box Parts Diagram.
From circuitwiringreseau123.z22.web.core.windows.net
Ford Ranger 2006 Fuse Box Diagram Ford 8N Steering Box Parts Diagram need to replace the steering system on your redbelly tractor? In this article, we will delve into the ford 8n steering. The steering box is responsible for turning the front wheels and providing smooth steering. understanding the layout and function of its parts is essential for a successful restoration or repair job. The parts diagram helps identify the. Ford 8N Steering Box Parts Diagram.
From garagecollins77.z21.web.core.windows.net
1951 Ford 8n Tractor Parts Ford 8N Steering Box Parts Diagram View our premium parts including steering wheels, nuts, steering. understanding the layout and function of its parts is essential for a successful restoration or repair job. The steering box is responsible for turning the front wheels and providing smooth steering. watch this instructional video demonstrating a complete steering. Detailed diagram helps you easily identify and. 216988 with early. Ford 8N Steering Box Parts Diagram.
From ecoens4.blogspot.com
8n Ford Tractor Wiring Diagram 12 Volt Ecoens Ford 8N Steering Box Parts Diagram need to replace the steering system on your redbelly tractor? The steering box is responsible for turning the front wheels and providing smooth steering. The parts diagram helps identify the different. understanding the layout and function of its parts is essential for a successful restoration or repair job. View our premium parts including steering wheels, nuts, steering. 216988. Ford 8N Steering Box Parts Diagram.
From garagefixlinosizox4.z22.web.core.windows.net
Tractor Supply 8n Ford Tractor Parts Ford 8N Steering Box Parts Diagram In this article, we will delve into the ford 8n steering. Detailed diagram helps you easily identify and. 216988 with early 4 bolt side sector steering gear box); View our premium parts including steering wheels, nuts, steering. The steering box is responsible for turning the front wheels and providing smooth steering. watch this instructional video demonstrating a complete steering.. Ford 8N Steering Box Parts Diagram.
From www.yesterdaystractors.com
steering box fill plug on a ford 8N Yesterday's Tractors Ford 8N Steering Box Parts Diagram 216988 with early 4 bolt side sector steering gear box); The parts diagram helps identify the different. watch this instructional video demonstrating a complete steering. The steering box is responsible for turning the front wheels and providing smooth steering. ford 8n steering parts for sale at discount prices. View our premium parts including steering wheels, nuts, steering. . Ford 8N Steering Box Parts Diagram.
From www.youtube.com
1948 Ford 8N Steering Box Replacement YouTube Ford 8N Steering Box Parts Diagram watch this instructional video demonstrating a complete steering. understanding the layout and function of its parts is essential for a successful restoration or repair job. find the ford 8n tractor parts diagram to help you with repairs and maintenance. In this article, we will delve into the ford 8n steering. need to replace the steering system. Ford 8N Steering Box Parts Diagram.
From schematicpartaudra.z13.web.core.windows.net
Ford 8n Starter Wiring Ford 8N Steering Box Parts Diagram 216988 with early 4 bolt side sector steering gear box); The parts diagram helps identify the different. View our premium parts including steering wheels, nuts, steering. In this article, we will delve into the ford 8n steering. The steering box is responsible for turning the front wheels and providing smooth steering. watch this instructional video demonstrating a complete steering.. Ford 8N Steering Box Parts Diagram.