Turn Signal Brake Light Dont Work . Learn why your brake lights may not work, but your tail lights do, and how to fix it. Learn why your brake lights may not be working and how to fix them. For that to work, the brake wire runs to the turn indicator, so that when you turn on the flashing turn signal, it switches out the brake. Find out the common causes, such as bad bulbs, switch, fuse, wiring, or connector. Here’s why brake lights not working but third light is: Brake lights not working, but the third brake light still works? Here is a 30 second fix without. Find out the common causes, such as bad bulbs, switch, fuse, or wiring, and the risks of driving with broken. Problems with the brake light switch. When you operate both blinkers and brake lights and the blinkers stop blinking, it’s because the circuit is not good enough to. Some of the most common reasons that your brake lights are out or malfunctioning include: Emergency flashers have a socket or lamp issue;
from circuitenginecollie.z13.web.core.windows.net
When you operate both blinkers and brake lights and the blinkers stop blinking, it’s because the circuit is not good enough to. Here is a 30 second fix without. Brake lights not working, but the third brake light still works? Learn why your brake lights may not be working and how to fix them. Here’s why brake lights not working but third light is: Some of the most common reasons that your brake lights are out or malfunctioning include: Find out the common causes, such as bad bulbs, switch, fuse, wiring, or connector. Problems with the brake light switch. For that to work, the brake wire runs to the turn indicator, so that when you turn on the flashing turn signal, it switches out the brake. Emergency flashers have a socket or lamp issue;
How To Turn On Brake Lights
Turn Signal Brake Light Dont Work Brake lights not working, but the third brake light still works? When you operate both blinkers and brake lights and the blinkers stop blinking, it’s because the circuit is not good enough to. Here is a 30 second fix without. Brake lights not working, but the third brake light still works? Problems with the brake light switch. Find out the common causes, such as bad bulbs, switch, fuse, or wiring, and the risks of driving with broken. Emergency flashers have a socket or lamp issue; Learn why your brake lights may not work, but your tail lights do, and how to fix it. Find out the common causes, such as bad bulbs, switch, fuse, wiring, or connector. Here’s why brake lights not working but third light is: Learn why your brake lights may not be working and how to fix them. Some of the most common reasons that your brake lights are out or malfunctioning include: For that to work, the brake wire runs to the turn indicator, so that when you turn on the flashing turn signal, it switches out the brake.
From www.dieseltruckresource.com
Turn signals/brake lights dont work Dodge Diesel Diesel Truck Turn Signal Brake Light Dont Work Find out the common causes, such as bad bulbs, switch, fuse, wiring, or connector. Emergency flashers have a socket or lamp issue; Here’s why brake lights not working but third light is: Here is a 30 second fix without. Find out the common causes, such as bad bulbs, switch, fuse, or wiring, and the risks of driving with broken. Problems. Turn Signal Brake Light Dont Work.
From www.youtube.com
How to change light bulb for brake or turn signal on 2015 to 2022 Chevy Turn Signal Brake Light Dont Work Brake lights not working, but the third brake light still works? Some of the most common reasons that your brake lights are out or malfunctioning include: Here is a 30 second fix without. Problems with the brake light switch. For that to work, the brake wire runs to the turn indicator, so that when you turn on the flashing turn. Turn Signal Brake Light Dont Work.
From www.audiworld.com
Right turn signal /brake light /rear light WARNING AudiWorld Forums Turn Signal Brake Light Dont Work Here’s why brake lights not working but third light is: Problems with the brake light switch. For that to work, the brake wire runs to the turn indicator, so that when you turn on the flashing turn signal, it switches out the brake. Brake lights not working, but the third brake light still works? Emergency flashers have a socket or. Turn Signal Brake Light Dont Work.
From wiringdiagram71.blogspot.com
Wiring Brake Lights And Turn Signals Installing/wiring 3 way led turn Turn Signal Brake Light Dont Work Emergency flashers have a socket or lamp issue; Learn why your brake lights may not work, but your tail lights do, and how to fix it. Problems with the brake light switch. Find out the common causes, such as bad bulbs, switch, fuse, wiring, or connector. Here is a 30 second fix without. For that to work, the brake wire. Turn Signal Brake Light Dont Work.
From www.cargurus.com
Chevrolet Silverado 1500 Questions Rear brake lights not working Turn Signal Brake Light Dont Work Problems with the brake light switch. Find out the common causes, such as bad bulbs, switch, fuse, or wiring, and the risks of driving with broken. Learn why your brake lights may not be working and how to fix them. Some of the most common reasons that your brake lights are out or malfunctioning include: Learn why your brake lights. Turn Signal Brake Light Dont Work.
From autovehicleparts.com
Do Your brake lights don't work when headlights are on? Turn Signal Brake Light Dont Work Some of the most common reasons that your brake lights are out or malfunctioning include: Brake lights not working, but the third brake light still works? Find out the common causes, such as bad bulbs, switch, fuse, wiring, or connector. Learn why your brake lights may not work, but your tail lights do, and how to fix it. Learn why. Turn Signal Brake Light Dont Work.
From www.youtube.com
how to fix nonworking turn signals and hazards vanlife 20170913 Turn Signal Brake Light Dont Work Brake lights not working, but the third brake light still works? When you operate both blinkers and brake lights and the blinkers stop blinking, it’s because the circuit is not good enough to. Some of the most common reasons that your brake lights are out or malfunctioning include: Here is a 30 second fix without. Here’s why brake lights not. Turn Signal Brake Light Dont Work.
From www.youtube.com
Turn signal problem diagnosis! (turn signals not working) YouTube Turn Signal Brake Light Dont Work Here is a 30 second fix without. Find out the common causes, such as bad bulbs, switch, fuse, or wiring, and the risks of driving with broken. When you operate both blinkers and brake lights and the blinkers stop blinking, it’s because the circuit is not good enough to. Learn why your brake lights may not be working and how. Turn Signal Brake Light Dont Work.
From wiringdiagram71.blogspot.com
Wiring Brake Lights And Turn Signals Installing/wiring 3 way led turn Turn Signal Brake Light Dont Work Here’s why brake lights not working but third light is: Find out the common causes, such as bad bulbs, switch, fuse, or wiring, and the risks of driving with broken. Learn why your brake lights may not work, but your tail lights do, and how to fix it. Emergency flashers have a socket or lamp issue; For that to work,. Turn Signal Brake Light Dont Work.
From www.wiringsecure.blog
Third Brake Light Turn Signal Wiring Diagram Wiring Secure Turn Signal Brake Light Dont Work Here’s why brake lights not working but third light is: Find out the common causes, such as bad bulbs, switch, fuse, or wiring, and the risks of driving with broken. Some of the most common reasons that your brake lights are out or malfunctioning include: Brake lights not working, but the third brake light still works? Learn why your brake. Turn Signal Brake Light Dont Work.
From exoyhpcvr.blob.core.windows.net
How Do Brake Lights And Turn Signals Work Together at Meghann Young blog Turn Signal Brake Light Dont Work For that to work, the brake wire runs to the turn indicator, so that when you turn on the flashing turn signal, it switches out the brake. Find out the common causes, such as bad bulbs, switch, fuse, or wiring, and the risks of driving with broken. Some of the most common reasons that your brake lights are out or. Turn Signal Brake Light Dont Work.
From circuitenginecollie.z13.web.core.windows.net
How To Turn On Brake Lights Turn Signal Brake Light Dont Work Learn why your brake lights may not be working and how to fix them. Here’s why brake lights not working but third light is: When you operate both blinkers and brake lights and the blinkers stop blinking, it’s because the circuit is not good enough to. For that to work, the brake wire runs to the turn indicator, so that. Turn Signal Brake Light Dont Work.
From www.2carpros.com
My Trailer Running Lights Don't Work, but the Brake and Turn Turn Signal Brake Light Dont Work Here is a 30 second fix without. Some of the most common reasons that your brake lights are out or malfunctioning include: Find out the common causes, such as bad bulbs, switch, fuse, or wiring, and the risks of driving with broken. Brake lights not working, but the third brake light still works? Learn why your brake lights may not. Turn Signal Brake Light Dont Work.
From www.dieseltruckresource.com
Turn signals/brake lights dont work Dodge Diesel Diesel Truck Turn Signal Brake Light Dont Work For that to work, the brake wire runs to the turn indicator, so that when you turn on the flashing turn signal, it switches out the brake. Problems with the brake light switch. Here’s why brake lights not working but third light is: Find out the common causes, such as bad bulbs, switch, fuse, or wiring, and the risks of. Turn Signal Brake Light Dont Work.
From www.thoughtco.com
How to Replace a Rear Brake and Turn Signal Light Bulb Turn Signal Brake Light Dont Work Learn why your brake lights may not work, but your tail lights do, and how to fix it. Problems with the brake light switch. Here is a 30 second fix without. Find out the common causes, such as bad bulbs, switch, fuse, wiring, or connector. Learn why your brake lights may not be working and how to fix them. Brake. Turn Signal Brake Light Dont Work.
From corvaircenter.com
One brake light does not work Turn signal is the cause Turn Signal Brake Light Dont Work Learn why your brake lights may not be working and how to fix them. Problems with the brake light switch. Here is a 30 second fix without. When you operate both blinkers and brake lights and the blinkers stop blinking, it’s because the circuit is not good enough to. Emergency flashers have a socket or lamp issue; Find out the. Turn Signal Brake Light Dont Work.
From junitaalger.blogspot.com
brake lights not working but turn signals are Junita Alger Turn Signal Brake Light Dont Work Emergency flashers have a socket or lamp issue; Brake lights not working, but the third brake light still works? Learn why your brake lights may not work, but your tail lights do, and how to fix it. Problems with the brake light switch. Learn why your brake lights may not be working and how to fix them. Here is a. Turn Signal Brake Light Dont Work.
From www.youtube.com
Ford Ranger Broken Turn Signals Fix YouTube Turn Signal Brake Light Dont Work Some of the most common reasons that your brake lights are out or malfunctioning include: Here’s why brake lights not working but third light is: Find out the common causes, such as bad bulbs, switch, fuse, wiring, or connector. Learn why your brake lights may not work, but your tail lights do, and how to fix it. Here is a. Turn Signal Brake Light Dont Work.
From schematicattent.z21.web.core.windows.net
Basic Brake And Turn Signal Car Wiring Diagram Turn Signal Brake Light Dont Work Find out the common causes, such as bad bulbs, switch, fuse, or wiring, and the risks of driving with broken. Here’s why brake lights not working but third light is: Find out the common causes, such as bad bulbs, switch, fuse, wiring, or connector. Problems with the brake light switch. Learn why your brake lights may not be working and. Turn Signal Brake Light Dont Work.
From repairformula.blogspot.com
Ford Ranger Brake Lights Not Working Repair Formula Turn Signal Brake Light Dont Work When you operate both blinkers and brake lights and the blinkers stop blinking, it’s because the circuit is not good enough to. Here is a 30 second fix without. Some of the most common reasons that your brake lights are out or malfunctioning include: Learn why your brake lights may not work, but your tail lights do, and how to. Turn Signal Brake Light Dont Work.
From www.2carpros.com
Turn Signal Lever and Brake Lights Not Working Turn Signal Brake Light Dont Work Problems with the brake light switch. Here’s why brake lights not working but third light is: Here is a 30 second fix without. Find out the common causes, such as bad bulbs, switch, fuse, or wiring, and the risks of driving with broken. When you operate both blinkers and brake lights and the blinkers stop blinking, it’s because the circuit. Turn Signal Brake Light Dont Work.
From www.youtube.com
Toyota Turn Signals Not Working Diagnosis and Repair YouTube Turn Signal Brake Light Dont Work When you operate both blinkers and brake lights and the blinkers stop blinking, it’s because the circuit is not good enough to. For that to work, the brake wire runs to the turn indicator, so that when you turn on the flashing turn signal, it switches out the brake. Here is a 30 second fix without. Here’s why brake lights. Turn Signal Brake Light Dont Work.
From 2020cadillac.com
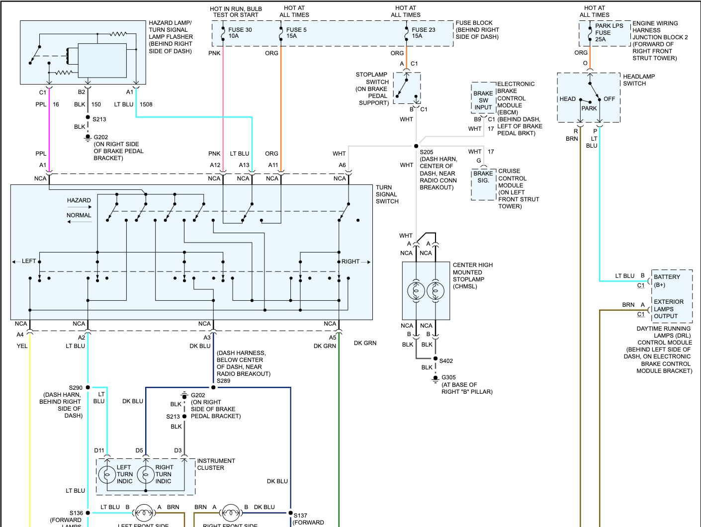
Brake Light Turn Signal Wiring Diagram Cadician's Blog Turn Signal Brake Light Dont Work For that to work, the brake wire runs to the turn indicator, so that when you turn on the flashing turn signal, it switches out the brake. Brake lights not working, but the third brake light still works? Some of the most common reasons that your brake lights are out or malfunctioning include: Find out the common causes, such as. Turn Signal Brake Light Dont Work.
From abzlocal.mx
Total 83+ imagen jeep wrangler brake light and turn signal not working Turn Signal Brake Light Dont Work Brake lights not working, but the third brake light still works? Emergency flashers have a socket or lamp issue; When you operate both blinkers and brake lights and the blinkers stop blinking, it’s because the circuit is not good enough to. Learn why your brake lights may not work, but your tail lights do, and how to fix it. Learn. Turn Signal Brake Light Dont Work.
From www.youtube.com
Why My Turn Signals Don't Work Diagnosis YouTube Turn Signal Brake Light Dont Work For that to work, the brake wire runs to the turn indicator, so that when you turn on the flashing turn signal, it switches out the brake. Find out the common causes, such as bad bulbs, switch, fuse, wiring, or connector. Here’s why brake lights not working but third light is: Here is a 30 second fix without. Emergency flashers. Turn Signal Brake Light Dont Work.
From www.youtube.com
Trailer Brake Lights or Turn Signals NOT Working TRY THIS YouTube Turn Signal Brake Light Dont Work Problems with the brake light switch. Find out the common causes, such as bad bulbs, switch, fuse, or wiring, and the risks of driving with broken. When you operate both blinkers and brake lights and the blinkers stop blinking, it’s because the circuit is not good enough to. For that to work, the brake wire runs to the turn indicator,. Turn Signal Brake Light Dont Work.
From thegrumpymechanic.com
Reasons Why your Brake Lights Don’t Work When Headlights Are On Turn Signal Brake Light Dont Work Brake lights not working, but the third brake light still works? Emergency flashers have a socket or lamp issue; When you operate both blinkers and brake lights and the blinkers stop blinking, it’s because the circuit is not good enough to. Problems with the brake light switch. Here’s why brake lights not working but third light is: Learn why your. Turn Signal Brake Light Dont Work.
From www.jalopyjournal.com
Technical 51 3100 no brake lights, added turn signal wiring? The Turn Signal Brake Light Dont Work Some of the most common reasons that your brake lights are out or malfunctioning include: Problems with the brake light switch. For that to work, the brake wire runs to the turn indicator, so that when you turn on the flashing turn signal, it switches out the brake. Here is a 30 second fix without. Emergency flashers have a socket. Turn Signal Brake Light Dont Work.
From www.youtube.com
How to Fix Turn Signal Blinking Fast How to Replace Turn Signal Turn Signal Brake Light Dont Work Brake lights not working, but the third brake light still works? Emergency flashers have a socket or lamp issue; When you operate both blinkers and brake lights and the blinkers stop blinking, it’s because the circuit is not good enough to. Problems with the brake light switch. Some of the most common reasons that your brake lights are out or. Turn Signal Brake Light Dont Work.
From carproblemguru.com
Right Turn Signal And Brake Light Not Working On Trailer (Quick Fix) Turn Signal Brake Light Dont Work Find out the common causes, such as bad bulbs, switch, fuse, or wiring, and the risks of driving with broken. Learn why your brake lights may not be working and how to fix them. When you operate both blinkers and brake lights and the blinkers stop blinking, it’s because the circuit is not good enough to. Here is a 30. Turn Signal Brake Light Dont Work.
From www.youtube.com
How to fix brake lights or turn signals that aren't working (without Turn Signal Brake Light Dont Work Brake lights not working, but the third brake light still works? Here is a 30 second fix without. Learn why your brake lights may not be working and how to fix them. Learn why your brake lights may not work, but your tail lights do, and how to fix it. For that to work, the brake wire runs to the. Turn Signal Brake Light Dont Work.
From www.justanswer.com
Q&A Ford F250 Turn Signals Not Working Troubleshooting & Wiring Diagrams Turn Signal Brake Light Dont Work Here is a 30 second fix without. Find out the common causes, such as bad bulbs, switch, fuse, or wiring, and the risks of driving with broken. Find out the common causes, such as bad bulbs, switch, fuse, wiring, or connector. Some of the most common reasons that your brake lights are out or malfunctioning include: Emergency flashers have a. Turn Signal Brake Light Dont Work.
From 67-72chevytrucks.com
Brake lights don't work, and turn signals don't work The 1947 Turn Signal Brake Light Dont Work Find out the common causes, such as bad bulbs, switch, fuse, or wiring, and the risks of driving with broken. Here’s why brake lights not working but third light is: Find out the common causes, such as bad bulbs, switch, fuse, wiring, or connector. Some of the most common reasons that your brake lights are out or malfunctioning include: Here. Turn Signal Brake Light Dont Work.
From askmyauto.com
How to Wire Turn Signal and Brake Lights Easy Guide Turn Signal Brake Light Dont Work Brake lights not working, but the third brake light still works? Some of the most common reasons that your brake lights are out or malfunctioning include: Problems with the brake light switch. Find out the common causes, such as bad bulbs, switch, fuse, wiring, or connector. Learn why your brake lights may not be working and how to fix them.. Turn Signal Brake Light Dont Work.
From www.2carpros.com
Rear Drivers Side Signal/brake Light Not Working Properly? Turn Signal Brake Light Dont Work Problems with the brake light switch. Some of the most common reasons that your brake lights are out or malfunctioning include: Brake lights not working, but the third brake light still works? Find out the common causes, such as bad bulbs, switch, fuse, wiring, or connector. When you operate both blinkers and brake lights and the blinkers stop blinking, it’s. Turn Signal Brake Light Dont Work.