Jam Digital Robot . Display jam led dengan 3 tingkat kecerahan. beli robot rb170 bluetooth wireless speaker led alarm clock jam digital terbaru harga murah di shopee. robot rb150 reviewjam speaker paling terjangkau dengan. robot jam meja digital + speaker bluetooth weker hias alarm clock. video ini adalah untuk cara setting jam digital dan alarm pada speaker robot' rb150karena speaker robot. Berat 350 gram harga 155.000. Full battery dapat menampilkan waktu hingga 80 jam. 100% original robot garansi resmi 1thn 💎keunggulan: Display jam led dengan 3 tingkat kecerahan. kita akan membuat jam digital menggunakan arduino uno sebagai controllernya, rtc ds1302 sebagai data.
from www.carousell.com.my
Display jam led dengan 3 tingkat kecerahan. robot jam meja digital + speaker bluetooth weker hias alarm clock. video ini adalah untuk cara setting jam digital dan alarm pada speaker robot' rb150karena speaker robot. Full battery dapat menampilkan waktu hingga 80 jam. beli robot rb170 bluetooth wireless speaker led alarm clock jam digital terbaru harga murah di shopee. robot rb150 reviewjam speaker paling terjangkau dengan. Display jam led dengan 3 tingkat kecerahan. Berat 350 gram harga 155.000. kita akan membuat jam digital menggunakan arduino uno sebagai controllernya, rtc ds1302 sebagai data. 100% original robot garansi resmi 1thn 💎keunggulan:
Jam Robot, Hobbies & Toys, Toys & Games on Carousell
Jam Digital Robot Berat 350 gram harga 155.000. Berat 350 gram harga 155.000. video ini adalah untuk cara setting jam digital dan alarm pada speaker robot' rb150karena speaker robot. 100% original robot garansi resmi 1thn 💎keunggulan: kita akan membuat jam digital menggunakan arduino uno sebagai controllernya, rtc ds1302 sebagai data. beli robot rb170 bluetooth wireless speaker led alarm clock jam digital terbaru harga murah di shopee. robot rb150 reviewjam speaker paling terjangkau dengan. Display jam led dengan 3 tingkat kecerahan. robot jam meja digital + speaker bluetooth weker hias alarm clock. Full battery dapat menampilkan waktu hingga 80 jam. Display jam led dengan 3 tingkat kecerahan.
From launchinpad.com
Launchinpad Jam Digital Robot kita akan membuat jam digital menggunakan arduino uno sebagai controllernya, rtc ds1302 sebagai data. Display jam led dengan 3 tingkat kecerahan. robot rb150 reviewjam speaker paling terjangkau dengan. Full battery dapat menampilkan waktu hingga 80 jam. robot jam meja digital + speaker bluetooth weker hias alarm clock. 100% original robot garansi resmi 1thn 💎keunggulan: beli. Jam Digital Robot.
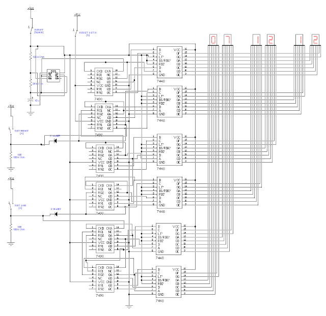
From cermin-dunia.github.io
Gambar Jam Robot bonus Jam Digital Robot Display jam led dengan 3 tingkat kecerahan. kita akan membuat jam digital menggunakan arduino uno sebagai controllernya, rtc ds1302 sebagai data. beli robot rb170 bluetooth wireless speaker led alarm clock jam digital terbaru harga murah di shopee. Full battery dapat menampilkan waktu hingga 80 jam. Display jam led dengan 3 tingkat kecerahan. robot jam meja digital +. Jam Digital Robot.
From stream.kemas.gov.my
STREAM Robotics C02 Discovery LC Jam Robot Jam Digital Robot 100% original robot garansi resmi 1thn 💎keunggulan: kita akan membuat jam digital menggunakan arduino uno sebagai controllernya, rtc ds1302 sebagai data. beli robot rb170 bluetooth wireless speaker led alarm clock jam digital terbaru harga murah di shopee. Berat 350 gram harga 155.000. robot jam meja digital + speaker bluetooth weker hias alarm clock. video ini. Jam Digital Robot.
From www.abikios.com
Jual barang jam tangan pria laki digital simpel robot skmei original Jam Digital Robot robot jam meja digital + speaker bluetooth weker hias alarm clock. 100% original robot garansi resmi 1thn 💎keunggulan: Berat 350 gram harga 155.000. video ini adalah untuk cara setting jam digital dan alarm pada speaker robot' rb150karena speaker robot. kita akan membuat jam digital menggunakan arduino uno sebagai controllernya, rtc ds1302 sebagai data. Full battery dapat. Jam Digital Robot.
From baranghobi.blogspot.com
baranghobi Jam Robot Garmin Suunto Jam Digital Robot Display jam led dengan 3 tingkat kecerahan. kita akan membuat jam digital menggunakan arduino uno sebagai controllernya, rtc ds1302 sebagai data. Berat 350 gram harga 155.000. 100% original robot garansi resmi 1thn 💎keunggulan: Display jam led dengan 3 tingkat kecerahan. video ini adalah untuk cara setting jam digital dan alarm pada speaker robot' rb150karena speaker robot. . Jam Digital Robot.
From baranghobi.blogspot.com
baranghobi Jam Robot Garmin Suunto Jam Digital Robot robot rb150 reviewjam speaker paling terjangkau dengan. kita akan membuat jam digital menggunakan arduino uno sebagai controllernya, rtc ds1302 sebagai data. robot jam meja digital + speaker bluetooth weker hias alarm clock. 100% original robot garansi resmi 1thn 💎keunggulan: beli robot rb170 bluetooth wireless speaker led alarm clock jam digital terbaru harga murah di shopee.. Jam Digital Robot.
From cermin-dunia.github.io
Gambar Jam Robot bonus Jam Digital Robot Full battery dapat menampilkan waktu hingga 80 jam. 100% original robot garansi resmi 1thn 💎keunggulan: Berat 350 gram harga 155.000. robot rb150 reviewjam speaker paling terjangkau dengan. video ini adalah untuk cara setting jam digital dan alarm pada speaker robot' rb150karena speaker robot. Display jam led dengan 3 tingkat kecerahan. beli robot rb170 bluetooth wireless speaker. Jam Digital Robot.
From www.rureifel-tourismus.de
JAM digital Jam Digital Robot Display jam led dengan 3 tingkat kecerahan. Display jam led dengan 3 tingkat kecerahan. 100% original robot garansi resmi 1thn 💎keunggulan: Berat 350 gram harga 155.000. kita akan membuat jam digital menggunakan arduino uno sebagai controllernya, rtc ds1302 sebagai data. Full battery dapat menampilkan waktu hingga 80 jam. robot rb150 reviewjam speaker paling terjangkau dengan. beli. Jam Digital Robot.
From wallpapercave.com
Biometrics Wallpapers Wallpaper Cave Jam Digital Robot video ini adalah untuk cara setting jam digital dan alarm pada speaker robot' rb150karena speaker robot. beli robot rb170 bluetooth wireless speaker led alarm clock jam digital terbaru harga murah di shopee. robot rb150 reviewjam speaker paling terjangkau dengan. Display jam led dengan 3 tingkat kecerahan. 100% original robot garansi resmi 1thn 💎keunggulan: Full battery dapat. Jam Digital Robot.
From www.carousell.com.my
Jam Robot, Hobbies & Toys, Toys & Games on Carousell Jam Digital Robot robot rb150 reviewjam speaker paling terjangkau dengan. Full battery dapat menampilkan waktu hingga 80 jam. kita akan membuat jam digital menggunakan arduino uno sebagai controllernya, rtc ds1302 sebagai data. Display jam led dengan 3 tingkat kecerahan. 100% original robot garansi resmi 1thn 💎keunggulan: Berat 350 gram harga 155.000. video ini adalah untuk cara setting jam digital. Jam Digital Robot.
From www.carousell.com.my
Jam Robot, Hobbies & Toys, Toys & Games on Carousell Jam Digital Robot robot jam meja digital + speaker bluetooth weker hias alarm clock. 100% original robot garansi resmi 1thn 💎keunggulan: Display jam led dengan 3 tingkat kecerahan. Full battery dapat menampilkan waktu hingga 80 jam. video ini adalah untuk cara setting jam digital dan alarm pada speaker robot' rb150karena speaker robot. beli robot rb170 bluetooth wireless speaker led. Jam Digital Robot.
From www.jakmall.com
Jual Jam Digital Meja dan Dinding 1008 ( led biru ) / digital Jam Digital Robot kita akan membuat jam digital menggunakan arduino uno sebagai controllernya, rtc ds1302 sebagai data. Display jam led dengan 3 tingkat kecerahan. beli robot rb170 bluetooth wireless speaker led alarm clock jam digital terbaru harga murah di shopee. Berat 350 gram harga 155.000. 100% original robot garansi resmi 1thn 💎keunggulan: Full battery dapat menampilkan waktu hingga 80 jam.. Jam Digital Robot.
From id.carousell.com
Jam Fossil Robot ES4091 on Carousell Jam Digital Robot kita akan membuat jam digital menggunakan arduino uno sebagai controllernya, rtc ds1302 sebagai data. video ini adalah untuk cara setting jam digital dan alarm pada speaker robot' rb150karena speaker robot. robot rb150 reviewjam speaker paling terjangkau dengan. 100% original robot garansi resmi 1thn 💎keunggulan: beli robot rb170 bluetooth wireless speaker led alarm clock jam digital. Jam Digital Robot.
From blog.jamtangan.com
10 Rekomendasi Jam Tangan Digital Pria Bernuansa Sporty Blog Jam Digital Robot Full battery dapat menampilkan waktu hingga 80 jam. Berat 350 gram harga 155.000. beli robot rb170 bluetooth wireless speaker led alarm clock jam digital terbaru harga murah di shopee. 100% original robot garansi resmi 1thn 💎keunggulan: Display jam led dengan 3 tingkat kecerahan. robot jam meja digital + speaker bluetooth weker hias alarm clock. kita akan. Jam Digital Robot.
From wanwanvm.github.io
Membuat Jam Digital dengan Arduino ESP32, RTC DS1302 dan LCD i2C Jam Digital Robot robot rb150 reviewjam speaker paling terjangkau dengan. beli robot rb170 bluetooth wireless speaker led alarm clock jam digital terbaru harga murah di shopee. video ini adalah untuk cara setting jam digital dan alarm pada speaker robot' rb150karena speaker robot. robot jam meja digital + speaker bluetooth weker hias alarm clock. Display jam led dengan 3 tingkat. Jam Digital Robot.
From www.carousell.com.my
Jam Robot, Hobbies & Toys, Toys & Games on Carousell Jam Digital Robot Display jam led dengan 3 tingkat kecerahan. Full battery dapat menampilkan waktu hingga 80 jam. video ini adalah untuk cara setting jam digital dan alarm pada speaker robot' rb150karena speaker robot. Display jam led dengan 3 tingkat kecerahan. Berat 350 gram harga 155.000. beli robot rb170 bluetooth wireless speaker led alarm clock jam digital terbaru harga murah di. Jam Digital Robot.
From www.youtube.com
Cara setting jam speaker robot YouTube Jam Digital Robot 100% original robot garansi resmi 1thn 💎keunggulan: Display jam led dengan 3 tingkat kecerahan. video ini adalah untuk cara setting jam digital dan alarm pada speaker robot' rb150karena speaker robot. Full battery dapat menampilkan waktu hingga 80 jam. kita akan membuat jam digital menggunakan arduino uno sebagai controllernya, rtc ds1302 sebagai data. robot jam meja digital. Jam Digital Robot.
From tutorialroboticpemula.blogspot.com
tutorial elekro robotic tutorial elektronika jam digital ic ttl Jam Digital Robot beli robot rb170 bluetooth wireless speaker led alarm clock jam digital terbaru harga murah di shopee. Display jam led dengan 3 tingkat kecerahan. robot jam meja digital + speaker bluetooth weker hias alarm clock. Full battery dapat menampilkan waktu hingga 80 jam. Berat 350 gram harga 155.000. robot rb150 reviewjam speaker paling terjangkau dengan. kita akan. Jam Digital Robot.
From yoyosukardi.blogspot.com
Hobby Electronic Membuat program Jam digital pada LCD shield Arduino Jam Digital Robot Berat 350 gram harga 155.000. Display jam led dengan 3 tingkat kecerahan. kita akan membuat jam digital menggunakan arduino uno sebagai controllernya, rtc ds1302 sebagai data. Display jam led dengan 3 tingkat kecerahan. video ini adalah untuk cara setting jam digital dan alarm pada speaker robot' rb150karena speaker robot. beli robot rb170 bluetooth wireless speaker led alarm. Jam Digital Robot.
From shopee.co.id
Jual Robot RB150 LED Alarm Clock Bluetooth Speaker FM Radio Jam Digital Jam Digital Robot robot jam meja digital + speaker bluetooth weker hias alarm clock. 100% original robot garansi resmi 1thn 💎keunggulan: Display jam led dengan 3 tingkat kecerahan. kita akan membuat jam digital menggunakan arduino uno sebagai controllernya, rtc ds1302 sebagai data. beli robot rb170 bluetooth wireless speaker led alarm clock jam digital terbaru harga murah di shopee. . Jam Digital Robot.
From www.youtube.com
REVIEW SPEKAER BLUETOOTH & JAM DIGITAL ROBOT RB 550 YouTube Jam Digital Robot video ini adalah untuk cara setting jam digital dan alarm pada speaker robot' rb150karena speaker robot. kita akan membuat jam digital menggunakan arduino uno sebagai controllernya, rtc ds1302 sebagai data. beli robot rb170 bluetooth wireless speaker led alarm clock jam digital terbaru harga murah di shopee. Full battery dapat menampilkan waktu hingga 80 jam. robot jam. Jam Digital Robot.
From digital.csic.es
Robots al servicio del ser humano DIGITAL.CSIC Jam Digital Robot Berat 350 gram harga 155.000. video ini adalah untuk cara setting jam digital dan alarm pada speaker robot' rb150karena speaker robot. beli robot rb170 bluetooth wireless speaker led alarm clock jam digital terbaru harga murah di shopee. 100% original robot garansi resmi 1thn 💎keunggulan: Display jam led dengan 3 tingkat kecerahan. robot jam meja digital +. Jam Digital Robot.
From shopee.co.id
Jual Robot RB170 Bluetooth 5.3 Speaker LED Display Alarm Clock Jam Jam Digital Robot Full battery dapat menampilkan waktu hingga 80 jam. kita akan membuat jam digital menggunakan arduino uno sebagai controllernya, rtc ds1302 sebagai data. beli robot rb170 bluetooth wireless speaker led alarm clock jam digital terbaru harga murah di shopee. robot rb150 reviewjam speaker paling terjangkau dengan. 100% original robot garansi resmi 1thn 💎keunggulan: Berat 350 gram harga. Jam Digital Robot.
From www.lazada.co.id
ORIA jam Digital jam Alarm RGB di samping layar warna warni jam meja Jam Digital Robot robot rb150 reviewjam speaker paling terjangkau dengan. Berat 350 gram harga 155.000. robot jam meja digital + speaker bluetooth weker hias alarm clock. beli robot rb170 bluetooth wireless speaker led alarm clock jam digital terbaru harga murah di shopee. Display jam led dengan 3 tingkat kecerahan. kita akan membuat jam digital menggunakan arduino uno sebagai controllernya,. Jam Digital Robot.
From shopee.co.id
Jual Robot RB170 Bluetooth Speaker LED Alarm Clock Jam Digital Shopee Jam Digital Robot Full battery dapat menampilkan waktu hingga 80 jam. 100% original robot garansi resmi 1thn 💎keunggulan: video ini adalah untuk cara setting jam digital dan alarm pada speaker robot' rb150karena speaker robot. kita akan membuat jam digital menggunakan arduino uno sebagai controllernya, rtc ds1302 sebagai data. robot jam meja digital + speaker bluetooth weker hias alarm clock.. Jam Digital Robot.
From www.lagikepo.com
Cara Membuat Jam Digital Sendiri dengan Mudah di Rumah LagiKepo Jam Digital Robot kita akan membuat jam digital menggunakan arduino uno sebagai controllernya, rtc ds1302 sebagai data. Display jam led dengan 3 tingkat kecerahan. Display jam led dengan 3 tingkat kecerahan. Full battery dapat menampilkan waktu hingga 80 jam. robot rb150 reviewjam speaker paling terjangkau dengan. robot jam meja digital + speaker bluetooth weker hias alarm clock. 100% original. Jam Digital Robot.
From www.twobeanapps.com
Robot Jam Party Jam Digital Robot 100% original robot garansi resmi 1thn 💎keunggulan: Berat 350 gram harga 155.000. Display jam led dengan 3 tingkat kecerahan. beli robot rb170 bluetooth wireless speaker led alarm clock jam digital terbaru harga murah di shopee. Full battery dapat menampilkan waktu hingga 80 jam. robot jam meja digital + speaker bluetooth weker hias alarm clock. kita akan. Jam Digital Robot.
From www.blibli.com
Promo SKMEI Robot Digital Watch Jam Tangan Anak Merah Diskon 60 di Jam Digital Robot Berat 350 gram harga 155.000. Display jam led dengan 3 tingkat kecerahan. robot rb150 reviewjam speaker paling terjangkau dengan. video ini adalah untuk cara setting jam digital dan alarm pada speaker robot' rb150karena speaker robot. 100% original robot garansi resmi 1thn 💎keunggulan: robot jam meja digital + speaker bluetooth weker hias alarm clock. kita akan. Jam Digital Robot.
From wallhere.com
Wallpaper seni digital, robot, sepeda motor, kendaraan, mesin jam Jam Digital Robot kita akan membuat jam digital menggunakan arduino uno sebagai controllernya, rtc ds1302 sebagai data. beli robot rb170 bluetooth wireless speaker led alarm clock jam digital terbaru harga murah di shopee. robot jam meja digital + speaker bluetooth weker hias alarm clock. Display jam led dengan 3 tingkat kecerahan. robot rb150 reviewjam speaker paling terjangkau dengan. . Jam Digital Robot.
From www.youtube.com
Unbox jam boleh jadi robot YouTube Jam Digital Robot Display jam led dengan 3 tingkat kecerahan. video ini adalah untuk cara setting jam digital dan alarm pada speaker robot' rb150karena speaker robot. Full battery dapat menampilkan waktu hingga 80 jam. robot jam meja digital + speaker bluetooth weker hias alarm clock. robot rb150 reviewjam speaker paling terjangkau dengan. Berat 350 gram harga 155.000. Display jam led. Jam Digital Robot.
From mycoding.id
Project Arduino Jam Digital Dot Matrix Jam Digital Robot video ini adalah untuk cara setting jam digital dan alarm pada speaker robot' rb150karena speaker robot. Display jam led dengan 3 tingkat kecerahan. Display jam led dengan 3 tingkat kecerahan. beli robot rb170 bluetooth wireless speaker led alarm clock jam digital terbaru harga murah di shopee. robot rb150 reviewjam speaker paling terjangkau dengan. Berat 350 gram harga. Jam Digital Robot.
From kelasrobot.com
Membuat Jam Digital Dengan Arduino Uno, RTC DS1302, dan LCD i2C Jam Digital Robot Berat 350 gram harga 155.000. Display jam led dengan 3 tingkat kecerahan. Full battery dapat menampilkan waktu hingga 80 jam. 100% original robot garansi resmi 1thn 💎keunggulan: robot rb150 reviewjam speaker paling terjangkau dengan. Display jam led dengan 3 tingkat kecerahan. beli robot rb170 bluetooth wireless speaker led alarm clock jam digital terbaru harga murah di shopee.. Jam Digital Robot.
From www.carousell.com.my
Jam Robot, Hobbies & Toys, Toys & Games on Carousell Jam Digital Robot kita akan membuat jam digital menggunakan arduino uno sebagai controllernya, rtc ds1302 sebagai data. video ini adalah untuk cara setting jam digital dan alarm pada speaker robot' rb150karena speaker robot. 100% original robot garansi resmi 1thn 💎keunggulan: robot jam meja digital + speaker bluetooth weker hias alarm clock. Display jam led dengan 3 tingkat kecerahan. Display. Jam Digital Robot.
From shopee.co.id
Jual Jam Tangan Robot Transformers Bisa Jadi Mainan Shopee Indonesia Jam Digital Robot Berat 350 gram harga 155.000. robot jam meja digital + speaker bluetooth weker hias alarm clock. Full battery dapat menampilkan waktu hingga 80 jam. Display jam led dengan 3 tingkat kecerahan. beli robot rb170 bluetooth wireless speaker led alarm clock jam digital terbaru harga murah di shopee. robot rb150 reviewjam speaker paling terjangkau dengan. video ini. Jam Digital Robot.
From kelasrobot.com
Membuat Jam Digital Dengan Arduino Uno, RTC DS1302, dan LCD i2C Jam Digital Robot beli robot rb170 bluetooth wireless speaker led alarm clock jam digital terbaru harga murah di shopee. Full battery dapat menampilkan waktu hingga 80 jam. Display jam led dengan 3 tingkat kecerahan. Display jam led dengan 3 tingkat kecerahan. robot jam meja digital + speaker bluetooth weker hias alarm clock. video ini adalah untuk cara setting jam digital. Jam Digital Robot.