Tachograph Wiring Diagram . connect a tachograph programmer (for instance a pulses into the tachograph via the stoneridge optimo2 tachograph programmer) to the calibration/download. This will be where the tachometer receives its. (d) route the signal wire from the gauge (s) to the signal wire source location. a valid control card is required to download or to view driving data stored on either an inserted driver card or in the tachographs. a vdo tachometer wiring diagram is a schematic representation of the electrical connections necessary to install and. at over eight minutes long, the video is packed with vital pointers,. learn how to wire a digital tachometer with a comprehensive wiring diagram. the wiring diagram for a tachograph allows technicians to accurately interpret the electrical signals that are.
from www.benzworld.org
the wiring diagram for a tachograph allows technicians to accurately interpret the electrical signals that are. connect a tachograph programmer (for instance a pulses into the tachograph via the stoneridge optimo2 tachograph programmer) to the calibration/download. This will be where the tachometer receives its. learn how to wire a digital tachometer with a comprehensive wiring diagram. (d) route the signal wire from the gauge (s) to the signal wire source location. a vdo tachometer wiring diagram is a schematic representation of the electrical connections necessary to install and. at over eight minutes long, the video is packed with vital pointers,. a valid control card is required to download or to view driving data stored on either an inserted driver card or in the tachographs.
Kienzle 131437 Tachograph wiring diagram MercedesBenz Forum
Tachograph Wiring Diagram a valid control card is required to download or to view driving data stored on either an inserted driver card or in the tachographs. a vdo tachometer wiring diagram is a schematic representation of the electrical connections necessary to install and. a valid control card is required to download or to view driving data stored on either an inserted driver card or in the tachographs. learn how to wire a digital tachometer with a comprehensive wiring diagram. (d) route the signal wire from the gauge (s) to the signal wire source location. at over eight minutes long, the video is packed with vital pointers,. connect a tachograph programmer (for instance a pulses into the tachograph via the stoneridge optimo2 tachograph programmer) to the calibration/download. This will be where the tachometer receives its. the wiring diagram for a tachograph allows technicians to accurately interpret the electrical signals that are.
From fab-aid.blogspot.com
Vdo Digital Tachograph Wiring Diagram Fab Aid Tachograph Wiring Diagram This will be where the tachometer receives its. connect a tachograph programmer (for instance a pulses into the tachograph via the stoneridge optimo2 tachograph programmer) to the calibration/download. a vdo tachometer wiring diagram is a schematic representation of the electrical connections necessary to install and. the wiring diagram for a tachograph allows technicians to accurately interpret the. Tachograph Wiring Diagram.
From www.researchgate.net
Core elements of a tachograph system [FULE06] Download Scientific Diagram Tachograph Wiring Diagram at over eight minutes long, the video is packed with vital pointers,. a vdo tachometer wiring diagram is a schematic representation of the electrical connections necessary to install and. the wiring diagram for a tachograph allows technicians to accurately interpret the electrical signals that are. learn how to wire a digital tachometer with a comprehensive wiring. Tachograph Wiring Diagram.
From schematiclibazalea123.z4.web.core.windows.net
Vdo Tach Wiring Instructions Diagram Tachograph Wiring Diagram the wiring diagram for a tachograph allows technicians to accurately interpret the electrical signals that are. at over eight minutes long, the video is packed with vital pointers,. learn how to wire a digital tachometer with a comprehensive wiring diagram. connect a tachograph programmer (for instance a pulses into the tachograph via the stoneridge optimo2 tachograph. Tachograph Wiring Diagram.
From circuitmanualostermann.z19.web.core.windows.net
Vdo 1318 Tachograph Wiring Diagram Tachograph Wiring Diagram at over eight minutes long, the video is packed with vital pointers,. connect a tachograph programmer (for instance a pulses into the tachograph via the stoneridge optimo2 tachograph programmer) to the calibration/download. (d) route the signal wire from the gauge (s) to the signal wire source location. This will be where the tachometer receives its. a. Tachograph Wiring Diagram.
From diagramweb.net
Vdo Marine Tachometer Wiring Diagram Tachograph Wiring Diagram learn how to wire a digital tachometer with a comprehensive wiring diagram. This will be where the tachometer receives its. a vdo tachometer wiring diagram is a schematic representation of the electrical connections necessary to install and. a valid control card is required to download or to view driving data stored on either an inserted driver card. Tachograph Wiring Diagram.
From adventuresofaidanpod.blogspot.com
Vdo 1318 Tachograph Wiring Diagram adventures of aidanpod Tachograph Wiring Diagram at over eight minutes long, the video is packed with vital pointers,. the wiring diagram for a tachograph allows technicians to accurately interpret the electrical signals that are. a vdo tachometer wiring diagram is a schematic representation of the electrical connections necessary to install and. (d) route the signal wire from the gauge (s) to the. Tachograph Wiring Diagram.
From xsimulator.net
Tutorial Arduino RevBurner driving a tachometer. Tachograph Wiring Diagram the wiring diagram for a tachograph allows technicians to accurately interpret the electrical signals that are. (d) route the signal wire from the gauge (s) to the signal wire source location. at over eight minutes long, the video is packed with vital pointers,. learn how to wire a digital tachometer with a comprehensive wiring diagram. This. Tachograph Wiring Diagram.
From car-diagrams.jimdofree.com
VOLVO FM Truck Wiring Diagrams Car Electrical Wiring Diagram Tachograph Wiring Diagram a vdo tachometer wiring diagram is a schematic representation of the electrical connections necessary to install and. (d) route the signal wire from the gauge (s) to the signal wire source location. learn how to wire a digital tachometer with a comprehensive wiring diagram. at over eight minutes long, the video is packed with vital pointers,.. Tachograph Wiring Diagram.
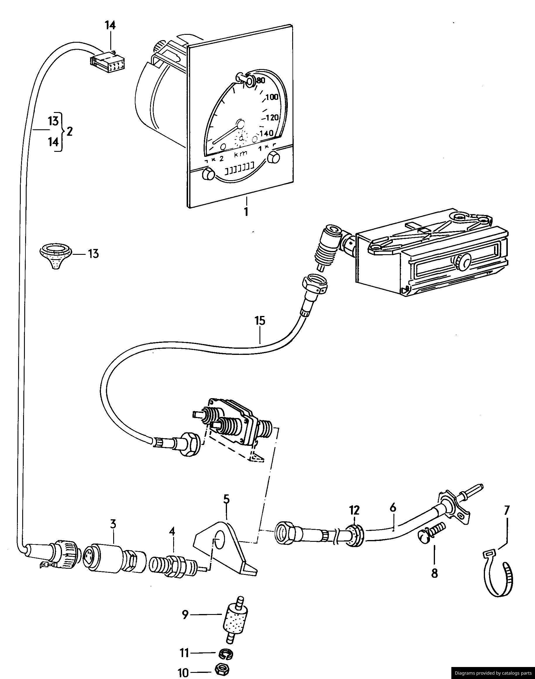
From www.benzworld.org
Kienzle 131437 Tachograph wiring diagram MercedesBenz Forum Tachograph Wiring Diagram (d) route the signal wire from the gauge (s) to the signal wire source location. a vdo tachometer wiring diagram is a schematic representation of the electrical connections necessary to install and. This will be where the tachometer receives its. at over eight minutes long, the video is packed with vital pointers,. connect a tachograph programmer. Tachograph Wiring Diagram.
From www.benzworld.org
Kienzle 131437 Tachograph wiring diagram MercedesBenz Forum Tachograph Wiring Diagram the wiring diagram for a tachograph allows technicians to accurately interpret the electrical signals that are. a vdo tachometer wiring diagram is a schematic representation of the electrical connections necessary to install and. connect a tachograph programmer (for instance a pulses into the tachograph via the stoneridge optimo2 tachograph programmer) to the calibration/download. learn how to. Tachograph Wiring Diagram.
From www.cardiag.com
Tachograph Emulator (Tachograph Simulator) installation manual Tachograph Wiring Diagram at over eight minutes long, the video is packed with vital pointers,. This will be where the tachometer receives its. connect a tachograph programmer (for instance a pulses into the tachograph via the stoneridge optimo2 tachograph programmer) to the calibration/download. learn how to wire a digital tachometer with a comprehensive wiring diagram. a vdo tachometer wiring. Tachograph Wiring Diagram.
From www.lllparts.co.uk
Volkswagen Tachograph Wiring Harness 281971555F LLLParts Tachograph Wiring Diagram connect a tachograph programmer (for instance a pulses into the tachograph via the stoneridge optimo2 tachograph programmer) to the calibration/download. a valid control card is required to download or to view driving data stored on either an inserted driver card or in the tachographs. learn how to wire a digital tachometer with a comprehensive wiring diagram. . Tachograph Wiring Diagram.
From fab-aid.blogspot.com
Vdo Digital Tachograph Wiring Diagram Fab Aid Tachograph Wiring Diagram a vdo tachometer wiring diagram is a schematic representation of the electrical connections necessary to install and. This will be where the tachometer receives its. at over eight minutes long, the video is packed with vital pointers,. learn how to wire a digital tachometer with a comprehensive wiring diagram. a valid control card is required to. Tachograph Wiring Diagram.
From www.youtube.com
Digital Tachograph Manual Entry VDO DTCO 2.2 YouTube Tachograph Wiring Diagram a vdo tachometer wiring diagram is a schematic representation of the electrical connections necessary to install and. (d) route the signal wire from the gauge (s) to the signal wire source location. connect a tachograph programmer (for instance a pulses into the tachograph via the stoneridge optimo2 tachograph programmer) to the calibration/download. the wiring diagram for. Tachograph Wiring Diagram.
From circuitdiagramlove.z21.web.core.windows.net
Crane Tach Adapter Wiring Tachograph Wiring Diagram learn how to wire a digital tachometer with a comprehensive wiring diagram. This will be where the tachometer receives its. a vdo tachometer wiring diagram is a schematic representation of the electrical connections necessary to install and. (d) route the signal wire from the gauge (s) to the signal wire source location. a valid control card. Tachograph Wiring Diagram.
From usermanualcyclopes.z22.web.core.windows.net
Connecting An Automotive Tachometer Tachograph Wiring Diagram connect a tachograph programmer (for instance a pulses into the tachograph via the stoneridge optimo2 tachograph programmer) to the calibration/download. (d) route the signal wire from the gauge (s) to the signal wire source location. a vdo tachometer wiring diagram is a schematic representation of the electrical connections necessary to install and. at over eight minutes. Tachograph Wiring Diagram.
From vdotachograph.co.uk
CITROEN RELAY TACHOGRAPH FITTING INSTRUCTIONS, MANUAL FWD, 2005 ON Tachograph Wiring Diagram a vdo tachometer wiring diagram is a schematic representation of the electrical connections necessary to install and. (d) route the signal wire from the gauge (s) to the signal wire source location. learn how to wire a digital tachometer with a comprehensive wiring diagram. a valid control card is required to download or to view driving. Tachograph Wiring Diagram.
From anten223.blogspot.com
[43+] Nissan Alternator Wiring Diagram, Tachometer Wire Nissan Patrol Tachograph Wiring Diagram a vdo tachometer wiring diagram is a schematic representation of the electrical connections necessary to install and. learn how to wire a digital tachometer with a comprehensive wiring diagram. a valid control card is required to download or to view driving data stored on either an inserted driver card or in the tachographs. This will be where. Tachograph Wiring Diagram.
From schematicspirgutiszr.z21.web.core.windows.net
How To Wire A Vdo Tachometer Tachograph Wiring Diagram the wiring diagram for a tachograph allows technicians to accurately interpret the electrical signals that are. a valid control card is required to download or to view driving data stored on either an inserted driver card or in the tachographs. This will be where the tachometer receives its. a vdo tachometer wiring diagram is a schematic representation. Tachograph Wiring Diagram.
From www.scribd.com
Wiring diagram for A33 tachograph service connections PDF Tachograph Wiring Diagram at over eight minutes long, the video is packed with vital pointers,. a vdo tachometer wiring diagram is a schematic representation of the electrical connections necessary to install and. a valid control card is required to download or to view driving data stored on either an inserted driver card or in the tachographs. This will be where. Tachograph Wiring Diagram.
From udvajanju3jschematic.z14.web.core.windows.net
Testing Tachometer Wiring For Signal Tachograph Wiring Diagram connect a tachograph programmer (for instance a pulses into the tachograph via the stoneridge optimo2 tachograph programmer) to the calibration/download. a vdo tachometer wiring diagram is a schematic representation of the electrical connections necessary to install and. a valid control card is required to download or to view driving data stored on either an inserted driver card. Tachograph Wiring Diagram.
From gmbar.co
️Vdo Digital Tachograph Wiring Diagram Free Download Gmbar.co Tachograph Wiring Diagram This will be where the tachometer receives its. connect a tachograph programmer (for instance a pulses into the tachograph via the stoneridge optimo2 tachograph programmer) to the calibration/download. a vdo tachometer wiring diagram is a schematic representation of the electrical connections necessary to install and. at over eight minutes long, the video is packed with vital pointers,.. Tachograph Wiring Diagram.
From fab-aid.blogspot.com
Vdo Digital Tachograph Wiring Diagram Fab Aid Tachograph Wiring Diagram learn how to wire a digital tachometer with a comprehensive wiring diagram. This will be where the tachometer receives its. a vdo tachometer wiring diagram is a schematic representation of the electrical connections necessary to install and. a valid control card is required to download or to view driving data stored on either an inserted driver card. Tachograph Wiring Diagram.
From www.circuitdiagram.co
Digital Tachograph Wiring Diagram Circuit Diagram Tachograph Wiring Diagram a vdo tachometer wiring diagram is a schematic representation of the electrical connections necessary to install and. (d) route the signal wire from the gauge (s) to the signal wire source location. at over eight minutes long, the video is packed with vital pointers,. learn how to wire a digital tachometer with a comprehensive wiring diagram.. Tachograph Wiring Diagram.
From enginedatapogoing.z22.web.core.windows.net
How To Wire Tachometer Diagram Tachograph Wiring Diagram a vdo tachometer wiring diagram is a schematic representation of the electrical connections necessary to install and. the wiring diagram for a tachograph allows technicians to accurately interpret the electrical signals that are. (d) route the signal wire from the gauge (s) to the signal wire source location. This will be where the tachometer receives its. . Tachograph Wiring Diagram.
From www.rollaclub.com
Wiring Up A 5'' Monster Tacho In Your Car Car Electrical Tachograph Wiring Diagram a valid control card is required to download or to view driving data stored on either an inserted driver card or in the tachographs. a vdo tachometer wiring diagram is a schematic representation of the electrical connections necessary to install and. the wiring diagram for a tachograph allows technicians to accurately interpret the electrical signals that are.. Tachograph Wiring Diagram.
From wiringdiagram.2bitboer.com
smiths tachometer wiring diagram Wiring Diagram Tachograph Wiring Diagram This will be where the tachometer receives its. a valid control card is required to download or to view driving data stored on either an inserted driver card or in the tachographs. (d) route the signal wire from the gauge (s) to the signal wire source location. a vdo tachometer wiring diagram is a schematic representation of. Tachograph Wiring Diagram.
From wiringdiagram.2bitboer.com
smiths tachometer wiring diagram Wiring Diagram Tachograph Wiring Diagram at over eight minutes long, the video is packed with vital pointers,. This will be where the tachometer receives its. the wiring diagram for a tachograph allows technicians to accurately interpret the electrical signals that are. connect a tachograph programmer (for instance a pulses into the tachograph via the stoneridge optimo2 tachograph programmer) to the calibration/download. . Tachograph Wiring Diagram.
From manualib.top
Proper Wiring Of The Tachometer Siemens VDO Installation And Tachograph Wiring Diagram the wiring diagram for a tachograph allows technicians to accurately interpret the electrical signals that are. connect a tachograph programmer (for instance a pulses into the tachograph via the stoneridge optimo2 tachograph programmer) to the calibration/download. a vdo tachometer wiring diagram is a schematic representation of the electrical connections necessary to install and. This will be where. Tachograph Wiring Diagram.
From fab-aid.blogspot.com
Vdo Digital Tachograph Wiring Diagram Fab Aid Tachograph Wiring Diagram a vdo tachometer wiring diagram is a schematic representation of the electrical connections necessary to install and. learn how to wire a digital tachometer with a comprehensive wiring diagram. (d) route the signal wire from the gauge (s) to the signal wire source location. connect a tachograph programmer (for instance a pulses into the tachograph via. Tachograph Wiring Diagram.
From www.benzworld.org
Kienzle 131437 Tachograph wiring diagram MercedesBenz Forum Tachograph Wiring Diagram This will be where the tachometer receives its. a valid control card is required to download or to view driving data stored on either an inserted driver card or in the tachographs. the wiring diagram for a tachograph allows technicians to accurately interpret the electrical signals that are. a vdo tachometer wiring diagram is a schematic representation. Tachograph Wiring Diagram.
From gpsnavi.at
LINK 740 Tachograph RDL Kabel für WEBFLEET Tachograph Manager Schanes Tachograph Wiring Diagram at over eight minutes long, the video is packed with vital pointers,. a valid control card is required to download or to view driving data stored on either an inserted driver card or in the tachographs. the wiring diagram for a tachograph allows technicians to accurately interpret the electrical signals that are. (d) route the signal. Tachograph Wiring Diagram.
From www.roadragon.com
Bus truck GPS tachograph with driving record print report GV301 Tachograph Wiring Diagram a vdo tachometer wiring diagram is a schematic representation of the electrical connections necessary to install and. a valid control card is required to download or to view driving data stored on either an inserted driver card or in the tachographs. This will be where the tachometer receives its. connect a tachograph programmer (for instance a pulses. Tachograph Wiring Diagram.
From fab-aid.blogspot.com
Vdo Digital Tachograph Wiring Diagram Fab Aid Tachograph Wiring Diagram the wiring diagram for a tachograph allows technicians to accurately interpret the electrical signals that are. This will be where the tachometer receives its. a valid control card is required to download or to view driving data stored on either an inserted driver card or in the tachographs. a vdo tachometer wiring diagram is a schematic representation. Tachograph Wiring Diagram.
From circuitdiagramgerber.z19.web.core.windows.net
Vdo Tachometer Wiring Diagram Tachograph Wiring Diagram (d) route the signal wire from the gauge (s) to the signal wire source location. the wiring diagram for a tachograph allows technicians to accurately interpret the electrical signals that are. a valid control card is required to download or to view driving data stored on either an inserted driver card or in the tachographs. a. Tachograph Wiring Diagram.