What Is An Intercooler For A Supercharger . For a supercharger to work at peak efficiency, the compressed air exiting the discharge unit must be cooled before it enters. No matter how advanced your turbo or supercharger is, without an intercooler, the compressed air that it generates will carry a lot of heat with it. It increases the engine's horsepower and prevents. Intercoolers are a vital part of. An intercooler is a component that cools the compressed air charge before it enters the engine's combustion chamber. An intercooler’s purpose is a joyfully simple cooling component. See how it works, what types of intercoolers are available,. The hot air from the turbo enters at one end, and as cooled as it passes through the intercooler (much like the water in a car’s radiator) before entering the engine at a much lower temperature. An intercooler’s primary function is to cool down that warm air before it reaches the combustion chamber.
from xtremecfm.com
See how it works, what types of intercoolers are available,. No matter how advanced your turbo or supercharger is, without an intercooler, the compressed air that it generates will carry a lot of heat with it. An intercooler’s purpose is a joyfully simple cooling component. An intercooler is a component that cools the compressed air charge before it enters the engine's combustion chamber. Intercoolers are a vital part of. For a supercharger to work at peak efficiency, the compressed air exiting the discharge unit must be cooled before it enters. An intercooler’s primary function is to cool down that warm air before it reaches the combustion chamber. It increases the engine's horsepower and prevents. The hot air from the turbo enters at one end, and as cooled as it passes through the intercooler (much like the water in a car’s radiator) before entering the engine at a much lower temperature.
LSx Supercharger Intercooler Lid for LSA / LS9
What Is An Intercooler For A Supercharger An intercooler is a component that cools the compressed air charge before it enters the engine's combustion chamber. The hot air from the turbo enters at one end, and as cooled as it passes through the intercooler (much like the water in a car’s radiator) before entering the engine at a much lower temperature. No matter how advanced your turbo or supercharger is, without an intercooler, the compressed air that it generates will carry a lot of heat with it. It increases the engine's horsepower and prevents. See how it works, what types of intercoolers are available,. An intercooler’s purpose is a joyfully simple cooling component. For a supercharger to work at peak efficiency, the compressed air exiting the discharge unit must be cooled before it enters. Intercoolers are a vital part of. An intercooler is a component that cools the compressed air charge before it enters the engine's combustion chamber. An intercooler’s primary function is to cool down that warm air before it reaches the combustion chamber.
From europeanroadandracing.com
BMW E36 M3 Supercharger kit, Active Autowerke E36 Supercharger What Is An Intercooler For A Supercharger An intercooler is a component that cools the compressed air charge before it enters the engine's combustion chamber. No matter how advanced your turbo or supercharger is, without an intercooler, the compressed air that it generates will carry a lot of heat with it. See how it works, what types of intercoolers are available,. An intercooler’s purpose is a joyfully. What Is An Intercooler For A Supercharger.
From yourmotorfix.com
What You Should Know About Superchargers Your Motor Fix What Is An Intercooler For A Supercharger No matter how advanced your turbo or supercharger is, without an intercooler, the compressed air that it generates will carry a lot of heat with it. An intercooler’s primary function is to cool down that warm air before it reaches the combustion chamber. Intercoolers are a vital part of. The hot air from the turbo enters at one end, and. What Is An Intercooler For A Supercharger.
From www.andersonfordmotorsport.com
Vortech High Output Supercharger Kit V3 SiTrim with Air to Water What Is An Intercooler For A Supercharger An intercooler’s purpose is a joyfully simple cooling component. See how it works, what types of intercoolers are available,. For a supercharger to work at peak efficiency, the compressed air exiting the discharge unit must be cooled before it enters. It increases the engine's horsepower and prevents. No matter how advanced your turbo or supercharger is, without an intercooler, the. What Is An Intercooler For A Supercharger.
From roadrize.com
How Does an Intercooler Work on a Diesel Engine? Road Rize What Is An Intercooler For A Supercharger An intercooler’s primary function is to cool down that warm air before it reaches the combustion chamber. For a supercharger to work at peak efficiency, the compressed air exiting the discharge unit must be cooled before it enters. It increases the engine's horsepower and prevents. Intercoolers are a vital part of. No matter how advanced your turbo or supercharger is,. What Is An Intercooler For A Supercharger.
From natrad.com.au
How To Choose The Right Intercooler For Your Car Natrad What Is An Intercooler For A Supercharger Intercoolers are a vital part of. The hot air from the turbo enters at one end, and as cooled as it passes through the intercooler (much like the water in a car’s radiator) before entering the engine at a much lower temperature. An intercooler’s purpose is a joyfully simple cooling component. An intercooler’s primary function is to cool down that. What Is An Intercooler For A Supercharger.
From www.ultimate-racing.com
Ultimate Racing S2K FMIC Kit for Vortech Superchargers What Is An Intercooler For A Supercharger It increases the engine's horsepower and prevents. An intercooler’s primary function is to cool down that warm air before it reaches the combustion chamber. Intercoolers are a vital part of. For a supercharger to work at peak efficiency, the compressed air exiting the discharge unit must be cooled before it enters. See how it works, what types of intercoolers are. What Is An Intercooler For A Supercharger.
From www.vividracing.com
Will a Bigger Intercooler Add Horsepower? Everything You Need to Know What Is An Intercooler For A Supercharger No matter how advanced your turbo or supercharger is, without an intercooler, the compressed air that it generates will carry a lot of heat with it. An intercooler is a component that cools the compressed air charge before it enters the engine's combustion chamber. An intercooler’s primary function is to cool down that warm air before it reaches the combustion. What Is An Intercooler For A Supercharger.
From www.racingjunk.com
Dive Deep into Supercharger Tech RacingJunk News What Is An Intercooler For A Supercharger An intercooler is a component that cools the compressed air charge before it enters the engine's combustion chamber. An intercooler’s purpose is a joyfully simple cooling component. For a supercharger to work at peak efficiency, the compressed air exiting the discharge unit must be cooled before it enters. The hot air from the turbo enters at one end, and as. What Is An Intercooler For A Supercharger.
From automotivexist.blogspot.com
Cara Kerja Intercooler Pada Mesin Mobil Blog Tips Otomotif Mobil Motor What Is An Intercooler For A Supercharger It increases the engine's horsepower and prevents. An intercooler’s primary function is to cool down that warm air before it reaches the combustion chamber. See how it works, what types of intercoolers are available,. An intercooler is a component that cools the compressed air charge before it enters the engine's combustion chamber. For a supercharger to work at peak efficiency,. What Is An Intercooler For A Supercharger.
From treperformance.com
Whipple Ford Coyote Universal Supercharger Kit W175AX WK1865B What Is An Intercooler For A Supercharger For a supercharger to work at peak efficiency, the compressed air exiting the discharge unit must be cooled before it enters. Intercoolers are a vital part of. An intercooler’s primary function is to cool down that warm air before it reaches the combustion chamber. No matter how advanced your turbo or supercharger is, without an intercooler, the compressed air that. What Is An Intercooler For A Supercharger.
From www.turbopacs.com
Alloy Sports Upgraded Intercoolers For Turbochargered Cars What Is An Intercooler For A Supercharger An intercooler’s primary function is to cool down that warm air before it reaches the combustion chamber. For a supercharger to work at peak efficiency, the compressed air exiting the discharge unit must be cooled before it enters. No matter how advanced your turbo or supercharger is, without an intercooler, the compressed air that it generates will carry a lot. What Is An Intercooler For A Supercharger.
From turborevs.org.uk
A Beginner's Guide to Intercoolers How They Work and Why You Need One What Is An Intercooler For A Supercharger An intercooler’s purpose is a joyfully simple cooling component. See how it works, what types of intercoolers are available,. An intercooler is a component that cools the compressed air charge before it enters the engine's combustion chamber. An intercooler’s primary function is to cool down that warm air before it reaches the combustion chamber. For a supercharger to work at. What Is An Intercooler For A Supercharger.
From xtremecfm.com
LSx Supercharger Intercooler Lid for LSA / LS9 What Is An Intercooler For A Supercharger An intercooler’s primary function is to cool down that warm air before it reaches the combustion chamber. For a supercharger to work at peak efficiency, the compressed air exiting the discharge unit must be cooled before it enters. Intercoolers are a vital part of. An intercooler’s purpose is a joyfully simple cooling component. The hot air from the turbo enters. What Is An Intercooler For A Supercharger.
From www.engineeringchoice.com
What is Supercharger and how does it work? Engineering choice What Is An Intercooler For A Supercharger For a supercharger to work at peak efficiency, the compressed air exiting the discharge unit must be cooled before it enters. The hot air from the turbo enters at one end, and as cooled as it passes through the intercooler (much like the water in a car’s radiator) before entering the engine at a much lower temperature. An intercooler is. What Is An Intercooler For A Supercharger.
From centuryperformance.com
Supercharger Intercooler Manifold Century Performance Center, Inc. What Is An Intercooler For A Supercharger See how it works, what types of intercoolers are available,. An intercooler’s purpose is a joyfully simple cooling component. The hot air from the turbo enters at one end, and as cooled as it passes through the intercooler (much like the water in a car’s radiator) before entering the engine at a much lower temperature. It increases the engine's horsepower. What Is An Intercooler For A Supercharger.
From www.thedrive.com
What Is An Intercooler? The Drive What Is An Intercooler For A Supercharger Intercoolers are a vital part of. No matter how advanced your turbo or supercharger is, without an intercooler, the compressed air that it generates will carry a lot of heat with it. An intercooler is a component that cools the compressed air charge before it enters the engine's combustion chamber. It increases the engine's horsepower and prevents. An intercooler’s primary. What Is An Intercooler For A Supercharger.
From www.youtube.com
M90 Supercharger Intercooler Plate (Installation) [Part 3 1UZ W2A What Is An Intercooler For A Supercharger Intercoolers are a vital part of. An intercooler is a component that cools the compressed air charge before it enters the engine's combustion chamber. No matter how advanced your turbo or supercharger is, without an intercooler, the compressed air that it generates will carry a lot of heat with it. The hot air from the turbo enters at one end,. What Is An Intercooler For A Supercharger.
From www.haltech.com
How Intercoolers Work Haltech What Is An Intercooler For A Supercharger Intercoolers are a vital part of. The hot air from the turbo enters at one end, and as cooled as it passes through the intercooler (much like the water in a car’s radiator) before entering the engine at a much lower temperature. It increases the engine's horsepower and prevents. An intercooler’s purpose is a joyfully simple cooling component. An intercooler’s. What Is An Intercooler For A Supercharger.
From low-offset.com
Turbo Intercooler Systems Types & Function Low Offset What Is An Intercooler For A Supercharger An intercooler’s primary function is to cool down that warm air before it reaches the combustion chamber. For a supercharger to work at peak efficiency, the compressed air exiting the discharge unit must be cooled before it enters. The hot air from the turbo enters at one end, and as cooled as it passes through the intercooler (much like the. What Is An Intercooler For A Supercharger.
From www.stage3motorsports.com
20102014 Camaro SS Whipple W175FF Intercooled Supercharger Kit (Black What Is An Intercooler For A Supercharger No matter how advanced your turbo or supercharger is, without an intercooler, the compressed air that it generates will carry a lot of heat with it. See how it works, what types of intercoolers are available,. An intercooler’s purpose is a joyfully simple cooling component. Intercoolers are a vital part of. An intercooler is a component that cools the compressed. What Is An Intercooler For A Supercharger.
From www.quadratec.com
RIPP Superchargers 14WK2SDS36 RIPP Supercharger Kit with Intercooler What Is An Intercooler For A Supercharger For a supercharger to work at peak efficiency, the compressed air exiting the discharge unit must be cooled before it enters. The hot air from the turbo enters at one end, and as cooled as it passes through the intercooler (much like the water in a car’s radiator) before entering the engine at a much lower temperature. Intercoolers are a. What Is An Intercooler For A Supercharger.
From aet-turbos.co.uk
Turbo tech 101 what is an intercooler and how does it work? staging What Is An Intercooler For A Supercharger No matter how advanced your turbo or supercharger is, without an intercooler, the compressed air that it generates will carry a lot of heat with it. It increases the engine's horsepower and prevents. An intercooler’s purpose is a joyfully simple cooling component. Intercoolers are a vital part of. The hot air from the turbo enters at one end, and as. What Is An Intercooler For A Supercharger.
From carperformanceboss.com
Intercooler On Superchargers Is It Really Required? Car Performance Boss What Is An Intercooler For A Supercharger An intercooler is a component that cools the compressed air charge before it enters the engine's combustion chamber. An intercooler’s primary function is to cool down that warm air before it reaches the combustion chamber. For a supercharger to work at peak efficiency, the compressed air exiting the discharge unit must be cooled before it enters. It increases the engine's. What Is An Intercooler For A Supercharger.
From innovationdiscoveries.space
How does intercooler work? What Is An Intercooler For A Supercharger An intercooler is a component that cools the compressed air charge before it enters the engine's combustion chamber. The hot air from the turbo enters at one end, and as cooled as it passes through the intercooler (much like the water in a car’s radiator) before entering the engine at a much lower temperature. An intercooler’s purpose is a joyfully. What Is An Intercooler For A Supercharger.
From trackdogracing.com
TDR Intercooler System for 9905 Miata with the MOSS MP62 Supercharger What Is An Intercooler For A Supercharger An intercooler’s primary function is to cool down that warm air before it reaches the combustion chamber. It increases the engine's horsepower and prevents. The hot air from the turbo enters at one end, and as cooled as it passes through the intercooler (much like the water in a car’s radiator) before entering the engine at a much lower temperature.. What Is An Intercooler For A Supercharger.
From innovationdiscoveries.space
INTERCOOLER TYPES AND WORKING PRINCIPLE What Is An Intercooler For A Supercharger The hot air from the turbo enters at one end, and as cooled as it passes through the intercooler (much like the water in a car’s radiator) before entering the engine at a much lower temperature. Intercoolers are a vital part of. See how it works, what types of intercoolers are available,. For a supercharger to work at peak efficiency,. What Is An Intercooler For A Supercharger.
From polmaxracing.com
NEW GM Eaton M122 supercharger intercooler assembly 200609 Cadillac What Is An Intercooler For A Supercharger An intercooler is a component that cools the compressed air charge before it enters the engine's combustion chamber. It increases the engine's horsepower and prevents. The hot air from the turbo enters at one end, and as cooled as it passes through the intercooler (much like the water in a car’s radiator) before entering the engine at a much lower. What Is An Intercooler For A Supercharger.
From www.eliseparts.com
Supercharger Intercooler EliseParts What Is An Intercooler For A Supercharger No matter how advanced your turbo or supercharger is, without an intercooler, the compressed air that it generates will carry a lot of heat with it. An intercooler is a component that cools the compressed air charge before it enters the engine's combustion chamber. See how it works, what types of intercoolers are available,. Intercoolers are a vital part of.. What Is An Intercooler For A Supercharger.
From pmmonline.co.uk
Why is the Turbo and Intercooler Relationship So Important What Is An Intercooler For A Supercharger See how it works, what types of intercoolers are available,. Intercoolers are a vital part of. An intercooler’s primary function is to cool down that warm air before it reaches the combustion chamber. An intercooler’s purpose is a joyfully simple cooling component. For a supercharger to work at peak efficiency, the compressed air exiting the discharge unit must be cooled. What Is An Intercooler For A Supercharger.
From money-sense.net
Aluminum Heat Exchanger For Air to Water Intercooler 21x8x2.25 Inch What Is An Intercooler For A Supercharger It increases the engine's horsepower and prevents. Intercoolers are a vital part of. No matter how advanced your turbo or supercharger is, without an intercooler, the compressed air that it generates will carry a lot of heat with it. For a supercharger to work at peak efficiency, the compressed air exiting the discharge unit must be cooled before it enters.. What Is An Intercooler For A Supercharger.
From aacorvette.com
A&A C6 Corvette Ram Air Intercooler A&A Corvette Performance, Your C5 What Is An Intercooler For A Supercharger For a supercharger to work at peak efficiency, the compressed air exiting the discharge unit must be cooled before it enters. An intercooler’s primary function is to cool down that warm air before it reaches the combustion chamber. No matter how advanced your turbo or supercharger is, without an intercooler, the compressed air that it generates will carry a lot. What Is An Intercooler For A Supercharger.
From detoxicrecenze.com
Supercharger Intercooler Diagram My Wiring DIagram What Is An Intercooler For A Supercharger An intercooler’s purpose is a joyfully simple cooling component. An intercooler’s primary function is to cool down that warm air before it reaches the combustion chamber. See how it works, what types of intercoolers are available,. An intercooler is a component that cools the compressed air charge before it enters the engine's combustion chamber. No matter how advanced your turbo. What Is An Intercooler For A Supercharger.
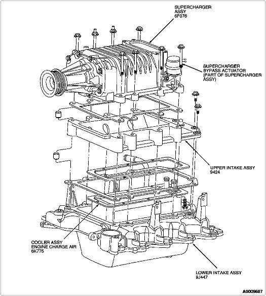
From www.lightningrodder.com
Supercharger and Intercooler Systems Description Lightning Rodder What Is An Intercooler For A Supercharger For a supercharger to work at peak efficiency, the compressed air exiting the discharge unit must be cooled before it enters. No matter how advanced your turbo or supercharger is, without an intercooler, the compressed air that it generates will carry a lot of heat with it. An intercooler’s primary function is to cool down that warm air before it. What Is An Intercooler For A Supercharger.
From trackdogracing.com
TDR Intercooler System for 9093 Miata with the JRSC M45 Supercharger What Is An Intercooler For A Supercharger For a supercharger to work at peak efficiency, the compressed air exiting the discharge unit must be cooled before it enters. An intercooler is a component that cools the compressed air charge before it enters the engine's combustion chamber. Intercoolers are a vital part of. No matter how advanced your turbo or supercharger is, without an intercooler, the compressed air. What Is An Intercooler For A Supercharger.
From www.pinterest.com
Pin on Products What Is An Intercooler For A Supercharger It increases the engine's horsepower and prevents. No matter how advanced your turbo or supercharger is, without an intercooler, the compressed air that it generates will carry a lot of heat with it. An intercooler’s primary function is to cool down that warm air before it reaches the combustion chamber. An intercooler is a component that cools the compressed air. What Is An Intercooler For A Supercharger.