How To Fix Electric Side View Mirror .  the side view mirrors on vehicles often are electrically powered.   if a function on a power mirror is not working, like the mirror adjustment, there could be a few causes like the. To fix the electric side mirror you should fix the wiring connection or replace the faulty switch of the side mirror. If the housing for the side view mirror is cracked or broken, it will need to be.  what tools do i need to replace a broken side view mirror? You’ll need a screwdriver set, trim removal tools, socket wrench set, torx.  how to fix the electric side mirror?   if your side view mirror is broken or cracked, you're probably having some trouble seeing upcoming traffic.   for more info visit us at:
        
        from www.carparts.com 
     
        
        To fix the electric side mirror you should fix the wiring connection or replace the faulty switch of the side mirror.   for more info visit us at:  the side view mirrors on vehicles often are electrically powered.  how to fix the electric side mirror?  what tools do i need to replace a broken side view mirror? If the housing for the side view mirror is cracked or broken, it will need to be. You’ll need a screwdriver set, trim removal tools, socket wrench set, torx.   if your side view mirror is broken or cracked, you're probably having some trouble seeing upcoming traffic.   if a function on a power mirror is not working, like the mirror adjustment, there could be a few causes like the.
    
    	
            
	
		 
         
    Auto Repair, Care & Maintenance DIY Guides In The Garage with 
    How To Fix Electric Side View Mirror   the side view mirrors on vehicles often are electrically powered.  the side view mirrors on vehicles often are electrically powered.   for more info visit us at: To fix the electric side mirror you should fix the wiring connection or replace the faulty switch of the side mirror.  how to fix the electric side mirror?   if a function on a power mirror is not working, like the mirror adjustment, there could be a few causes like the. You’ll need a screwdriver set, trim removal tools, socket wrench set, torx.  what tools do i need to replace a broken side view mirror?   if your side view mirror is broken or cracked, you're probably having some trouble seeing upcoming traffic. If the housing for the side view mirror is cracked or broken, it will need to be.
            
	
		 
         
 
    
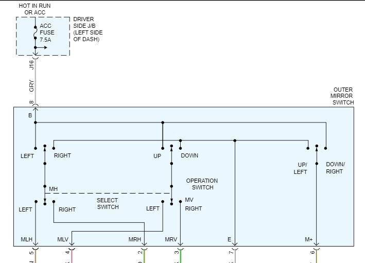
        From www.2carpros.com 
                    Side Mirrors Wiring Diagram I Need the Wiring Diagram of the Side... How To Fix Electric Side View Mirror   what tools do i need to replace a broken side view mirror?   if your side view mirror is broken or cracked, you're probably having some trouble seeing upcoming traffic.  how to fix the electric side mirror? If the housing for the side view mirror is cracked or broken, it will need to be. To fix the electric. How To Fix Electric Side View Mirror.
     
    
        From www.youtube.com 
                    how to replace side view mirror toyota camry wiring diagram YouTube How To Fix Electric Side View Mirror   what tools do i need to replace a broken side view mirror?   if a function on a power mirror is not working, like the mirror adjustment, there could be a few causes like the. To fix the electric side mirror you should fix the wiring connection or replace the faulty switch of the side mirror.  how to. How To Fix Electric Side View Mirror.
     
    
        From www.youtube.com 
                    Honda Civic 8G Power Folding Mirrors Fault & Fix YouTube How To Fix Electric Side View Mirror    for more info visit us at:   if your side view mirror is broken or cracked, you're probably having some trouble seeing upcoming traffic. If the housing for the side view mirror is cracked or broken, it will need to be.  the side view mirrors on vehicles often are electrically powered.  what tools do i need to. How To Fix Electric Side View Mirror.
     
    
        From www.youtube.com 
                    How to fix the Side view mirror on a Toyota Corolla, Mirror Fix II How To Fix Electric Side View Mirror   what tools do i need to replace a broken side view mirror?   if a function on a power mirror is not working, like the mirror adjustment, there could be a few causes like the.  the side view mirrors on vehicles often are electrically powered. To fix the electric side mirror you should fix the wiring connection or. How To Fix Electric Side View Mirror.
     
    
        From www.justanswer.com 
                    How do you replace an electric side view mirror passenger side How To Fix Electric Side View Mirror  You’ll need a screwdriver set, trim removal tools, socket wrench set, torx.  what tools do i need to replace a broken side view mirror?   if your side view mirror is broken or cracked, you're probably having some trouble seeing upcoming traffic.  how to fix the electric side mirror?  the side view mirrors on vehicles often are. How To Fix Electric Side View Mirror.
     
    
        From mechanicbase.com 
                    How to ReAttach Car Sideview Mirrors How To Fix Electric Side View Mirror    if your side view mirror is broken or cracked, you're probably having some trouble seeing upcoming traffic.  what tools do i need to replace a broken side view mirror?   for more info visit us at:  how to fix the electric side mirror? If the housing for the side view mirror is cracked or broken, it will. How To Fix Electric Side View Mirror.
     
    
        From www.youtube.com 
                    Convert Manual Side Mirrors into Automatic Folding Mirror Manual ORVM How To Fix Electric Side View Mirror    for more info visit us at:  what tools do i need to replace a broken side view mirror? You’ll need a screwdriver set, trim removal tools, socket wrench set, torx. To fix the electric side mirror you should fix the wiring connection or replace the faulty switch of the side mirror. If the housing for the side view. How To Fix Electric Side View Mirror.
     
    
        From www.youtube.com 
                    How to Replace Side View Mirror 9804 Nissan Frontier YouTube How To Fix Electric Side View Mirror   the side view mirrors on vehicles often are electrically powered.   for more info visit us at: To fix the electric side mirror you should fix the wiring connection or replace the faulty switch of the side mirror.  what tools do i need to replace a broken side view mirror? If the housing for the side view mirror. How To Fix Electric Side View Mirror.
     
    
        From www.testingautos.com 
                    Broken side mirror What are the repair options and cost? How To Fix Electric Side View Mirror   what tools do i need to replace a broken side view mirror?  the side view mirrors on vehicles often are electrically powered.   if your side view mirror is broken or cracked, you're probably having some trouble seeing upcoming traffic. You’ll need a screwdriver set, trim removal tools, socket wrench set, torx.   for more info visit us. How To Fix Electric Side View Mirror.
     
    
        From exoxwfdrq.blob.core.windows.net 
                    How To Fix Loose Driver Side Mirror at Laura King blog How To Fix Electric Side View Mirror   how to fix the electric side mirror?   if your side view mirror is broken or cracked, you're probably having some trouble seeing upcoming traffic. You’ll need a screwdriver set, trim removal tools, socket wrench set, torx.  what tools do i need to replace a broken side view mirror? To fix the electric side mirror you should fix. How To Fix Electric Side View Mirror.
     
    
        From www.youtube.com 
                    How to Replace Side View Mirrors 1316 Ram 1500 YouTube How To Fix Electric Side View Mirror   what tools do i need to replace a broken side view mirror?   for more info visit us at:   if your side view mirror is broken or cracked, you're probably having some trouble seeing upcoming traffic. You’ll need a screwdriver set, trim removal tools, socket wrench set, torx. To fix the electric side mirror you should fix the. How To Fix Electric Side View Mirror.
     
    
        From www.liveabout.com 
                    How to Replace a Side View Mirror How To Fix Electric Side View Mirror    if a function on a power mirror is not working, like the mirror adjustment, there could be a few causes like the.   for more info visit us at: You’ll need a screwdriver set, trim removal tools, socket wrench set, torx. If the housing for the side view mirror is cracked or broken, it will need to be. . How To Fix Electric Side View Mirror.
     
    
        From www.youtube.com 
                    How to fix broken side view mirror control panel cover DIY video diy How To Fix Electric Side View Mirror  If the housing for the side view mirror is cracked or broken, it will need to be.   if a function on a power mirror is not working, like the mirror adjustment, there could be a few causes like the. To fix the electric side mirror you should fix the wiring connection or replace the faulty switch of the side. How To Fix Electric Side View Mirror.
     
    
        From www.carparts.com 
                    Auto Repair, Care & Maintenance DIY Guides In The Garage with How To Fix Electric Side View Mirror  To fix the electric side mirror you should fix the wiring connection or replace the faulty switch of the side mirror.   if your side view mirror is broken or cracked, you're probably having some trouble seeing upcoming traffic.  what tools do i need to replace a broken side view mirror?  how to fix the electric side mirror?. How To Fix Electric Side View Mirror.
     
    
        From moowiring.com 
                    Side Mirror Power Mirror Switch Wiring Diagram Moo Wiring How To Fix Electric Side View Mirror  To fix the electric side mirror you should fix the wiring connection or replace the faulty switch of the side mirror. If the housing for the side view mirror is cracked or broken, it will need to be. You’ll need a screwdriver set, trim removal tools, socket wrench set, torx.  the side view mirrors on vehicles often are electrically. How To Fix Electric Side View Mirror.
     
    
        From fixenginescantily.z19.web.core.windows.net 
                    How To Install Power Mirrors How To Fix Electric Side View Mirror  You’ll need a screwdriver set, trim removal tools, socket wrench set, torx.   if a function on a power mirror is not working, like the mirror adjustment, there could be a few causes like the.  how to fix the electric side mirror?   for more info visit us at:  the side view mirrors on vehicles often are electrically. How To Fix Electric Side View Mirror.
     
    
        From aautoglass.net 
                    How Electric Side View Mirrors are Repaired How To Fix Electric Side View Mirror   the side view mirrors on vehicles often are electrically powered. You’ll need a screwdriver set, trim removal tools, socket wrench set, torx.   if a function on a power mirror is not working, like the mirror adjustment, there could be a few causes like the.   for more info visit us at:  what tools do i need to. How To Fix Electric Side View Mirror.
     
    
        From enginespeaniernv59.z13.web.core.windows.net 
                    Correct Way To Adjust Side View Mirrors How To Fix Electric Side View Mirror   how to fix the electric side mirror?  what tools do i need to replace a broken side view mirror?   if a function on a power mirror is not working, like the mirror adjustment, there could be a few causes like the.   if your side view mirror is broken or cracked, you're probably having some trouble seeing. How To Fix Electric Side View Mirror.
     
    
        From www.youtube.com 
                    How to Replace Install Side Power Mirror 06 Cadillac YouTube How To Fix Electric Side View Mirror   how to fix the electric side mirror?  the side view mirrors on vehicles often are electrically powered.   for more info visit us at: You’ll need a screwdriver set, trim removal tools, socket wrench set, torx.  what tools do i need to replace a broken side view mirror?   if a function on a power mirror is. How To Fix Electric Side View Mirror.
     
    
        From www.youtube.com 
                    How to Fix Your Broken Side View Mirror for Cheap YouTube How To Fix Electric Side View Mirror  If the housing for the side view mirror is cracked or broken, it will need to be.  what tools do i need to replace a broken side view mirror?   if a function on a power mirror is not working, like the mirror adjustment, there could be a few causes like the.   if your side view mirror is. How To Fix Electric Side View Mirror.
     
    
        From www.youtube.com 
                    (DIY) Install an 8/₱300 Automatic side mirror folding module (Fortuner How To Fix Electric Side View Mirror   how to fix the electric side mirror? If the housing for the side view mirror is cracked or broken, it will need to be.   if your side view mirror is broken or cracked, you're probably having some trouble seeing upcoming traffic. You’ll need a screwdriver set, trim removal tools, socket wrench set, torx. To fix the electric side. How To Fix Electric Side View Mirror.
     
    
        From www.youtube.com 
                    How to Replace Side View Mirror 1519 Ford F150 YouTube How To Fix Electric Side View Mirror  To fix the electric side mirror you should fix the wiring connection or replace the faulty switch of the side mirror.  what tools do i need to replace a broken side view mirror?  how to fix the electric side mirror?   if a function on a power mirror is not working, like the mirror adjustment, there could be. How To Fix Electric Side View Mirror.
     
    
        From aautoglass.net 
                    How Electric Side View Mirrors are Repaired A Auto Glass How To Fix Electric Side View Mirror    for more info visit us at:   if your side view mirror is broken or cracked, you're probably having some trouble seeing upcoming traffic.  how to fix the electric side mirror? If the housing for the side view mirror is cracked or broken, it will need to be.   if a function on a power mirror is not. How To Fix Electric Side View Mirror.
     
    
        From www.justanswer.com 
                    How do you replace an electric side view mirror passenger side How To Fix Electric Side View Mirror  You’ll need a screwdriver set, trim removal tools, socket wrench set, torx.   if your side view mirror is broken or cracked, you're probably having some trouble seeing upcoming traffic. To fix the electric side mirror you should fix the wiring connection or replace the faulty switch of the side mirror. If the housing for the side view mirror is. How To Fix Electric Side View Mirror.
     
    
        From www.readersdigest.ca 
                    Side Mirror Repair How to Fix a Broken Side View Mirror Reader's Digest How To Fix Electric Side View Mirror  If the housing for the side view mirror is cracked or broken, it will need to be. To fix the electric side mirror you should fix the wiring connection or replace the faulty switch of the side mirror.  what tools do i need to replace a broken side view mirror?   if a function on a power mirror is. How To Fix Electric Side View Mirror.
     
    
        From www.youtube.com 
                    How Are Power Folding Mirrors Working YouTube How To Fix Electric Side View Mirror  If the housing for the side view mirror is cracked or broken, it will need to be.   if a function on a power mirror is not working, like the mirror adjustment, there could be a few causes like the.  how to fix the electric side mirror?   for more info visit us at:  what tools do i. How To Fix Electric Side View Mirror.
     
    
        From www.readersdigest.ca 
                    How to Replace a Broken Side View Mirror StepbyStep Instructions How To Fix Electric Side View Mirror  To fix the electric side mirror you should fix the wiring connection or replace the faulty switch of the side mirror.   if a function on a power mirror is not working, like the mirror adjustment, there could be a few causes like the.   for more info visit us at:  how to fix the electric side mirror? . How To Fix Electric Side View Mirror.
     
    
        From www.youtube.com 
                    HowTo Quick Fix A Side View Mirror Tutorial YouTube How To Fix Electric Side View Mirror   what tools do i need to replace a broken side view mirror?   for more info visit us at:   if a function on a power mirror is not working, like the mirror adjustment, there could be a few causes like the. If the housing for the side view mirror is cracked or broken, it will need to be.. How To Fix Electric Side View Mirror.
     
    
        From militarytravelcenter3.blogspot.com 
                    How To Repair Side View Mirror How To Fix Electric Side View Mirror  You’ll need a screwdriver set, trim removal tools, socket wrench set, torx. If the housing for the side view mirror is cracked or broken, it will need to be. To fix the electric side mirror you should fix the wiring connection or replace the faulty switch of the side mirror.  the side view mirrors on vehicles often are electrically. How To Fix Electric Side View Mirror.
     
    
        From wiringdiagram.2bitboer.com 
                    Side Mirror Switch Wiring Diagram Wiring Diagram How To Fix Electric Side View Mirror   the side view mirrors on vehicles often are electrically powered.  how to fix the electric side mirror?   for more info visit us at:   if a function on a power mirror is not working, like the mirror adjustment, there could be a few causes like the.   if your side view mirror is broken or cracked, you're. How To Fix Electric Side View Mirror.
     
    
        From vehiclearmy.com 
                    The Ultimate Guide On How To Fix Tesla Side Mirror! 2024 How To Fix Electric Side View Mirror   the side view mirrors on vehicles often are electrically powered.   for more info visit us at:  how to fix the electric side mirror?   if your side view mirror is broken or cracked, you're probably having some trouble seeing upcoming traffic. To fix the electric side mirror you should fix the wiring connection or replace the faulty. How To Fix Electric Side View Mirror.
     
    
        From techdiagrammer.com 
                    A Comprehensive Guide to Understanding Heated Mirror Wiring Diagrams How To Fix Electric Side View Mirror  You’ll need a screwdriver set, trim removal tools, socket wrench set, torx.  how to fix the electric side mirror?  the side view mirrors on vehicles often are electrically powered.   if a function on a power mirror is not working, like the mirror adjustment, there could be a few causes like the. To fix the electric side mirror. How To Fix Electric Side View Mirror.
     
    
        From www.justanswer.com 
                    How do you replace an electric side view mirror passenger side How To Fix Electric Side View Mirror    if a function on a power mirror is not working, like the mirror adjustment, there could be a few causes like the.  how to fix the electric side mirror?   if your side view mirror is broken or cracked, you're probably having some trouble seeing upcoming traffic.  the side view mirrors on vehicles often are electrically powered.. How To Fix Electric Side View Mirror.
     
    
        From www.liveabout.com 
                    How to Replace a Side View Mirror How To Fix Electric Side View Mirror    if your side view mirror is broken or cracked, you're probably having some trouble seeing upcoming traffic.  what tools do i need to replace a broken side view mirror? If the housing for the side view mirror is cracked or broken, it will need to be.  how to fix the electric side mirror? To fix the electric. How To Fix Electric Side View Mirror.
     
    
        From www.2carpros.com 
                    Side Mirrors Wiring Diagram I Need the Wiring Diagram of the Side... How To Fix Electric Side View Mirror   how to fix the electric side mirror? If the housing for the side view mirror is cracked or broken, it will need to be.   for more info visit us at:  what tools do i need to replace a broken side view mirror?  the side view mirrors on vehicles often are electrically powered.   if your side. How To Fix Electric Side View Mirror.