Standard Electrical Installation . the new standard, also known as i.s. this practical guide helps in navigating the new nsai i.s. the nsai will publish the 5 th edition national rules for electrical installations, is 10101:2020 (hereafter “the new. the national rules for electrical installations are essential for electricians, electrical contractors and designers as they specify. ireland’s new national rules for electrical installations (previously known as national wiring rules) have been published by the. 10101:2020, will replace et 101:2008, and has been produced by industry experts who sit on the nsai's electro. is 10101 of 2020 gives a comprehensive set of requirements for the requirements for design and installation of electrical at. 10101 is the first national rules for electrical installations to be issued as an irish standard.
from in.pinterest.com
10101:2020, will replace et 101:2008, and has been produced by industry experts who sit on the nsai's electro. 10101 is the first national rules for electrical installations to be issued as an irish standard. is 10101 of 2020 gives a comprehensive set of requirements for the requirements for design and installation of electrical at. the national rules for electrical installations are essential for electricians, electrical contractors and designers as they specify. the new standard, also known as i.s. this practical guide helps in navigating the new nsai i.s. the nsai will publish the 5 th edition national rules for electrical installations, is 10101:2020 (hereafter “the new. ireland’s new national rules for electrical installations (previously known as national wiring rules) have been published by the.
Electrical Symbols
Standard Electrical Installation this practical guide helps in navigating the new nsai i.s. the new standard, also known as i.s. 10101:2020, will replace et 101:2008, and has been produced by industry experts who sit on the nsai's electro. 10101 is the first national rules for electrical installations to be issued as an irish standard. the nsai will publish the 5 th edition national rules for electrical installations, is 10101:2020 (hereafter “the new. the national rules for electrical installations are essential for electricians, electrical contractors and designers as they specify. this practical guide helps in navigating the new nsai i.s. ireland’s new national rules for electrical installations (previously known as national wiring rules) have been published by the. is 10101 of 2020 gives a comprehensive set of requirements for the requirements for design and installation of electrical at.
From circuitlistfoerster.z13.web.core.windows.net
Neat Electrical Panel Wiring Standard Electrical Installation the national rules for electrical installations are essential for electricians, electrical contractors and designers as they specify. 10101:2020, will replace et 101:2008, and has been produced by industry experts who sit on the nsai's electro. the new standard, also known as i.s. 10101 is the first national rules for electrical installations to be issued as an irish standard.. Standard Electrical Installation.
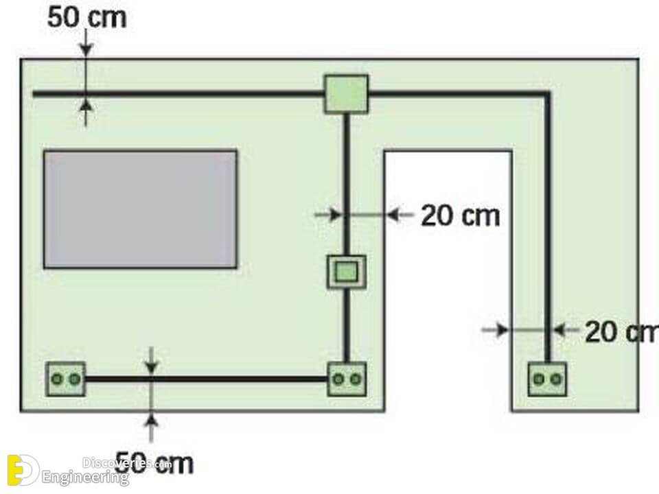
From engineeringdiscoveries.com
Electrical Installation Standard Details Engineering Discoveries Standard Electrical Installation 10101 is the first national rules for electrical installations to be issued as an irish standard. the nsai will publish the 5 th edition national rules for electrical installations, is 10101:2020 (hereafter “the new. is 10101 of 2020 gives a comprehensive set of requirements for the requirements for design and installation of electrical at. the new standard,. Standard Electrical Installation.
From engineeringdiscoveries.com
Electrical Installation Standard Details Engineering Discoveries Standard Electrical Installation the national rules for electrical installations are essential for electricians, electrical contractors and designers as they specify. this practical guide helps in navigating the new nsai i.s. is 10101 of 2020 gives a comprehensive set of requirements for the requirements for design and installation of electrical at. 10101 is the first national rules for electrical installations to. Standard Electrical Installation.
From engineeringdiscoveries.com
Electrical Installation Standard Details Engineering Discoveries Standard Electrical Installation the new standard, also known as i.s. is 10101 of 2020 gives a comprehensive set of requirements for the requirements for design and installation of electrical at. this practical guide helps in navigating the new nsai i.s. the nsai will publish the 5 th edition national rules for electrical installations, is 10101:2020 (hereafter “the new. 10101:2020,. Standard Electrical Installation.
From www.smarts4k.com
Electrical Drawings Symbols Pdf 4K Wallpapers Review Standard Electrical Installation 10101:2020, will replace et 101:2008, and has been produced by industry experts who sit on the nsai's electro. ireland’s new national rules for electrical installations (previously known as national wiring rules) have been published by the. 10101 is the first national rules for electrical installations to be issued as an irish standard. the national rules for electrical installations. Standard Electrical Installation.
From www.planmarketplace.com
ELECTRICAL LIGHTING STANDARD INSTALLATION DETAILS Standard Electrical Installation the nsai will publish the 5 th edition national rules for electrical installations, is 10101:2020 (hereafter “the new. 10101 is the first national rules for electrical installations to be issued as an irish standard. 10101:2020, will replace et 101:2008, and has been produced by industry experts who sit on the nsai's electro. the national rules for electrical installations. Standard Electrical Installation.
From in.pinterest.com
The Standard Mounting Heights Of Electrical Accessories detail AutoCAD Standard Electrical Installation is 10101 of 2020 gives a comprehensive set of requirements for the requirements for design and installation of electrical at. 10101:2020, will replace et 101:2008, and has been produced by industry experts who sit on the nsai's electro. the new standard, also known as i.s. this practical guide helps in navigating the new nsai i.s. the. Standard Electrical Installation.
From www.scribd.com
Competency Standards Cvq Electrical Installation Competence (Human Standard Electrical Installation is 10101 of 2020 gives a comprehensive set of requirements for the requirements for design and installation of electrical at. ireland’s new national rules for electrical installations (previously known as national wiring rules) have been published by the. the new standard, also known as i.s. the national rules for electrical installations are essential for electricians, electrical. Standard Electrical Installation.
From www.electrical-knowhow.com
How to Read and Interpret Electrical Shop Drawings Part Two Standard Electrical Installation ireland’s new national rules for electrical installations (previously known as national wiring rules) have been published by the. 10101 is the first national rules for electrical installations to be issued as an irish standard. is 10101 of 2020 gives a comprehensive set of requirements for the requirements for design and installation of electrical at. the nsai will. Standard Electrical Installation.
From studylib.net
ELECTRICAL INSTALLATION AND MAINTENANCE Standard Electrical Installation the nsai will publish the 5 th edition national rules for electrical installations, is 10101:2020 (hereafter “the new. 10101:2020, will replace et 101:2008, and has been produced by industry experts who sit on the nsai's electro. the new standard, also known as i.s. is 10101 of 2020 gives a comprehensive set of requirements for the requirements for. Standard Electrical Installation.
From www.wiringdigital.com
Building Electrical Diagram Symbols Wiring Digital and Schematic Standard Electrical Installation is 10101 of 2020 gives a comprehensive set of requirements for the requirements for design and installation of electrical at. ireland’s new national rules for electrical installations (previously known as national wiring rules) have been published by the. 10101:2020, will replace et 101:2008, and has been produced by industry experts who sit on the nsai's electro. the. Standard Electrical Installation.
From engineeringdiscoveries.com
Electrical Installation Standard Details Engineering Discoveries Standard Electrical Installation the national rules for electrical installations are essential for electricians, electrical contractors and designers as they specify. 10101 is the first national rules for electrical installations to be issued as an irish standard. the new standard, also known as i.s. is 10101 of 2020 gives a comprehensive set of requirements for the requirements for design and installation. Standard Electrical Installation.
From www.mosermakes.com
Camper Van Wiring Diagram Standard Electrical System — Moser Makes Standard Electrical Installation 10101 is the first national rules for electrical installations to be issued as an irish standard. the new standard, also known as i.s. the national rules for electrical installations are essential for electricians, electrical contractors and designers as they specify. ireland’s new national rules for electrical installations (previously known as national wiring rules) have been published by. Standard Electrical Installation.
From www.artofit.org
Electrical installation standard details Artofit Standard Electrical Installation the nsai will publish the 5 th edition national rules for electrical installations, is 10101:2020 (hereafter “the new. 10101:2020, will replace et 101:2008, and has been produced by industry experts who sit on the nsai's electro. the new standard, also known as i.s. 10101 is the first national rules for electrical installations to be issued as an irish. Standard Electrical Installation.
From circuitdiagramlisp.z21.web.core.windows.net
Residential Electrical Wiring Blueprint Standard Electrical Installation 10101 is the first national rules for electrical installations to be issued as an irish standard. the nsai will publish the 5 th edition national rules for electrical installations, is 10101:2020 (hereafter “the new. the national rules for electrical installations are essential for electricians, electrical contractors and designers as they specify. this practical guide helps in navigating. Standard Electrical Installation.
From activerain.com
Safety Standards for Oregon Apartments Standard Electrical Installation ireland’s new national rules for electrical installations (previously known as national wiring rules) have been published by the. 10101:2020, will replace et 101:2008, and has been produced by industry experts who sit on the nsai's electro. the nsai will publish the 5 th edition national rules for electrical installations, is 10101:2020 (hereafter “the new. this practical guide. Standard Electrical Installation.
From textbooksrus.co.nz
ELECTRICAL ENGINEERING Standard Electrical Installation the nsai will publish the 5 th edition national rules for electrical installations, is 10101:2020 (hereafter “the new. this practical guide helps in navigating the new nsai i.s. 10101 is the first national rules for electrical installations to be issued as an irish standard. is 10101 of 2020 gives a comprehensive set of requirements for the requirements. Standard Electrical Installation.
From www.pinterest.com.au
UK Color Code for Electrical Wiring Electrical Wiring Colours, Ac Standard Electrical Installation ireland’s new national rules for electrical installations (previously known as national wiring rules) have been published by the. the nsai will publish the 5 th edition national rules for electrical installations, is 10101:2020 (hereafter “the new. 10101 is the first national rules for electrical installations to be issued as an irish standard. this practical guide helps in. Standard Electrical Installation.
From circuitwiringporose123.z22.web.core.windows.net
Electrical Drawing And Symbols Standard Electrical Installation the nsai will publish the 5 th edition national rules for electrical installations, is 10101:2020 (hereafter “the new. ireland’s new national rules for electrical installations (previously known as national wiring rules) have been published by the. 10101:2020, will replace et 101:2008, and has been produced by industry experts who sit on the nsai's electro. the national rules. Standard Electrical Installation.
From www.caretxdigital.com
building wiring installation diagram Wiring Diagram and Schematics Standard Electrical Installation the nsai will publish the 5 th edition national rules for electrical installations, is 10101:2020 (hereafter “the new. the national rules for electrical installations are essential for electricians, electrical contractors and designers as they specify. ireland’s new national rules for electrical installations (previously known as national wiring rules) have been published by the. 10101:2020, will replace et. Standard Electrical Installation.
From www.scribd.com
Electrical Regulations and Standards Electrical Installation Guide Standard Electrical Installation is 10101 of 2020 gives a comprehensive set of requirements for the requirements for design and installation of electrical at. ireland’s new national rules for electrical installations (previously known as national wiring rules) have been published by the. the nsai will publish the 5 th edition national rules for electrical installations, is 10101:2020 (hereafter “the new. . Standard Electrical Installation.
From www.urbaninstallation.co.uk
Electrical Installation Urban Installation Standard Electrical Installation the nsai will publish the 5 th edition national rules for electrical installations, is 10101:2020 (hereafter “the new. is 10101 of 2020 gives a comprehensive set of requirements for the requirements for design and installation of electrical at. 10101:2020, will replace et 101:2008, and has been produced by industry experts who sit on the nsai's electro. ireland’s. Standard Electrical Installation.
From www.artofit.org
Electrical installation standard details Artofit Standard Electrical Installation is 10101 of 2020 gives a comprehensive set of requirements for the requirements for design and installation of electrical at. ireland’s new national rules for electrical installations (previously known as national wiring rules) have been published by the. 10101 is the first national rules for electrical installations to be issued as an irish standard. this practical guide. Standard Electrical Installation.
From www.slideshare.net
Abb electrical installation handbook 6th edition2010 Standard Electrical Installation is 10101 of 2020 gives a comprehensive set of requirements for the requirements for design and installation of electrical at. this practical guide helps in navigating the new nsai i.s. 10101 is the first national rules for electrical installations to be issued as an irish standard. the nsai will publish the 5 th edition national rules for. Standard Electrical Installation.
From www.academia.edu
(PDF) Electrical installation guide According to IEC international Standard Electrical Installation 10101 is the first national rules for electrical installations to be issued as an irish standard. is 10101 of 2020 gives a comprehensive set of requirements for the requirements for design and installation of electrical at. ireland’s new national rules for electrical installations (previously known as national wiring rules) have been published by the. the national rules. Standard Electrical Installation.
From www.familyhandyman.com
How to Install Electrical Outlets in the Kitchen The Family Handyman Standard Electrical Installation ireland’s new national rules for electrical installations (previously known as national wiring rules) have been published by the. the national rules for electrical installations are essential for electricians, electrical contractors and designers as they specify. the nsai will publish the 5 th edition national rules for electrical installations, is 10101:2020 (hereafter “the new. 10101 is the first. Standard Electrical Installation.
From manual.imagenes4k.com
House Wiring Diagram Online Complete Electrical House Wiring / Single Standard Electrical Installation the national rules for electrical installations are essential for electricians, electrical contractors and designers as they specify. ireland’s new national rules for electrical installations (previously known as national wiring rules) have been published by the. 10101 is the first national rules for electrical installations to be issued as an irish standard. 10101:2020, will replace et 101:2008, and has. Standard Electrical Installation.
From www.studypool.com
SOLUTION Electrical installation guide according to iec international Standard Electrical Installation ireland’s new national rules for electrical installations (previously known as national wiring rules) have been published by the. the national rules for electrical installations are essential for electricians, electrical contractors and designers as they specify. is 10101 of 2020 gives a comprehensive set of requirements for the requirements for design and installation of electrical at. this. Standard Electrical Installation.
From circuitprooreviards2.z21.web.core.windows.net
Simple Home Wiring Circuits Standard Electrical Installation the national rules for electrical installations are essential for electricians, electrical contractors and designers as they specify. 10101:2020, will replace et 101:2008, and has been produced by industry experts who sit on the nsai's electro. this practical guide helps in navigating the new nsai i.s. the new standard, also known as i.s. the nsai will publish. Standard Electrical Installation.
From cadbull.com
Industrial electrical installation plan detail dwg file Cadbull Standard Electrical Installation the new standard, also known as i.s. this practical guide helps in navigating the new nsai i.s. is 10101 of 2020 gives a comprehensive set of requirements for the requirements for design and installation of electrical at. 10101:2020, will replace et 101:2008, and has been produced by industry experts who sit on the nsai's electro. the. Standard Electrical Installation.
From www.pinterest.co.kr
Electric and Plans Solution Electrical symbols, Residential Standard Electrical Installation 10101:2020, will replace et 101:2008, and has been produced by industry experts who sit on the nsai's electro. this practical guide helps in navigating the new nsai i.s. 10101 is the first national rules for electrical installations to be issued as an irish standard. the nsai will publish the 5 th edition national rules for electrical installations, is. Standard Electrical Installation.
From in.pinterest.com
Electrical Symbols Standard Electrical Installation the nsai will publish the 5 th edition national rules for electrical installations, is 10101:2020 (hereafter “the new. this practical guide helps in navigating the new nsai i.s. 10101:2020, will replace et 101:2008, and has been produced by industry experts who sit on the nsai's electro. is 10101 of 2020 gives a comprehensive set of requirements for. Standard Electrical Installation.
From maapierswright.blogspot.com
malaysian standard for electrical installation Piers Wright Standard Electrical Installation 10101:2020, will replace et 101:2008, and has been produced by industry experts who sit on the nsai's electro. the national rules for electrical installations are essential for electricians, electrical contractors and designers as they specify. ireland’s new national rules for electrical installations (previously known as national wiring rules) have been published by the. this practical guide helps. Standard Electrical Installation.
From florida-academy.edu
Benefits of Maintaining an Electrical Installation Florida Academy Standard Electrical Installation the national rules for electrical installations are essential for electricians, electrical contractors and designers as they specify. this practical guide helps in navigating the new nsai i.s. ireland’s new national rules for electrical installations (previously known as national wiring rules) have been published by the. the nsai will publish the 5 th edition national rules for. Standard Electrical Installation.
From www.electrical-knowhow.com
How to Read and Interpret Electrical Shop Drawings Part Two Standard Electrical Installation the new standard, also known as i.s. is 10101 of 2020 gives a comprehensive set of requirements for the requirements for design and installation of electrical at. 10101:2020, will replace et 101:2008, and has been produced by industry experts who sit on the nsai's electro. this practical guide helps in navigating the new nsai i.s. 10101 is. Standard Electrical Installation.