Car Keeps Blowing Fuses . Find out the common causes, such as wrong fuse, battery issues, wire damage, faulty alternator, high resistance, rust/corrosion, and more. Learn why your car fuse keeps blowing and how to fix it. The car’s ac fuse may blow if the compressor clutch is broken or disengaged and the compressor is still running and drawing too much current. Learn why your car fuse keeps blowing and how to replace it with the right size and type of fuse. Hearing clicking sounds or dealing with flickering lights? Explore how to tell if a car fuse is blown, the repair process,. This is because the compressor can’t restrict the flow of refrigerant properly. Find out where the fuse box is located and what to do if you have a defective. Learn about the common causes of blown fuses, such as faulty replacement, short circuits, and fraying wire insulation. When a blower motor keeps blowing fuses, it often indicates an underlying electrical issue such as an overloaded circuit, a short. The top 4 common causes of a car fuse that keeps blowing: Find out how to locate and replace fuses in your vehicle's fuse boxes. Fuse amp rating too small; You might have a blown fuse.
from www.2carpros.com
When a blower motor keeps blowing fuses, it often indicates an underlying electrical issue such as an overloaded circuit, a short. Explore how to tell if a car fuse is blown, the repair process,. Find out the common causes, such as wrong fuse, battery issues, wire damage, faulty alternator, high resistance, rust/corrosion, and more. Hearing clicking sounds or dealing with flickering lights? Fuse amp rating too small; Learn why your car fuse keeps blowing and how to fix it. Find out how to locate and replace fuses in your vehicle's fuse boxes. Learn why your car fuse keeps blowing and how to replace it with the right size and type of fuse. The top 4 common causes of a car fuse that keeps blowing: You might have a blown fuse.
ECU Fuse Keeps Blowing My Car Keeps Blowing the ECU Fuse. What
Car Keeps Blowing Fuses Hearing clicking sounds or dealing with flickering lights? Learn about the common causes of blown fuses, such as faulty replacement, short circuits, and fraying wire insulation. Find out where the fuse box is located and what to do if you have a defective. This is because the compressor can’t restrict the flow of refrigerant properly. When a blower motor keeps blowing fuses, it often indicates an underlying electrical issue such as an overloaded circuit, a short. Find out the common causes, such as wrong fuse, battery issues, wire damage, faulty alternator, high resistance, rust/corrosion, and more. Learn why your car fuse keeps blowing and how to replace it with the right size and type of fuse. You might have a blown fuse. Hearing clicking sounds or dealing with flickering lights? The top 4 common causes of a car fuse that keeps blowing: Find out how to locate and replace fuses in your vehicle's fuse boxes. Fuse amp rating too small; Explore how to tell if a car fuse is blown, the repair process,. The car’s ac fuse may blow if the compressor clutch is broken or disengaged and the compressor is still running and drawing too much current. Learn why your car fuse keeps blowing and how to fix it.
From www.2carpros.com
ECU Fuse Keeps Blowing My Car Keeps Blowing the ECU Fuse. What Car Keeps Blowing Fuses Explore how to tell if a car fuse is blown, the repair process,. You might have a blown fuse. Learn why your car fuse keeps blowing and how to replace it with the right size and type of fuse. Fuse amp rating too small; When a blower motor keeps blowing fuses, it often indicates an underlying electrical issue such as. Car Keeps Blowing Fuses.
From atelier-yuwa.ciao.jp
Why Does My Car Keep Blowing Fuses? Parkside Motors atelieryuwa.ciao.jp Car Keeps Blowing Fuses Find out how to locate and replace fuses in your vehicle's fuse boxes. Hearing clicking sounds or dealing with flickering lights? Fuse amp rating too small; Find out the common causes, such as wrong fuse, battery issues, wire damage, faulty alternator, high resistance, rust/corrosion, and more. The top 4 common causes of a car fuse that keeps blowing: Learn about. Car Keeps Blowing Fuses.
From www.youtube.com
HOW TO KNOW IF CAR FUSE IS BLOWN. TEST CAR FUSE YouTube Car Keeps Blowing Fuses Find out where the fuse box is located and what to do if you have a defective. Learn why your car fuse keeps blowing and how to replace it with the right size and type of fuse. Find out how to locate and replace fuses in your vehicle's fuse boxes. Explore how to tell if a car fuse is blown,. Car Keeps Blowing Fuses.
From enginefault.com
How To Fix A Car That Keeps Blowing Fuses Car Keeps Blowing Fuses Learn about the common causes of blown fuses, such as faulty replacement, short circuits, and fraying wire insulation. Find out the common causes, such as wrong fuse, battery issues, wire damage, faulty alternator, high resistance, rust/corrosion, and more. Find out where the fuse box is located and what to do if you have a defective. Explore how to tell if. Car Keeps Blowing Fuses.
From carhelpers.com
Fuse Keeps Blowing In the Car (Why & What To Do) Car Keeps Blowing Fuses Find out the common causes, such as wrong fuse, battery issues, wire damage, faulty alternator, high resistance, rust/corrosion, and more. Learn why your car fuse keeps blowing and how to replace it with the right size and type of fuse. Hearing clicking sounds or dealing with flickering lights? You might have a blown fuse. Learn about the common causes of. Car Keeps Blowing Fuses.
From yourmotorguide.com
4 Reasons Why Your Car Keeps Blowing the Fuel Pump Fuse Car Keeps Blowing Fuses Hearing clicking sounds or dealing with flickering lights? Find out how to locate and replace fuses in your vehicle's fuse boxes. Find out the common causes, such as wrong fuse, battery issues, wire damage, faulty alternator, high resistance, rust/corrosion, and more. Find out where the fuse box is located and what to do if you have a defective. Learn why. Car Keeps Blowing Fuses.
From yourmotorguide.com
Does Your Car AC Keep Blowing The Fuse? (How to Fix) Car Keeps Blowing Fuses Find out the common causes, such as wrong fuse, battery issues, wire damage, faulty alternator, high resistance, rust/corrosion, and more. When a blower motor keeps blowing fuses, it often indicates an underlying electrical issue such as an overloaded circuit, a short. You might have a blown fuse. Learn why your car fuse keeps blowing and how to fix it. Explore. Car Keeps Blowing Fuses.
From www.youtube.com
How to check car for blown fuses with multimeter (electric & electronic DIY diagnostics) YouTube Car Keeps Blowing Fuses This is because the compressor can’t restrict the flow of refrigerant properly. Hearing clicking sounds or dealing with flickering lights? Learn about the common causes of blown fuses, such as faulty replacement, short circuits, and fraying wire insulation. Find out how to locate and replace fuses in your vehicle's fuse boxes. Find out the common causes, such as wrong fuse,. Car Keeps Blowing Fuses.
From bradscartunes.com
How To Tell If A Car Fuse Is Blown 4 Top Expert Tips! Brads Cartunes Car Keeps Blowing Fuses Learn why your car fuse keeps blowing and how to replace it with the right size and type of fuse. The top 4 common causes of a car fuse that keeps blowing: Find out the common causes, such as wrong fuse, battery issues, wire damage, faulty alternator, high resistance, rust/corrosion, and more. Explore how to tell if a car fuse. Car Keeps Blowing Fuses.
From taused.com
Why Your Car Ignition Fuse Keeps Blowing? Taused Car Keeps Blowing Fuses Learn why your car fuse keeps blowing and how to replace it with the right size and type of fuse. Learn why your car fuse keeps blowing and how to fix it. Find out how to locate and replace fuses in your vehicle's fuse boxes. Find out the common causes, such as wrong fuse, battery issues, wire damage, faulty alternator,. Car Keeps Blowing Fuses.
From carmechan.com
Tail Light Fuse Keeps Blowing in Car Car Mechan Car Keeps Blowing Fuses Learn why your car fuse keeps blowing and how to replace it with the right size and type of fuse. Fuse amp rating too small; Learn why your car fuse keeps blowing and how to fix it. The car’s ac fuse may blow if the compressor clutch is broken or disengaged and the compressor is still running and drawing too. Car Keeps Blowing Fuses.
From vehiclehelp.com
ECM Fuse Blowing 5 Symptoms, Causes & How To Fix Car Keeps Blowing Fuses Find out how to locate and replace fuses in your vehicle's fuse boxes. This is because the compressor can’t restrict the flow of refrigerant properly. Learn why your car fuse keeps blowing and how to fix it. The top 4 common causes of a car fuse that keeps blowing: Explore how to tell if a car fuse is blown, the. Car Keeps Blowing Fuses.
From moneyexpertsteam.blogspot.com
How To Fix Car Amp Power Fuse That Keeps Blowing Out How To Fix & Repair Things Yourself Car Keeps Blowing Fuses Learn why your car fuse keeps blowing and how to replace it with the right size and type of fuse. When a blower motor keeps blowing fuses, it often indicates an underlying electrical issue such as an overloaded circuit, a short. You might have a blown fuse. Find out how to locate and replace fuses in your vehicle's fuse boxes.. Car Keeps Blowing Fuses.
From www.yourmechanic.com
Signs Your Car Has a Blown Fuse YourMechanic Advice Car Keeps Blowing Fuses You might have a blown fuse. Hearing clicking sounds or dealing with flickering lights? Find out how to locate and replace fuses in your vehicle's fuse boxes. Fuse amp rating too small; Learn why your car fuse keeps blowing and how to replace it with the right size and type of fuse. The car’s ac fuse may blow if the. Car Keeps Blowing Fuses.
From rustyautos.com
Car Fuse Keeps Blowing Fix it like a pro! Car Keeps Blowing Fuses Find out how to locate and replace fuses in your vehicle's fuse boxes. When a blower motor keeps blowing fuses, it often indicates an underlying electrical issue such as an overloaded circuit, a short. Find out the common causes, such as wrong fuse, battery issues, wire damage, faulty alternator, high resistance, rust/corrosion, and more. Fuse amp rating too small; Hearing. Car Keeps Blowing Fuses.
From driveandfix.com
The Essential Guide to Blown AC Fuse In Car Symptoms Car Keeps Blowing Fuses This is because the compressor can’t restrict the flow of refrigerant properly. Fuse amp rating too small; Learn why your car fuse keeps blowing and how to fix it. Find out how to locate and replace fuses in your vehicle's fuse boxes. The top 4 common causes of a car fuse that keeps blowing: Find out the common causes, such. Car Keeps Blowing Fuses.
From drivingandstyle.com
40 Amp Ignition Fuse Keeps Blowing Why This Happen Driving and Style Car Keeps Blowing Fuses When a blower motor keeps blowing fuses, it often indicates an underlying electrical issue such as an overloaded circuit, a short. The car’s ac fuse may blow if the compressor clutch is broken or disengaged and the compressor is still running and drawing too much current. Explore how to tell if a car fuse is blown, the repair process,. Learn. Car Keeps Blowing Fuses.
From rustyautos.com
Car Fuse Keeps Blowing Fix it like a pro! Car Keeps Blowing Fuses You might have a blown fuse. When a blower motor keeps blowing fuses, it often indicates an underlying electrical issue such as an overloaded circuit, a short. Learn why your car fuse keeps blowing and how to fix it. Learn about the common causes of blown fuses, such as faulty replacement, short circuits, and fraying wire insulation. This is because. Car Keeps Blowing Fuses.
From autoglobes.com
Car Fuse Keeps Blowing Possible Reasons and Fixes AutoGlobes Car Keeps Blowing Fuses Find out the common causes, such as wrong fuse, battery issues, wire damage, faulty alternator, high resistance, rust/corrosion, and more. The car’s ac fuse may blow if the compressor clutch is broken or disengaged and the compressor is still running and drawing too much current. When a blower motor keeps blowing fuses, it often indicates an underlying electrical issue such. Car Keeps Blowing Fuses.
From automotiverepairphoenix.com
What Causes Your Car to Keep Blowing Fuses? Car Keeps Blowing Fuses The top 4 common causes of a car fuse that keeps blowing: Find out how to locate and replace fuses in your vehicle's fuse boxes. Find out where the fuse box is located and what to do if you have a defective. When a blower motor keeps blowing fuses, it often indicates an underlying electrical issue such as an overloaded. Car Keeps Blowing Fuses.
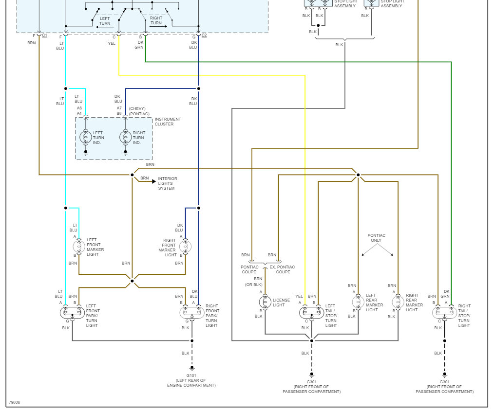
From www.2carpros.com
Turn Signals Blowing Fuses? Car Keeps Blowing Fuses, Have Car Keeps Blowing Fuses The top 4 common causes of a car fuse that keeps blowing: This is because the compressor can’t restrict the flow of refrigerant properly. Hearing clicking sounds or dealing with flickering lights? When a blower motor keeps blowing fuses, it often indicates an underlying electrical issue such as an overloaded circuit, a short. You might have a blown fuse. Fuse. Car Keeps Blowing Fuses.
From empireautocare.com
Why Does My Car Keep Blowing Fuses? Empire Auto Care Car Keeps Blowing Fuses Learn why your car fuse keeps blowing and how to replace it with the right size and type of fuse. You might have a blown fuse. Fuse amp rating too small; Explore how to tell if a car fuse is blown, the repair process,. This is because the compressor can’t restrict the flow of refrigerant properly. Learn why your car. Car Keeps Blowing Fuses.
From demoresautomotive.com
Why Does My Car Keep Blowing Fuses After I Replace Them? Car Keeps Blowing Fuses The car’s ac fuse may blow if the compressor clutch is broken or disengaged and the compressor is still running and drawing too much current. Find out how to locate and replace fuses in your vehicle's fuse boxes. Explore how to tell if a car fuse is blown, the repair process,. The top 4 common causes of a car fuse. Car Keeps Blowing Fuses.
From carfromjapan.com
How To Detect And Replace A Blown Fuse In Car CAR FROM JAPAN Car Keeps Blowing Fuses Explore how to tell if a car fuse is blown, the repair process,. You might have a blown fuse. The top 4 common causes of a car fuse that keeps blowing: Hearing clicking sounds or dealing with flickering lights? Find out where the fuse box is located and what to do if you have a defective. Fuse amp rating too. Car Keeps Blowing Fuses.
From www.carsumu.com
Car Radio Fuse Keeps Blowing Out How to Fix? Car Sumu Car Keeps Blowing Fuses Learn why your car fuse keeps blowing and how to fix it. This is because the compressor can’t restrict the flow of refrigerant properly. Find out how to locate and replace fuses in your vehicle's fuse boxes. Hearing clicking sounds or dealing with flickering lights? Learn about the common causes of blown fuses, such as faulty replacement, short circuits, and. Car Keeps Blowing Fuses.
From burtbrothers.com
Why Your Car Keeps Blowing Fuses and How to Fix Them Burt Brothers Tires & Service Car Keeps Blowing Fuses Learn why your car fuse keeps blowing and how to replace it with the right size and type of fuse. Fuse amp rating too small; This is because the compressor can’t restrict the flow of refrigerant properly. Learn about the common causes of blown fuses, such as faulty replacement, short circuits, and fraying wire insulation. Learn why your car fuse. Car Keeps Blowing Fuses.
From bradscartunes.com
How To Tell If A Car Fuse Is Blown 4 Top Expert Tips! Brads Cartunes Car Keeps Blowing Fuses Find out where the fuse box is located and what to do if you have a defective. You might have a blown fuse. Fuse amp rating too small; The car’s ac fuse may blow if the compressor clutch is broken or disengaged and the compressor is still running and drawing too much current. Learn about the common causes of blown. Car Keeps Blowing Fuses.
From autovaluable.com
Your Ignition Fuse Keeps Blowing? [6 Easy Fixes] Auto Valuable Car Keeps Blowing Fuses Find out the common causes, such as wrong fuse, battery issues, wire damage, faulty alternator, high resistance, rust/corrosion, and more. This is because the compressor can’t restrict the flow of refrigerant properly. The car’s ac fuse may blow if the compressor clutch is broken or disengaged and the compressor is still running and drawing too much current. Learn why your. Car Keeps Blowing Fuses.
From improvecaraudio.com
Why Does Car Amp Fuse Keep Blowing? Car Keeps Blowing Fuses Find out where the fuse box is located and what to do if you have a defective. When a blower motor keeps blowing fuses, it often indicates an underlying electrical issue such as an overloaded circuit, a short. Learn why your car fuse keeps blowing and how to replace it with the right size and type of fuse. The car’s. Car Keeps Blowing Fuses.
From 610autohaus.com
My Car Keeps Blowing Fuses! Why? 610AutoHaus Pottstown, PA Car Keeps Blowing Fuses Find out the common causes, such as wrong fuse, battery issues, wire damage, faulty alternator, high resistance, rust/corrosion, and more. The car’s ac fuse may blow if the compressor clutch is broken or disengaged and the compressor is still running and drawing too much current. Explore how to tell if a car fuse is blown, the repair process,. You might. Car Keeps Blowing Fuses.
From carstopics.com
3 Reasons Why Your Fuel Pump Fuse Keeps Blowing CarsTopics Car Keeps Blowing Fuses Find out how to locate and replace fuses in your vehicle's fuse boxes. This is because the compressor can’t restrict the flow of refrigerant properly. When a blower motor keeps blowing fuses, it often indicates an underlying electrical issue such as an overloaded circuit, a short. Learn about the common causes of blown fuses, such as faulty replacement, short circuits,. Car Keeps Blowing Fuses.
From autoglobes.com
Why My AC Fuse Keeps Blowing In My Car [8 Ways To Solve!] AutoGlobes Car Keeps Blowing Fuses Find out how to locate and replace fuses in your vehicle's fuse boxes. Find out the common causes, such as wrong fuse, battery issues, wire damage, faulty alternator, high resistance, rust/corrosion, and more. This is because the compressor can’t restrict the flow of refrigerant properly. The top 4 common causes of a car fuse that keeps blowing: The car’s ac. Car Keeps Blowing Fuses.
From carhelpers.com
Fuse Keeps Blowing In the Car (Why & What To Do) Car Keeps Blowing Fuses You might have a blown fuse. The car’s ac fuse may blow if the compressor clutch is broken or disengaged and the compressor is still running and drawing too much current. When a blower motor keeps blowing fuses, it often indicates an underlying electrical issue such as an overloaded circuit, a short. Fuse amp rating too small; Learn about the. Car Keeps Blowing Fuses.
From carfromjapan.com
Why Does My Fuse Keep Blowing in The Car? Car Keeps Blowing Fuses Learn why your car fuse keeps blowing and how to replace it with the right size and type of fuse. The car’s ac fuse may blow if the compressor clutch is broken or disengaged and the compressor is still running and drawing too much current. Find out how to locate and replace fuses in your vehicle's fuse boxes. Find out. Car Keeps Blowing Fuses.
From medium.com
WHY DOES MY CAR AMP KEEP BLOWING FUSES Car Electronix Medium Car Keeps Blowing Fuses Fuse amp rating too small; The top 4 common causes of a car fuse that keeps blowing: Learn why your car fuse keeps blowing and how to replace it with the right size and type of fuse. Find out how to locate and replace fuses in your vehicle's fuse boxes. You might have a blown fuse. When a blower motor. Car Keeps Blowing Fuses.