How To Fix Electrolux Vacuum Cleaner Cord . Investigate the damaged area of the power cord to access the damage. How to repair & fix vacuum cleaner power cord: If your electrolux vacuum is not turning on, it could be due to a variety of reasons. Often the hardest part is just getting. The cord of your electrolux vacuum won't retract because it is jammed or pulled all out, leaving the cord wheel bare. Inspecting the damaged area : Open the back panel where the cord wheel is and. The electrical cord of an electrolux vacuum can wear out or become damaged just like it can for other tools and appliances. A step by step guide 1. Repair of the automatic cord winder mechanism on an electrolux vacuum cleaner. They are pretty much all of a similar design. The electric cord can get stuck and refuse to budge, making for a potential tripping hazard. One possibility is that there is a problem with the power cord or plug, which can cause the. Electrolux vacuum power cord stuck how to fix. Replacing a damaged or broken power cord seems scary, but it's much easier than you think.
from wiringdiagram.2bitboer.com
Repair of the automatic cord winder mechanism on an electrolux vacuum cleaner. They are pretty much all of a similar design. A step by step guide 1. How to repair & fix vacuum cleaner power cord: The electrical cord of an electrolux vacuum can wear out or become damaged just like it can for other tools and appliances. Open the back panel where the cord wheel is and. Investigate the damaged area of the power cord to access the damage. Replacing a damaged or broken power cord seems scary, but it's much easier than you think. Often the hardest part is just getting. Inspecting the damaged area :
Electrolux Vacuum Cleaner Wiring Diagram Wiring Diagram
How To Fix Electrolux Vacuum Cleaner Cord Replacing a damaged or broken power cord seems scary, but it's much easier than you think. Open the back panel where the cord wheel is and. Often the hardest part is just getting. They are pretty much all of a similar design. If your electrolux vacuum is not turning on, it could be due to a variety of reasons. Inspecting the damaged area : Investigate the damaged area of the power cord to access the damage. One possibility is that there is a problem with the power cord or plug, which can cause the. The cord of your electrolux vacuum won't retract because it is jammed or pulled all out, leaving the cord wheel bare. How to repair & fix vacuum cleaner power cord: The electric cord can get stuck and refuse to budge, making for a potential tripping hazard. Repair of the automatic cord winder mechanism on an electrolux vacuum cleaner. A step by step guide 1. The electrical cord of an electrolux vacuum can wear out or become damaged just like it can for other tools and appliances. Electrolux vacuum power cord stuck how to fix. Replacing a damaged or broken power cord seems scary, but it's much easier than you think.
From softsolder.com
Electrolux Vacuum Cleaner Cord Protection The Smell of Molten Projects in the Morning How To Fix Electrolux Vacuum Cleaner Cord They are pretty much all of a similar design. The cord of your electrolux vacuum won't retract because it is jammed or pulled all out, leaving the cord wheel bare. A step by step guide 1. The electrical cord of an electrolux vacuum can wear out or become damaged just like it can for other tools and appliances. How to. How To Fix Electrolux Vacuum Cleaner Cord.
From www.youtube.com
Vacuum Cleaner Stops After Start How To Repair Electrolux UltraSilencer ZUSGREEN YouTube How To Fix Electrolux Vacuum Cleaner Cord Repair of the automatic cord winder mechanism on an electrolux vacuum cleaner. The electrical cord of an electrolux vacuum can wear out or become damaged just like it can for other tools and appliances. They are pretty much all of a similar design. Electrolux vacuum power cord stuck how to fix. How to repair & fix vacuum cleaner power cord:. How To Fix Electrolux Vacuum Cleaner Cord.
From www.youtube.com
Vacuum Cleaner Cord Retractor FIX YouTube How To Fix Electrolux Vacuum Cleaner Cord A step by step guide 1. Open the back panel where the cord wheel is and. The electric cord can get stuck and refuse to budge, making for a potential tripping hazard. Electrolux vacuum power cord stuck how to fix. The cord of your electrolux vacuum won't retract because it is jammed or pulled all out, leaving the cord wheel. How To Fix Electrolux Vacuum Cleaner Cord.
From jumpstarterdiscount.blogspot.com
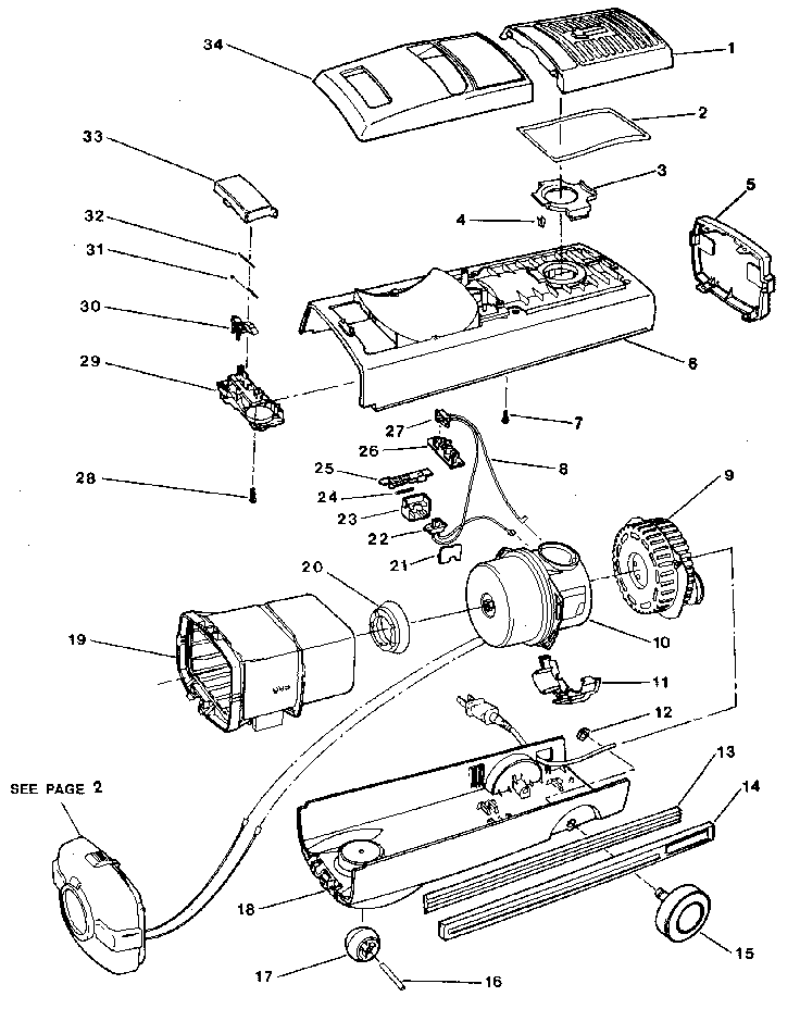
Electrolux Vacuum Parts Diagram Wiring Diagram How To Fix Electrolux Vacuum Cleaner Cord They are pretty much all of a similar design. How to repair & fix vacuum cleaner power cord: A step by step guide 1. One possibility is that there is a problem with the power cord or plug, which can cause the. Inspecting the damaged area : The electrical cord of an electrolux vacuum can wear out or become damaged. How To Fix Electrolux Vacuum Cleaner Cord.
From exoiqppfp.blob.core.windows.net
How To Replace Electrolux Vacuum Power Cord at Eric Yeh blog How To Fix Electrolux Vacuum Cleaner Cord A step by step guide 1. How to repair & fix vacuum cleaner power cord: Often the hardest part is just getting. Replacing a damaged or broken power cord seems scary, but it's much easier than you think. Inspecting the damaged area : One possibility is that there is a problem with the power cord or plug, which can cause. How To Fix Electrolux Vacuum Cleaner Cord.
From www.youtube.com
Electrolux Vacuum Cleaner Repair.MOV YouTube How To Fix Electrolux Vacuum Cleaner Cord If your electrolux vacuum is not turning on, it could be due to a variety of reasons. Replacing a damaged or broken power cord seems scary, but it's much easier than you think. One possibility is that there is a problem with the power cord or plug, which can cause the. They are pretty much all of a similar design.. How To Fix Electrolux Vacuum Cleaner Cord.
From www.youtube.com
Electrolux Vacuum OXYGEN oxy3 EL7020 Power Nozzle Elbow Neck Broken Repair BEAM155259 NUE How To Fix Electrolux Vacuum Cleaner Cord Inspecting the damaged area : The electrical cord of an electrolux vacuum can wear out or become damaged just like it can for other tools and appliances. The cord of your electrolux vacuum won't retract because it is jammed or pulled all out, leaving the cord wheel bare. Open the back panel where the cord wheel is and. They are. How To Fix Electrolux Vacuum Cleaner Cord.
From houseunderfoot.com
Electrolux Vacuum Cord Won't Retract How To Fix? How To Fix Electrolux Vacuum Cleaner Cord They are pretty much all of a similar design. If your electrolux vacuum is not turning on, it could be due to a variety of reasons. Repair of the automatic cord winder mechanism on an electrolux vacuum cleaner. Open the back panel where the cord wheel is and. Electrolux vacuum power cord stuck how to fix. The electric cord can. How To Fix Electrolux Vacuum Cleaner Cord.
From www.youtube.com
Electrolux ultrasilencer vacuum, overheating, turning off, shutting off, how to fix YouTube How To Fix Electrolux Vacuum Cleaner Cord Investigate the damaged area of the power cord to access the damage. How to repair & fix vacuum cleaner power cord: A step by step guide 1. The electric cord can get stuck and refuse to budge, making for a potential tripping hazard. Inspecting the damaged area : The cord of your electrolux vacuum won't retract because it is jammed. How To Fix Electrolux Vacuum Cleaner Cord.
From www.electrolux.com.sg
How to fix Electrolux Vacuum Cleaner Issues Electrolux Singapore How To Fix Electrolux Vacuum Cleaner Cord Electrolux vacuum power cord stuck how to fix. Replacing a damaged or broken power cord seems scary, but it's much easier than you think. How to repair & fix vacuum cleaner power cord: The electric cord can get stuck and refuse to budge, making for a potential tripping hazard. A step by step guide 1. Inspecting the damaged area :. How To Fix Electrolux Vacuum Cleaner Cord.
From blog.evacuumstore.com
Vacuum Cleaner Advice and Repair Help eVacuumStore Find step by step how to articles on how How To Fix Electrolux Vacuum Cleaner Cord Open the back panel where the cord wheel is and. Replacing a damaged or broken power cord seems scary, but it's much easier than you think. One possibility is that there is a problem with the power cord or plug, which can cause the. The electric cord can get stuck and refuse to budge, making for a potential tripping hazard.. How To Fix Electrolux Vacuum Cleaner Cord.
From userpartnicole77.z13.web.core.windows.net
Electrolux Vacuum Repair Manual How To Fix Electrolux Vacuum Cleaner Cord The electrical cord of an electrolux vacuum can wear out or become damaged just like it can for other tools and appliances. The cord of your electrolux vacuum won't retract because it is jammed or pulled all out, leaving the cord wheel bare. Open the back panel where the cord wheel is and. If your electrolux vacuum is not turning. How To Fix Electrolux Vacuum Cleaner Cord.
From spotlesssphere.com
How To Repair A Cord Rewind In A Vacuum Cleaner Quick & Easy DIY Secrets! 2024 How To Fix Electrolux Vacuum Cleaner Cord The electrical cord of an electrolux vacuum can wear out or become damaged just like it can for other tools and appliances. If your electrolux vacuum is not turning on, it could be due to a variety of reasons. The cord of your electrolux vacuum won't retract because it is jammed or pulled all out, leaving the cord wheel bare.. How To Fix Electrolux Vacuum Cleaner Cord.
From dust-trap.com
Cord Winder Assembly for Electrolux Vacuum Cleaner DustTrap How To Fix Electrolux Vacuum Cleaner Cord Inspecting the damaged area : Electrolux vacuum power cord stuck how to fix. The cord of your electrolux vacuum won't retract because it is jammed or pulled all out, leaving the cord wheel bare. How to repair & fix vacuum cleaner power cord: A step by step guide 1. The electric cord can get stuck and refuse to budge, making. How To Fix Electrolux Vacuum Cleaner Cord.
From wiringdiagram.2bitboer.com
Electrolux Vacuum Cleaner Wiring Diagram Wiring Diagram How To Fix Electrolux Vacuum Cleaner Cord The cord of your electrolux vacuum won't retract because it is jammed or pulled all out, leaving the cord wheel bare. If your electrolux vacuum is not turning on, it could be due to a variety of reasons. How to repair & fix vacuum cleaner power cord: Investigate the damaged area of the power cord to access the damage. Electrolux. How To Fix Electrolux Vacuum Cleaner Cord.
From cleaningtuts.com
Finding How to Fix Vacuum Cleaner Cord How To Fix Electrolux Vacuum Cleaner Cord Open the back panel where the cord wheel is and. Investigate the damaged area of the power cord to access the damage. Often the hardest part is just getting. Inspecting the damaged area : They are pretty much all of a similar design. How to repair & fix vacuum cleaner power cord: The electric cord can get stuck and refuse. How To Fix Electrolux Vacuum Cleaner Cord.
From jumpstarterdiscount.blogspot.com
Electrolux Vacuum Parts Diagram Wiring Diagram How To Fix Electrolux Vacuum Cleaner Cord If your electrolux vacuum is not turning on, it could be due to a variety of reasons. Repair of the automatic cord winder mechanism on an electrolux vacuum cleaner. One possibility is that there is a problem with the power cord or plug, which can cause the. Replacing a damaged or broken power cord seems scary, but it's much easier. How To Fix Electrolux Vacuum Cleaner Cord.
From www.youtube.com
Electrolux Epic 6500 Vacuum Repair YouTube How To Fix Electrolux Vacuum Cleaner Cord They are pretty much all of a similar design. Often the hardest part is just getting. The cord of your electrolux vacuum won't retract because it is jammed or pulled all out, leaving the cord wheel bare. Replacing a damaged or broken power cord seems scary, but it's much easier than you think. If your electrolux vacuum is not turning. How To Fix Electrolux Vacuum Cleaner Cord.
From www.youtube.com
Bagless Vacuum Cleaner Fix Electrolux Pure C9 PC914MG YouTube How To Fix Electrolux Vacuum Cleaner Cord The electrical cord of an electrolux vacuum can wear out or become damaged just like it can for other tools and appliances. A step by step guide 1. One possibility is that there is a problem with the power cord or plug, which can cause the. Electrolux vacuum power cord stuck how to fix. Inspecting the damaged area : If. How To Fix Electrolux Vacuum Cleaner Cord.
From www.youtube.com
The Vacuum Cleaner Cannot Be Turned On How To Repair Electrolux UltraFlex UFFLEXA YouTube How To Fix Electrolux Vacuum Cleaner Cord The cord of your electrolux vacuum won't retract because it is jammed or pulled all out, leaving the cord wheel bare. Investigate the damaged area of the power cord to access the damage. Often the hardest part is just getting. How to repair & fix vacuum cleaner power cord: Electrolux vacuum power cord stuck how to fix. One possibility is. How To Fix Electrolux Vacuum Cleaner Cord.
From blog.evacuumstore.com
Vacuum Cleaner Advice and Repair Help eVacuumStore Find step by step how to articles on how How To Fix Electrolux Vacuum Cleaner Cord They are pretty much all of a similar design. Open the back panel where the cord wheel is and. The electric cord can get stuck and refuse to budge, making for a potential tripping hazard. Repair of the automatic cord winder mechanism on an electrolux vacuum cleaner. Replacing a damaged or broken power cord seems scary, but it's much easier. How To Fix Electrolux Vacuum Cleaner Cord.
From www.smartvacuumguide.com
How to Replace a Vacuum Cleaner Power Cord? How To Fix Electrolux Vacuum Cleaner Cord They are pretty much all of a similar design. A step by step guide 1. Inspecting the damaged area : The electric cord can get stuck and refuse to budge, making for a potential tripping hazard. If your electrolux vacuum is not turning on, it could be due to a variety of reasons. Often the hardest part is just getting.. How To Fix Electrolux Vacuum Cleaner Cord.
From cleaningtuts.com
Finding How to Fix Vacuum Cleaner Cord How To Fix Electrolux Vacuum Cleaner Cord Replacing a damaged or broken power cord seems scary, but it's much easier than you think. Inspecting the damaged area : Open the back panel where the cord wheel is and. The electric cord can get stuck and refuse to budge, making for a potential tripping hazard. Electrolux vacuum power cord stuck how to fix. Often the hardest part is. How To Fix Electrolux Vacuum Cleaner Cord.
From www.youtube.com
DIY Electrolux ultracaptic vacuum cleaner power button issue fix YouTube How To Fix Electrolux Vacuum Cleaner Cord The electrical cord of an electrolux vacuum can wear out or become damaged just like it can for other tools and appliances. If your electrolux vacuum is not turning on, it could be due to a variety of reasons. They are pretty much all of a similar design. Replacing a damaged or broken power cord seems scary, but it's much. How To Fix Electrolux Vacuum Cleaner Cord.
From www.ifixit.com
Electrolux Vacuum Repair Help Learn How to Fix It Yourself. How To Fix Electrolux Vacuum Cleaner Cord A step by step guide 1. One possibility is that there is a problem with the power cord or plug, which can cause the. Often the hardest part is just getting. Repair of the automatic cord winder mechanism on an electrolux vacuum cleaner. How to repair & fix vacuum cleaner power cord: The electric cord can get stuck and refuse. How To Fix Electrolux Vacuum Cleaner Cord.
From www.youtube.com
How to Replace an Electrolux Power Nozzle Coupling 1 YouTube How To Fix Electrolux Vacuum Cleaner Cord How to repair & fix vacuum cleaner power cord: Repair of the automatic cord winder mechanism on an electrolux vacuum cleaner. Often the hardest part is just getting. Inspecting the damaged area : One possibility is that there is a problem with the power cord or plug, which can cause the. The cord of your electrolux vacuum won't retract because. How To Fix Electrolux Vacuum Cleaner Cord.
From wiringdiagram.2bitboer.com
Electrolux Vacuum Cleaner Wiring Diagram Wiring Diagram How To Fix Electrolux Vacuum Cleaner Cord Replacing a damaged or broken power cord seems scary, but it's much easier than you think. Electrolux vacuum power cord stuck how to fix. They are pretty much all of a similar design. Repair of the automatic cord winder mechanism on an electrolux vacuum cleaner. The electrical cord of an electrolux vacuum can wear out or become damaged just like. How To Fix Electrolux Vacuum Cleaner Cord.
From dust-trap.com
Cord Winder Assembly for Electrolux Vacuum Cleaner DustTrap How To Fix Electrolux Vacuum Cleaner Cord Electrolux vacuum power cord stuck how to fix. Often the hardest part is just getting. The cord of your electrolux vacuum won't retract because it is jammed or pulled all out, leaving the cord wheel bare. The electrical cord of an electrolux vacuum can wear out or become damaged just like it can for other tools and appliances. Investigate the. How To Fix Electrolux Vacuum Cleaner Cord.
From www.youtube.com
Disassembly of Electrolux ultraone vacuum cleaner to change cable winding unit YouTube How To Fix Electrolux Vacuum Cleaner Cord Open the back panel where the cord wheel is and. How to repair & fix vacuum cleaner power cord: A step by step guide 1. Replacing a damaged or broken power cord seems scary, but it's much easier than you think. Electrolux vacuum power cord stuck how to fix. Inspecting the damaged area : The electrical cord of an electrolux. How To Fix Electrolux Vacuum Cleaner Cord.
From www.youtube.com
Electrolux vacuum power cord stuck YouTube How To Fix Electrolux Vacuum Cleaner Cord Open the back panel where the cord wheel is and. If your electrolux vacuum is not turning on, it could be due to a variety of reasons. They are pretty much all of a similar design. Investigate the damaged area of the power cord to access the damage. Electrolux vacuum power cord stuck how to fix. The electrical cord of. How To Fix Electrolux Vacuum Cleaner Cord.
From www.youtube.com
Electrolux Epic 8000 Vacuum Cleaner w/ Retractable Cord YouTube How To Fix Electrolux Vacuum Cleaner Cord How to repair & fix vacuum cleaner power cord: The cord of your electrolux vacuum won't retract because it is jammed or pulled all out, leaving the cord wheel bare. The electric cord can get stuck and refuse to budge, making for a potential tripping hazard. A step by step guide 1. Inspecting the damaged area : Replacing a damaged. How To Fix Electrolux Vacuum Cleaner Cord.
From mavink.com
Electrolux Canister Vacuum Wiring Diagram How To Fix Electrolux Vacuum Cleaner Cord Electrolux vacuum power cord stuck how to fix. A step by step guide 1. Inspecting the damaged area : They are pretty much all of a similar design. Repair of the automatic cord winder mechanism on an electrolux vacuum cleaner. The electric cord can get stuck and refuse to budge, making for a potential tripping hazard. How to repair &. How To Fix Electrolux Vacuum Cleaner Cord.
From thehardwarehub.co.uk
How to Repair & Fix Vacuum Cleaner Power Cord (6 Steps) How To Fix Electrolux Vacuum Cleaner Cord Repair of the automatic cord winder mechanism on an electrolux vacuum cleaner. They are pretty much all of a similar design. Investigate the damaged area of the power cord to access the damage. How to repair & fix vacuum cleaner power cord: The electric cord can get stuck and refuse to budge, making for a potential tripping hazard. Inspecting the. How To Fix Electrolux Vacuum Cleaner Cord.
From spotlesssphere.com
How To Repair Electrolux Vacuum Cleaner Quick Fix Secrets Revealed! 2023 How To Fix Electrolux Vacuum Cleaner Cord One possibility is that there is a problem with the power cord or plug, which can cause the. The cord of your electrolux vacuum won't retract because it is jammed or pulled all out, leaving the cord wheel bare. How to repair & fix vacuum cleaner power cord: They are pretty much all of a similar design. Inspecting the damaged. How To Fix Electrolux Vacuum Cleaner Cord.
From applianceselloff.com
Best Electrolux Vacuum Cleaner Repair Manual Home Appliances How To Fix Electrolux Vacuum Cleaner Cord How to repair & fix vacuum cleaner power cord: The electric cord can get stuck and refuse to budge, making for a potential tripping hazard. Replacing a damaged or broken power cord seems scary, but it's much easier than you think. Often the hardest part is just getting. Electrolux vacuum power cord stuck how to fix. The electrical cord of. How To Fix Electrolux Vacuum Cleaner Cord.