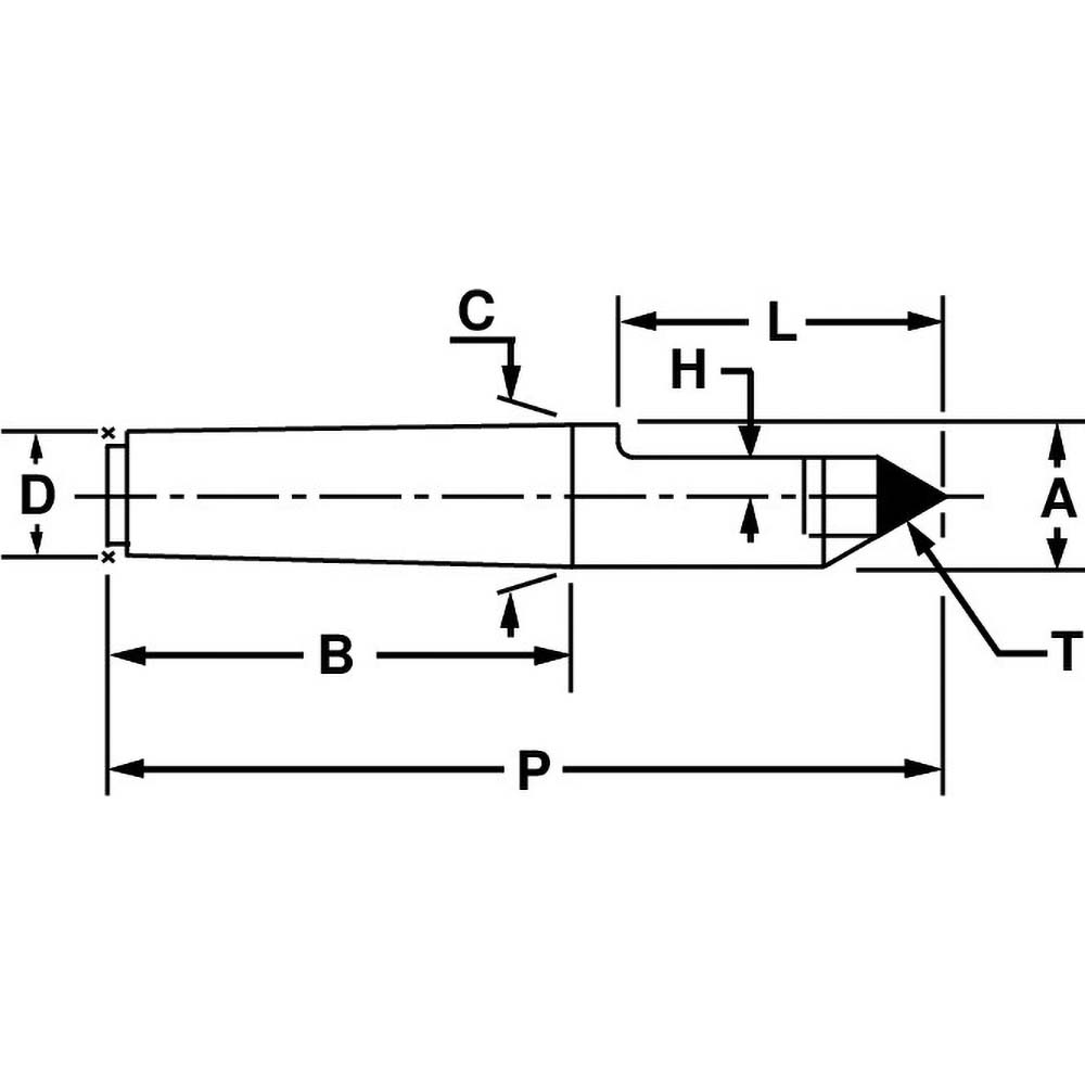
Taper Shank Dimensions . The dimensions for the same. Mt2 or 2mt) are also sometimes referred to by their german name morse kegel (e.g. The rate of taper for different numbers of morse. Note that morse taper sizes (e.g. At times, the female morse taper cavity in a machine may be slightly smaller than the maximum diameters shown. Morse jacobs jarno brown & sharpe weldon. This page give the dimensions of morse, jacobs, brown & sharpe, and jarno tapers. When selecting a taper, it’s important to consider the taper’s type, size, and specific application requirements to ensure compatibility and enhance the efficiency and quality of. All dimensions are given in inches. Download and print our taper dimension pdf for a quick reference table that will help you determine your machine's taper correctly, every time! Morse taper (mt) dimensions chart. Download and print our taper dimension pdf for a quick reference table that will help you determine your machine's taper correctly, every time! Our comprehensive chart includes 'at a glance' listing of the most popular taper styles including bt shank, cat shank, jacobs taper, morse taper, nmtb shank and r8 shank. All units are given in inches. 20 rows morse standard taper shanks and sockets dimensions and tolerance chart.
from www.penturners.org
Morse taper (mt) dimensions chart. When selecting a taper, it’s important to consider the taper’s type, size, and specific application requirements to ensure compatibility and enhance the efficiency and quality of. Download and print our taper dimension pdf for a quick reference table that will help you determine your machine's taper correctly, every time! 20 rows morse standard taper shanks and sockets dimensions and tolerance chart. All dimensions are given in inches. Download and print our taper dimension pdf for a quick reference table that will help you determine your machine's taper correctly, every time! Our comprehensive chart includes 'at a glance' listing of the most popular taper styles including bt shank, cat shank, jacobs taper, morse taper, nmtb shank and r8 shank. At times, the female morse taper cavity in a machine may be slightly smaller than the maximum diameters shown. Note that morse taper sizes (e.g. This page give the dimensions of morse, jacobs, brown & sharpe, and jarno tapers.
Morse Taper Dimensions The International Association of Penturners
Taper Shank Dimensions Download and print our taper dimension pdf for a quick reference table that will help you determine your machine's taper correctly, every time! This page give the dimensions of morse, jacobs, brown & sharpe, and jarno tapers. Morse taper (mt) dimensions chart. Note that morse taper sizes (e.g. 20 rows morse standard taper shanks and sockets dimensions and tolerance chart. All units are given in inches. Our comprehensive chart includes 'at a glance' listing of the most popular taper styles including bt shank, cat shank, jacobs taper, morse taper, nmtb shank and r8 shank. Download and print our taper dimension pdf for a quick reference table that will help you determine your machine's taper correctly, every time! Download and print our taper dimension pdf for a quick reference table that will help you determine your machine's taper correctly, every time! The rate of taper for different numbers of morse. The dimensions for the same. All dimensions are given in inches. At times, the female morse taper cavity in a machine may be slightly smaller than the maximum diameters shown. Morse jacobs jarno brown & sharpe weldon. When selecting a taper, it’s important to consider the taper’s type, size, and specific application requirements to ensure compatibility and enhance the efficiency and quality of. Mt2 or 2mt) are also sometimes referred to by their german name morse kegel (e.g.
From uwoodcraft.com
Morse Taper Dimensions Taper Shank Dimensions The dimensions for the same. Morse taper (mt) dimensions chart. Note that morse taper sizes (e.g. 20 rows morse standard taper shanks and sockets dimensions and tolerance chart. All units are given in inches. Morse jacobs jarno brown & sharpe weldon. Download and print our taper dimension pdf for a quick reference table that will help you determine your machine's. Taper Shank Dimensions.
From www.vkcnctools.com
NT Taper Shank Face Mill Arbors(Metric) Taper Shank Dimensions Note that morse taper sizes (e.g. Download and print our taper dimension pdf for a quick reference table that will help you determine your machine's taper correctly, every time! The dimensions for the same. All units are given in inches. At times, the female morse taper cavity in a machine may be slightly smaller than the maximum diameters shown. Morse. Taper Shank Dimensions.
From bceweb.org
Morse Taper Size Chart A Visual Reference of Charts Chart Master Taper Shank Dimensions Morse jacobs jarno brown & sharpe weldon. Mt2 or 2mt) are also sometimes referred to by their german name morse kegel (e.g. All dimensions are given in inches. All units are given in inches. The dimensions for the same. 20 rows morse standard taper shanks and sockets dimensions and tolerance chart. Our comprehensive chart includes 'at a glance' listing of. Taper Shank Dimensions.
From www.renishaw.com
Product A40380232, Taper shank shank specification DIN 69871A, taper Taper Shank Dimensions The rate of taper for different numbers of morse. Morse taper (mt) dimensions chart. Morse jacobs jarno brown & sharpe weldon. Note that morse taper sizes (e.g. The dimensions for the same. All units are given in inches. This page give the dimensions of morse, jacobs, brown & sharpe, and jarno tapers. Download and print our taper dimension pdf for. Taper Shank Dimensions.
From www.ebay.com
BT30 Taper Shank ERos®11 (ER11 On Size) Collet Chuck 3.94"Gage Length Taper Shank Dimensions Our comprehensive chart includes 'at a glance' listing of the most popular taper styles including bt shank, cat shank, jacobs taper, morse taper, nmtb shank and r8 shank. Morse taper (mt) dimensions chart. Note that morse taper sizes (e.g. When selecting a taper, it’s important to consider the taper’s type, size, and specific application requirements to ensure compatibility and enhance. Taper Shank Dimensions.
From woodcrafts.web.app
Morse Taper Sizes Dimensions Taper Shank Dimensions The rate of taper for different numbers of morse. Morse taper (mt) dimensions chart. Our comprehensive chart includes 'at a glance' listing of the most popular taper styles including bt shank, cat shank, jacobs taper, morse taper, nmtb shank and r8 shank. At times, the female morse taper cavity in a machine may be slightly smaller than the maximum diameters. Taper Shank Dimensions.
From www.komachine.com
Morse Taper Shank Dimension by JINYOUNG Komachine Supplier Profile Taper Shank Dimensions Our comprehensive chart includes 'at a glance' listing of the most popular taper styles including bt shank, cat shank, jacobs taper, morse taper, nmtb shank and r8 shank. At times, the female morse taper cavity in a machine may be slightly smaller than the maximum diameters shown. The dimensions for the same. Mt2 or 2mt) are also sometimes referred to. Taper Shank Dimensions.
From tacrockford.com
Hollow Taper Shank Type D Taper Shank Dimensions Note that morse taper sizes (e.g. When selecting a taper, it’s important to consider the taper’s type, size, and specific application requirements to ensure compatibility and enhance the efficiency and quality of. The rate of taper for different numbers of morse. This page give the dimensions of morse, jacobs, brown & sharpe, and jarno tapers. Mt2 or 2mt) are also. Taper Shank Dimensions.
From unitedtoolsupply.com
Taper Shank Drill Sizes United Tool Supply Taper Shank Dimensions All dimensions are given in inches. The rate of taper for different numbers of morse. Mt2 or 2mt) are also sometimes referred to by their german name morse kegel (e.g. At times, the female morse taper cavity in a machine may be slightly smaller than the maximum diameters shown. All units are given in inches. The dimensions for the same.. Taper Shank Dimensions.
From www.vrogue.co
Morse Taper Mt Dimensions Chart Autodrill vrogue.co Taper Shank Dimensions Note that morse taper sizes (e.g. At times, the female morse taper cavity in a machine may be slightly smaller than the maximum diameters shown. When selecting a taper, it’s important to consider the taper’s type, size, and specific application requirements to ensure compatibility and enhance the efficiency and quality of. All dimensions are given in inches. Download and print. Taper Shank Dimensions.
From www.carbideanddiamondtooling.com
31/64 to 4.0 Inch Diameter Smaller that Regular Taper Shanks ID 15458 Taper Shank Dimensions Note that morse taper sizes (e.g. Download and print our taper dimension pdf for a quick reference table that will help you determine your machine's taper correctly, every time! 20 rows morse standard taper shanks and sockets dimensions and tolerance chart. Morse taper (mt) dimensions chart. Mt2 or 2mt) are also sometimes referred to by their german name morse kegel. Taper Shank Dimensions.
From www.ebay.com
BT30 Taper Shank ERos®11 (ER11 On Size) Collet Chuck 3.94"Gage Length Taper Shank Dimensions Download and print our taper dimension pdf for a quick reference table that will help you determine your machine's taper correctly, every time! When selecting a taper, it’s important to consider the taper’s type, size, and specific application requirements to ensure compatibility and enhance the efficiency and quality of. The rate of taper for different numbers of morse. At times,. Taper Shank Dimensions.
From www.cgtk.co.uk
CGTK Morse Taper Dimensions Taper Shank Dimensions The dimensions for the same. Morse jacobs jarno brown & sharpe weldon. All dimensions are given in inches. All units are given in inches. Download and print our taper dimension pdf for a quick reference table that will help you determine your machine's taper correctly, every time! This page give the dimensions of morse, jacobs, brown & sharpe, and jarno. Taper Shank Dimensions.
From www.mscdirect.com
Riten Dead Centers; Center Type Solid Center; Material Steel; Shank Taper Shank Dimensions All dimensions are given in inches. All units are given in inches. Note that morse taper sizes (e.g. 20 rows morse standard taper shanks and sockets dimensions and tolerance chart. Download and print our taper dimension pdf for a quick reference table that will help you determine your machine's taper correctly, every time! Morse jacobs jarno brown & sharpe weldon.. Taper Shank Dimensions.
From hxenohzkh.blob.core.windows.net
Taper Shank Is Found On Twist Drill With Diameter From at Robert Howell Taper Shank Dimensions At times, the female morse taper cavity in a machine may be slightly smaller than the maximum diameters shown. This page give the dimensions of morse, jacobs, brown & sharpe, and jarno tapers. Our comprehensive chart includes 'at a glance' listing of the most popular taper styles including bt shank, cat shank, jacobs taper, morse taper, nmtb shank and r8. Taper Shank Dimensions.
From hxenohzkh.blob.core.windows.net
Taper Shank Is Found On Twist Drill With Diameter From at Robert Howell Taper Shank Dimensions 20 rows morse standard taper shanks and sockets dimensions and tolerance chart. Mt2 or 2mt) are also sometimes referred to by their german name morse kegel (e.g. The rate of taper for different numbers of morse. When selecting a taper, it’s important to consider the taper’s type, size, and specific application requirements to ensure compatibility and enhance the efficiency and. Taper Shank Dimensions.
From www.mscdirect.com
Riten Dead Centers; Center Type Half Center; Material Solid Carbide Taper Shank Dimensions When selecting a taper, it’s important to consider the taper’s type, size, and specific application requirements to ensure compatibility and enhance the efficiency and quality of. All dimensions are given in inches. 20 rows morse standard taper shanks and sockets dimensions and tolerance chart. This page give the dimensions of morse, jacobs, brown & sharpe, and jarno tapers. Mt2 or. Taper Shank Dimensions.
From pdfslide.net
(PDF) DIN 69893 A+C awartech.pl · din 69893 standard table de Taper Shank Dimensions Our comprehensive chart includes 'at a glance' listing of the most popular taper styles including bt shank, cat shank, jacobs taper, morse taper, nmtb shank and r8 shank. Mt2 or 2mt) are also sometimes referred to by their german name morse kegel (e.g. This page give the dimensions of morse, jacobs, brown & sharpe, and jarno tapers. All dimensions are. Taper Shank Dimensions.
From www.penntoolco.com
Precise 2MT Morse Taper Shank 3Jaw Self Centering Chuck 39004706 Taper Shank Dimensions Morse taper (mt) dimensions chart. All units are given in inches. This page give the dimensions of morse, jacobs, brown & sharpe, and jarno tapers. All dimensions are given in inches. Download and print our taper dimension pdf for a quick reference table that will help you determine your machine's taper correctly, every time! The dimensions for the same. Note. Taper Shank Dimensions.
From www.cgtk.co.uk
CGTK R8 Taper Dimensions Taper Shank Dimensions At times, the female morse taper cavity in a machine may be slightly smaller than the maximum diameters shown. When selecting a taper, it’s important to consider the taper’s type, size, and specific application requirements to ensure compatibility and enhance the efficiency and quality of. The dimensions for the same. Morse taper (mt) dimensions chart. Download and print our taper. Taper Shank Dimensions.
From www.toolsengg.com
Morse Taper Tool Holders Taper Shank Dimensions All units are given in inches. When selecting a taper, it’s important to consider the taper’s type, size, and specific application requirements to ensure compatibility and enhance the efficiency and quality of. Download and print our taper dimension pdf for a quick reference table that will help you determine your machine's taper correctly, every time! The rate of taper for. Taper Shank Dimensions.
From mavink.com
Morse Taper Dimensions Chart Taper Shank Dimensions All units are given in inches. Our comprehensive chart includes 'at a glance' listing of the most popular taper styles including bt shank, cat shank, jacobs taper, morse taper, nmtb shank and r8 shank. All dimensions are given in inches. Morse taper (mt) dimensions chart. This page give the dimensions of morse, jacobs, brown & sharpe, and jarno tapers. 20. Taper Shank Dimensions.
From carbidehss.com
Taper Shank Twist Drill Cutting Edge Solutions Taper Shank Dimensions 20 rows morse standard taper shanks and sockets dimensions and tolerance chart. The dimensions for the same. This page give the dimensions of morse, jacobs, brown & sharpe, and jarno tapers. The rate of taper for different numbers of morse. All units are given in inches. Mt2 or 2mt) are also sometimes referred to by their german name morse kegel. Taper Shank Dimensions.
From www.penturners.org
Morse Taper Dimensions The International Association of Penturners Taper Shank Dimensions All dimensions are given in inches. Morse taper (mt) dimensions chart. All units are given in inches. At times, the female morse taper cavity in a machine may be slightly smaller than the maximum diameters shown. Download and print our taper dimension pdf for a quick reference table that will help you determine your machine's taper correctly, every time! This. Taper Shank Dimensions.
From www.tapmatic.com
Standard Tap Dimensions (ANSI Shanks) Tapmatic Corporation Taper Shank Dimensions At times, the female morse taper cavity in a machine may be slightly smaller than the maximum diameters shown. Morse jacobs jarno brown & sharpe weldon. 20 rows morse standard taper shanks and sockets dimensions and tolerance chart. All dimensions are given in inches. All units are given in inches. Our comprehensive chart includes 'at a glance' listing of the. Taper Shank Dimensions.
From www.rennietool.co.uk
Morse Taper Shank Drills Metric Sizes Rennie Tool Company Taper Shank Dimensions All units are given in inches. This page give the dimensions of morse, jacobs, brown & sharpe, and jarno tapers. Download and print our taper dimension pdf for a quick reference table that will help you determine your machine's taper correctly, every time! The dimensions for the same. All dimensions are given in inches. Download and print our taper dimension. Taper Shank Dimensions.
From www.vrogue.co
Morse Taper Sizes Dimensions vrogue.co Taper Shank Dimensions Morse jacobs jarno brown & sharpe weldon. Download and print our taper dimension pdf for a quick reference table that will help you determine your machine's taper correctly, every time! Our comprehensive chart includes 'at a glance' listing of the most popular taper styles including bt shank, cat shank, jacobs taper, morse taper, nmtb shank and r8 shank. At times,. Taper Shank Dimensions.
From worksheetlibrae.z4.web.core.windows.net
Morse Taper Size Chart Taper Shank Dimensions Download and print our taper dimension pdf for a quick reference table that will help you determine your machine's taper correctly, every time! The rate of taper for different numbers of morse. The dimensions for the same. Note that morse taper sizes (e.g. When selecting a taper, it’s important to consider the taper’s type, size, and specific application requirements to. Taper Shank Dimensions.
From weima.com.my
MIRANDA HSS Taper Shank Drill, MIRANDA, Kuala Lumpur, Malaysia Weima Taper Shank Dimensions Download and print our taper dimension pdf for a quick reference table that will help you determine your machine's taper correctly, every time! When selecting a taper, it’s important to consider the taper’s type, size, and specific application requirements to ensure compatibility and enhance the efficiency and quality of. Morse jacobs jarno brown & sharpe weldon. Our comprehensive chart includes. Taper Shank Dimensions.
From www.practicalmachinist.com
metric equiv. of CAT 50 Taper Shank Dimensions At times, the female morse taper cavity in a machine may be slightly smaller than the maximum diameters shown. Our comprehensive chart includes 'at a glance' listing of the most popular taper styles including bt shank, cat shank, jacobs taper, morse taper, nmtb shank and r8 shank. Download and print our taper dimension pdf for a quick reference table that. Taper Shank Dimensions.
From www.mscdirect.com
Riten Dead Centers; Center Type Solid Center; Material Special Taper Shank Dimensions Our comprehensive chart includes 'at a glance' listing of the most popular taper styles including bt shank, cat shank, jacobs taper, morse taper, nmtb shank and r8 shank. At times, the female morse taper cavity in a machine may be slightly smaller than the maximum diameters shown. Download and print our taper dimension pdf for a quick reference table that. Taper Shank Dimensions.
From www.alibaba.com
Din2185 Morse Taper Shank Mt Drill Sleeves Size Buy Black Long Sleeve Taper Shank Dimensions This page give the dimensions of morse, jacobs, brown & sharpe, and jarno tapers. The dimensions for the same. 20 rows morse standard taper shanks and sockets dimensions and tolerance chart. All units are given in inches. The rate of taper for different numbers of morse. Download and print our taper dimension pdf for a quick reference table that will. Taper Shank Dimensions.
From conicalendmills.com
Conical Tapered End Mills, Cutting Tools, Metalworking, Shank Variation Taper Shank Dimensions This page give the dimensions of morse, jacobs, brown & sharpe, and jarno tapers. All dimensions are given in inches. Morse taper (mt) dimensions chart. 20 rows morse standard taper shanks and sockets dimensions and tolerance chart. Our comprehensive chart includes 'at a glance' listing of the most popular taper styles including bt shank, cat shank, jacobs taper, morse taper,. Taper Shank Dimensions.
From www.practicalmachinist.com
metric equiv. of CAT 50 Taper Shank Dimensions The dimensions for the same. All units are given in inches. Morse jacobs jarno brown & sharpe weldon. Download and print our taper dimension pdf for a quick reference table that will help you determine your machine's taper correctly, every time! This page give the dimensions of morse, jacobs, brown & sharpe, and jarno tapers. Download and print our taper. Taper Shank Dimensions.
From mavink.com
Morse Taper Size Chart Taper Shank Dimensions Morse taper (mt) dimensions chart. Mt2 or 2mt) are also sometimes referred to by their german name morse kegel (e.g. 20 rows morse standard taper shanks and sockets dimensions and tolerance chart. Our comprehensive chart includes 'at a glance' listing of the most popular taper styles including bt shank, cat shank, jacobs taper, morse taper, nmtb shank and r8 shank.. Taper Shank Dimensions.