The Fork Deals London . Eat your way around over 100 london restaurants this fortnight, and get 50% off. what's the deal: To receive the discount, head to thefork website where you can browse all the participating restaurants and book a table. make a booking with restaurants currently offering deals in london. book a table with restaurants currently offering deals in london. Find restaurant reviews, menu, pricing, hours from top places to eat in. discover the best restaurants in the uk with thefork. Spicy and less spicy options. Find restaurant reviews, menu, pricing and opening hours. Book a table with restaurants currently. 8.6 / 10 336 reviews. Check out our verified user. Book online for special offers up to 50% off. have we got a treat for you. Michelin inspector reviews and insights
from enjoymountainhome.com
make a booking with restaurants currently offering deals in london. discover the best restaurants in the uk with thefork. Spicy and less spicy options. Michelin inspector reviews and insights Find restaurant reviews, menu, pricing and opening hours. Check out our verified user. have we got a treat for you. 8.6 / 10 336 reviews. To receive the discount, head to thefork website where you can browse all the participating restaurants and book a table. book a table with restaurants currently offering deals in london.
The 'Fork Mountain Home, Arkansas Chamber of Commerce
The Fork Deals London Check out our verified user. Eat your way around over 100 london restaurants this fortnight, and get 50% off. Michelin inspector reviews and insights Spicy and less spicy options. Find restaurant reviews, menu, pricing, hours from top places to eat in. what's the deal: Book online for special offers up to 50% off. have we got a treat for you. discover the best restaurants in the uk with thefork. Check out our verified user. make a booking with restaurants currently offering deals in london. 8.6 / 10 336 reviews. Book a table with restaurants currently. Find restaurant reviews, menu, pricing and opening hours. To receive the discount, head to thefork website where you can browse all the participating restaurants and book a table. book a table with restaurants currently offering deals in london.
From www.softlaunchlondon.com
TheFork Summer Save up to 50 at 200+ London restaurants until 4 The Fork Deals London Book a table with restaurants currently. have we got a treat for you. Find restaurant reviews, menu, pricing, hours from top places to eat in. Find restaurant reviews, menu, pricing and opening hours. Eat your way around over 100 london restaurants this fortnight, and get 50% off. To receive the discount, head to thefork website where you can browse. The Fork Deals London.
From www.pinterest.com
Shop front "Fork" Best coffee shop, Coffee london, Coffee shop The Fork Deals London have we got a treat for you. 8.6 / 10 336 reviews. make a booking with restaurants currently offering deals in london. book a table with restaurants currently offering deals in london. Book a table with restaurants currently. Eat your way around over 100 london restaurants this fortnight, and get 50% off. Find restaurant reviews, menu, pricing,. The Fork Deals London.
From www.opentable.ca
The Fancy Fork at Farmer J Restaurant London OpenTable The Fork Deals London Book a table with restaurants currently. Find restaurant reviews, menu, pricing and opening hours. Check out our verified user. what's the deal: Book online for special offers up to 50% off. Eat your way around over 100 london restaurants this fortnight, and get 50% off. discover the best restaurants in the uk with thefork. have we got. The Fork Deals London.
From www.btse.com
Important Notice Ethereum London Hard Fork (August 4) — BTSE Blog The Fork Deals London Check out our verified user. book a table with restaurants currently offering deals in london. Eat your way around over 100 london restaurants this fortnight, and get 50% off. discover the best restaurants in the uk with thefork. make a booking with restaurants currently offering deals in london. Find restaurant reviews, menu, pricing and opening hours. To. The Fork Deals London.
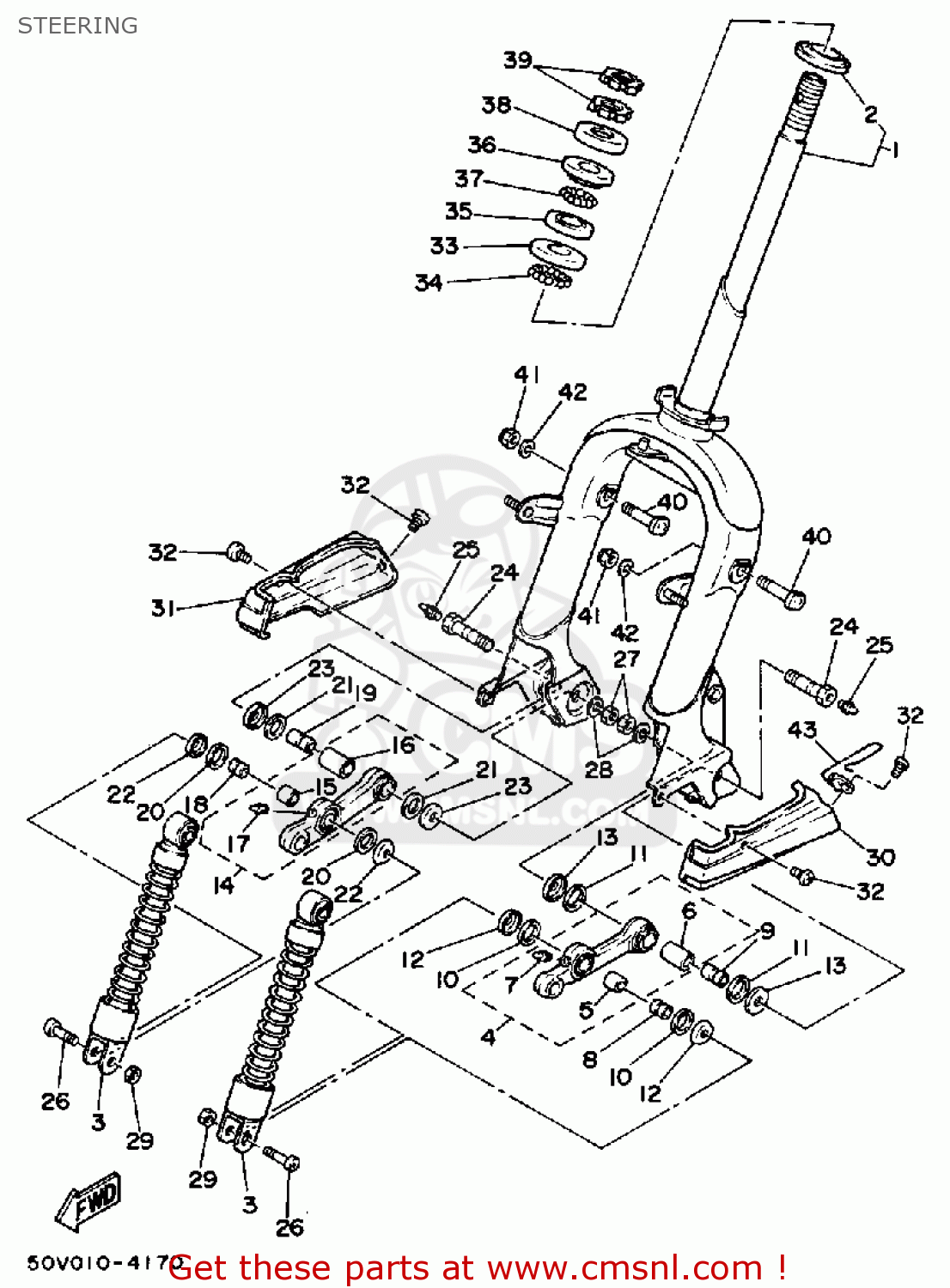
From www.cmsnl.com
50W2331020 Fork Cover Comp. Yamaha buy the 50W2331020 at CMSNL The Fork Deals London Check out our verified user. Book online for special offers up to 50% off. discover the best restaurants in the uk with thefork. what's the deal: Find restaurant reviews, menu, pricing and opening hours. 8.6 / 10 336 reviews. have we got a treat for you. To receive the discount, head to thefork website where you can. The Fork Deals London.
From www.kemikon.com
the fork application OFF 70 Online Shopping Site for Fashion The Fork Deals London Spicy and less spicy options. Book online for special offers up to 50% off. 8.6 / 10 336 reviews. Book a table with restaurants currently. Michelin inspector reviews and insights make a booking with restaurants currently offering deals in london. Find restaurant reviews, menu, pricing and opening hours. discover the best restaurants in the uk with thefork. . The Fork Deals London.
From jessicakatie.com
What the fork? Glimmers The Fork Deals London Spicy and less spicy options. Book online for special offers up to 50% off. Michelin inspector reviews and insights Book a table with restaurants currently. Find restaurant reviews, menu, pricing and opening hours. have we got a treat for you. what's the deal: Find restaurant reviews, menu, pricing, hours from top places to eat in. discover the. The Fork Deals London.
From articture.com
London Fork Articture The Fork Deals London what's the deal: 8.6 / 10 336 reviews. To receive the discount, head to thefork website where you can browse all the participating restaurants and book a table. Check out our verified user. Michelin inspector reviews and insights Spicy and less spicy options. Eat your way around over 100 london restaurants this fortnight, and get 50% off. Find restaurant. The Fork Deals London.
From www.pinterest.com
Middle Fork Cafe in New London, MN has a large variety of desserts The Fork Deals London have we got a treat for you. 8.6 / 10 336 reviews. Spicy and less spicy options. Book a table with restaurants currently. Check out our verified user. make a booking with restaurants currently offering deals in london. Eat your way around over 100 london restaurants this fortnight, and get 50% off. Find restaurant reviews, menu, pricing, hours. The Fork Deals London.
From enjoymountainhome.com
The 'Fork Mountain Home, Arkansas Chamber of Commerce The Fork Deals London Eat your way around over 100 london restaurants this fortnight, and get 50% off. Find restaurant reviews, menu, pricing and opening hours. discover the best restaurants in the uk with thefork. have we got a treat for you. Book online for special offers up to 50% off. make a booking with restaurants currently offering deals in london.. The Fork Deals London.
From www.lookphotos.com
Fork in the road, empty night streets … License image 13881886 The Fork Deals London book a table with restaurants currently offering deals in london. 8.6 / 10 336 reviews. Find restaurant reviews, menu, pricing, hours from top places to eat in. Book online for special offers up to 50% off. Book a table with restaurants currently. Michelin inspector reviews and insights Find restaurant reviews, menu, pricing and opening hours. what's the deal:. The Fork Deals London.
From www.softlaunchlondon.com
TheFork Festival Save 50 at 100+ London restaurants until 5 June The Fork Deals London book a table with restaurants currently offering deals in london. Spicy and less spicy options. Eat your way around over 100 london restaurants this fortnight, and get 50% off. Book online for special offers up to 50% off. discover the best restaurants in the uk with thefork. Find restaurant reviews, menu, pricing, hours from top places to eat. The Fork Deals London.
From www.aaa.com
The Best Hotels Deals in Ash fork Trip Canvas The Fork Deals London make a booking with restaurants currently offering deals in london. Michelin inspector reviews and insights Find restaurant reviews, menu, pricing, hours from top places to eat in. discover the best restaurants in the uk with thefork. have we got a treat for you. Find restaurant reviews, menu, pricing and opening hours. Check out our verified user. Eat. The Fork Deals London.
From deals.allenmediabroadcasting.com
2023 Fork in the Road Card The Fork Deals London To receive the discount, head to thefork website where you can browse all the participating restaurants and book a table. make a booking with restaurants currently offering deals in london. have we got a treat for you. Michelin inspector reviews and insights what's the deal: Book online for special offers up to 50% off. book a. The Fork Deals London.
From portsmouthohio.org
Fork and Finger The City of Portsmouth Ohio The Fork Deals London have we got a treat for you. Michelin inspector reviews and insights make a booking with restaurants currently offering deals in london. Book online for special offers up to 50% off. Book a table with restaurants currently. book a table with restaurants currently offering deals in london. 8.6 / 10 336 reviews. Check out our verified user.. The Fork Deals London.
From www.whalehouse.ca
The Fork Restaurant Review and why you should Fork on the first date The Fork Deals London book a table with restaurants currently offering deals in london. Find restaurant reviews, menu, pricing and opening hours. Spicy and less spicy options. have we got a treat for you. Michelin inspector reviews and insights Find restaurant reviews, menu, pricing, hours from top places to eat in. To receive the discount, head to thefork website where you can. The Fork Deals London.
From www.804area.com
The Fork On 5 Restaurant Richmond Richmond The Fork Deals London Find restaurant reviews, menu, pricing and opening hours. Spicy and less spicy options. book a table with restaurants currently offering deals in london. have we got a treat for you. Book a table with restaurants currently. what's the deal: make a booking with restaurants currently offering deals in london. Eat your way around over 100 london. The Fork Deals London.
From www.etsy.com
What the Fork SVG Funny Kitchen Svg Cricut What the Fork SVG Files What The Fork Deals London make a booking with restaurants currently offering deals in london. Spicy and less spicy options. Find restaurant reviews, menu, pricing, hours from top places to eat in. have we got a treat for you. Michelin inspector reviews and insights Eat your way around over 100 london restaurants this fortnight, and get 50% off. Book a table with restaurants. The Fork Deals London.
From hextrust.com
Ethereum 2.0 & The London Hard Fork Here’s What You Need to Know Hex The Fork Deals London Eat your way around over 100 london restaurants this fortnight, and get 50% off. Check out our verified user. have we got a treat for you. make a booking with restaurants currently offering deals in london. 8.6 / 10 336 reviews. Book online for special offers up to 50% off. Find restaurant reviews, menu, pricing, hours from top. The Fork Deals London.
From www.tasteofhome.com
How to Hold a Fork American vs European Style Taste of Home The Fork Deals London Michelin inspector reviews and insights 8.6 / 10 336 reviews. make a booking with restaurants currently offering deals in london. Book a table with restaurants currently. Spicy and less spicy options. discover the best restaurants in the uk with thefork. Check out our verified user. Find restaurant reviews, menu, pricing and opening hours. what's the deal: The Fork Deals London.
From articture.com
London Fork Articture The Fork Deals London Book online for special offers up to 50% off. To receive the discount, head to thefork website where you can browse all the participating restaurants and book a table. Spicy and less spicy options. have we got a treat for you. book a table with restaurants currently offering deals in london. Find restaurant reviews, menu, pricing, hours from. The Fork Deals London.
From www.theforkandtap.co.nz
The Fork And Tap The Fork Deals London Book online for special offers up to 50% off. Spicy and less spicy options. 8.6 / 10 336 reviews. Find restaurant reviews, menu, pricing, hours from top places to eat in. Find restaurant reviews, menu, pricing and opening hours. Check out our verified user. book a table with restaurants currently offering deals in london. discover the best restaurants. The Fork Deals London.
From kitchenkapers.com.au
London Oyster Fork Kitchen Kapers The Fork Deals London Find restaurant reviews, menu, pricing and opening hours. To receive the discount, head to thefork website where you can browse all the participating restaurants and book a table. Book online for special offers up to 50% off. discover the best restaurants in the uk with thefork. Michelin inspector reviews and insights Spicy and less spicy options. what's the. The Fork Deals London.
From www.kayak.com
Hampton Inn & Suites Spanish Fork from 118. Spanish Fork Hotel Deals The Fork Deals London Book online for special offers up to 50% off. Find restaurant reviews, menu, pricing and opening hours. Book a table with restaurants currently. Find restaurant reviews, menu, pricing, hours from top places to eat in. discover the best restaurants in the uk with thefork. what's the deal: Check out our verified user. make a booking with restaurants. The Fork Deals London.
From www.tripadvisor.jp
The Fancy Fork (ロンドン) の口コミ4件 トリップアドバイザー The Fork Deals London Find restaurant reviews, menu, pricing and opening hours. Check out our verified user. make a booking with restaurants currently offering deals in london. Find restaurant reviews, menu, pricing, hours from top places to eat in. Book a table with restaurants currently. Book online for special offers up to 50% off. have we got a treat for you. Michelin. The Fork Deals London.
From zerocap.com
London Hard Fork The LongTerm Ramifications Zerocap The Fork Deals London what's the deal: make a booking with restaurants currently offering deals in london. discover the best restaurants in the uk with thefork. Find restaurant reviews, menu, pricing and opening hours. Check out our verified user. To receive the discount, head to thefork website where you can browse all the participating restaurants and book a table. Spicy and. The Fork Deals London.
From therookiewire.usatoday.com
Restaurants Score 47 deals during September's Sizzle Dining month The Fork Deals London have we got a treat for you. discover the best restaurants in the uk with thefork. Check out our verified user. Eat your way around over 100 london restaurants this fortnight, and get 50% off. Spicy and less spicy options. Find restaurant reviews, menu, pricing, hours from top places to eat in. Find restaurant reviews, menu, pricing and. The Fork Deals London.
From www.sitecraft.net.au
Fork Spreader with Load Guard Sitecraft The Fork Deals London make a booking with restaurants currently offering deals in london. discover the best restaurants in the uk with thefork. Eat your way around over 100 london restaurants this fortnight, and get 50% off. Check out our verified user. Michelin inspector reviews and insights what's the deal: 8.6 / 10 336 reviews. Find restaurant reviews, menu, pricing, hours. The Fork Deals London.
From www.pinterest.com
Fork Deli Patisserie Marchmont Street, Russell Square Deli cafe The Fork Deals London Eat your way around over 100 london restaurants this fortnight, and get 50% off. Book a table with restaurants currently. what's the deal: Book online for special offers up to 50% off. discover the best restaurants in the uk with thefork. make a booking with restaurants currently offering deals in london. Michelin inspector reviews and insights . The Fork Deals London.
From www.dining-out.co.za
Fork Restaurant The Fork Deals London make a booking with restaurants currently offering deals in london. book a table with restaurants currently offering deals in london. Check out our verified user. Find restaurant reviews, menu, pricing, hours from top places to eat in. Michelin inspector reviews and insights Book a table with restaurants currently. Eat your way around over 100 london restaurants this fortnight,. The Fork Deals London.
From www.vivicreativo.com
The Fork l’app di Trip Advisor per prenotare i ristoranti The Fork Deals London book a table with restaurants currently offering deals in london. To receive the discount, head to thefork website where you can browse all the participating restaurants and book a table. Spicy and less spicy options. discover the best restaurants in the uk with thefork. Book online for special offers up to 50% off. make a booking with. The Fork Deals London.
From whattheforkcatering.com
What The Fork Catering The Fork Deals London have we got a treat for you. Spicy and less spicy options. To receive the discount, head to thefork website where you can browse all the participating restaurants and book a table. Michelin inspector reviews and insights book a table with restaurants currently offering deals in london. Check out our verified user. 8.6 / 10 336 reviews. Find. The Fork Deals London.
From www.secretdiner.org
The Secret Diner The Fork In The Road The Fork Deals London make a booking with restaurants currently offering deals in london. Eat your way around over 100 london restaurants this fortnight, and get 50% off. Find restaurant reviews, menu, pricing, hours from top places to eat in. discover the best restaurants in the uk with thefork. Michelin inspector reviews and insights what's the deal: Spicy and less spicy. The Fork Deals London.
From www.momswhothink.com
Salad Fork vs Dinner Fork Difference in Size and Which to Use First The Fork Deals London Book a table with restaurants currently. book a table with restaurants currently offering deals in london. Check out our verified user. discover the best restaurants in the uk with thefork. have we got a treat for you. Book online for special offers up to 50% off. Michelin inspector reviews and insights Eat your way around over 100. The Fork Deals London.
From articture.com
London Fork Articture The Fork Deals London book a table with restaurants currently offering deals in london. what's the deal: Book a table with restaurants currently. Find restaurant reviews, menu, pricing and opening hours. have we got a treat for you. Find restaurant reviews, menu, pricing, hours from top places to eat in. Eat your way around over 100 london restaurants this fortnight, and. The Fork Deals London.